![]() |
Etykiety dotyczące bezpieczeństwa oraz instrukcje są wyraźnie widoczne dla operatora i znajdują się w pobliżu wszystkich miejsc potencjalnego zagrożenia. Uszkodzone i brakujące etykiety należy wymienić. |


Producent akumulatora umieszcza następującą treść odpowiadającą etykiecie 137-9712:

Nie wolno narażać akumulatora na działanie temperatur przekraczających 65°C.
Nie wolno demontować akumulatora ani niewłaściwie z nim postępować. Nie zgniatać.
Nie zrzucać i nie narażać na uderzenia.
Należy stosować wyłącznie odpowiednią ładowarkę.
Nieprzestrzeganie zaleceń grozi wybuchem, pożarem lub nagrzaniem do wysokiej temperatury.
Dodatkowe instrukcje dotyczące bezpieczeństwa zamieszczono w Instrukcji obsługi.
Zaparkuj maszynę na równym podłożu.
Załącz hamulec postojowy.
Wyłącz maszynę.
Odłącz akumulator; patrz odpowiedni rozdział w Instrukcji obsługi.
Note: Wszystkie usunięte części można wyrzucić, chyba że podano inaczej.
Wykręć 4 śruby mocujące pokrywę konsoli i zdejmij ją (Rysunek 2).
Note: Zachowaj śruby do późniejszego montażu.

Przetnij opaski zaciskowe mocujące wiązkę przewodów dotychczasowego akumulatora do maszyny, a następnie odłącz wszystkie połączenia wiązki przewodów akumulatora i zdejmij wiązkę przewodów.
Important: Zapisz dotychczasowe prowadzenie wiązki przewodów, położenie opasek zaciskowych oraz połączeń i wykorzystaj je do poprowadzenia i podłączenia wiązki przewodów nowego akumulatora.
Note: Na maszynie powinna pozostać wyłącznie krótka wiązka wychodząca z góry silnika elektrycznego.
Note: Odłączenie wiązki przewodów spod akumulatora może wymagać podniesienia tacy akumulatora.
Odkręć wysoką nakrętkę mocującą tylną część tacy akumulatora do ramy maszyny (Rysunek 3).

Odkręć 2 śruby i nakrętki mocujące tacę akumulatora do przodu maszyny, a następnie wyjmij tacę oraz akumulator (Rysunek 4).

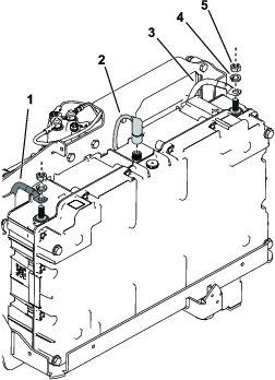
Odkręć 2 nakrętki, podkładki i śruby mocujące środkowy wspornik zasilania do tyłu maszyny i zdejmij go (Rysunek 5).

Wymontuj akumulator i tacę akumulatora z maszyny (Rysunek 6).
Odkręć śruby i podkładki mocujące akumulator do tacy. Zutylizuj akumulator lub oddaj go do recyklingu zgodnie z przepisami lokalnymi, stanowymi i federalnymi (Rysunek 6).

Części potrzebne do tej procedury:
| Akumulator | 1 |
| Śruba (¼ x 4½ cala) | 4 |
| Podkładka (¼ cala) | 4 |
| Nakrętka (¼ cala) | 4 |
| Podkładka zabezpieczająca (M8) | 2 |
| Nakrętka sześciokątna (M8) | 2 |
Ponieważ zestaw akumulatora jest wysyłany w stanie częściowo naładowanym, istnieje ryzyko porażenia.
Nie wolno jednocześnie dotykać dodatniego i ujemnego bieguna akumulatora ani dopuszczać do jednoczesnego dotknięcia ich przez narzędzia.
Podczas montażu akumulatora należy używać izolowanych narzędzi.
Wyjmij nowy akumulator z kartonowego opakowania.
Important: Zachowaj karton i pozostałe materiały zabezpieczające. Specjalne opakowanie będzie potrzebne w razie konieczności wysłania akumulatora w celu przeprowadzenia serwisu, wymiany gwarancyjnej lub utylizacji.
Poluzuj 8 śrub mocujących pokrywę akumulatora i zdejmij ją (Rysunek 7).
Note: Nie ma konieczności całkowitego odkręcenia śrub w celu zdjęcia pokrywy.

Ustaw akumulator na tacy akumulatora i zamocuj elementy mocujące tak, jak pokazano tutaj: Rysunek 8.

Podłącz przewód sterownika do złącza u góry akumulatora (Rysunek 9).
Podłącz dodatni (czerwony) przewód do dodatniego (+) bieguna akumulatora i zamocuj go podkładką zabezpieczającą oraz nakrętką sześciokątną tak, jak pokazano tutaj: Rysunek 9. Dokręć nakrętkę sześciokątną z momentem 9 N⋅m.

Podłącz ujemny (czarny) przewód do ujemnego (–) bieguna akumulatora i zamocuj go podkładką zabezpieczającą oraz nakrętką sześciokątną tak, jak pokazano tutaj: Rysunek 9. Dokręć nakrętkę sześciokątną z momentem 9 N⋅m.
Części potrzebne do tej procedury:
| Zespół akumulatora, tacy i wiązki przewodów | 1 |
| Śruba (5/16 x 1 cala) | 2 |
| Rozpórka (5/16 cala) | 1 |
| Nakrętka (5/16 cala) | 4 |
| Śruba (5/16 x 4-1/2”) | 2 |
| Podkładka utwardzona (5/16 cala) | 2 |
Ustaw przód nowej tacy akumulatora na ramie i zamocuj elementy mocujące tak, jak pokazano tutaj: Rysunek 10.

Zamocuj tylne mocowanie zespołu tacy do ramy tak, jak pokazano tutaj: Rysunek 11.

Poprowadź wiązkę przewodów w górę wzdłuż lewej strony uchwytu pod spód konsoli sterowania.
Note: Prowadź wiązkę przewodów z dala od ostrych, gorących lub ruchomych części. W razie potrzeby przymocuj ją za pomocą opasek zaciskowych.
Podłącz wszystkie połączenia wiązki przewodów tak, jak były one podłączone na poprzedniej wiązce przewodów z wyjątkiem złącza zasilania uchwytu T-handle.
Note: W zależności od osprzętu zamontowanego na maszynie niektóre połączenia wiązki przewodów mogą nie być wykorzystywane.Patrz etykiety na wiązce przewodów i zapisane wcześniej odniesienia z Demontaż dotychczasowego akumulatora.
W razie potrzeby przymocuj wiązkę przewodów za pomocą opasek zaciskowych i zacisków.
Zamontuj pokrywę akumulatora i przymocują ją śrubami poluzowanymi w punkcie 2 zamieszczonym tutaj: Montaż akumulatora na tacy akumulatora.
Podłącz złącze T-handle do głównego złącza zasilania (Rysunek 12).

Przy pomocy Toro DIAG zaktualizuj oprogramowanie do najnowszej dostępnej wersji, patrz Instrukcja obsługi Toro DIAG.
Important: Jeżeli Toro DIAG poprosi o model i numer seryjny, nie podawaj tych danych z ramy maszyny, lecz z etykiety znajdującej się na tacy akumulatora (Rysunek 13).

Przekręć kluczyk do pozycji PRACA, aby uruchomić maszynę i sprawdzić jej działanie. W razie problemów sprawdź połączenia wiązki przewodów.
Important: Wyświetlacz LED powinien się uruchomić; nie powinny pojawić się żadne komunikaty o błędzie ani migające diody.
Note: Nie musisz przekręcać kluczyka i trzymać go w pozycji START; przekręcenie kluczyka do pozycji PRACA uruchamia maszynę.
Zamontuj pokrywę konsoli za pomocą wykręconych wcześniej 4 śrub.
Naładuj maszynę, patrz Instrukcja obsługi ładowarki.
Important: Pamiętaj, aby użyć właściwej nowej ładowarki zgodnie z Instrukcją obsługi ładowarki; nie używaj starej ładowarki z nowym akumulatorem.
Note: Akumulator jest wysyłany w stanie częściowego naładowania (około 30%). Taki poziom naładowania wystarczy do zainstalowania oprogramowania, sprawdzenia działania maszyny i przejechania nią w celu ukończenia montażu.