![]() |
Gli adesivi di sicurezza e di istruzioni sono chiaramente visibili e sono affissi accanto a zone particolarmente pericolose. Sostituite gli adesivi danneggiati o smarriti. |


Il produttore della batteria fornisce il seguente linguaggio che corrisponde all’adesivo 137-9712:

Non esponete la batteria a temperature superiori a 65°C (149°F).
Non smontate e non trattate in modo inadeguato la batteria. Non schiacciate la batteria.
Non lasciate cadere la batteria e non sottoponetela a impatti.
Utilizzate solo un caricabatterie approvato OEM.
La mancata osservanza di queste istruzioni potrebbe provocare rischio di esplosione, incendi o alte temperature.
Per ulteriori istruzioni di sicurezza si rimanda al manuale d’uso.
Parcheggiate la macchina su terreno pianeggiante.
Inserite il freno di stazionamento.
Spegnete la macchina.
Scollegate la batteria; fate riferimento al vostro Manuale dell'operatore.
Note: Potete eliminare tutti i componenti rimossi, salvo diversa indicazione.
Rimuovete i 4 bulloni che fissano la protezione della consolle e rimuoverlo (Figura 2).
Note: Conservate i bulloni per l’installazione successiva.

Tagliate le fascette per cavi che fissano il cablaggio preassemblato della batteria esistente alla macchina, scollegate tutti i collegamenti del cablaggio preassemblato della batteria e rimuovete il cablaggio preassemblato.
Important: Prendete nota dell’instradamento del cablaggio preassemblato esistente, della fascetta e delle posizioni dei collegamenti; utilizzate questa nota come riferimento per l’instradamento e il collegamento del nuovo cablaggio preassemblato della batteria.
Note: L’unico cablaggio rimanente sulla macchina dovrà essere il cablaggio corto che si estende dalla parte superiore del motore elettrico.
Note: Dovrete sollevare la piattaforma della batteria per scollegare il cablaggio sotto la batteria.
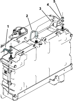
Rimuovete il dado lungo che fissa il retro della piattaforma della batteria al telaio della macchina (Figura 3).

Rimuovete i 2 bulloni e i dadi che fissano la piattaforma della batteria alla parte anteriore della macchina e la piattaforma e la batteria (Figura 4).

Rimuovete i 2 dadi, le rondelle e i bulloni che fissano la staffa della centralina alla parte posteriore della macchina e rimuovetela (Figura 5).

Rimuovete la batteria e la piattaforma della batteria dalla macchina (Figura 6).
Rimuovete i bulloni e le rondelle che fissano la batteria alla piattaforma; smaltite o riciclate la batteria in conformità ai regolamenti locali, statali e federali (Figura 6).

Parti necessarie per questa operazione:
| Pacco batteria | 1 |
| Bullone (1/4” x 4-1/2") | 4 |
| Rondella (¼") | 4 |
| Dado (¼") | 4 |
| Rondella di arresto (M8) | 2 |
| Dado esagonale (M8) | 2 |
Il pacco batteria viene spedito con una carica leggera ed è in grado di provocare una scossa elettrica.
Non toccate e non consentite agli utensili di toccare il terminale positivo e quello negativo della batteria contemporaneamente.
Per il montaggio della batteria utilizzate utensili isolati.
Estraete il nuovo pacco batteria dalla confezione.
Important: Conservate la confezione e tutto il materiale di imballaggio; qualora fosse necessario spedire la batteria a scopo di manutenzione, garanzia o riciclo, è necessario questo imballaggio speciale.
Allentate le 8 viti che fissano il coperchio della batteria e rimuovetelo (Figura 7).
Note: Per rimuovere il coperchio non è necessario rimuovere completamente le viti.

Posizionate la batteria nella piattaforma della batteria e montate la bulloneria come illustrato nella Figura 8.

Collegate il cavo del controller al connettore nella parte superiore della batteria (Figura 9).
Collegate il cavo positivo (rosso) al terminale positivo (+) della batteria e fissatelo con una rondella di arresto e un dado esagonale come illustrato nella Figura 9; serrate il dado esagonale a 9 N⋅m.

Collegate il cavo negativo (nero) al terminale negativo (–) della batteria e fissatelo con una rondella di arresto e un dado esagonale come illustrato nella Figura 9; serrate il dado esagonale a 9 N⋅m.
Parti necessarie per questa operazione:
| Batteria, piattaforma e gruppo cablaggio preassemblato | 1 |
| Bullone (5/16" x 1") | 2 |
| Distanziale (5/16") | 1 |
| Dado (5/16") | 4 |
| Bullone (5/16" x 2¼") | 2 |
| Rondella temprata (5/16 poll.) | 2 |
Allineate la parte anteriore della nuova batteria sul telaio e montate la bulloneria come illustrato nella Figura 10.

Montate il supporto del gruppo piattaforma posteriore al telaio come illustrato nella Figura 11.

Disponete il cablaggio preassemblato in alto sul lato sinistro della maniglia verso la parte inferiore della consolle di comando.
Note: Disponete il cablaggio preassemblato a distanza da parti affilate, calde o in movimento; fissatelo con fascette per cavi, se necessario.
Collegate tutti i collegamenti del cablaggio preassemblato come erano collegati sul precedente cablaggio preassemblato, ad eccezione del connettore di alimentazione della maniglia a T.
Note: Alcuni collegamenti del cablaggio preassemblato potrebbero non essere utilizzati a seconda degli attrezzi installati sulla vostra macchina.Fate riferimento alle etichette sul cablaggio preassemblato e ai riferimenti di cui avete preso nota in precedenza da Rimozione della batteria esistente.
Fissate il cablaggio preassemblato con fascette per cavi e fermacavi, se necessario.
Montate il coperchio della batteria e fissatelo con le viti allentate al punto 2 in Montaggio della batteria alla piattaforma della batteria.
Collegate il connettore della maniglia a T al connettore di alimentazione principale (Figura 12).

Utilizzate Toro DIAG per aggiornare il software all’ultima versione disponibile; fate riferimento al vostro Manuale dell’operatore per il Toro DIAG.
Important: Quando richiesto da Toro DIAG per il numero di serie e di modello, non utilizzate le informazioni sul numero di serie e di modello presenti sul telaio della macchina; utilizzate le informazioni presenti sull’adesivo posto sulla piattaforma della batteria (Figura 13).

Ruotate la chiave in posizione RUN per avviare la macchina e testarne il funzionamento; qualora ci fossero dei problemi, controllate i collegamenti del cablaggio preassemblato.
Important: Il display a LED dovrebbe accendersi e non dovrebbero esserci messaggi di errore o spie lampeggianti.
Note: Non è necessario ruotare e tenere la chiave in posizione START; ruotando la chiave in posizione RUN, la macchina si avvia.
Montate la protezione della console utilizzando le 4 viti rimosse in precedenza.
Caricate la macchina; fate riferimento al Manuale dell’operatore del vostro caricabatterie.
Important: Assicuratevi di utilizzare il caricabatterie nuovo corretto secondo quanto stabilito nel Manuale dell’operatore del caricabatterie; non utilizzate il vecchio caricabatterie con la nuova batteria.
Note: La batteria viene spedita con una carica parziale (circa 30%); si tratta di una carica sufficiente per effettuare l’installazione del software, i controlli funzionali sulla macchina, e per spostarla, secondo necessità, per completare la configurazione.