![]() |
任何潜在危险区附近均贴有操作员清晰可见的安全标贴和说明。更换受损或丢失的标贴。 |


电池制造商提供与标贴 137-9712 相对应的以下语言:

切勿将电池暴露在 65°C 以上的温度下。
切勿拆卸或损坏电池。切勿挤压。
切勿使其掉落或受到撞击。
仅使用 OEM 批准的充电器。
不遵守这些指示可能导致爆炸、火灾或高温的风险。
请参阅《用户手册》了解额外的安全说明。
将机器停在水平地面上。
接合驻车刹车。
关闭机器。
断开电池;请参阅操作员手册。
Note: 除非另有说明,否则您可以丢弃所有卸下的零件。
卸下固定控制台盖的 4 个螺栓,然后取下控制台盖(图 2) 。
Note: 保留螺栓以备随后的安装之用。

剪断将现有电池线束固定到机器的电缆扎带,断开所有电池线束连接,然后拆下线束。
Important: 记录现有的线束布线路径、电缆扎带和连接位置;用它作为布置和连接新电池线束的参考。
Note: 机器上唯一剩余的线束应该是从电动机顶部延伸的短线束。
Note: 您必须抬起电池平台才能断开电池下的线束。
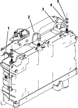
拧下将电池平台后部固定到机器机架上的高螺母(图 3)。

卸下将电池平台固定到机器前部的 2 个螺栓和螺母,并取下平台和电池(图 4)。

卸下将电源中心支架固定到机器后部的 2 个螺母、垫圈和螺栓,然后将其卸下(图 5)。

从机器上卸下电池和电池平台(图 6)。
拆下将电池固定到平台上的螺栓和垫圈;请按照当地、州和联邦法规处置或回收电池(图 6)。

此程序中需要的物件:
| 电池组 | 1 |
| 螺栓 (¼ x 4½ 英寸) | 4 |
| 垫圈 (¼ 英寸) | 4 |
| 螺母(¼ 英寸) | 4 |
| 锁紧垫圈(M8) | 2 |
| 六角螺母(M8) | 2 |
电池组出厂时带有轻微电量,足够对您造成电击。
切勿触摸或让工具同时接触到电池的正极和负极端子。
安装电池时应使用绝缘工具。
此程序中需要的物件:
| 电池、平台和线束组件 | 1 |
| 螺栓(5/16 x 1 英寸) | 2 |
| 隔片(5/16 英寸) | 1 |
| 螺母(5/16 英寸) | 4 |
| 螺栓 (5/16 x 2¼ 英寸) | 2 |
| 硬化垫圈(5/16 英寸) | 2 |
如图 10所示,将新电池平台的正面对准机架,然后安装五金件。

如图 11所示,将后平台组件支架安装到机架上。

将线束从手柄左侧向上布置到控制台的下侧。
Note: 将线束远离任何尖锐、炽热或活动的部件;必要时用扎带将其固定。
按照连接至先前线束的方式连接所有线束连接,T 形手柄电源连接器除外。
Note: 根据机器上安装的附件,有些线束连接可能不会用到。请参阅线束上的标签和您之前从卸下现有电池录制的参考。
根据需要,使用扎带和电缆夹固定线束。
安装电池盖,并使用在将电池安装到电池平台的步骤 2 中拧松的螺丝将其固定。
将 T 形手柄接头连接至主电源接头(图 12)。

使用 Toro DIAG 将软件更新到最新版本;请参阅您的 Toro DIAG 《操作员手册》。
Important: 当 Toro DIAG 提示型号和序列号时,请勿使用机架上的型号和序列号信息,使用位于电池平台标贴上的信息(图 13)。

将钥匙转至运行位置以启动机器并测试操作;如果有任何问题,请检查线束连接。
Important: LED 显示屏应该打开,不应该有错误信息或闪烁的灯。
Note: 您无需转动并将钥匙固定在启动位置,只需要将钥匙转至运行位置即可打开机器。
使用之前卸下的 4 个螺丝安装控制台盖。
为机器充电;请参阅充电器《操作员手册》。
Important: 确保按照充电器《操作员手册》使用新的正确充电器;切勿使用旧充电器为新电池充电。
Note: 电池出厂时带有部分电量(约 30%);这些电量足以让您在机器上执行软件安装、功能检查,并根据需要进行移动以完成安装。