![]() |
Os autocolantes de segurança e instruções estão facilmente visíveis para o operador e situam-se próximo das zonas de potencial perigo. Substitua todos os autocolantes danificados ou perdidos. |


O fabricante da bateria oferece o seguinte idioma que corresponde ao autocolante 137-9712:

Não exponha a bateria a uma temperatura superior a 65°C.
Não desmonte nem trate mal a bateria. Não esmague.
Não deixe cair nem a sujeite a impacto.
Utilize apenas um carregador aprovado para equipamento original.
O não cumprimento destas instruções pode causar risco de explosão, fogo ou temperaturas elevadas.
Consulte o manual do proprietário para obter instruções de segurança adicionais.
Estacione a máquina numa superfície nivelada.
Engate o travão de estacionamento.
Desligue a máquina.
Desligue a bateria; consulte o Manual do utilizador.
Note: Pode deitar fora todas as partes removidas, exceto se indicado em contrário.
Remova os quatro parafusos que prendem a cobertura da consola e remova-a (Figura 2).
Note: Guarde os parafusos para instalação posterior.

Corte as braçadeiras de cabos que prendem a cablagem existente da bateria à máquina, desligue todas as ligações da cablagem da bateria e retire a cablagem.
Important: Anote os locais da cablagem existente, abraçadeiras e ligação; utilize-os como referência para encaminhar e ligar a nova cablagem da bateria.
Note: A única cablagem restante na máquina deve ser a cablagem curta que se estende da parte superior do motor elétrico.
Note: Pode ter de elevar a plataforma da bateria para desligar a cablagem por baixo da bateria.
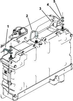
Retire a porca alta que prende a traseira da plataforma da bateria à estrutura da máquina (Figura 3).

Remova os dois parafusos e porcas que prendem a plataforma da bateria à frente da máquina e remova a plataforma e a bateria (Figura 4).

Remova as duas porcas, anilhas e parafusos que prendem o suporte central de potência à traseira da máquina e remova-o (Figura 5).

Remova a bateria e a plataforma da bateria da máquina (Figura 6).
Remova os parafusos e anilhas que prendem a bateria à plataforma; elimine ou recicle a bateria de acordo com os regulamentos locais ou estatais (Figura 6).

Peças necessárias para este passo:
| Bateria | 1 |
| Parafuso (¼ pol. x 4½ pol.) | 4 |
| Anilha (¼ pol.) | 4 |
| Porca (¼ pol.) | 4 |
| Anilha de segurança (M8) | 2 |
| Porca hexagonal (M8) | 2 |
A bateria é enviada com uma ligeira carga e é capaz de dar um choque.
Não toque nem permita que ferramentas toquem ambos os terminais positivo ou negativo da bateria ao mesmo tempo.
Utilize baterias com isolamento ao instalar a bateria.
Retire a nova bateria da respetiva embalagem.
Important: Guarde a embalagem e todo o material de embalagem; se alguma vez necessitar de enviar a bateria para manutenção, garantia ou reciclagem, é necessária esta embalagem especial.
Desaperte os oito parafusos que prendem a cobertura da bateria e remova-a (Figura 7).
Note: Não necessita de remover completamente os parafusos para remover a cobertura.

Coloque a bateria na plataforma da bateria e instale as ferragens como se indica na Figura 8.

Ligue o cabo do controlador ao conetor na parte superior da bateria (Figura 9).
Ligue o cabo positivo (vermelho) ao terminal positivo (+) da bateria e prenda-o com uma anilha de segurança e porca sextavada como se mostra na Figura 9; aperte a porca sextavada com 9 N·m.

Ligue o cabo negativo (preto) ao terminal negativo (–) da bateria e prenda-o com uma anilha de segurança e porca sextavada como se mostra na Figura 9; aperte a porca sextavada com 9 N·m.
Peças necessárias para este passo:
| Bateria, plataforma e conjunto da cablagem | 1 |
| Parafuso (5/16 x 1 pol.) | 2 |
| Espaçador (5/16 pol.) | 1 |
| Porca (5/16 pol.) | 4 |
| Parafuso (5/16 pol. x 2¼ pol.) | 2 |
| Anilha endurecida (5/16 pol.) | 2 |
Alinhe a frente da nova plataforma da bateria na estrutura e instale as ferragens como se mostra na Figura 10.

Instale a montagem do conjunto da plataforma traseira na estrutura como se mostra na Figura 11.

Encaminhe a cablagem para cima para o lado esquerdo da pega para o lado inferior da consola de controlo.
Note: Encaminhe a cablagem afastando-a de quaisquer peças afiadas, quentes ou em movimento; prenda-a com braçadeiras de cabos, consoante o necessário.
Ligue todas as conexões da cablagem como estavam ligadas na cablagem anterior, exceto o conetor de potência da pega em T.
Note: Algumas ligações da cablagem podem não ser usadas dependendo dos acessórios instalados na sua máquina.Consulte as etiquetas na cablagem e as referências previamente guardadas de Remoção da bateria existente.
Prenda a cablagem com braçadeiras e clipes de cabos, consoante o necessário.
Instale a cobertura da bateria e prenda-a com os parafusos desapertados no passo 2 de Instalação da bateria na plataforma da bateria.
Ligue o conector da pega em T ao conector da fonte de alimentação principal (Figura 12).

Utilize o DIAG da Toro para atualizar o software para a última versão disponível; consulte o seu Manual do utilizador do DIAG da Toro.
Important: Quando pedido pelo DIAG da Toro o modelo e número de série, não utilize as informações do modelo e número de série da estrutura da máquina. Utilize as informações do autocolante localizado na plataforma da bateria (Figura 13).

Rode a chave para a posição FUNCIONAMENTO para ligar a máquina e teste o funcionamento. Se houver algum problema, verifique as ligações da cablagem.
Important: O LED deve acender e não deve haver mensagens de erro nem luzes a piscar.
Note: Não necessita de rodar nem manter a chave na posição ARRANQUE, rodando a chave para FUNCIONAMENTO liga a máquina.
Instale a cobertura da consola utilizando os quatro parafusos removidos previamente.
Carregue a máquina; consulte o Manual do utilizador do carregador.
Important: Certifique-se de que utiliza o carregador novo correto, de acordo com o Manual do utilizador do carregador; não utilize o carregador antigo com a nova bateria.
Note: A bateria é enviada com uma carga parcial (aproximadamente 30%); esta carga é suficiente para realizar a instalação do software, as verificações de funcionamento da máquina e movê-la o necessário para a configuração completa.