Συντήρηση
Λίπανση/γρασάρισμα του προσαρμογέα του παρελκομένου
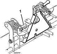
Εάν ο μοχλός ασφάλισης στον προσαρμογέα του παρελκομένου δεν κινείται ελεύθερα και εύκολα, απλώστε μια λεπτή στρώση γράσου στην περιοχή που φαίνεται στο Σχήμα 7.

Προσαρμογή των ελατηρίων των ράβδων ενεργοποίησης
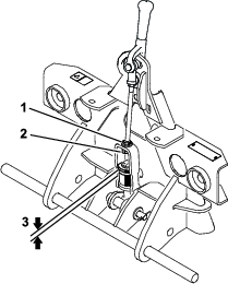
Τα ελατήρια και οι ράβδοι ενεργοποίησης ρυθμίζονται από το εργοστάσιο. Ωστόσο, εάν τοποθετηθούν νέα εξαρτήματα ή αφαιρεθούν τα ελατήρια για οποιονδήποτε λόγο, το μήκος των ελατηρίων πρέπει να ρυθμιστεί στα 133 mm (5,24"), όπως φαίνεται στο Σχήμα 8.

Οριζοντίωση του μαχαιριού του ισοπεδωτή
Για να οριζοντιώσετε το μαχαίρι ως προς τον ελκυστήρα, τοποθετήστε τον ελκυστήρα σε επίπεδη επιφάνεια (π.χ. τσιμεντένιο δάπεδο) και μεταβάλλετε ελαφρά και όσο απαιτείται την πίεση των πίσω ελαστικών.
ναποδογύρισμα του μαχαιριού του διαμορφωτή
Μπορείτε να γυρίσετε ανάποδα το μαχαίρι του διαμορφωτή (Σχήμα 9) ώστε να έχετε και δεύτερη ακμή τριβής όταν η αρχική ακμή φθαρεί και καλυφθεί από την κάτω ακμή του πλαισίου του ισοπεδωτή, στο οποίο είναι στερεωμένο.

Προαιρετικός εξοπλισμός
| Κιτ σβάρνας | Κωδ. 140-0274 |
| Κιτ έρματος (παιτείται με το 140-0274) | Κωδ. 100-6442 |
| Δόντια καρβιδίου (περιλ. 15 δόντια) | Κωδ. 119-2152 |
| Δόντι για ζιζάνια (απαιτούνται 15 δόντια ανά μηχάνημα) | Κωδ. 110-0260-0P |
| Μαχαίρι για ζιζάνια (απαιτούνται 5 μαχαίρια ανά μηχάνημα) | Κωδ. 132-4427-0P |







