Одржавање
Podmazivanje adaptera za priključak
Ako se ručica za zaključavanje adaptera za priključak ne okreće neometano i lako, nanesite tanak sloj maziva na mesto prikazano na Слика 15.

Pažljivo pročitajte ove informacije da biste naučili kako da pravilno koristite i održavate svoj uređaj i kako da izbegnete povrede i oštećenje proizvoda. Pravilno i bezbedno rukovanje proizvodom vaša je odgovornost.
Možete se obratiti kompaniji Toro direktno na www.Toro.com za informacije u vezi sa proizvodom i dodatnom opremom, za pomoć u pronalaženju prodavca ili da biste registrovali svoj proizvod.
Kad god su vam potrebni servis, originalni Toro delovi ili dodatne informacije, obratite se ovlašćenom serviseru ili Toro korisničkoj službi i pripremite broj modela i serijski broj svog proizvoda. Слика 1 pokazuje lokaciju broja modela i serijskog broja na proizvodu. Zapišite brojeve u za to predviđenom prostoru.

U ovom priručniku se prikazuju potencijalne opasnosti i bezbednosne poruke označene simbolom za bezbednosno upozorenje (Слика 2), koji ukazuje na opasnost koja može dovesti do teške povrede ili smrtnog ishoda ako se ne pridržavate preporučenih mera predostrožnosti.

U ovom priručniku se koriste 2 reči za isticanje informacija. Rečju Važno skreće se pažnja na posebne mehaničke informacije, a rečju Napomena naglašavaju se opšte informacije koje zaslužuju posebnu pažnju.
![]() |
Bezbednosne nalepnice i uputstva lako su vidljivi operateru i nalaze se u blizini svake oblasti sa potencijalnom opasnošću. Zamenite svaku nalepnicu koja je oštećena ili nedostaje. |

Делови потребни за овај поступак:
| Sklop zupčastih grabulja | 1 |
| Prečka za povlačenje | 1 |
| Zavrtanj (½ x 1-¾") | 1 |
| Navrtanj sa prirubnicom (½") | 1 |
| Šestougaona navrtka (½") | 1 |
| Zavrtanj sa prirubnicom (⅜ x 1") | 1 |
| Navrtanj sa prirubnicom (⅜") | 1 |
| Sklop adaptera za montiranje | 1 |
| Opružni osigurač | 2 |
| Sklop podizne ručice | 1 |
| Prečka za rotiranje | 1 |
| Zavrtanj (⅜ x 1-¼") | 1 |
| Kontra navrtka (⅜") | 1 |
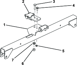
Labavo montirajte prečku za povlačenje na prednji otvor na sklopu visećeg modula (Слика 3) pomoću zavrtnja (½ x 1-¾"), navrtke sa prirubnicom (½") i šestougaone navrtke (½").

Labavo montirajte cev jezička na zadnji otvor na sklopu visećeg modula pomoću zavrtnja sa prirubnicom (⅜ x 1") i navrtke sa prirubnicom (⅜").
Navrtke pritegnite na sledeći način:
Navrtka sa prirubnicom (½") – 104 do 126 N·m
Šestougaona navrtka (½") – 91 do 113 N·m
Navrtka sa prirubnicom (⅜") – 22 do 27 N·m
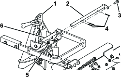
Poravnajte podiznu ručicu sa nosačem na adapteru za montiranje (Слика 4) i povežite ih pomoću prečke za rotiranje, kao što je ilustrovano na Слика 5.
Note: Prilikom pomeranja adaptera za montiranje, koristite ručku koja se nalazi sa zadnje strane adaptera (Слика 4).


Fiksirajte prečku za rotiranje (Слика 5) pomoću 3 opružna osigurača, zavrtnja (⅜ x 1-¼") i navrtke (⅜").
Делови потребни за овај поступак:
| Zavrtanj (⅜ x 1-½") | 2 |
| Podloška (⅜ x ⅞") | 4 |
| Raspinjač | 2 |
| Kontra navrtka (⅜") | 2 |
Uklonite svu dodatnu opremu sa zadnje strane mašine.
Spustite adapter vučne jedinice i pomerite vučnu jedinicu u položaj ispred adaptera za montiranje.
Note: Proverite da li je ručica za zaključavanje okrenuta ulevo (otključani položaj), kada se gleda sa zadnje strane mašine.
Uvucite adapter za montiranje u adapter vučne jedinice.
Important: Dugačka ručica sklopa podizne ručice mora da bude ispod sklopa zadnjeg rama vučne jedinice (Слика 6).
Možete da prikleštite prste između adaptera za montiranje i adaptera vučne jedinice.
Dodatnu opremu uvek podižite i pomerajte pomoću ručke sa zadnje strane adaptera za montiranje (Слика 6).
Rotirajte ručicu za zaključavanje udesno da biste međusobno fiksirali adaptere.
Fiksirajte gornju kariku svakog lanca na spoljnu stranu podizne ručice (Слика 6) pomoću zavrtnja (⅜ x 2-½"), 2 podloške (⅜ x ⅞"), odstojnika i navrtke (⅜").

Note: Radi pravilnog rukovanja grabuljama, lanci moraju da budu labavi kada su grabulje u spuštenom (radnom) položaju.
Note: Proverite da li se sve krajnje grabulje pravilno preklapaju i da leže ravno, bez upetljanih ili uvijenih lanaca.
Kada montirate i fiksirate grabulje na vučnu jedinicu, podignite dodatak.
Izmerite zazor između debele podloške i oslonca podiznog jarma na adapteru za montiranje, kao što je prikazano na Слика 7.
Note: Veza je pravilno podešena ako izmerite zazor od 1,5 do 2 mm između debele podloške i oslonca podiznog jarma (Слика 7).

Ako razmak nije odgovarajući, otpustite kontranavrtku i pritegnite ili otpustite navrtku za podešavanje na sklopu spoja, kako biste promenili razmak po potrebi (Слика 7).

Pročitajte ovaj odeljak o grabuljanju pre grabuljanja nasipa. Postoje mnogi uslovi koji određuju podešavanje priključka zupčastih grabulja. Tekstura i dubina peska, količina vlage, korov i stepen zbijenosti mogu da se razlikuju od terena do terena ili čak od nasipa do nasipa na istom terenu. Podesite grabulje za optimalne rezultate u vašem prostoru.
Vežbajte grabuljanje na velikom, ravnom nasipu na terenu. Vežbajte pokretanje, zaustavljanje, okretanje, podizanje i spuštanje grabulja; ulazak u nasip i izlazak iz njega itd. Vežbajte pri umerenoj brzini motora i maloj brzini kretanja. Ovaj period obuke će vam pomoći da steknete samopouzdanje pri upravljanju mašinom.
Note: Nemojte pomerati unazad vučnu jedinicu dok je priključak spušten. Doći će do oštećenja priključka.
Ako je pesak dovoljno dubok, u ravnim oblastima možete da grabuljate sve do ivice nasipa.
Ako se pesak preliva na travnjak, držite se dovoljno daleko od ivice da ne biste remetili zemljište ispod.
Nemojte grabuljati preblizu kratkog, strmog nanosa. Pesak će se samo slivati na dno nasipa.
Za strme nanose, male rupe itd. može biti potrebno doterivanje ručnim grabuljama.
Grabuljajte nasip po šablonu prikazanom na Слика 9. Ovim šablonom se izbegava nepotrebno preklapanje, sabijanje je najmanje i za njim ostaje uredan i atraktivan šablon u pesku.
Uđite u nasip pravo uzdužno, tamo gde je nanos najmanje strm. Vozite kroz centar nasipa skoro do kraja, okrenite se što je moguće oštrije na bilo koju stranu i vratite se tačno uz prvi prolaz. Krećite se spiralno ka spolja kao što je prikazano na slici i iz nasipa izađite pod pravim uglom na ravnoj površini.
Strme i kratke nanose i male rupe ostavite za doterivanje ručnim grabuljama.

Kada ulazite u nasip, ne spuštajte grabulje dok ne budu nad peskom. Time se izbegava zasecanje travnjaka ili dovlačenje pokošene trave ili drugih otpadaka u nasip. Spustite grabulje dok se mašina pomera.
Kada izlazite iz nasipa, počnite da podižete grabulje kada prednji točak napusti nasip. Dok mašina izlazi, grabulje se podižu i ne izbacuju pesak na travu.
Kroz iskustvo i praksu uskoro ćete steći osećaj za pravovremeni i ispravni ulazak u nasip i izlazak iz njega.
Položaj grabulja možete da menjate kako biste povećali ili smanjili njihovu agresivnost u pesku. Montirajte šipku za vuču i grabulje kao što je prikazano na sledećim slikama kako biste postigli željenu agresivnost.
Možete da podesite dužinu lopatica da biste povećali ili smanjili stepen probijanja zubaca.
Otpustite zavrtnje za montiranje lopatica, pomerite lopatice gore ili dole u željeni položaj i pritegnite zavrtnje (Слика 12).

Otpustite protivnavrtke i rotirajte zaustavne vijke grabulja (Слика 13) ka spolja da biste ograničili bočno rotiranje grabulja. Pritegnite kontranavrtke da biste pričvrstili podešeno.

Možete da postavite opcione tegove na završne grabulje ako je pesak vlažan ili krupan, odnosno ako u zamkama ima dubokih otisaka stopala. Naručite deo br. 18-7570 od ovlašćenog distributera kompanije Toro.
Obavite sledeći postupak da biste povećali visinu grabulja pri transportu:
Spustite grabulje i podignite sklop što je niže moguće.
Odvojite lance od podiznih ručica i ponovo ih prikačite na većoj visini.
Note: Da biste obezbedili pravilan rad grabulja, vratite lance u prvobitan olabavljen položaj pre korišćenja grabulja.
Nakon grabuljanja temeljno očistite mašinu. Pošto ovu mašinu koristite prevashodno u pesku, a pesak je izuzetno abrazivan, sperite ga nakon svake upotrebe. Ako često čistite mašinu (pre nego što pesak uspe da se zgrudva), čistite je mlazom vode iz creva bez mlaznice. Mlaz pod velikim pritiskom može da ubaci pesak na mesta koja su podložna habanju, gde pesak može da se ponaša kao smesa za brušenje.
Note: Ako se adapter priključka zakači za adapter vučne jedinice, umetnite polugu za odvajanje ili odvijač u otvor za odvajanje da biste odvojili delove (Слика 14).

Ako se ručica za zaključavanje adaptera za priključak ne okreće neometano i lako, nanesite tanak sloj maziva na mesto prikazano na Слика 15.
