![]() |
Las pegatinas de seguridad e instrucciones están a la vista del operador y están ubicadas cerca de cualquier zona de peligro potencial. Sustituya cualquier pegatina que esté dañada o que falte. |



El fabricante de la batería proporciona los textos siguientes que corresponden a la pegatina 137-9712:

No exponer la batería a temperaturas superiores a 65 °C (149 °F).
No desmontar ni maltratar la batería. No aplastar.
No dejar caer; no someter a impacto.
Utilizar únicamente el cargador autorizado por el fabricante del equipo original.
El no seguir estas instrucciones puede presentar riesgo de explosión, incendio o altas temperaturas.
Consulte las instrucciones de seguridad adicionales en el manual del propietario.
Aparque la máquina en una superficie nivelada.
Ponga el freno de estacionamiento.
Apague la máquina.
Desconecte la batería; consulte el Manual del operador.
Note: Puede desechar todas las piezas retiradas a menos que se indique lo contrario.
Retire los 4 pernos que sujetan la cubierta de la consola y retire la cubierta (Figura 2).
Note: Guarde los pernos para su instalación posterior.

Corte las bridas que sujetan el arnés de cables existente de la batería a la máquina, desconecte todas las conexiones del arnés de cables de la batería y retire el arnés de cables.
Important: Anote el enrutamiento del arnés de cables existente, y la posición de las bridas y las conexiones; esto le servirá de referencia para enrutar y conectar el arnés de cables de la batería nueva.
Note: El único arnés que debe permanecer en la máquina es el arnés corto que se extiende desde la parte superior del motor eléctrico.
Note: Puede ser necesario elevar la plataforma de la batería para desconectar el arnés de debajo de la batería.
Retire la tuerca alta que fija la parte trasera de la plataforma de la batería al bastidor de la máquina (Figura 3).

Retire los 2 pernos y tuercas que sujetan la plataforma de la batería a la parte delantera de la máquina y retire la plataforma y la batería (Figura 4).

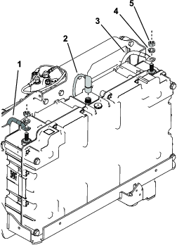
Retire las 2 tuercas, arandelas y pernos que sujetan el soporte del centro de alimentación a la parte trasera de la máquina y retírelo (Figura 5).

Retire la batería y la plataforma de la batería de la máquina (Figura 6).
Retire los pernos y las arandelas que sujetan la batería a la plataforma; elimine o recicle la batería de acuerdo con la normativa local, estatal y federal (Figura 6).

Piezas necesarias en este paso:
| Batería | 1 |
| Perno (¼" x 4½") | 4 |
| Arandela (¼") | 4 |
| Tuerca (¼") | 4 |
| Arandela de freno (M8) | 2 |
| Tuerca hexagonal (M8) | 2 |
La batería se envía con una pequeña carga y es capaz de darle una descarga eléctrica.
No toque ni deje que las herramientas toquen los terminales positivo y negativo de la batería al mismo tiempo.
Utilice herramientas aisladas al instalar la batería.
Retire la batería nueva de la caja.
Important: Guarde la caja y todo el material de embalaje; si alguna vez necesita enviar la batería por motivos de mantenimiento, garantía o reciclaje, es imprescindible utilizar este embalaje especial.
Afloje los 8 tornillos que sujetan la tapa de la batería y retírela (Figura 7).
Note: No es necesario retirar completamente los tornillos para retirar la cubierta.

Coloque la batería en la plataforma de la batería e instale las fijaciones como se muestra en la Figura 8.

Conecte el cable del controlador al conector de la parte superior de la batería (Figura 9).
Conecte el cable positivo (rojo) al borne positivo (+) de la batería y fíjelo con una arandela de freno y una tuerca hexagonal como se muestra en la Figura 9; apriete la tuerca hexagonal con un par de 9 N·m (6.6 pies-libra).

Conecte el cable negativo (negro) al borne negativo (-) de la batería y fíjelo con una arandela de freno y una tuerca hexagonal como se muestra en la Figura 9; apriete la tuerca hexagonal con un par de 9 N·m (6.6 pies-libra).
Piezas necesarias en este paso:
| Batería, plataforma y arnés de cables | 1 |
| Perno (5/16" x 1") | 2 |
| Espaciador (5/16") | 1 |
| Tuerca (5/16") | 4 |
| Perno (5/16" x 2¼") | 2 |
| Arandela endurecida (5/16") | 2 |
Alinee la parte frontal de la plataforma de la batería nueva en el bastidor e instale las fijaciones como se muestra en la Figura 10.

Instale el soporte trasero de la plataforma en el bastidor, como se muestra en la Figura 11.

Pase el arnés de cables hacia arriba por el lado izquierdo del manillar hasta la parte inferior de la consola de control.
Note: Enrute el arnés de cables lejos de cualquier pieza puntiaguda o afilada, caliente o móvil, y sujételo con bridas según sea necesario.
Conecte todas las conexiones del arnés de cables tal y como estaban conectadas en el arnés de cables anterior, salvo el conector de alimentación en T.
Note: Es posible que algunas conexiones del arnés de cables no se utilicen dependiendo de los accesorios instalados en la máquina.Consulte las etiquetas del arnés de cables y las anotaciones que realizó en el apartado Retirada de la batería existente.
Sujete el arnés de cables con bridas y grapas según sea necesario.
Instale la tapa de la batería y sujétela con los tornillos aflojados en el paso 2 de Instalación de la batería en la plataforma de la batería.
Conecte el conector en T al conector del suministro eléctrico principal (Figura 12).

Utilice Toro DIAG para actualizar el software a la última versión disponible; consulte el Manual del operador de Toro DIAG.
Important: Cuando Toro DIAG le solicite el número de modelo y serie, no utilice los números de modelo y serie del bastidor de la máquina; utilice la información de la pegatina situada en la plataforma de la batería (Figura 13).

Gire la llave a la posición de MARCHA para arrancar la máquina y probar su funcionamiento; si hay algún problema, compruebe las conexiones del arnés de cables.
Important: La pantalla LED debe encenderse y no debe haber mensajes de error ni luces intermitentes.
Note: No es necesario girar y mantener la llave en la posición de ARRANQUE; con girar la llave a MARCHA se enciende la máquina.
Instale la cubierta de la consola usando los 4 tornillos que se retiraron anteriormente.
Cargue la máquina; consulte el Manual del operador del cargador.
Important: Asegúrese de utilizar el cargador correcto, el nuevo, según lo indicado en el Manual del operador del cargador; no utilice el cargador antiguo con la batería nueva.
Note: La batería se envía con una carga parcial (aproximadamente el 30 %); esta carga es suficiente para realizar la instalación del software, comprobar el funcionamiento de la máquina y desplazarla lo necesario para completar la configuración.