![]() |
Des autocollants de sécurité et des instructions bien visibles par l'opérateur sont placés près de tous les endroits potentiellement dangereux. Remplacez tout autocollant endommagé ou manquant. |



Le fabricant de la batterie fournit l'autocollant 137-9712 dans les langues suivantes :

Ne pas exposer la batterie à une température supérieure à 65 °C (149 °F).
Ne pas démonter ou maltraiter la batterie. Ne pas écraser.
Ne pas faire tomber et ne pas cogner.
Utiliser uniquement un chargeur agréé OEM.
Le non respect de ces instructions peut présenter un risque d'explosion, d'incendie ou de hautes températures.
Voir le manuel du propriétaire pour des instructions de sécurité supplémentaires.
Garez la machine sur une surface plane et horizontale.
Serrez le frein de stationnement.
Coupez le moteur de la machine.
Débranchez la batterie; voir le Manuel de l'utilisateur.
Note: Vous pouvez vous débarrasser de toutes les pièces déposées sauf indication contraire.
Retirez les 4 boulons qui fixent le couvercle sur la console, et déposez le couvercle (Figure 2).
Note: Conservez les boulons pour le remontage.

Coupez les attache-câbles qui fixent le faisceau de câblage existant de la batterie sur la machine, débranchez tous les connecteurs du faisceau de la batterie et enlevez le faisceau.
Important: Notez le trajet du faisceau de câblage existant, ainsi que l'emplacement des attache-câbles et des connecteurs; cela vous servira pour acheminer et connecter le nouveau faisceau de la batterie.
Note: Le seul faisceau qui doit rester sur la machine est le faisceau court qui part du haut du moteur électrique.
Note: Vous pouvez lever le socle de la batterie pour débrancher le faisceau sous la batterie.
Retirez le grand écrou qui fixe l'arrière du socle de la batterie au châssis de la machine (Figure 3).

Retirez les 2 boulons et écrous qui fixent le socle de la batterie à l'avant de la machine, puis déposez le socle et la batterie (Figure 4).

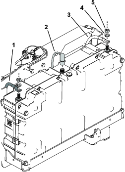
Retirez les 2 écrous, rondelles et boulons qui fixent le support du centre d'alimentation à l'arrière de la machine et déposez le support (Figure 5).

Déposez la batterie et son socle de la machine (Figure 6).
Retirez les boulons et rondelles qui fixent la batterie sur son socle; mettez la batterie au rebut ou recyclez-la en respectant la réglementation locale, régionale ou nationale (Figure 6).

Pièces nécessaires pour cette opération:
| Batterie | 1 |
| Boulon (¼ x 4½ po) | 4 |
| Rondelle (¼ po) | 4 |
| Écrou (¼ po) | 4 |
| Rondelle-frein (M8) | 2 |
| Écrou hexagonal (M8) | 2 |
La batterie est expédiée avec une légère charge et peut causer un choc électrique.
Ne touchez pas ou ne mettez pas d'outils en contact avec les bornes positive et négative de la batterie en même temps.
Utilisez des outils isolés pour installer la batterie.
Sortez la batterie neuve de son carton d'expédition.
Important: Conservez le carton et tout l'emballage; vous aurez besoin de cet emballage spécial si jamais vous devez expédier la batterie pour raisons d'entretien, de garantie ou de recyclage.
Desserrez les 8 vis qui fixent le couvercle de la batterie et déposez le couvercle (Figure 7).
Note: Il n'est pas nécessaire de retirer complètement les vis pour déposer le couvercle.

Placez la batterie sur son socle et installez les fixations comme montré à la Figure 8.

Branchez le câble du contrôleur sur le connecteur en haut de la batterie (Figure 9).
Reliez le câble positif (rouge) à la borne positive (+) de la batterie et fixez-le en place avec une rondelle-frein et un écrou hexagonal, comme montré à la Figure 9; serrez l'écrou hexagonal à 9 N·m (6,6 pi-lb).

Reliez le câble négatif (noir) à la borne négative (-) de la batterie et fixez-le en place avec une rondelle-frein et un écrou hexagonal, comme montré à la Figure 9; serrez l'écrou hexagonal à 9 N·m (6,6 pi-lb).
Pièces nécessaires pour cette opération:
| Batterie, socle et faisceau de câblage | 1 |
| Boulon (5/16 x 1 po) | 2 |
| Entretoise (5/16 po) | 1 |
| Écrou (5/16 po) | 4 |
| Boulon (5/16 x 2¼ po) | 2 |
| Rondelle en acier trempé (5/16 po) | 2 |
Placez l'avant du socle de la batterie neuve sur le châssis et installez les fixations, comme montré à la Figure 10.

Montez le support arrière du socle sur le châssis, comme montré à la Figure 11.

Faites monter le faisceau le long du côté gauche de la poignée et vers la face inférieure de la console de commande.
Note: Acheminez le faisceau à l'écart des pièces chaudes, coupantes ou mobiles; fixez-le avec des attache-câbles selon les besoins.
Branchez tous les connecteurs du faisceau comme ceux de l'ancien faisceau, à l'exception du connecteur à poignée en T.
Note: Certains des connecteurs du faisceau peuvent ne pas être utilisés, selon les accessoires qui sont montés sur la machine.Reportez-vous aux étiquettes sur le faisceau et aux notes que vous avez prises sous Retrait de la batterie existante.
Fixez le faisceau en place avec des attache-câbles et des clips selon les besoins.
Reposez le couvercle de la batterie et fixez-le en place avec les vis desserrées à l'opération 2 de Montage de la batterie et de son socle.
Branchez le connecteur à poignée en T sur le connecteur d'alimentation principal (Figure 12).

Utilisez Toro DIAG pour obtenir la dernière mise à jour du logiciel; voir le Manuel de l'utilisateur de Toro DIAG.
Important: Lorsque Toro DIAG vous demande les numéros de modèle et de série, n'utilisez pas ceux qui apparaissent sur le châssis de la machine. Utilisez ceux qui figurent sur l'autocollant situé sur le socle de la batterie (Figure 13).

Tournez la clé à la position CONTACT pour démarrer le moteur et contrôler le fonctionnement; vérifiez les connexions du faisceau de câblage en cas de problème.
Important: L'affichage à DEL doit s'allumer et il ne doit pas y avoir de messages d'erreur ou voyants qui clignotent.
Note: Il n'est pas nécessaire de tourner et de maintenir la clé à la position DéMARRAGE; le moteur démarre quand vous tournez la clé à la position CONTACT.
Fixez le couvercle sur la console à l'aide des 4 vis retirées précédemment.
Chargez la batterie de la machine; voir le Manuel de l'utilisateur du chargeur.
Important: Veillez à utiliser le chargeur neuf correct spécifié dans le Manuel de l'utilisateur; n'utilisez pas l'ancien chargeur avec la nouvelle batterie.
Note: La batterie est expédiée partiellement chargée (approximativement 30 %), ce qui suffit pour installer le logiciel, effectuer les contrôles de fonctionnement sur la machine et déplacer la machine selon les besoins pour terminer la préparation.