Συντήρηση
Λίπανση/γρασάρισμα του προσαρμογέα του παρελκομένου
Εάν ο μοχλός ασφάλισης στον προσαρμογέα του παρελκομένου δεν κινείται ελεύθερα και εύκολα, απλώστε μια λεπτή στρώση γράσου στην περιοχή που φαίνεται στο Σχήμα 15.

Διαβάστε αυτές τις πληροφορίες προσεκτικά για να ενημερωθείτε για τη σωστή λειτουργία και συντήρηση του προϊόντος σας, καθώς και για την αποφυγή τραυματισμών και πρόκλησης ζημιών στο προϊόν. Είστε υπεύθυνοι για τη σωστή και ασφαλή λειτουργία του προϊόντος.
Μπορείτε να επικοινωνείτε απευθείας με την Toro στη διεύθυνσηwww.toro.com για πληροφορίες σχετικά με προϊόντα και παρελκόμενα, την εύρεση αντιπροσώπου ή την καταχώριση του προϊόντος σας.
Για σέρβις, γνήσια ανταλλακτικά Toro ή πρόσθετες πληροφορίες μπορείτε να επικοινωνείτε με έναν εξουσιοδοτημένο αντιπρόσωπο σέρβις ή την Εξυπηρέτηση Πελατών της Toro αναφέροντας τον αριθμό μοντέλου και τον σειριακό αριθμό του προϊόντος σας. Στο Σχήμα 1 παρουσιάζεται η θέση στην οποία θα βρείτε την ετικέτα με το μοντέλο και τον σειριακό αριθμό του προϊόντος. ναγράψτε τους αριθμούς στο παρεχόμενο πεδίο.

Στο παρόν εγχειρίδιο προσδιορίζονται οι πιθανοί κίνδυνοι και παρατίθενται μηνύματα ασφάλειας. Τα μηνύματα αυτά αναγνωρίζονται από το προειδοποιητικό σύμβολο (Σχήμα 2), το οποίο δηλώνει έναν κίνδυνο που ενδέχεται να προκαλέσει σοβαρό τραυματισμό ή θάνατο εάν δεν ληφθούν οι συνιστώμενες προφυλάξεις.

Στο παρόν εγχειρίδιο χρησιμοποιούνται οι εξής 2 λέξεις για την επισήμανση συγκεκριμένων πληροφοριών. Σημαντικό εφιστά την προσοχή σε σημαντικές πληροφορίες μηχανολογικού ενδιαφέροντος και Σημείωση υπογραμμίζει πληροφορίες γενικού ενδιαφέροντος που χρήζουν ιδιαίτερης προσοχής.
![]() |
Οι ετικέτες προειδοποίησης και οδηγιών ασφάλειας είναι εύκολα αναγνώσιμες από τον χειριστή και βρίσκονται κοντά σε κάθε πηγή δυνητικού κινδύνου. ντικαθιστάτε τις τυχόν φθαρμένες ή αποκολλημένες ετικέτες. |

Εξαρτήματα που απαιτούνται για αυτή τη διαδικασία:
| Συγκρότημα οδοντωτής σβάρνας | 1 |
| Ράβδος ζεύξης | 1 |
| Μπουλόνι (½" x 1¾") | 1 |
| Φλαντζωτό παξιμάδι (½") | 1 |
| Εξαγωνικό παξιμάδι (½") | 1 |
| Μπουλόνι φλαντζωτής κεφαλής (⅜" x 1") | 1 |
| Φλαντζωτό παξιμάδι (⅜") | 1 |
| Συγκρότημα προσαρμογέα παρελκομένου | 1 |
| Κοπίλια | 2 |
| Συγκρότημα βραχίονα ανύψωσης | 1 |
| Ράβδος άξονα | 1 |
| Μπουλόνι (⅜" x 1¼") | 1 |
| Παξιμάδι ασφάλισης (⅜") | 1 |
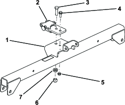
Στερεώστε χαλαρά τη ράβδο ζεύξης στην εμπρός οπή που υπάρχει στο συγκρότημα αναρτήρα (Σχήμα 3) χρησιμοποιώντας μπουλόνι (½" x 1¾"), φλαντζωτό παξιμάδι (½") και εξαγωνικό παξιμάδι (½").

Στερεώστε χαλαρά τη βάση περιστροφής στην πίσω οπή που υπάρχει στο συγκρότημα αναρτήρα χρησιμοποιώντας μπουλόνι φλαντζωτής κεφαλής (⅜ x 1") και φλαντζωτό παξιμάδι (⅜").
Σφίξτε τα παξιμάδια ως εξής:
Φλαντζωτό παξιμάδι (½")—104 έως 126 N∙m
Εξαγωνικό παξιμάδι (½")—91 έως 113 N∙m
Φλαντζωτό παξιμάδι (⅜")—22 έως 27 N∙m
Ευθυγραμμίστε τον βραχίονα ανύψωσης με το στήριγμα που υπάρχει στον προσαρμογέα του παρελκομένου (Σχήμα 4) και συνδέστε τα χρησιμοποιώντας τη ράβδο άξονα, όπως φαίνεται στο Σχήμα 5.
Note: Για τη μετακίνηση του προσαρμογέα του παρελκομένου, χρησιμοποιήστε τη λαβή που υπάρχει στην πίσω πλευρά του προσαρμογέα (Σχήμα 4).


σφαλίστε τη ράβδο άξονα (Σχήμα 5) με τις 3 κοπίλιες και με το μπουλόνι (⅜" x 1¼") και το παξιμάδι ασφάλισης (⅜").
Εξαρτήματα που απαιτούνται για αυτή τη διαδικασία:
| Μπουλόνι (⅜" x 2½") | 2 |
| Ροδέλα (⅜" x ⅞") | 4 |
| ποστάτης | 2 |
| Παξιμάδι ασφάλισης (⅜") | 2 |
φαιρέστε οποιοδήποτε παρελκόμενο από το πίσω μέρος του μηχανήματος.
Χαμηλώστε τον προσαρμογέα του ελκυστήρα και μετακινήστε τον προς τα πίσω ώστε να πάρει θέση μπροστά από τον προσαρμογέα του παρελκομένου.
Note: εβαιωθείτε ότι ο μοχλός ασφάλισης είναι στραμμένος προς τα αριστερά (θέση ξεκλειδώματος), όπως φαίνεται από το πίσω μέρος του μηχανήματος.
Σύρετε τον προσαρμογέα παρελκομένου επάνω στον προσαρμογέα του ελκυστήρα.
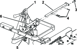
Important: Ο μακρύς βραχίονας του συγκροτήματος βραχιόνων ανύψωσης πρέπει να βρίσκεται κάτω από το πίσω πλαίσιο του ελκυστήρα (Σχήμα 6).
Υπάρχει κίνδυνος παγίδευσης των δακτύλων σας μεταξύ των προσαρμογέων του παρελκομένου και του ελκυστήρα.
Όταν ανυψώνετε και μετακινείτε τον προσαρμογέα, να χρησιμοποιείτε πάντα τη λαβή που υπάρχει στην πίσω πλευρά του προσαρμογέα (Σχήμα 6).
Περιστρέψτε τον μοχλό ασφάλισης προς τα δεξιά για να ασφαλίσει τους προσαρμογείς μεταξύ τους.
σφαλίστε το άνω μπράτσο κάθε αλυσίδας στην εξωτερική πλευρά του βραχίονα ανύψωσης (Σχήμα 6) χρησιμοποιώντας ένα μπουλόνι (⅜" x 2½"), 2 ροδέλες (⅜" x ⅞"), αποστάτη και παξιμάδι ασφάλισης (⅜").

Note: Για τη σωστή λειτουργία της σκούπας, οι αλυσίδες πρέπει να είναι χαλαρές όταν η σκούπα βρίσκεται στην κάτω θέση (λειτουργίας).
Note: εβαιωθείτε ότι όλες οι βούρτσες επικαλύπτονται σωστά και είναι εντελώς επίπεδες και ότι οι αλυσίδες δεν έχουν μπλεχτεί ή συστραφεί.
φού έχετε στερεώσει και ασφαλίσει τη σκούπα στον ελκυστήρα, ανεβάστε το παρελκόμενο.
Μετρήστε το διάκενο μεταξύ της ροδέλας βαρέος τύπου και της «πατούρας» του στηρίγματος ανύψωσης στον προσαρμογέα παρελκομένου, όπως φαίνεται στο Σχήμα 7.
Note: Το μπράτσο είναι ρυθμισμένο σωστά εάν μετρήσατε διάκενο ίσο με 1,5 έως 2 mm (0,060" έως 0,080") μεταξύ της ροδέλας βαρέος τύπου και της «πατούρας» του στηρίγματος ανύψωσης (Σχήμα 7).

Εάν το διάκενο δεν είναι το σωστό, ξεσφίξτε το ασφαλιστικό παξιμάδι και σφίξτε ή χαλαρώστε το παξιμάδι ρύθμισης που υπάρχει στο συγκρότημα μπράτσων όσο χρειάζεται για να αλλάξετε το διάκενο (Σχήμα 7).

Προτού σαρώσετε μια αμμοπαγίδα με τη σβάρνα, διαβάστε αυτή την ενότητα, η οποία αφορά τη συγκεκριμένη εργασία. Οι ρυθμίσεις που πρέπει να γίνονται στην οδοντωτή σβάρνα εξαρτώνται από πολλές παραμέτρους. Η υφή και το βάθος της άμμου, η περιεκτικότητα σε υγρασία, τα ζιζάνια και ο βαθμός συμπίεσης διαφέρουν σημαντικά από το ένα γήπεδο στο άλλο, ή ακόμα και από τη μια αμμοπαγίδα στην άλλη. Προσαρμόστε τη σβάρνα για βέλτιστα αποτελέσματα στην περιοχή όπου εργάζεστε.
Εξασκηθείτε στη χρήση της σβάρνας σε μια μεγάλη, επίπεδη αμμοπαγίδα του γηπέδου. Εξασκηθείτε στην εκκίνηση και την ακινητοποίηση, τις στροφές, την ανύψωση και το χαμήλωμα της σβάρνας, στην είσοδο και έξοδο από την αμμοπαγίδα κ.λπ. Εξασκηθείτε με μεσαίες στροφές κινητήρα και χαμηλή ταχύτητα πορείας. Η εξάσκηση θα σας βοηθήσει να αποκτήσετε σιγουριά στον χειρισμό του μηχανήματος.
Note: Μην κάνετε όπισθεν με τον ελκυστήρα ενώ το παρελκόμενο είναι χαμηλωμένο. Θα προκληθεί ζημιά στο παρελκόμενο.
Εάν η άμμος είναι αρκετά βαθιά, μπορείτε να σαρώσετε στα επίπεδα τμήματα έως και το χείλος της αμμοπαγίδας.
Εάν η άμμος ρηχαίνει σταδιακά στις άκρες, μείνετε όσο χρειάζεται μακριά από το χείλος για να αποφύγετε ανακάτεμα της άμμου με το χώμα.
Μη σαρώνετε πολύ κοντά σε μικρά και επικλινή πρανή διότι η άμμος τους θα κυλίσει στον πυθμένα της αμμοπαγίδας.
Σε πρανή με έντονη κλίση, μικρούς λάκκους κ.λπ. ίσως χρειάζεται πέρασμα με τσουγκράνα χειρός.
Σαρώστε την αμμοπαγίδα ακολουθώντας τη διαδρομή που απεικονίζεται στο Σχήμα 9. Με τη συγκεκριμένη διαδρομή αποφεύγεται η άσκοπη επικάλυψη, η συμπίεση είναι η ελάχιστη δυνατή και επιτυγχάνεται πολύ ελκυστική εμφάνιση της άμμου.
Μπείτε ευθεία στην άμμο από τη μεγαλύτερη πλευρά και όπου η κλίση είναι μικρότερη. Περάστε από το κέντρο της αμμοπαγίδας έως σχεδόν το άκρο της και στρίψτε όσο πιο κλειστά μπορείτε προς όποια πλευρά θέλετε, σαρώνοντας παράλληλα με το πρώτο πέρασμα. Κινηθείτε κυκλικά προς τα έξω, όπως φαίνεται στην εικόνα και βγείτε υπό ορθή γωνία από την αμμοπαγίδα από μια επίπεδη περιοχή της.
φήστε τα επικλινή, μικρού μήκους πρανή και τους μικρούς λάκκους για πέρασμα με σκαλιστήρι χειρός.

Κατά την είσοδο στην αμμοπαγίδα, μη χαμηλώσετε τη σβάρνα μέχρι αυτή να βρίσκεται πάνω από την άμμο. Έτσι θα αποφύγετε να «σηκώσετε» το χώμα ή να σύρετε γρασίδι και άλλα υπολείμματα μέσα στην αμμοπαγίδα. Χαμηλώστε τη σβάρνα ενώ το μηχάνημα κινείται.
Κατά την έξοδο από την αμμοπαγίδα, αρχίστε να ανυψώνετε τη σβάρνα όταν οι εμπρός τροχοί βγουν από την αμμοπαγίδα. Καθώς το μηχάνημα εξέρχεται, η σβάρνα ανυψώνεται χωρίς να παρασύρει την άμμο στον χλοοτάπητα.
Με την εμπειρία και την εξάσκηση θα αποκτήσετε σύντομα τον κατάλληλο συγχρονισμό για την είσοδο και την έξοδο από την αμμοπαγίδα.
Μπορείτε να αλλάξετε τη θέση της σβάρνας για να αυξήσετε ή να μειώσετε την πίεση που ασκεί στην άμμο. Στερεώστε τη ράβδο ζεύξης και την σβάρνα όπως φαίνεται στα ακόλουθα σχήματα, ώστε η πίεση που ασκείται στην άμμο να είναι η επιθυμητή.
Μπορείτε να ρυθμίσετε το μήκος των ελασμάτων ισοπέδωσης προκειμένου να αυξήσετε ή να μειώσετε τον βαθμό της διείσδυσης των δοντιών.
Ξεσφίξτε τις βίδες στερέωσης των ελασμάτων ισοπέδωσης, μετακινήστε τα προς τα πάνω ή προς τα κάτω στην επιθυμητή θέση και σφίξτε τις βίδες (Σχήμα 12).

Ξεσφίξτε τα ασφαλιστικά παξιμάδια και περιστρέψτε τα τερματικά μπουλόνια της σβάρνας (Σχήμα 13) προς τα έξω για να περιορίσετε την πλευρική μετατόπιση της σβάρνας. Σφίξτε τα ασφαλιστικά παξιμάδια για να κλειδώσετε τη ρύθμιση.

Μπορείτε προαιρετικά να προσαρμόσετε πρόσθετα βάρη πάνω στις οδοντωτές πλάκες αν η άμμος είναι υγρή ή χονδρόκοκκη ή αν υπάρχουν βαθιές πατημασιές στις αμμοπαγίδες. Παραγγείλετε το προϊόν με κωδικό 18-7570 στον εξουσιοδοτημένο αντιπρόσωπο της Toro.
Για να αυξήσετε το ύψος της σβάρνας προκειμένου να τη μεταφέρετε, ολοκληρώστε την παρακάτω διαδικασία:
Χαμηλώστε τη σβάρνα και το συγκρότημα ανύψωσης στη χαμηλότερη δυνατή θέση.
ποσυνδέστε τις αλυσίδες από τους βραχίονες ανύψωσης και συνδέστε τις σε υψηλότερη θέση.
Note: Για να λειτουργήσει η σβάρνα σωστά, προτού τη χρησιμοποιήσετε επαναφέρετε τις αλυσίδες στην αρχική (χαλαρή) τους θέση.
Όταν ολοκληρωθεί το σβάρνισμα, καθαρίστε σχολαστικά το μηχάνημα. Καθώς το συγκεκριμένο μηχάνημα χρησιμοποιείται κυρίως σε άμμο, η οποία δημιουργεί έντονη τριβή και φθορές, η άμμος πρέπει να ξεπλένεται μετά από κάθε χρήση. Εάν καθαρίζετε το μηχάνημα συχνά (προτού συσσωρευθεί και «στερεοποιηθεί» η άμμος), καθαρίστε το με τρεχούμενο νερό από λάστιχο, από το οποίο θα έχετε αφαιρέσει το «πιστόλι». Η δέσμη υψηλής πίεσης μπορεί να σπρώξει την άμμο σε ολισθαίνουσες επιφάνειες, όπου μπορεί να προκληθούν ισχυρή εκτριβή και φθορές.
Note: Εάν ο προσαρμογέας του παρελκομένου «κολλήσει» με τον προσαρμογέα του ελκυστήρα, τοποθετήστε έναν μικρό λοστό ή κατσαβίδι στην υποδοχή αποκόλλησης για να διαχωρίσετε τα εξαρτήματα (Σχήμα 14).

Εάν ο μοχλός ασφάλισης στον προσαρμογέα του παρελκομένου δεν κινείται ελεύθερα και εύκολα, απλώστε μια λεπτή στρώση γράσου στην περιοχή που φαίνεται στο Σχήμα 15.
