Bảo trì
Bôi mỡ Đầu nối Bộ gá
Nếu cần khoá trên đầu nối bộ gá không thể xoay tự do và dễ dàng, hãy bôi một lớp mỡ nhẹ lên khu vực được minh họa trong Hình 15.

Vui lòng đọc kỹ thông tin này để hiểu cách vận hành và bảo trì sản phẩm đúng cách, cũng như để tránh gây chấn thương và làm hư hỏng sản phẩm. Bạn là người chịu trách nhiệm vận hành sản phẩm đúng cách và an toàn.
Bạn có thể liên hệ trực tiếp với Toro tại địa chỉ www.Toro.com để xem các thông tin về sản phẩm và phụ kiện, trợ giúp tìm đại lý hoặc đăng ký sản phẩm của bạn.
Bất cứ khi nào bạn cần dịch vụ, phụ tùng Toro chính hãng hoặc thông tin bổ sung, vui lòng chuẩn bị sẵn mẫu máy, số sê-ri của sản phẩm và liên hệ với Đại lý dịch vụ được ủy quyền hoặc Dịch vụ Khách hàng của Toro. Hình 1 xác định vị trí của mẫu máy và số sê-ri trên sản phẩm. Hãy viết các số vào khoảng trống cho sẵn.

Hướng dẫn sử dụng này xác định các nguy cơ tiềm ẩn và có chứa các thông báo an toàn được xác định bằng ký hiệu cảnh báo an toàn (Hình 2), báo hiệu nguy cơ có thể gây chấn thương nghiêm trọng hoặc gây tử vong nếu bạn không tuân theo các biện pháp phòng ngừa được khuyến nghị.

Hướng dẫn sử dụng này sử dụng 2 cụm từ để nêu bật thông tin. Các chú ý quan trọng về thông tin cơ học đặc biệt và Lưu ý để nhấn mạnh thông tin chung mà bạn cần đặc biệt lưu tâm.
![]() |
Người vận hành có thể dễ dàng nhìn thấy các nhãn mác và hướng dẫn an toàn được đặt gần bất kỳ khu vực nào có thể xảy ra nguy hiểm. Hãy thay thế bất kỳ nhãn mác nào bị hỏng hoặc bị thiếu. |

Các bộ phận cần thiết cho quy trình này:
| Cụm cào răng | 1 |
| Thanh kéo | 1 |
| Bu lông (1/2 x 1-3/4 inch) | 1 |
| Đai ốc mặt bích (1/2 inch) | 1 |
| Đai ốc lục giác (1/2 inch) | 1 |
| Bu lông đầu mặt bích (3/8 x 1 inch) | 1 |
| Đai ốc mặt bích (3/8 inch) | 1 |
| Cụm đầu nối bộ gá | 1 |
| Chốt kẹp ghim | 2 |
| Cụm cánh tay nâng | 1 |
| Thanh trục | 1 |
| Bu lông (3/8 x 1-1/4 inch) | 1 |
| Êcu hãm (3/8 inch) | 1 |
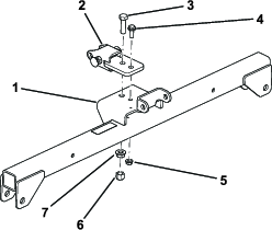
Gắn lỏng thanh kéo vào lỗ phía trước trong cụm giá treo (Hình 3) bằng bu lông (1/2 x 1-3/4 inch), đai ốc mặt bích (1/2 inch) và đai ốc lục giác (1/2 inch).

Gắn lỏng ống lưỡi vào lỗ phía sau trong cụm giá treo bằng bu lông đầu mặt bích (3/8 x 1 inch) và đai ốc mặt bích (3/8 inch).
Tạo mô-men xoắn của đai ốc như sau:
Đai ốc mặt bích (1/2 inch) — 104 đến 126 N∙m
Đai ốc lục giác (1/2 inch) — 91 đến 113 N∙m
Đai ốc mặt bích (3/8 inch) — 22 đến 27 N∙m
Căn chỉnh cánh tay nâng với khung trên đầu nối bộ gá (Hình 4) và kết nối các bộ phận này bằng thanh trục như được minh họa trong Hình 5.
Note: Khi di chuyển đầu nối bộ gá, hãy sử dụng tay cầm ở phía sau đầu nối (Hình 4).


Cố định thanh trục (Hình 5) bằng 3 chốt kẹp ghim và chốt (3/8 x 1-1/4 inch) và đai ốc khóa (3/8 inch).
Các bộ phận cần thiết cho quy trình này:
| Bu lông (3/8 x 2-1/2 inch) | 2 |
| Vòng đệm (3/8 x 7/8 inch) | 4 |
| Vòng chêm | 2 |
| Êcu hãm (3/8 inch) | 2 |
Tháo mọi bộ gá ra khỏi phía sau máy.
Hạ thấp đầu nối bộ kéo và đưa bộ kéo trở lại vị trí phía trước đầu nối bộ gá.
Note: Đảm bảo cần khóa được xoay sang trái (vị trí mở khóa) khi nhìn từ phía sau máy.
Trượt đầu nối bộ gá lên trên đầu nối bộ kéo.
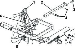
Important: Cánh tay dài của cụm cánh tay nâng phải nằm dưới cụm khung phía sau của bộ kéo (Hình 6).
Bạn có thể bị kẹp ngón tay của mình giữa bộ gá và đầu nối bộ kéo.
Luôn nâng và di chuyển bộ gá bằng tay cầm ở mặt sau của đầu nối bộ gá (Hình 6).
Xoay cần khóa sang bên phải để khóa các đầu nối lại với nhau.
Siết chặt liên kết trên cùng của mỗi chuỗi với bên ngoài của cánh tay nâng (Hình 6) bằng cách sử dụng 1 bu lông (3/8 x 2-1/2 inch), 2 vòng đệm (3/8 x 7/8 inch), 1 vòng chêm và một êcu hãm (3/8 inch).

Note: Để vận hành cào đúng cách, các xích phải chùng khi cào ở vị trí hạ xuống (vận hành).
Note: Đảm bảo tất cả các cào hoàn thiện gối chồng đúng cách, nằm phẳng và không có dây xích nào bị kẹt hoặc bị xoắn.
Với cào được gắn và siết chặt trên bộ kéo, hãy nâng bộ gá lên.
Đo khoảng cách giữa vòng đệm nặng và vai vòng ôm nâng trên đầu nối bộ gá như được minh họa trong Hình 7.
Note: Liên kết được điều chỉnh chính xác nếu bạn đo khoảng cách — 1,5 đến 2 mm giữa vòng đệm nặng và vai vòng ôm nâng (Hình 7).

Nếu khoảng cách không chính xác, hãy nới lỏng đai ốc hãm và siết chặt hoặc nới lỏng đai ốc điều chỉnh trên cụm liên kết nếu cần để thay đổi khoảng cách. (Hình 7).

Hãy đọc phần này về cách cào trước khi cào hố cát. Cách điều chỉnh bộ gá cào răng được xác định dựa trên nhiều điều kiện. Kết cấu và độ sâu của cát, độ ẩm, cỏ và độ nén có thể khác nhau tùy từng sân, hoặc thậm chí tuỳ từng hố cát trong cùng một sân. Hãy điều chỉnh cào để có được kết quả tối ưu trong khu vực của bạn.
Thực hành cào trong một hố cát lớn và bằng phẳng trên sân. Thực hành khởi động, dừng, rẽ, nâng và hạ cào; ra vào hố cát; v.v.. Thực hành ở tốc độ động cơ vừa phải và tốc độ trên mặt đất chậm. Thời gian đào tạo này sẽ giúp bạn tự tin vận hành máy.
Note: Không lùi bộ kéo khi bộ gá đang ở vị trí hạ. Thao tác này có thể làm hư hỏng bộ gá.
Nếu cát đủ sâu, bạn có thể cào đến sát mép hố cát trong những khu vực bằng phẳng.
Nếu cát bay ra ngoài mặt cỏ, hãy tránh xa mép hố cát ở khoảng cách vừa đủ để tránh làm xáo trộn lớp đất bên dưới.
Không cào quá gần bờ dốc và ngắn. Cát sẽ chỉ chảy xuống vào đáy hố cát.
Có thể cần phải sử dụng cào tay để sửa lại đường cào trên các bờ dốc, hố nhỏ, v.v.
Cào hố cát theo mô hình được minh họa trong Hình 9. Mô hình này giúp tránh chồng lấn không cần thiết, giữ cho độ nén ở mức tối thiểu và để lại mô hình gọn gàng, hấp dẫn trên cát.
Tiến thẳng vào hố cát theo chiều dài nơi bờ ít dốc nhất. Lái qua giữa hố đến gần cuối hố, rẽ gấp nhất có thể theo một trong hai hướng và quay lại ngay cạnh đường chạy đầu tiên. Tạo đường xoắn ốc hướng về phía ngoài như được minh họa trong bức vẽ và rời khỏi hố theo góc vuông trong khu vực bằng phẳng.
Chừa lại các bờ dốc, ngắn và các hố nhỏ để sửa lại đường cào bằng cào tay.

Khi tiến vào hố cát, không hạ cào xuống cho đến khi cào đã nằm hoàn toàn trên mặt cát. Thao tác này giúp tránh cắt phải mặt cỏ hay kéo cỏ xén hoặc mảnh vụn khác vào trong hố cát. Hạ cào xuống khi máy di chuyển.
Khi ra khỏi hố cát, bắt đầu nâng cào lên khi bánh xe trước đã rời khỏi hố. Khi máy di chuyển ra ngoài, cào sẽ nâng lên và không làm dây cát ra cỏ.
Bạn sẽ nhanh chóng nắm được thời điểm cần thiết để tiến vào và rời khỏi hố cát đúng cách thông qua kinh nghiệm và luyện tập.
Bạn có thể thay đổi vị trí cào để tăng hoặc giảm độ mạnh của cào trong cát. Gắn thanh kéo và cào như được minh họa trong những hình sau để đạt được độ mạnh mong muốn.
Bạn có thể điều chỉnh độ dài của bay để tăng hoặc giảm mức độ xuyên của ngạnh.
Nới lỏng các vít gắn bay, di chuyển bay lên hoặc xuống đến vị trí mong muốn và siết chặt các vít (Hình 12).

Nới lỏng các đai ốc hãm và xoay các bu lông dừng cào (Hình 13) ra ngoài để hạn chế cào quay từ bên này sang bên kia. Siết chặt các đai ốc hãm để khóa điều chỉnh.

Bạn có thể gắn các trọng lượng tùy chọn lên cào hoàn thiện nếu cát bị ẩm hoặc thô hoặc nếu có dấu chân sâu trong hố cát. Đặt hàng Bộ phận số 18-7570 từ nhà phân phối Toro được ủy quyền của bạn.
Hoàn thành quy trình sau để tăng chiều cao của cào khi vận chuyển:
Hạ cào và cụm nâng xuống càng thấp càng tốt.
Ngắt kết nối xích và tay đòn nâng rồi kết nối lại ở vị trí cao hơn.
Note: Để đảm bảo cào có thể vận hành đúng cách, hãy trả xích về vị trí chùng ban đầu trước khi vận hành cào.
Sau khi cào, hãy rửa máy thật sạch. Vì máy này chủ yếu được sử dụng trên cát và cát có tính mài mòn rất cao nên hãy rửa sạch cát sau mỗi lần sử dụng. Nếu bạn rửa máy thường xuyên (trước khi cát có thể bám lại), hãy dùng ống mềm đã tháo mắt phun để rửa máy bằng dòng nước. Dòng áp suất cao có thể đẩy cát vào trong khu vực mài mòn và trở thành hợp chất mài mòn.
Note: Nếu đầu nối bộ gá đang gắn vào đầu nối bộ kéo, hãy chèn xà beng hoặc tua vít vào khe nạy để tháo rời các bộ phận ra (Hình 14).

Nếu cần khoá trên đầu nối bộ gá không thể xoay tự do và dễ dàng, hãy bôi một lớp mỡ nhẹ lên khu vực được minh họa trong Hình 15.
