| Vedligeholdelsesintervaller | Vedligeholdelsesprocedure |
|---|---|
| Hver anvendelse eller dagligt |
|
Denne plænetraktor med roterende skæreknive er beregnet til brug for boligejere på private ejendomme. Den er primært beregnet til klipning af græs på velholdte plæner.
Læs denne vejledning omhyggeligt, så du kan lære at betjene og vedligeholde produktet korrekt samt undgå person- og produktskade. Det er dit ansvar at betjene produktet korrekt og sikkert.
Besøg www. Toro.com for at få materialer om produktsikkerhed og oplæring i betjening, oplysninger om tilbehør, hjælp til at finde en forhandler eller for at registrere dit produkt.
Når du har brug for service, originale Toro-dele eller yderligere oplysninger, bedes du kontakte en autoriseret serviceforhandler eller Toros kundeservice samt have produktets model- og serienummer parat. Figur 1 angiver, hvor model- og serienummeret er placeret på produktet. Skriv numrene, hvor der er gjort plads til dette.
Important: Scan QR-koden på serienummermærkaten (hvis udstyret hermed) med din mobilenhed for at tilgå garanti, reservedele og andre produktoplysninger.

Skriv produktets model- og serienummer på linjerne herunder:
Denne betjeningsvejledning bruger to ord til at fremhæve oplysninger. Vigtigt henleder opmærksomheden på særlige mekaniske oplysninger, og Bemærk angiver generel information, som det er værd at lægge særligt mærke til.
Dette produkt overholder alle relevante EU-direktiver. Yderligere oplysninger fås på den separate produktspecifikke overensstemmelseserklæring.
Nettomotormoment: Denne maskines brutto- eller nettomotormoment er fastsat af motorfabrikanten på et laboratorium i henhold til Society of Automotive Engineers (SAE) J1940 eller J2723. Som følge af de ændringer, der er foretaget for at overholde diverse sikkerheds-, emissions- og driftskrav, vil det reelle motormomentet på denne plæneklippertype være betydeligt lavere. Se de oplysninger fra motorproducenten, som følger med maskinen.
Gå til www.Toro.com for at se specifikationerne for din model.
Important: Hvis du i en periode bruger en maskine med en Toro-motor på over 1500 m, skal du sikre, at High Altitude-sættet er blevet monteret, så motoren overholder CARB/EPA-emissionsbestemmelserne. High Altitude-sættet øger motorens ydeevne, mens forurening af tændrøret, startvanskeligheder og øgede emissioner forhindres. Når du har monteret sættet, skal du påsætte High Altitude-mærkaten ved siden af seriemærkaten på maskinen. Kontakt en autoriseret Toro-serviceforhandler for at opnå det korrekte High Altitude-sæt og -mærkat til din maskine. Du kan finde en forhandler på vores websted www.Toro.com eller kontakte vores Toro Customer Care Department på de telefonnumre, der er anført i garantierklæringen om motoremissionskontrol.Fjern sættet fra motoren, og gendan motorens oprindelige fabrikskonfiguration, når motoren kører under 1500 m. Betjen ikke en motor, der har været omstillet til brug i højder, i lavere højder, da motoren kan overophede og blive beskadiget.Hvis du er i tvivl om, hvorvidt maskinen har været omstillet til brug i højder, kan du kigge efter følgende mærkat.

Denne maskine er designet i overensstemmelse med EN ISO 5395:2013.
Dette advarselssymbol (Figur 3) bruges både i denne betjeningsvejledning og på maskinen til at angive vigtige sikkerhedsmeddelelser, som skal iagttages for at undgå ulykker.
Dette symbol betyder: PAS PÅ! VÆR OPMÆRKSOM! DET HANDLER OM DIN SIKKERHED!

Advarselssymbolet vises over oplysninger, som advarer dig om usikre handlinger eller situationer, og efterfølges af ordet FARE, ADVARSEL eller FORSIGTIG.
FARE: Angiver en overhængende farlig situation, som, hvis den ikke undgås, vil resultere i dødsfald eller alvorlig personskade.
ADVARSEL: Angiver en potentielt farlig situation, som, hvis den ikke undgås, kan resultere i dødsfald eller alvorlig personskade.
FORSIGTIG: Angiver en potentielt farlig situation, som, hvis den ikke undgås, kan medføre mindre eller moderat personskade.
Denne betjeningsvejledning bruger yderligere to ord til at fremhæve oplysninger. Vigtigt henleder opmærksomheden på særlige mekaniske oplysninger, og Bemærk angiver generel information, som det er værd at lægge særligt mærke til.
Denne maskine kan afskære hænder og fødder samt udslynge genstande. Toro har udviklet og testet denne plæneklipper med henblik på at tilbyde en forholdsvis sikker service. Imidlertid kan manglende iagttagelse af sikkerhedsanvisningerne medføre kvæstelser eller død.
Læs, forstå og følg alle anvisninger og advarsler i betjeningsvejledningen og andet uddannelsesmateriale, på maskinen, motoren og redskaberne. Alle operatører og mekanikere bør gennemgå denne uddannelse. Hvis operatøren eller en mekaniker ikke kan læse og forstå det sprog, som betjeningsvejledningen er skrevet på, er det ejerens ansvar at forklare dette materiale for dem. Det er muligt, at der er andre sprog tilgængelige på vores websted.
Maskinen må kun betjenes af operatører, som er uddannede, ansvarlige og fysisk i stand til at betjene maskinen og er fortrolige med anvisningerne for sikker betjening, betjeningsanordningerne samt sikkerhedsskiltene og -anvisningerne. Lad aldrig børn eller andre, som ikke er uddannede dertil, betjene eller udføre service på udstyret. Vær opmærksom på, at lokale forskrifter kan angive en mindstealder for operatøren.
Betjen ikke maskinen i nærheden af bratte afsatser, grøfter, volde, vand og andre risikoområder eller på skråninger med en hældning på mere end 15 grader.
Hold hænder og fødder væk fra bevægelige maskinkomponenter.
Betjen aldrig maskinen med beskadigede værn, afskærmninger eller dæksler. Sørg altid for, at sikkerhedsværn, afskærmninger, kontakter og andre enheder er monterede og er i god driftsmæssig stand.
Stop maskinen, sluk for motoren, og tag nøglen ud, før maskinen efterses, fyldes med brændstof eller renses for tilstopninger.

![]() |
Sikkerheds- og instruktionsmærkaterne kan nemt ses af operatøren og er placeret tæt på potentielle risikoområder. Beskadigede eller bortkomne mærkater skal udskiftes. |




















Før du starter motoren og anvender maskinen, er det vigtigt, at du er fortrolig med alle de betjeningsanordninger, der er vist på Figur 6 og Figur 7.

Brændstofmåleren viser mængden af brændstof i tanken (Figur 7).

Gashåntaget kontrollerer motorhastigheden, og den har en trinløst regulerbar indstilling fra positionen LANGSOM til HURTIG (Figur 6).
Brug chokeren, før du starter en kold motor.
Timetælleren registrerer, hvor mange timer motoren har kørt. Den kører, når motoren er i gang. Brug disse tal til planlægning af regelmæssig vedligeholdelse (Figur 6).
Bevægelseshåndtagene bruges til at køre maskinen frem og tilbage og dreje den fra side til side (Figur 5).
Flyt bevægelseshåndtagene udad fra den midterste position til positionen NEUTRAL-LOCK (neutral låseposition), når du stiger ud af maskinen (Figur 32). Sæt altid bevægelseshåndtagene i positionen NEUTRAL-LOCK (neutral låseposition), når du standser maskinen eller efterlader den uden opsyn.
Parkeringsbremsehåndtaget er placeret på venstre side af konsollen (Figur 5). Bremsehåndtaget aktiverer en parkeringsbremse på drivhjulene.
Aktiver parkeringsbremsen ved at trække den op, indtil den låses fast i den forsænkede åbning.
Deaktiver parkeringsbremsen ved at skubbe den ud af den forsænkede åbning og mod dig selv. Skub derefter parkeringsbremsen ned.
Det fodbetjente skjoldløftesystem giver dig mulighed for at sænke og hæve klippeskjoldet fra siddende position. Du kan bruge fodpedalen til at løfte skjoldet kortvarigt for at undgå forhindringer eller låse skjoldet i den højeste klippehøjde eller transportposition (Figur 5).
Smart Speed™-styresystemhåndtaget, som befinder sig under betjeningspositionen, giver dig mulighed for at vælge mellem tre hastigheder – trimning, træk og klipning (Figur 5).
Brug stikkontakten til at strømføde 12 V-tilbehør (Figur 6).
Important: Når du ikke bruger 12 V-stikkontakten, skal du sætte gummiproppen i for at forhindre beskadigelse af stikkontakten.
Tændingskontakten, der bruges til at starte og slukke for motoren, har 3 positioner: OFF (fra), RUN (kør) og START. Se Start af motoren.
Kontakten til regulering af skæreknive, der er markeret med et kraftudtagssymbol, indkobler og udkobler strømmen til skæreknivene (Figur 6).
Klippehøjdehåndtaget låser sammen med fodpedalen skjoldet i en bestemt klippehøjde. Juster kun klippehøjden, når maskinen ikke er i bevægelse (Figur 5).
Der kan fås en række forskellige Toro-godkendte redskaber og tilbehør til brug sammen med maskinen, som gør den bedre og mere alsidig. Kontakt en autoriseret serviceforhandler eller en autoriseret Toro-forhandler, eller gå ind på www.Toro.com for at få en liste over alt godkendt udstyr og tilbehør.
Brug kun originale Toro-reservedele og tilbehør for at sikre optimal ydelse og sikre, at maskinen fortsat overholder sikkerhedscertificeringen. Reservedele og tilbehør, der er fremstillet af andre producenter, kan være farlige, og brug heraf kan gøre garantien ugyldig.
Note: Maskinens venstre og højre side er som set fra den normale betjeningsposition.
Bedøm terrænet, så du kan vælge det nødvendige tilbehør og redskaber til korrekt og sikker udførelse af opgaven. Brug kun tilbehør og redskaber, der er godkendt af Toro.
Undersøg området, hvor udstyret skal anvendes, og fjern alle sten, pinde, legetøj, ledninger, ben og andre fremmedlegemer. Disse genstande kan blive slynget rundt eller forhindre, at maskinen kan betjenes, og kan forårsage personskade på operatøren eller omkringstående.
Bær passende personlige værnemidler, f.eks. sikkerhedsbriller, kraftigt, skridsikkert fodtøj og høreværn. Sæt langt hår op, og bær ikke løstsiddende tøj eller løse smykker, som kan blive filtret ind i bevægelige dele.
Denne maskine afgiver støj på mere end 85 dBA ved operatørens ører og kan give nedsat hørelse ved længere tids anvendelse.
Brug høreværn, når du betjener denne maskine.
Kontroller, at dødemandsgrebene, sikkerhedskontakter og afskærmninger er korrekt monterede og fungerer korrekt. Betjen ikke maskinen, medmindre disse fungerer korrekt.
Betjen ikke plæneklipperen, hvis der befinder sig mennesker, især børn, eller dyr i området. Stop maskinen og redskabet eller redskaberne, hvis nogen kommer ind på området.
Betjen ikke maskinen, uden at hele græssamlersystemet, udblæsningsdeflektoren eller andre sikkerhedsanordninger er monterede og i god driftsmæssig stand. Græsfangets komponenter udsættes for slid, beskadigelse og forringelser, hvilket kan blotlægge bevægelige dele eller medføre udslyngning af genstande. Kontroller hyppigt for slidte eller forringede komponenter, og udskift dem med producentens anbefalede dele, når det er nødvendigt.
Fyld brændstoftanken på en plan overflade. Se Brændstofanbefalinger i afsnittet Specifikationer for yderligere oplysninger om benzin.
Fyld ikke olie i benzin.
Fyld ikke for meget på brændstoftanken. Fyld brændstoftanken op til bunden af påfyldningsstudsen. Den tomme plads giver benzinen i brændstoftanken plads til at udvide sig. Fyldes der for meget på, kan det resultere i brændstoflækage eller beskadigelse af motoren eller emissionssystemet.
Sørg for, at du forstår betjeningsanordningerne, deres placeringer, deres funktioner og deres sikkerhedskrav.
Se afsnittet Vedligeholdelse, og udfør alle nødvendige inspektions- og vedligeholdelsesprocedurer.
Vær yderst forsigtig, når du håndterer brændstof.
Under visse forhold kan benzin være meget brandfarligt, og dampene er eksplosive.
En brand eller eksplosion forårsaget af benzin kan give forbrændinger samt medføre tingskade.
Fyld tanken udendørs på plan grund i et åbent område, når motoren er kold. Tør eventuel spildt benzin op.
Benzintanken må aldrig fyldes eller drænes indendørs eller inde i indelukket anhænger.
Fyld ikke brændstoftanken helt op. Fyld brændstoftanken op til bunden af påfyldningsstudsen. Den tomme plads giver benzinen i brændstoftanken plads til at udvide sig. Fyldes der for meget på, kan det resultere i brændstoflækage eller beskadigelse af motoren eller emissionssystemet.
Ryg aldrig, når du håndterer benzin, og hold dig på afstand af åben ild eller steder, hvor benzindampe kan antændes af en gnist.
Opbevar benzin i en godkendt beholder og utilgængeligt for børn.
Fyld brændstof på, før du starter motoren. Fjern aldrig dækslet til brændstoftanken, og fyld aldrig brændstof på, når motoren kører eller er varm.
Forsøg ikke at starte motoren, hvis du har spildt brændstof. Gå væk fra det område, hvor der er spildt brændstof. Foretag dig ikke noget, der kan antænde brændstoffet, før dampene er spredt.
Betjen ikke maskinen medmindre hele udstødningssystemet er på plads og i god driftsmæssig stand.
Under visse omstændigheder kan der under påfyldning af brændstof udvikle sig statisk elektricitet, der kan antænde benzindampene. En brand eller eksplosion forårsaget af benzin kan give forbrændinger samt forårsage tingskade.
Anbring altid benzindunke på jorden et stykke fra køretøjet, før påfyldning påbegyndes.
Fyld ikke benzindunke inde i et køretøj eller på en lastbil eller anhænger, da indvendige tæpper eller plastikforinger i lastbiler kan isolere dunken og forsinke tabet af eventuel statisk elektricitet.
Når det er praktisk muligt, skal benzindrevet udstyr fjernes fra lastbilen eller anhængeren og fyldes op igen, mens hjulene står på jorden.
Hvis dette ikke er muligt, skal påfyldningen af udstyret finde sted på en lastbil eller anhænger med en løs dunk i stedet for direkte fra benzinstanderen.
Hvis det er nødvendigt at benytte benzinstanderen, skal spidsen af slangen hele tiden være i kontakt med kanten af åbningen i brændstoftanken eller -dunken, indtil påfyldningen er afsluttet. Brug ikke en låseenhed til slangespidsen.
Benzin er farligt eller dødbringende, hvis det indtages. Langsigtet udsættelse for dampe har forårsaget kræft hos forsøgsdyr. Det kan resultere i alvorlige skader eller sygdom, hvis man ikke optræder varsomt.
Undgå længere tids indånding af dampe.
Hold ansigtet væk fra spidsen af slangen og brændstoftanken/stabilisatoråbningen.
Hold væk fra øjne og hud.
Tøm aldrig tanken med en hævert.
For at forhindre brand:
Hold motoren og motorområdet fri for ophobet græs, blade, store mængder fedt eller olie og andet snavs, der kan hobe sig op i disse områder.
Tør spildt olie og brændstof op, og fjern affald, der er vædet med brændstof.
Lad maskinen køle af, før du opbevarer maskinen på et lukket sted. Opbevar ikke maskinen i nærheden af åben ild eller et lukket område, hvor der findes tændte vågeblus eller varmeapparater.
For at opnå de bedste resultater skal du kun bruge ren, frisk (højst 30 dage gammel) blyfri benzin med et oktantal på 87 eller højere ((R+M)/2-ratingmetode).
Ethanol: Benzin med op til 10 % ethanol (gasohol) eller 15 % MTBE (metyl-tertiær-butylæter) pr. volumen accepteres. Ethanol og MTBE er ikke det samme. Benzin med 15 % ethanol (E15) pr. volumen godkendes ikke til brug. Brug aldrig benzin, der indeholder mere end 10 % ethanol pr. volumen, som f.eks. E15 (indeholder 15 % ethanol), E20 (indeholder 20 % ethanol) eller E85 (indeholder op til 85 % ethanol). Hvis der anvendes ikke-godkendt benzin, kan det medføre ydelsesproblemer og/eller beskadigelse af motoren, som muligvis ikke er dækket af garantien.
Anvend ikke benzin, der indeholder metanol.
Opbevar ikke brændstof i hverken brændstoftanken eller brændstofdunke hen over vinteren, medmindre du anvender en brændstofstabilisator.
Fyld ikke olie i benzin.
Brug altid brændstofstabilisator i maskinen for at holde brændstoffet friskt i længere tid, når det anvendes som anvist af brændstofstabilisatorens producent.
Important: Tilsæt aldrig brændstofadditiver, der indeholder metanol eller etanol.
Tilsæt den mængde brændstofstabilisator til friskt brændstof, som foreskrives af brændstofstabilisatorens producent.
Parker maskinen på en plan overflade.
Aktiver parkeringsbremsen.
Sluk motoren, og tag nøglen ud.
Rengør området rundt om brændstoftankens dæksel.
Fyld brændstoftanken, indtil brændstofmåleren når op til Full-mærket (Figur 8).
Note: Fyld ikke brændstoftanken helt op. Tomrummet i tanken giver brændstoffet plads til at udvide sig.

Før maskinen startes hver dag, skal procedurerne for Hver anvendelse/Dagligt udføres som beskrevet i .
Det tager tid, før nye motorer kommer op på fuld kraft. Der er større friktion ved nye plæneklipperskjolde og drivsystemer, hvilket betyder større motorbelastning. Giv nye maskiner en indkøringstid på 40 til 50 timer for at komme op på fuld kraft for at opnå den bedste ydelse.
Hvis kontakterne til sikkerhedslåsesystemet frakobles eller bliver beskadigede, kan maskinen fungere uventet og forårsage personskade.
Pil ikke ved sikkerhedskontakterne.
Kontroller dagligt, at sikkerhedskontakterne fungerer, og udskift eventuelle beskadigede kontakter, før du betjener maskinen.
Sikkerhedslåsesystemet er udviklet med henblik på at forhindre motoren i at starte, medmindre:
Kontakten til regulering af skæreknive (kraftudtag) er koblet fra.
Bevægelseshåndtagene er placeret i den NEUTRALE LåSEPOSITION.
Parkeringsbremsen er aktiveret.
Sikkerhedslåsesystemet er også konstrueret til at standse motoren, når bevægelseshåndtagene ikke er i NEUTRAL LåSEPOSITION, og du rejser dig fra sædet.
| Vedligeholdelsesintervaller | Vedligeholdelsesprocedure |
|---|---|
| Hver anvendelse eller dagligt |
|
Kontroller altid sikkerhedslåsesystemet, før du betjener maskinen. Hvis sikkerhedssystemet ikke fungerer som beskrevet i det følgende, skal der straks tilkaldes en autoriseret forhandler til at reparere sikkerhedssystemet.
Sæt dig i sædet, aktiver parkeringsbremsen, og flyt kontakten til regulering af skæreknive (kraftudtag) til positionen ON (til). Prøv at starte motoren. Motoren bør ikke tørne.
Sæt dig i sædet, aktiver parkeringsbremsen, og flyt kontakten til regulering af skæreknive (kraftudtag) til positionen OFF (fra). Flyt et af bevægelseshåndtagene (væk fra den NEUTRALE LåSEPOSITION). Prøv at starte motoren. Motoren bør ikke tørne. Gentag fremgangsmåden for det andet håndtag.
Sæt dig i sædet, aktiver parkeringsbremsen, flyt kontakten til regulering af skæreknivene (kraftudtag) til positionen OFF (fra), og flyt bevægelseshåndtagene til den NEUTRALE LåSEPOSITION. Start motoren. Deaktiver parkeringsbremsen, slip parkeringsbremsen, indkobl kontakten til regulering af skæreknive (kraftudtag), og rejs dig derefter let fra sædet, mens motoren kører. Motoren bør nu stoppe.
Sæt dig i sædet, aktiver parkeringsbremsen, flyt kontakten til regulering af skæreknivene (kraftudtag) til positionen OFF (fra), og flyt bevægelseshåndtagene til den NEUTRALE LåSEPOSITION. Start motoren. Mens motoren kører, skal et af bevægelseshåndtagene centreres og flyttes frem eller tilbage. Motoren bør nu stoppe. Gentag fremgangsmåden for det andet bevægelseshåndtag.
Sæt dig i sædet, deaktiver parkeringsbremsen, flyt kontakten til regulering af skæreknivene (kraftudtag) til positionen OFF (fra), og flyt bevægelseshåndtagene til den NEUTRALE LåSEPOSITION. Prøv at starte motoren. Motoren bør ikke tørne.
Sædet kan flyttes frem og tilbage. Anbring sædet i den stilling, hvor du har den bedste kontrol over maskinen og sidder mest behageligt (Figur 9).

MyRide™-ophængningssystemet kan justeres for at opnå en jævn og behagelig kørsel. Du kan justere de to bageste støddæmpere, så du hurtigt og nemt kan skifte affjedringssystemet. Indstil ophængningssystemet til den position, hvor det er mest behageligt.
Rillerne til de bageste støddæmpere har låsepositioner til reference. Du kan placere de bageste støddæmpere overalt i rillen, blot ikke i låsepositionen.
Den følgende illustration viser positionen for en blød eller fast kørsel og de forskellige låsepositioner (Figur 10).

Note: Sørg for, at venstre og højre bageste støddæmpere altid er justeret til samme position.
Juster bageste støddæmpere (Figur 11).


Du kan justere bevægelseshåndtagene til en højere eller lavere højde for maksimal komfort (Figur 12).

Du kan justere bevægelseshåndtagene frem eller tilbage af hensyn til din komfort.
Løsn den øverste bolt, der fastholder håndtaget til styrearmsakslen.
Løsn den nederste bolt lige akkurat nok til, at håndtaget kan drejes fremad eller bagud (Figur 12).
Tilspænd begge bolte for at fastgøre håndtaget i den nye position.
Gentag justeringen for det andet håndtag.
Plæneklipperskjoldet og de skæreknive, der sendes sammen med maskinen, er udviklet med henblik på optimal kværning og sideudblæsningsydelse.
Sæt fastgørelsesanordningerne i de samme huller i skjoldet, som de blev taget ud af oprindeligt. Dette sikrer, at ingen huller er åbne, når du betjener plæneklipperskjoldet.
Åbne huller i maskinen udsætter dig og andre for fare i form af udslyngede genstande, hvilket kan medføre alvorlig personskade.
Betjen aldrig maskinen, hvis der ikke er monteret fastgørelsesanordninger i alle maskinhusets monteringshuller.
Monter udstyret i monteringshullerne, når du fjerner kværnafskærmningen.
Parker maskinen på en plan overflade, udkobl kontakten til regulering af skæreknivene, og aktiver parkeringsbremsen.
Sluk for motoren, tag nøglen ud, og vent, til alle bevægelige dele er standset, før du forlader betjeningspositionen.
Afmonter plæneklipperskjoldet. Se Afmontering af plæneklipperskjoldet.
Fjern de to låsemøtrikker (5/16"), der sidder på de svejsede tappe på venstre afskærmning øverst på plæneklipperskjoldet i midten og til venstre for midten (Figur 13).

Fjern bræddebolten og låsemøtrikken på plæneklipperens sidevæg, der fastgør venstre afskærmning til skjoldet.
Fjern venstre afskærmning fra plæneklipperskjoldet som vist i Figur 13.
Fjern de to bræddebolte (5/16" x ¾") og to låsemøtrikker (5/16"), der fastgør den samlede højre afskærmning og kværnafskærmning på plæneklipperskjoldet (Figur 14).

Fjern de to låsemøtrikker (5/16"), der fastgør de svejsede tappe på højre afskærmning til den øverste del af plæneklipperskjoldet i midten og til højre for midten (Figur 15).
Note: Afmonter højre afskærmning fra plæneklipperskjoldet.

Find græsskærmen i posen med løsdele, og fjern fastgørelsesanordningerne ved de bageste huller i udblæsningspladen (Figur 16).

Monter afskærmningen på plæneklipperskjoldets sideudblæsningsåbning.
Brug de afmonterede fastgørelsesanordninger til at fastgøre græsskærmen til skjoldet.
Monter plæneklipperskjoldet. Se Montering af plæneklipperskjoldet.
Parker maskinen på en plan overflade, udkobl kontakten til regulering af skæreknivene, og aktiver parkeringsbremsen.
Sluk for motoren, tag nøglen ud, og vent, til alle bevægelige dele er standset, før du forlader betjeningspositionen.
Afmonter plæneklipperskjoldet. Se Afmontering af plæneklipperskjoldet.
Fjern de tre låsemøtrikker (5/16"), der er fastgjort på de svejsede tappe på venstre afskærmning øverst på plæneklipperskjoldet i midten, til venstre for midten og til venstre (Figur 17).

Fjern bræddebolten og låsemøtrikken på plæneklipperens sidevæg, der fastgør venstre afskærmning til skjoldet (Figur 17).
Afmonter venstre afskærmning fra plæneklipperskjoldet (Figur 17).
Find de to bolte blandt løsdelene, benyt de eksisterende låsemøtrikker, og monter disse fastgørelsesanordninger i hullerne vist i Figur 17 på plæneklipperskjoldet for at forhindre udslyngning af genstande.
Note: Monter bolten opad gennem skjoldets underside, og brug en eksisterende låsemøtrik til at fastgøre fra oversiden.
Fjern bræddebolten (5/16" x ¾") og låsemøtrikken (5/16") på plæneklipperens bagvæg, der fastgør afskærmningen til skjoldet (Figur 18).

Find kværnafskærmningen ved forreste kant på sideudblæsningsåbningen (Figur 18).
Fjern monteringsboltene, der fastgør kværnafskærmningen og højre afskærmning på plæneklipperskjoldet (Figur 18).
Note: Afmonter kværnafskærmningen, og gem alle fastgørelsesanordningerne.
Fjern de to låsemøtrikker (5/16"), der fastgør de svejsede tappe på højre afskærmning til den øverste del af plæneklipperskjoldet i midten og til højre for midten (Figur 19).

Fjern bræddebolten og låsemøtrikken, der fastgør højre afskærmning til den øverste del af plæneklipperskjoldet, og fjern den højre afskærmning fra plæneklipperskjoldet (Figur 19).
Monter de tidligere afmonterede fastgørelsesanordninger i de forreste huller i udblæsningspladen og det forreste hul i skjoldet (Figur 18).
Find græsskærmen i posen med løsdele, fjern fastgørelsesanordningerne ved de bageste huller i udblæsningspladen, og monter afskærmningen ved sideudblæsningsåbningen på plæneklipperskjoldet (Figur 20).

Brug de afmonterede fastgørelsesanordninger til at fastgøre græsskærmen til skjoldet.
Monter plæneklipperskjoldet. Se Montering af plæneklipperskjoldet.
Operatøren skal bruge sin fulde opmærksomhed, når maskinen betjenes. Giv dig ikke i kast med aktiviteter, der afleder opmærksomheden, da dette kan medføre person- eller tingskade.
Motordele, der er i drift, især lydpotten, bliver ekstremt varme. Der kan ske alvorlige forbrændinger ved berøring, og snavs, f.eks. blade, græs, kvas osv., kan antændes.
Lad motorens dele, især lydpotten, køle ned før berøring.
Fjern ophobet affald fra lydpotten og motorområdet.
Motorudstødningen indeholder kulilte, som er en lugtfri, dødbringende gift.
Lad ikke motoren køre indendørs eller i et lille, lukket område, hvor farlige kuliltedampe kan ophobe sig.
Ejeren/brugeren kan forhindre og er ansvarlig for ulykker eller personskader, som måtte ramme vedkommende selv, andre personer eller ejendom.
Denne plæneklipper er designet til én operatør. Medtag ikke passagerer, og hold alle omkringstående væk fra maskinen under drift.
Betjen ikke maskinen, hvis du er syg, træt eller påvirket af alkohol eller medicin.
Anvend kun maskinen i dagslys eller i godt kunstigt lys.
Lyn kan forårsage alvorlig personskade eller død. Hvis der observeres lyn eller høres torden i området, må maskinen ikke anvendes. Søg ly.
Udvis ekstra forsigtighed under arbejde med tilbehør eller redskaber, såsom græssamlersystemer. Disse kan ændre maskinens stabilitet og forårsage mistet herredømme. Følg om nødvendigt anvisningerne for modvægte.
Hold maskinen på afstand af huller, hjulspor, bump, sten og andre skjulte farer. Vær forsigtig, når du nærmer dig blinde hjørner, buske, træer, højt græs eller andre genstande, som kan skjule genstande eller blokere udsynet. Ujævnt terræn kan få maskinen til at vælte eller få operatøren til at miste balancen eller fodfæstet.
Sørg for, at alle drev er i frigear, samt at parkeringsbremsen er aktiveret, før du starter motoren.
Start motoren forsigtigt i overensstemmelse med anvisningerne med fødderne langt væk fra skæreknivene.
Betjen aldrig plæneklipperen med beskadigede værn, afskærmninger eller dæksler. Sørg altid for, at sikkerhedsværn, afskærmninger, kontakter og andre enheder er monterede og er i god driftsmæssig stand.
Hold dig altid på afstand af udkaståbningen. Klip aldrig græs med udblæsningspladen oppe, fjernet eller ændret, medmindre der er et græssamlersystem eller kværnsæt monteret, som fungerer korrekt.
Hold hænder og fødder væk fra bevægelige dele. Undgå om muligt at foretage justeringer, mens motoren kører.
Hænder, fødder, hår, tøj eller smykker kan blive viklet ind i roterende dele. Kontakt med roterende dele kan medføre amputering eller alvorlige flænger.
Betjen ikke maskinen, uden at afskærmninger, værn og sikkerhedsanordninger er monterede og fungerer korrekt.
Hold hænder, fødder, hår, smykker eller tøj væk fra roterende dele.
Hæv aldrig skjoldet, mens skæreknivene kører rundt.
Vær opmærksom på plæneklipperens udblæsningsbane, og ret udblæsningen væk fra andre. Undgå at udkaste materiale mod en mur eller forhindring, da materialet kan rikochettere tilbage mod operatøren. Stop skæreknivene, sænk farten, og vær forsigtig, når du kører over andre overflader end græs, og når du transporterer plæneklipperen til og fra det område, der skal klippes.
Vær agtpågivende, sænk farten, og pas på under drejninger. Orienter dig bagud og til siden, før du skifter retning. Slå ikke græs i bakgear, medmindre det er absolut nødvendigt.
Lav ikke om på motorens regulatorindstilling, og kør ikke motoren ved for høj hastighed.
Parker maskinen på en plan flade. Sluk motoren, vent på, at alle bevægelige dele standser, og fjern tændrørskablet/-kablerne.
Før du efterser, rengør eller arbejder på plæneklipperen.
Når du har ramt et fremmedlegeme, eller hvis der opstår unormale rystelser (efterse plæneklipperen for skader, og reparer dem, før du starter og betjener plæneklipperen igen).
Før du fjerner tilstopninger.
Når du forlader plæneklipperen. Efterlad ikke en kørende maskine uden opsyn.
Stop motoren. Vent, til alle bevægelige dele er standsede.
Før du fylder brændstof på.
Før græsfanget aflæsses.
Før du justerer højden.
Der kan ske tragiske ulykker, hvis operatøren ikke er klar over børns tilstedeværelse. Børn bliver ofte tiltrukket af maskinen og klippeaktiviteten. Gå aldrig ud fra, at børn bliver på det sted, hvor du sidst så dem.
Hold børn væk fra klippeområdet, og lad dem være under en ansvarlig voksens årvågne opsyn, og ikke operatøren.
Vær årvågen, og sluk maskinen, hvis der kommer børn ind i området.
Før og inden du bakker eller skifter retning, skal du kigge bagud, nedad og fra side til side for at kontrollere, om der er børn til stede.
Lad aldrig børn betjene maskinen.
Undlad at transportere børn, også selvom skæreknivene er standsede. Børn kan falde af og komme alvorligt til skade eller forhindre sikker drift af maskinen. Børn, der tidligere har fået lov til at køre på maskinen, kan pludselig dukke op i arbejdsområdet for at køre med igen, og de kan blive kørt over af plæneklipperen.
Skråninger er en væsentlig årsag til, at føreren mister herredømmet, eller at maskinen vælter. Sådanne ulykker kan medføre alvorlige personskader, i værste tilfælde med døden til følge. Operatøren er ansvarlig for sikker betjening på skråninger. Det kræver ekstra forsigtighed at betjene maskinen på alle former for skråninger. Før maskinen betjenes på en skråning, skal operatøren:
Gennemgå og forstå instruktionerne vedrørende skråninger i betjeningsvejledningen og på maskinen.
Brug en vinkelindikator til at fastslå områdets omtrentlige hældningsvinkel.
Betjen aldrig maskinen på skråninger med en hældning på mere end 15 grader.
Evaluer forholdene på stedet på den pågældende dag for at fastslå, om skråningen er sikker at betjene maskinen på. Brug sund fornuft og god dømmekraft, når du foretager denne evaluering. Ændringer i terrænet, såsom fugt, kan hurtigt påvirke maskinens funktion på en skråning.
Identificer farer ved foden af skråningen. Betjen ikke maskinen i nærheden af bratte afsatser, grøfter, volde, vand og andre risikoområder. Maskinen kan pludselig vælte, hvis et hjul kører over kanten, eller hvis en kant skrider sammen. Hold sikker afstand (to gange maskinens bredde) mellem maskinen og enhver form for farekilde. Anvend en håndplæneklipper eller en græstrimmer til at klippe græsset i disse områder.

Undlad at starte, standse eller vende maskinen på skråninger. Undlad at foretage pludselige hastigheds- eller retningsskift. Drej langsomt og gradvist.
Betjen ikke maskinen under forhold, hvor der er tvivl om traktion, styring eller stabilitet. Vær opmærksom på, at betjening af maskinen på vådt græs, på skråninger eller ned ad bakker kan medføre, at maskinen mister traktion. Mistet traktion til drivhjulene kan forårsage udskridning og mistet bremse- og styrekontrol. Maskinen kan glide, selvom drivhjulene er stoppet.
Fjern eller afmærk forhindringer, f.eks. grøfter, huller, hjulspor, bump, sten eller andre skjulte farer. Højt græs kan skjule forhindringer. Ujævnt terræn kan få maskinen til at vælte.
Udvis ekstra forsigtighed under arbejde med tilbehør eller redskaber, såsom græssamlersystemer. Disse kan ændre maskinens stabilitet og forårsage mistet herredømme. Følg anvisningerne for modvægte.
Hvis det er muligt, skal skjoldet holdes sænket til jorden under betjening på skråninger. Hævning af skjoldet under betjening på skråninger kan gøre maskinen ustabil.
Brug plæneklipperskjoldet som et trin til at komme ind til operatørens position (Figur 22).

Aktiver altid parkeringsbremsen, når du standser maskinen eller efterlader den uden opsyn.
Parker maskinen på en plan overflade.

Deaktiver parkeringsbremsen ved at skubbe den ud af den forsænkede åbning og mod dig selv. Skub derefter parkeringsbremsen ned (Figur 24).


Du kan flytte gashåndtaget mellem positionen FAST (hurtig) og SLOW (langsom) (Figur 28).
Brug altid positionen FAST (hurtig), når du indkobler kraftudtaget.

Brug chokeren, før du starter en kold motor.
Drej nøglen til positionen START (Figur 30).
Note: Slip nøglen, når motoren starter.
Important: Aktiver ikke startmotoren i mere end 5 sekunder ad gangen. Hvis motoren ikke starter, skal du vente 10 sekunder mellem forsøgene. Følges disse instruktioner ikke, kan startermotoren brænde sammen.
Note: Der skal muligvis flere forsøg til at starte motoren, når du starter den første gang, efter at brændstofsystemet har været helt uden brændstof.

Drej nøglen til positionen STOP for at slukke for motoren.
Note: En varm eller brandvarm motor kræver muligvis ikke choker.
Important: Aktiver ikke starteren i mere end 5 sekunder ad gangen. Hvis startmotoren aktiveres i mere end 5 sekunder, kan startmotoren påføres skade. Hvis motoren ikke starter, skal du vente i 10 sekunder, før du aktiverer motorstarteren igen.

Udkobl skæreknivene ved at flytte kontakten til regulering af skæreknive til positionen FRA (Figur 27).
Aktiver parkeringsbremsen. Se Aktivering af parkeringsbremsen.
Flyt gashåndtaget til positionen FAST (hurtig).
Drej nøglen til positionen OFF (fra), og tag nøglen ud.
Børn eller andre omkringstående kan komme til skade, hvis de flytter eller forsøger at betjene maskinen, når operatøren ikke er til stede.
Fjern altid nøglen, og aktiver parkeringsbremsen, når du efterlader maskinen uden opsyn.

Drivhjulene drejer uafhængigt af hinanden og drives af hydraulikmotorer på hver aksel. Du kan dreje en side baglæns, mens du drejer den anden forlæns, hvilket får maskinen til at rotere i stedet for at dreje. Dette forbedrer maskinens manøvredygtighed væsentligt, men der kan gå et stykke tid, før du vænner dig til, hvordan den bevæger sig.
Gashåndtaget styrer motorens omdrejningstal målt i omdrejninger pr. minut. Indstil gashåndtaget til positionen HURTIG for at opnå den bedste ydelse. Kør altid med fuld kraft ved plæneklipning.
Maskinen kan spinde meget hurtigt. Du kan miste kontrollen over maskinen og forårsage personskade eller beskadige maskinen.
Udvis forsigtighed, når du drejer.
Sæt farten ned, før du foretager skarpe sving.
Note: Motoren slukker, når du flytter traktionskontrolgrebene, mens parkeringsbremsen er aktiveret.
Stands maskinen ved at flytte bevægelseshåndtagene til positionen NEUTRAL.
Deaktiver parkeringsbremsen. Se Deaktivering af parkeringsbremsen.
Flyt håndtagene til den midterste, ulåste position.
Kør fremad ved langsomt at skubbe bevægelseshåndtagene fremad (Figur 33).

Flyt håndtagene til midterpositionen – ulåst position.
Bak ved langsomt at trække bevægelseshåndtagene bagud (Figur 34).

Smart SpeedTM-styresystemhåndtaget, som befinder sig til højre for betjeningspositionen (Figur 35), giver dig mulighed for at vælge mellem tre kørehastigheder – trimning, trækning og klipning.

Gør følgende for at regulere hastigheden:
Flyt bevægelseshåndtagene til den neutrale position og udad til den NEUTRALE LåSEPOSITION.
Deaktiver kontakten til regulering af skæreknive.
Flyt håndtaget til den ønskede position.
Følgende er kun anvendelsesanbefalinger. Justeringerne vil variere i henhold til græstype, fugtindhold og græssets højde.
| Anvendelsesanbefalinger: | Pynteliste | Træk | Ved klipning |
| Parkering | X | ||
| Tungt, vådt græs | X | ||
| Uddannelse | X | ||
| Fyldning af pose | X | ||
| Kværning | X | ||
| Normal klipning | X | ||
| Flytning af maskinen | X |
Pynteliste
Dette er den laveste hastighed. De anbefalede anvendelser for denne hastighed er som følger:
Parkering
Klipning af tungt, vådt græs
Uddannelse
Træk
Dette er middelhastigheden. De anbefalede anvendelser for denne hastighed er som følger:
Fyldning af pose
Kværning
Ved klipning
Dette er den hurtigste hastighed. De anbefalede anvendelser for denne hastighed er som følger:
Normal klipning
Flytning af maskinen
Smart SpeedTM-styresystemhåndtaget, som befinder sig under betjeningspositionen (Figur 36), giver operatøren mulighed for at vælge mellem tre kørehastigheder – trimning, træk og klipning.

Gør følgende for at regulere hastigheden:
Flyt bevægelseshåndtagene til den neutrale position og udad til positionen PARKER.
Deaktiver kontakten til regulering af skæreknive.
Flyt håndtaget til den ønskede position.
Følgende er kun anvendelsesanbefalinger. Justeringerne vil variere i henhold til græstype, fugtindhold og græssets højde.
| Anvendelsesanbefalinger: | Pynteliste | Træk | Ved klipning |
| Parkering | X | ||
| Tungt, vådt græs | X | ||
| Uddannelse | X | ||
| Trimning af græs | X | ||
| Fyldning af pose | X | ||
| Kværning | X | ||
| Bugsering af redskaber | X | ||
| Normal klipning | X | ||
| Flytning af maskinen | X |
Pynteliste
Dette er den laveste hastighed. De anbefalede anvendelser for denne hastighed er som følger:
Parkering
Klipning af tungt, vådt græs
Uddannelse
Trimning af græs
Træk
Dette er middelhastigheden. De anbefalede anvendelser for denne hastighed er som følger:
Fyldning af pose
Kværning
Bugsering af redskaber
Ved klipning
Dette er den hurtigste hastighed. De anbefalede anvendelser for denne hastighed er som følger:
Normal klipning
Flytning af maskinen
Plæneklipperen er udstyret med en hængslet græsdeflektor, der blæser det afklippede græs til siden og ned mod plænen.
Hvis ikke der er monteret græsdeflektor, udblæsningsdæksel eller komplet græsopsamler, udsætter du dig selv og andre for kontakt med skæreknivene og udslyngede genstande. Kontakt med plæneklipperens roterende skærekniv(e) og udslyngede genstande vil medføre personskade eller død.
Fjern aldrig græsdeflektoren fra plæneklipperskjoldet, da deflektoren leder materialerne ned mod plænen. Hvis græsdeflektoren beskadiges, skal den straks udskiftes.
Placer aldrig hænder eller fødder under plæneklipperskjoldet.
Forsøg aldrig at rense udblæsningsområdet eller skæreknivene, før du har sat kontakten til regulering af skæreknivene (kraftudtag) i positionen OFF (fra), drejet tændingskontakten til positionen OFF og taget nøglen ud af tændingskontakten.
Sørg for, at græsdeflektoren er i sænket position.
Maskinen er udstyret med et fodbetjent skjoldløftesystem. Du kan bruge fodpedalen til at løfte skjoldet kortvarigt for at undgå forhindringer eller låse skjoldet i den højeste klippehøjde eller transportposition. Du kan bruge klippehøjdehåndtaget sammen med fodpedalen til at låse skjoldet i en bestemt klippehøjde.
Du kan justere klippehøjden fra 38 til 114 mm i trin af 6 mm ved at flytte klippehøjdepinden til forskellige huller.
Træd på pedalen til skjoldløft med foden, og hæv plæneklipperskjoldet til transportlåsepositionen (også klippehøjdepositionerne på 114 mm) som vist i Figur 38.
Du kan justere klippehøjden ved at fjerne pinden fra klippehøjdebeslaget (Figur 38).
Vælg det hul i klippehøjdesystemet, som svarer til den ønskede klippehøjde, og sæt pinden i (Figur 38).
Træd på pedalen til skjoldløft, og træk derefter håndtaget tilbage for at deaktivere transportlåsen (Figur 37).
Sænk skjoldet langsomt, indtil håndtaget rører ved pinden.

Hver gang klippehøjden ændres, skal antiskalperingsrullernes højde også justeres.
Note: Juster antiskalperingsrullerne, så rullerne ikke berører jorden i normale, flade klippeområder.
Parker maskinen på en plan overflade, udkobl kontakten til regulering af skæreknivene, og aktiver parkeringsbremsen. Se Aktivering af parkeringsbremsen.
Sluk for motoren, tag nøglen ud, og vent, til alle bevægelige dele er standset, før du forlader betjeningspositionen.
Juster antiskalperingsrullerne som vist i Figur 39.

Brug kun redskaber og tilbehør, der er godkendt af Toro.
Hvis du fastgør en skovl til motorafskærmningen, skal du bruge en rem til at fastgøre den.
Important: Skovlens vægt påvirker maskinens stabilitet. Hvis du bærer mere end den vægt, der er anført i tabellen nedenfor i en skovl fastgjort til motorafskærmningen, skal du udstyre maskinen med skovlstøttesættet.
Kontakt din autoriserede serviceforhandler.
| Model | Maksimal vægt pr. skovl uden skovlstøttesættet |
| 122 cm skjold | 1,1 kg |
| 137 cm skjold | 1,1 kg |
| 152 cm skjold | 4,5 kg |
For at opnå den bedste græsslåning og maksimal luftcirkulation skal motoren betjenes ved indstillingen HURTIG. Luft er nødvendigt for at kunne klippe græsset ordentligt, og derfor skal du ikke indstille klippehøjden for lavt eller lade plæneklipperskjoldet være helt omgivet af uklippet græs. Forsøg altid at holde 1 side af plæneklipperskjoldet fri for uklippet græs, så den nødvendige luft kan trækkes ind i plæneklipperskjoldet.
Klip ikke græsset helt så kort som normalt, så du kan sikre dig, at plæneklipperskjoldets klippehøjde ikke fjerner græsset helt i ujævnt terræn. Den tidligere anvendte klippehøjde er dog tit den bedste. Når du klipper græs, der er længere end 15 cm, kan det være en fordel at klippe græsset to gange for at sikre en acceptabel klippekvalitet.
Du opnår det bedste resultat ved kun at klippe en tredjedel af græsstråets længde. Det anbefales ikke at klippe mere end dette, medmindre græsbevoksningen er spredt, eller det er sent på efteråret, hvor græsset ikke længere vokser så hurtigt.
Skift mellem klipperetningen for at sikre, at græsset fortsætter med at vokse lodret. Dette medvirker også til at sprede det afklippede græs, hvilket øger nedbrydningen og gødningseffekten.
Græs vokser med forskellig hastighed på forskellige tider af året. Hvis du vil bevare den samme klippehøjde, skal græsset slås oftere i det tidlige forår. Når græssets væksthastighed falder midt på sommeren, skal du ikke slå græsset så tit. Hvis du ikke har mulighed for at slå græs over en længere periode, skal du først slå det med en høj klippehøjde og derefter igen to dage senere med en lavere højdeindstilling.
Klipningskvaliteten kan forbedres ved at køre langsommere under visse forhold.
Når du klipper en ujævn plæne, skal du hæve klippehøjden for at undgå at skalpere plænen.
Hvis fremdriften af maskinen standses, mens græsslåningen er i gang, kan du risikere, at der falder en klump afklippet græs ned på plænen. Dette kan undgås ved at flytte maskinen hen til et tidligere klippet område, mens knivene er aktiveret, eller du kan deaktivere plæneklipperskjoldet, mens du kører fremad.
Fjern afklippet græs og snavs fra undersiden af plæneklipperskjoldet efter hver anvendelse. Hvis græs og snavs ophober sig i plæneklipperskjoldet, bliver kvaliteten af græsslåningen utilfredsstillende med tiden.
Hold skærekniven(e) skarp(e) gennem hele græsslåningssæsonen, da en skarp skærekniv skærer græsset rent af uden at rive det over eller få det til at flosse. Hvis græsset rives over eller flosser, bliver spidserne brune, hvilket hæmmer væksten og øger risikoen for sygdom. Kontroller skæreknivene for skarphed hver gang efter brug samt for slid og beskadigelse. Fil eventuelle hakker ned, og slib skæreknivene, hvis det er nødvendigt. Hvis en skærekniv er beskadiget eller slidt, skal den udskiftes med det samme med en original Toro-kniv.
Parker maskinen på en plan overflade, udkobl drevene, aktiver parkeringsbremsen, stop motoren, tag nøglen ud, eller frakobl tændrørskablet. Vent, til al bevægelse standser, og lad maskinen køle af inden justering, rengøring, reparation eller opbevaring. Lad aldrig personer, som ikke er uddannede dertil, udføre service på maskinen.
Rengør maskinen som anført i afsnittet Vedligeholdelse. Hold motoren og motorområdet fri for ophobet græs, blade, store mængder fedt eller olie og andet snavs, der kan hobe sig op i disse områder. Disse materialer kan blive brændbare og medføre brand.
Kontroller hyppigt for slidte eller forringede komponenter, der kan udgøre en fare. Spænd løse bolte og møtrikker.
Brug en robust anhænger eller lastbil til at transportere maskinen. Kontroller, at anhængeren eller lastbilen er udstyret med alt det nødvendige lys og de nødvendige skilte i henhold til lovgivningen. Læs alle sikkerhedsforskrifter grundigt. Disse oplysninger kan hjælpe dig, din familie, husdyr eller personer, der befinder sig i nærheden, med at undgå at komme til skade.
Sådan transporteres maskinen:
Lås bremsen, og bloker hjulene.
Sørg for, at brændstofafbryderventilen er lukket.
Fastgør maskinen sikkert til anhængeren eller lastbilen vha. remme, kæder, kabler eller reb. Brug kun de fire afmærkede bindepunkter på plæneklipperen – 2 på venstre side og 2 på højre (Figur 40). Brug disse bindepunkter, også når plæneklipperen transporteres med et monteret redskab. Brug af ikke-afmærkede bindepunkter kan medføre beskadigelse af plæneklipperen og/eller redskabet.

Fastgør traileren til trækkøretøjet med sikkerhedskæder.
Kørsel på gader og veje uden blinklys, lygter, refleksmarkeringer eller et skilt om langsomtgående køretøj kan føre til ulykker og forårsage personskade.
Kør ikke maskinen på offentlige gader og veje.
Vær yderst forsigtig, når du læsser maskiner på eller af en anhænger eller lastbil. Brug en rampe med fuld bredde, der er bredere end maskinen, under udførslen af denne procedure. Bak op ad ramper og kør fremad ned ad ramper (Figur 41).

Important: Brug ikke smalle, individuelle ramper til hver side af maskinen.
Sørg for, at rampen er lang nok til, at vinklen i forhold til jorden ikke overstiger 15 grader (Figur 41). På plan grund kræver dette, at rampen er mindst fire gange (4x) så lang som anhængerens højde eller lastbilens ladhøjde og ned til jorden. En stejlere vinkel kan medføre, at plæneklipperskjoldets dele sidder fast, når enheden flyttes fra rampen til anhænger eller lastbil. Stejlere vinkler kan også få maskinen til at vippe, eller at man mister kontrollen. Hvis pålæsning foregår på eller i nærheden af en skråning, skal anhænger eller lastbil placeres på en sådan måde, at den vender ned ad skråningen og rampen vender opad. Derved minimeres rampens vinkel.
Pålæsning af en maskine på en anhænger eller lastbil øger risikoen for at vippe og kan forårsage alvorlig personskade eller død.
Vær ekstra forsigtig, når maskinen køres på en rampe.
Brug kun en rampe med fuld bredde. Brug ikke individuelle ramper til hver side af maskinen.
Overskrid ikke en vinkel på 15 grader mellem rampen og jorden eller mellem rampen og anhænger eller lastbil.
Sørg for at rampen er mindst fire gange (4x) så lang som anhængerens højde eller lastbilens ladhøjde og ned til jorden. Dette vil sørge for, at rampens vinkel ikke overstiger 15 grader på plan grund.
Bak op ad ramper og kør fremad ned ad ramper.
Undgå pludselig acceleration eller deceleration når maskinen køres op på en rampe. Dette kan forårsage, at man mister kontrollen eller øge risikoen for at vælte.

Det udstyr, der skal bugseres, må kun fastgøres ved bugseringspunktet.
Følg anbefalingerne fra redskabets producent om vægtgrænser for udstyr, der bugseres, og bugsering på skråninger. Bugseret vægt må ikke overskride maskinens, operatørens og ballastens samlede vægt. Ellers kan det medføre fejl i den hydrostatiske transmission. Brug modvægte eller hjulvægte som beskrevet i betjeningsvejledningen fra producenten af redskabet.
Lad aldrig børn eller andre sidde i eller på udstyr, der bugseres.
På skråninger kan vægten af det bugserede udstyr medføre traktionstab, øget risiko for væltning og mistet herredømme. Reducer den bugserede vægt, og sænk farten.
Bremselængden øges i takt med vægten på den bugserede last. Kør langsomt, og vær klar til at bruge ekstra plads til at stoppe.
Foretag store sving, så redskabet holdes fri af maskinen.
Important: Skub altid maskinen manuelt. Bugser ikke maskinen, da det kan medføre beskadigelse.
Denne maskine har en elektrisk bremsemekanisme, og tændingsnøglen skal befinde sig i positionen RUN (kør), for at maskinen kan skubbes. Batteriet skal være opladet og fungere, for at den elektriske bremse kan deaktiveres.
Parker maskinen på en plan flade, og udkobl kontakten til regulering af skæreknive.
Aktiver parkeringsbremsen, sluk motoren, og vent, til alle bevægelige dele er standset, før du forlader betjeningspositionen.
Find omløbshåndtagene på stellet på begge sider af motoren.
Flyt omløbshåndtagene fremad gennem nøglehullet og nedad for at låse dem på plads (Figur 43).
Note: Gør dette for hvert håndtag.
Deaktiver parkeringsbremsen.
Note: Start ikke maskinen.

Aktiver parkeringsbremsen, når du er færdig.
Flyt omløbshåndtagene bagud gennem nøglehullet og nedad for at låse dem på plads som vist i Figur 43.
Note: Gør dette for hvert håndtag.
Note: Maskinens venstre og højre side er som set fra den normale betjeningsposition.
Mens der udføres vedligeholdelse eller justeringer, kunne nogen starte motoren. Utilsigtet start af motoren kan forårsage alvorlig skade på dig eller andre personer i nærheden.
Fjern nøglen fra tændingslåsen, aktiver parkeringsbremsen, og tag tændrørskablet/-erne af tændrøret/-ene, før du udfører vedligeholdelsesarbejde. Skub også tændrørskablet/-erne til side, så de(t) ikke utilsigtet kommer i kontakt med tændrøret/-ene.
Motoren kan blive meget varm. Berøring af en varm motor kan medføre alvorlige forbrændinger.
Lad motoren køle helt af, inden der udføres service eller reparationer i motorområdet.
Parker maskinen på en plan overflade, udkobl drevene, aktiver parkeringsbremsen, stop motoren, tag nøglen ud, eller frakobl tændrørskablet. Vent, til al bevægelse standser, og lad maskinen køle af inden justering, rengøring, eller reparation. Lad aldrig personer, som ikke er uddannede dertil, udføre service på maskinen.
Frakobl batteriet, eller fjern tændrørskablet, før der foretages nogen form for reparation. Frakobl minuspolen først og pluspolen sidst. Tilslut pluspolen først og minuspolen sidst.
Hold alle maskinens værn, afskærmninger og alle sikkerhedsanordninger på plads og i sikker driftsmæssig stand. Kontroller hyppigt for slidte eller forringede komponenter, og udskift dem med producentens anbefalede dele, når det er nødvendigt.
Afmontering eller ændring af originalt udstyr, dele og/eller tilbehør kan ændre maskinens garanti, styring og sikkerhed. Uautoriserede ændringer af originalt udstyr eller manglende brug af originale Toro-dele kan føre til alvorlig personskade eller død. Uautoriserede ændringer af maskinen, motoren, brændstof- eller udluftningssystemet kan være i modstrid med gældende sikkerhedsstandarder som: ANSI, OSHA og NFPA og/eller myndighedernes gældende love, f.eks. EPA og CARB.
Vær forsigtig, når du efterser skæreknivene. Pak skærekniven(e) ind, eller bær handsker, og vær forsigtig når du servicerer den/dem. Udskift kun beskadigede skæreknive. De må aldrig rettes ud eller svejses.
Brug donkrafte til at understøtte maskinen og/eller komponenter efter behov.
Det kan være farligt at hæve plæneklipperens skjold udelukkende ved hjælp af mekaniske eller hydrauliske donkrafte i forbindelse med servicering eller vedligeholdelse. Mekanisk eller hydraulisk donkraft er måske ikke tilstrækkelig støtte og kan svigte, så enheden falder og forårsager skader.
Stol ikke udelukkende på mekaniske eller hydrauliske donkrafte til støtte. Anvend tilstrækkeligt med donkrafte eller lignende støtte.
Tag forsigtigt trykket af komponenter, hvori der er oplagret energi.
Hold hænder og fødder væk fra bevægelige dele. Undgå om muligt at foretage justeringer, mens motoren kører. Hvis vedligeholdelses- eller justeringsproceduren kræver, at motoren kører, og komponenterne bevæger sig, skal du være yderst forsigtig.
Kontakt med bevægelige dele eller varme overflader kan forårsage personskader.
Hold fingre, hænder og tøj væk fra roterende komponenter og varme overflader.
Kontroller alle bolte hyppigt for at opretholde korrekt tilspænding.
| Vedligeholdelsesintervaller | Vedligeholdelsesprocedure |
|---|---|
| Efter de første 5 timer |
|
| Hver anvendelse eller dagligt |
|
| Efter hver anvendelse |
|
| For hver 25 timer |
|
| For hver 100 timer |
|
| For hver 200 timer |
|
| Før opbevaring |
|
Hvis du lader nøglen sidde i kontakten, kan andre personer utilsigtet komme til at starte motoren og forårsage alvorlig personskade på dig eller andre omkringstående.
Sluk motoren, og tag nøglen ud af tændingen, før du foretager vedligeholdelse.
Løsn gardinets 2 nederste bolte for at blotlægge den øverste del af plæneklipperskjoldet (Figur 44).

Note: Spænd altid boltene for at montere gardinet efter vedligeholdelse.
Sluk motoren, før du kontrollerer oliestanden eller hælder olie i krumtaphuset.
Hold dine hænder og fødder, dit ansigt og tøj samt andre kropsdele væk fra lydpotten og andre varme overflader.
| Vedligeholdelsesintervaller | Vedligeholdelsesprocedure |
|---|---|
| Hver anvendelse eller dagligt |
|
Note: Luftfilteret skal efterses oftere under meget støvede eller sandede forhold (efter få timers brug).
Parker maskinen på en plan flade, udkobl kontakten til regulering af skæreknivene (kraftudtag), og aktiver parkeringsbremsen.
Sluk for motoren, tag nøglen ud, og vent, til alle bevægelige dele er standset, før du forlader betjeningspositionen.
Rengør området omkring luftfilterdækslet for at forhindre snavs i at trænge ind i motoren og forårsage skader.
Løft dækslet, og drej luftfilterenheden ud af motoren (Figur 45).


Skil skum- og papirindsatserne ad (Figur 46).

| Vedligeholdelsesintervaller | Vedligeholdelsesprocedure |
|---|---|
| For hver 25 timer |
|
| For hver 100 timer |
|
Vask skumindsatsen med flydende sæbe og varmt vand. Når indsatsen er ren, skal den skylles omhyggeligt.
Tør indsatsen ved at klemme den i en ren klud.
Important: Udskift skumindsatsen, hvis den er slidt eller beskadiget.
| Vedligeholdelsesintervaller | Vedligeholdelsesprocedure |
|---|---|
| For hver 100 timer |
|
| For hver 200 timer |
|
Rens papirindsatsen ved forsigtigt at banke på den for at fjerne støv.
Note: Hvis papirindsatsen er meget snavset, skal den udskiftes med en ny.
Undersøg indsatsen for revner, oliefilm eller beskadigelse af gummipakningen.
Udskift papirindsatsen, hvis den er beskadiget.
Important: Rengør ikke papirfilteret.
Monter skumindsatsen over papirindsatsen.
Note: Sørg for, at du ikke kommer til at beskadige elementerne.
Ret filterets huller ind i manifoldåbningerne.
Drej filteret ned i kammeret, og sæt det helt fast imod manifolden (Figur 47).

Luk dækslet.
Olietype: Selvrensende olie (API-service SF, SG, SH, SJ eller SL)
Krumtaphusets kapacitet: 2,4 l med oliefilter
Viskositet: Se nedenstående tabel.

| Vedligeholdelsesintervaller | Vedligeholdelsesprocedure |
|---|---|
| Hver anvendelse eller dagligt |
|
Note: Kontroller olien, mens motoren er kold.
Important: Hvis du fylder for meget eller for lidt olie på motorens krumtaphus og starter motoren, risikerer du, at motoren beskadiges.
Parker maskinen på en plan flade, udkobl kontakten til regulering af skæreknivene (kraftudtag), og aktiver parkeringsbremsen.
Sluk for motoren, tag nøglen ud, og vent, til alle bevægelige dele er standset, før du forlader betjeningspositionen.
Note: Sørg for, at motoren er afkølet, så olien har haft tid til at løbe ned i sumpen.
Rengør området omkring oliepåfyldningsdækslet og målepinden, før målepinden tages ud, for at undgå, at der kommer snavs, græs osv. i motoren (Figur 49).

| Vedligeholdelsesintervaller | Vedligeholdelsesprocedure |
|---|---|
| Efter de første 5 timer |
|
| For hver 100 timer |
|
Parker maskinen på en plan overflade for at sikre, at olien drænes helt.
Udkobl kontakten til regulering af skæreknivene (kraftudtag), og aktiver parkeringsbremsen.
Sluk motoren, tag nøglen ud, og vent, til alle bevægelige dele er standset, før du forlader betjeningspositionen.
Dræn olien fra motoren.


Skift motoroliefilteret (Figur 51).
Note: Sørg for, at oliefilterpakningen berører motoren, og drej derefter filteret en ekstra 3/4 omgang.

Hæld langsomt ca. 80 % af den angivne olie i påfyldningsrøret, og tilsæt langsomt ekstra olie, så oliestanden når op til mærket Full (fuld) (Figur 52).

Bortskaf den brugte olie på et genbrugsanlæg.
| Vedligeholdelsesintervaller | Vedligeholdelsesprocedure |
|---|---|
| For hver 100 timer |
|
| For hver 200 timer |
|
Sørg for, at gnistgabet mellem midter- og sideelektroden er korrekt, før tændrøret monteres. Brug en tændrørsnøgle til at afmontere og montere tændrøret og en søgelære til at kontrollere og justere gnistgabet. Monter om nødvendigt et nyt tændrør.
Type: Champion® RN9YC eller NGK® BPR6ES
Gnistgab: 0,76 mm
Parker maskinen på en plan flade, udkobl kontakten til regulering af skæreknivene (kraftudtag), og aktiver parkeringsbremsen.
Sluk for motoren, tag nøglen ud, og vent, til alle bevægelige dele er standset, før du forlader betjeningspositionen.
Rengør området omkring bunden af tændrøret for at forhindre, at der slipper snavs og materiale ind i motoren.
Fjern tændrøret (Figur 53).

Important: Rengør ikke tændrøret/tændrørene. Udskift altid tændrøret/tændrørene, når det/de har: en sort belægning, slidte elektroder, oliefilm eller revner.
Hvis der kan ses en lys brun eller grå farve på isolatoren, fungerer motoren korrekt. En sort belægning på isoleringen betyder normalt, at luftfilteret er snavset.
Indstil gnistgabet til 0,76 mm.


| Vedligeholdelsesintervaller | Vedligeholdelsesprocedure |
|---|---|
| Hver anvendelse eller dagligt |
|
Parker maskinen på en plan flade, udkobl kontakten til regulering af skæreknivene (kraftudtag), og aktiver parkeringsbremsen.
Sluk for motoren, tag nøglen ud, og vent, til alle bevægelige dele er standset, før du forlader betjeningspositionen.
Fjern luftfilteret fra motoren.
Fjern motorskærmen.
Sæt luftfilteret i filterbasen for at forhindre, at der trænger snavs ind i luftindtaget.
Fjern snavs og græs fra delene.
Fjern luftfilteret, og monter motorskærmen.
Isæt luftfilteret.
Under visse forhold er brændstof meget brandfarligt og yderst eksplosivt. En brand eller eksplosion forårsaget af brændstof kan give dig eller andre forbrændinger samt medføre tingsskade.
Se Påfyldning af brændstof for at få en samlet liste over brændstofrelaterede forholdsregler.
| Vedligeholdelsesintervaller | Vedligeholdelsesprocedure |
|---|---|
| For hver 100 timer |
|
| For hver 200 timer |
|
Monter aldrig et snavset filter efter at have fjernet det fra brændstofrøret.
Parker maskinen på en plan flade, udkobl kontakten til regulering af skæreknivene (kraftudtag), og aktiver parkeringsbremsen.
Sluk for motoren, tag nøglen ud, og vent, til alle bevægelige dele er standset, før du forlader betjeningspositionen.
Udskift filteret (Figur 56).
Note: Bemærk: Kontroller, at mærkerne på filteret følger brændstoffets strømningsretning.


Frakobl batteriet, før maskinen repareres. Frakobl minuspolen først og pluspolen sidst. Tilslut pluspolen først og minuspolen sidst.
Oplad batterier på et åbent sted med god ventilation, væk fra gnister og åben ild. Træk stikket til opladeren ud af stikkontakten, før du slutter den til eller kobler den fra batteriet. Brug beskyttelsesdragt og isoleret værktøj.
Ukorrekt afmontering af kablerne fra batteriet kan danne gnister og beskadige maskinen og kablerne. Gnister kan få batterigasserne til at eksplodere og medføre personskade.
Frakobl altid batteriets (sorte) minuskabel, før du frakobler det røde pluskabel.
Tilslut altid batteriets røde pluskabel, før du tilslutter det sorte minuskabel.
Parker maskinen på en plan flade, udkobl kontakten til regulering af skæreknivene (kraftudtag), og aktiver parkeringsbremsen.
Sluk for motoren, tag nøglen ud, og vent, til alle bevægelige dele er standset, før du forlader betjeningspositionen.
Løsn de to fastgørelsesanordninger på batteridækslet mod uret 1/4 omgang, og fjern batteridækslet (Figur 57).

Tag det sorte minusjordkabel af batteriets pol (Figur 58).
Note: Gem alle fastgørelsesanordningerne.
Skyd gummikappen op ad det røde pluskabel.
Tag det (røde) positive kabel af batteriets pol (Figur 58).
Note: Gem alle fastgørelsesanordningerne.
Fjern batteritilholderen (Figur 58) og løft batteriet op fra batteribakken.

| Vedligeholdelsesintervaller | Vedligeholdelsesprocedure |
|---|---|
| Før opbevaring |
|
Fjern batteriet fra chassiset. Se Afmontering af batteriet.
Oplad batteriet i mindst 1 time ved 6-10 A.
Note: Batteriet må ikke overoplades.
Når batteriet er fuldt opladet, skal du tage opladeren ud af stikkontakten og dernæst koble opladningskablerne fra batteriets poler (Figur 59).

Placer batteriet i bakken (Figur 58).
Sæt det positive batterikabel (rødt) i den positive batteripol vha. de fastgørelsesanordninger, som du fjernede tidligere.
Sæt det negative batterikabel i den negative batteripol vha. de fastgørelsesanordninger, som du fjernede tidligere.
Før den røde klemme over på den positive (røde) batteripol.
Fastgør batteriet med tilholderen (Figur 58).
Monter batteridækslet ved at skubbe ned og spænde to fastgørelsesanordninger med uret (Figur 57).
Det elektriske system er beskyttet af sikringer. Det behøver ingen vedligeholdelse, men hvis en sikring springer, skal du dog kontrollere komponenten og kredsløbet for fejl eller kortslutning.
Sikringstype:
Hovedsikring – F1 (15 A, flade stikben)
Ladekredsløbssikring – F2 (25 A, flade stikben)
For at udskifte hovedsikringen (15 A) skal du række ind i åbningen i konsollens side, trække sikringen ud og sætte en ny 15 A-sikring i (Figur 60).

For at udskifte ladekredsløbssikringen (25 A) skal du finde sikringen til venstre for batteriet, trække den ud og sætte en ny 25 A-sikring i (Figur 61).

| Vedligeholdelsesintervaller | Vedligeholdelsesprocedure |
|---|---|
| For hver 25 timer |
|
Oprethold lufttrykket i for- og baghjulene som angivet. Ujævnt dæktryk kan forårsage ujævn klipning. Kontroller trykket ved ventilspindlen (Figur 62). Dæktrykket skal kontrolleres, når dækkene er kolde. På denne måde opnås den mest præcise trykmåling.
Se det dæktryk, som er anbefalet af dækproducenten, på siden af styrehjulsdækkene.
Pump de forreste styrehjuls dæk op til 1,03 bar.
Pump de bageste drivhjuls dæk op til 0,9 bar.

| Vedligeholdelsesintervaller | Vedligeholdelsesprocedure |
|---|---|
| For hver 25 timer |
|
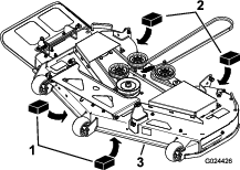
Udskift remmen, hvis den er slidt. Tegnene på en slidt rem omfatter en hvinende lyd, når remmen roterer, glidende skæreknive under plæneklipning og flossede kanter, brændemærker og revner på remmen.
Tegnene på en slidt rem omfatter en hvinende lyd, når remmen roterer, glidende skæreknive under plæneklipning og flossede kanter, brændemærker og revner på remmen. Udskift remmen, hvis nogen af disse forhold opstår.
Parker maskinen på en plan flade, udkobl kontakten til regulering af skæreknivene (kraftudtag), og aktiver parkeringsbremsen.
Sluk for motoren, tag nøglen ud, og vent, til alle bevægelige dele er standset, før du forlader betjeningspositionen.
Sænk plæneklipperen til en klippehøjdeposition på 76 mm.
Fjern plæneklipperskjoldets gardin. Se Frigivelse af plæneklipperskjoldets gardin.
Løsn de to bolte på hver remskærm, men fjern dem ikke.
Skub dækslet, indtil det er frit af boltene, og løft det op og ud for at tage det af.
Brug et fjederværktøj (Toro-delnr. 92-5771) til at fjerne styrefjederen fra skjoldtappen, så spændingen fjernes fra styreremskiven (Figur 63).

Sænk plæneklipperen til den laveste klippehøjde, og sæt klippehøjdesplitten i låsepositionen for den laveste klippehøjde.
Fjern remmen fra plæneklipperskjoldets remskiver, og fjern den eksisterende rem.
Før den nye rem rundt om plæneklipperens remskiver og koblingsremskiven under motoren (Figur 63).
Fjederen er spændt, når den monteres, og kan forårsage personskade.
Vær forsigtig, når du fjerner remmen.
Brug et fjederværktøj (Toro-delnr. 92-5771) til at montere styrefjederen over skjoldtappen, så styreremskiven og plæneklipperremmen tilspændes (Figur 63).
Kontroller, at remmen er korrekt placeret i alle remskiver.
For at installere remskærmene skal du sætte tapperne på hver skærm ind i de tilsvarende åbninger på klippeenhedens beslag og sikre dig, at de er på plads.
Drej dækslet mod skjoldet, og skub hakkene under de løsnede bolte, indtil de sidder på plads.
Spænd boltene for at fastgøre dækslet til skjoldet.
Monter plæneklipperskjoldets gardin. Se Frigivelse af plæneklipperskjoldets gardin.
En slidt eller beskadiget skærekniv kan gå itu, og et stykke af den kan blive kastet mod dig eller omkringstående, hvilket kan forårsage alvorlige eller livsfarlige kvæstelser. Forsøg på at reparere en beskadiget skærekniv kan medføre annullering af produktets sikkerhedscertificering.
Efterse jævnligt skæreknivene for slid og skader.
Vær forsigtig, når du efterser knivene. Pak skæreknivene ind, eller bær handsker, og vær forsigtig når du efterser skæreknivene. Du må kun udskifte eller slibe skæreknivene. De må aldrig rettes ud eller svejses.
På maskiner med mange skæreknive skal du være meget forsigtig, da én skæreknivs rotation kan få andre skæreknive til at rotere.
For at sikre en god klippekvalitet skal skæreknivene holdes skarpe. Det kan være praktisk at have en eller flere ekstra skæreknive ved hånden i forbindelse med slibning og udskiftning.
Parker maskinen på en plan flade, udkobl kontakten til regulering af skæreknivene (kraftudtag), og aktiver parkeringsbremsen.
Sluk motoren, fjern nøglen, og tag tændrørskablerne fra tændrørene.
| Vedligeholdelsesintervaller | Vedligeholdelsesprocedure |
|---|---|
| Hver anvendelse eller dagligt |
|
Efterse skærekanterne (Figur 64).
Hvis kanterne ikke er skarpe, eller hvis de har hakker, skal skæreknivene afmonteres og slibes. Se Slibning af skæreknivene.
Efterse skæreknivene, især det buede område.
Hvis skæreknivene er beskadiget eller slidt, eller hvis der er antydning af en revne i dette område, skal der straks monteres nye skæreknive (Figur 64).

Note: Maskinen skal stå på en plan overflade, når følgende procedure udføres.
Hæv plæneklipperskjoldet til den højeste klippehøjde.
Bær tykt polstrede handsker eller anden tilstrækkelig håndbeskyttelse, drej langsomt skærekniven til en position, der gør det muligt for dig at måle afstanden mellem skærekanten og den plane flade, som maskinen befinder sig på (Figur 65).

Mål fra spidsen af skærekniven til den plane overflade (Figur 66).

Drej samme skærekniv 180 grader, så den modsatte skærekant nu befinder sig i samme position (Figur 67).

Mål fra spidsen af skærekniven til den plane overflade (Figur 68).
Note: Forskellen bør ikke være større end 3 mm.

Hvis forskellen mellem A og B er større end 3 mm, udskiftes skærekniven med en ny skærekniv. Se Afmontering af skæreknivene og Montering af skæreknivene.
Note: Hvis en bøjet skærekniv udskiftes med en ny skærekniv, og forskellen stadig er over 3 mm, er knivspindlen muligvis bøjet. Kontakt en autoriseret serviceforhandler med henblik på eftersyn.
Hvis forskellen er inden for det tilladte, skal du gå videre til næste skærekniv.
Gentag proceduren på hver skærekniv.
Udskift skæreknivene, hvis de rammer et solidt objekt, eller hvis skærekniven er ude af balance eller bøjet.
Hold på skæreknivens ende med en klud eller en tyk handske.
Fjern skæreknivsbolten, den buede spændeskive og skærekniven fra spindelakslen (Figur 69).

Anvend en fil til at slibe begge ender af skærekniven (Figur 70).
Note: Bevar den oprindelige vinkel.
Note: Skærekniven bevarer balancen, hvis der fjernes den samme mængde materiale på begge skærekanter.

Kontroller knivens balance ved at placere den på en afbalanceringsenhed (Figur 71).
Note: Hvis skærekniven forbliver i en vandret position, er kniven afbalanceret og kan benyttes.
Note: Hvis kniven ikke er afbalanceret, skal der slibes lidt mere metal af sejlområdet (Figur 70).

Gentag denne procedure, indtil skærekniven er afbalanceret.
Monter skærekniven på spindelakslen (Figur 69).
Important: Den buede del af skærekniven skal pege opad mod indersiden af plæneklipperen for at sikre en god klipning.
Monter den buede skive (med den buede side mod skærekniven) samt knivbolten (Figur 69).
Tilspænd skæreknivsbolten til et moment på 135 til 150 Nm.

Kontroller, at plæneklipperskjoldet er plant, hver gang du monterer plæneklipperen, eller når du ser en ujævn klipning på plænen.
Kontroller plæneklipperskjoldet for bøjede skæreknive før nivellering, og fjern og udskift bøjede skæreknive. Se Kontrol for bøjede skæreknive, før du fortsætter.
Niveller først plæneklipperskjoldet fra side til side. Derefter kan du justere den langsgående hældning.
Krav:
Maskinen skal stå på en plan overflade.
Alle dæk skal være korrekt pumpet; se Kontrol af dæktrykket.
Parker maskinen på en plan flade, udkobl kontakten til regulering af skæreknivene (kraftudtag), og aktiver parkeringsbremsen.
Sluk for motoren, tag nøglen ud, og vent, til alle bevægelige dele er standset, før du forlader betjeningspositionen.
Drej forsigtigt skæreknivene fra side til side.
Mål mellem de udvendige skærekanter og den plane overflade (Figur 73).
Note: Hvis begge mål ikke er inden for 5 mm, er en justering nødvendig. Se Nivellering af plæneklipperskjoldet.

Kontroller den langsgående knivhældning, hver gang du justerer plæneklipperen. Hvis plæneklipperens forende er mere end 7,9 mm lavere end bagenden af plæneklipperen, skal skæreknivens hældning justeres.
Parker maskinen på en plan flade, udkobl kontakten til regulering af skæreknivene (kraftudtag), og aktiver parkeringsbremsen.
Sluk for motoren, tag nøglen ud, og vent, til alle bevægelige dele er standset, før du forlader betjeningspositionen.
Drej forsigtigt skæreknivene, så de vender på langs (Figur 74).
Mål fra spidsen af den forreste skærekniv til den plane overflade og spidsen af den bageste skærekniv til den plane overflade (Figur 74).
Note: Hvis den forreste skæreknivs spids ikke er 1,6 til 7,9 mm lavere end den bageste skæreknivs spids, skal du fortsætte til proceduren Nivellering af plæneklipperskjoldet.

Sæt antiskalperingsrullerne i de øverste huller, eller fjern dem helt, når denne procedure udføres. Se Justering af antiskalperingsruller.
Flyt klippehøjdehåndtaget til positionen på 76 mm. Se Justering af klippehøjden.
Placer 2 blokke med hver en tykkelse på 6,6 cm under hver side af skjoldets forkant, men ikke under antiskalperingsrullebeslagene (Figur 75).
Placer 2 blokke med hver en tykkelse på 7,3 cm under bagkanten af klippedækket – 1 på hver side af klippeskjoldet (Figur 75).

Løsn justeringsboltene i alle fire hjørner, så skjoldet hviler sikkert på alle fire blokke (Figur 76).

Sørg for, at alle fire kæder er stramme (Figur 76).
Tilspænd de fire justeringsbolte (Figur 76).
Sørg for, at blokkene passer nøjagtigt ind under skjoldet, og at alle boltene er tilspændte.
Bekræft, at skjoldet er plant ved at kontrollere den tværgående nivellering og den langsgående skæreknivshældning. Gentag om nødvendigt skjoldnivelleringsproceduren.
Parker maskinen på en plan flade, udkobl kontakten til regulering af skæreknivene (kraftudtag), og aktiver parkeringsbremsen.
Sluk motoren, fjern nøglen, og tag tændrørskablerne fra tændrørene.
Sænk plæneklipperen til en klippehøjdeposition på 76 mm.
Løsn de nederste to bolte, der fastholder plæneklipperskjoldets gardin på plæneklipperskjoldet. Se Frigivelse af plæneklipperskjoldets gardin.
Fjern plæneklipperremmen fra motorremskiven. Se Udskiftning af plæneklipperremmen.
Fjern låseclipsen og spændeskiven, der fastgør kædebolten på rammen og skjoldet, og fjern kædestangen (Figur 77).

Løft plæneklipperskjoldet op for at udløse spændingen på plæneklipperskjoldet.
Afmonter kæderne fra krogene på skjoldløftearmene (Figur 78).

Hæv klippehøjden til transportpositionen.
Fjern remmen fra koblingsremskiven på motoren.
Skyd plæneklipperen ud fra undersiden af maskinen.
Note: Gem alle dele til fremtidig montering.
Parker maskinen på en plan flade, udkobl kontakten til regulering af skæreknivene (kraftudtag), og aktiver parkeringsbremsen.
Sluk motoren, fjern nøglen, og tag tændrørskablerne fra tændrørene.
Skyd plæneklipperen ind under maskinen.
Sænk klippehøjdehåndtaget til den laveste position.
Sæt klippehøjdesplitten i låsepositionen for den laveste klippehøjde.
Løft klippeskjoldets bagende, og sæt kæderne fast på de bageste løftearme (Figur 78).
Sæt de forreste kæder fast på de forreste løftearme (Figur 78).
Monter den lange kædestang gennem stelbeslaget og skjoldet.
Sæt kædebolten fast med låseclipsene og spændeskiverne, du fjernede tidligere (Figur 77).
Monter plæneklipperremmen på motorremskiven. Se Udskiftning af plæneklipperremmen.
Tilspænd de nederste to bolte, der fastholder plæneklipperskjoldets gardin på plæneklipperskjoldet. Se Frigivelse af plæneklipperskjoldets gardin.
| Vedligeholdelsesintervaller | Vedligeholdelsesprocedure |
|---|---|
| Hver anvendelse eller dagligt |
|
En utildækket udblæsningsåbning kan resultere i, at maskinen udkaster genstande mod dig eller omkringstående, hvilket kan medføre alvorlig personskade. Der kan også opstå kontakt med skærekniven.
Betjen aldrig maskinen uden at have monteret en kværnafskærmning, en udblæsningsdeflektor eller et græssamlersystem.
Efterse græsdeflektoren for skade inden hver brug. Reparer eller udskift alle beskadigede dele før brug.
Fjern splitten (Figur 79).
Tag fjederen ud af hakket i deflektorbeslaget, og skub stangen ud af de svejsede skjoldbeslag, fjederen og udblæsningsdeflektoren (Figur 79).

Fjern den beskadigede eller slidte udblæsningsdeflektor.
Placer den nye udblæsningsdeflektor med beslagenderne mellem de svejsede beslag på skjoldet som vist i Figur 80.
Monter fjederen på stangens lige ende.
Placer fjederen på stangen som vist i Figur 80, så den kortere fjederende kommer ud under stangen før bøjningen og går over stangen, idet den vender tilbage fra bøjningen.
Løft fjederens øjeende, og sæt den i hakket på deflektorbeslaget (Figur 80).

Fastgør stang- og fjederenheden ved at dreje den, så den korte ende af stangen placeres bag det forreste beslag, der er svejset fast på skjoldet (Figur 80).
Important: Græsdeflektoren skal fjederbelastes i den sænkede position. Løft deflektoren op for at kontrollere, at den smækker helt ned.
Monter låseclipsen (Figur 79).
| Vedligeholdelsesintervaller | Vedligeholdelsesprocedure |
|---|---|
| Efter hver anvendelse |
|
Important: Du kan vaske maskinen med et mildt rengøringsmiddel og vand. Udsæt ikke maskinen for højtryksrensning. Undgå overdreven brug af vand, særligt under sædet og i nærheden af kontrolpanelet, motoren og hydraulikpumperne.
Hver gang du har brugt plæneklipperskjoldet, skal du vaske undersiden for at forhindre, at der samler sig græs. På denne måde forbedres græskværnefunktionen og spredningen af det afklippede græs.
Parker maskinen på en plan flade, udkobl kontakten til regulering af skæreknivene (kraftudtag), og aktiver parkeringsbremsen.
Sluk for motoren, tag nøglen ud, og vent, til alle bevægelige dele er standset, før du forlader betjeningspositionen.
Fastgør slangekoblingen på enden af plæneklipperens vaskefitting, og skru helt op for vandet (Figur 81).
Note: Smør vaseline på vaskefittingens O-ring for at gøre det lettere at sætte koblingen på og beskytte O-ringen.

Sænk plæneklipperen til den laveste klippehøjde.
Tag plads i sædet, og start motoren.
Indkobl kontakten til regulering af skærekniven, og lad plæneklipperen køre i 1-3 minutter.
Udkobl kontakten til regulering af skæreknivene, sluk for motoren, tag nøglen ud af tændingskontakten, og vent, til alle bevægelige dele er standset.
Luk for vandet, og tag koblingen af vaskefittingen.
Note: Hvis plæneklipperen ikke er ren efter én vask, skal du lade den stå i blød i 30 minutter. Gentag dernæst processen.
Lad plæneklipperen køre igen mellem 1-3 minutter for at fjerne overskydende vand.
En knækket eller manglende vaskefitting kan betyde, at du og andre personer udsættes for udslyngede genstande eller risikerer at komme i kontakt med skæreknivene. Kontakt med en skærekniv eller udslyngede genstande kan medføre kvæstelser eller død.
Udskift en ødelagt eller manglende vaskefitting øjeblikkeligt, før du anvender maskinen igen.
Anbring aldrig hænder og fødder under plæneklipperen eller inde i åbninger i maskinen.
Note: Rengør ikke støddæmperne med vand under tryk (Figur 82).

Motorolie, batterier, hydraulikvæske og motorkølervæske forurener miljøet. Bortskaf dem i henhold til den lokale gældende lovgivning.
Lad motoren køle af før opbevaring af maskinen.
Opbevar ikke maskinen eller brændstof i nærheden af åben ild, og tøm ikke brændstoftanken indendørs.
Udkobl kontakten til regulering af skæreknivene (kraftudtag), og aktiver parkeringsbremsen.
Sluk for motoren, tag nøglen ud, og vent, til alle bevægelige dele er standset, før du forlader betjeningspositionen.
Fjern afklippet græs og snavs fra alle maskinens ydre dele, særligt motoren og det hydrauliske system. Fjern snavs og avner fra motorens køleribber og blæserhuset.
Important: Du kan vaske maskinen med et mildt rengøringsmiddel og vand. Udsæt ikke maskinen for højtryksrensning. Undgå overdreven brug af vand, særligt i nærheden af kontrolpanelet, motoren og hydraulikpumperne.
Kontroller parkeringsbremsefunktionen. Se Betjening af parkeringsbremsen.
Udfør serviceeftersyn af luftfilteret. Se Eftersyn af luftfilteret.
Skift krumtaphusolien. Se Skift af motorolie og oliefilter.
Kontroller dæktrykket. Se Kontrol af dæktrykket.
Oplad batteriet. Se Opladning af batteriet.
Skrab enhver større ophobning af græs og snavs af plæneklipperens underside, og vask derefter plæneklipperen med en haveslange.
Note: Kør maskinen med kontakten til regulering af skæreknivene (kraftudtag) indkoblet og motoren ved høj tomgangshastighed i 2 til 5 minutter efter vask.
Kontroller skæreknivenes tilstand. Se Serviceeftersyn af skæreknivene.
Klargør maskinen til opbevaring, hvis den ikke skal bruges i mere end 30 dage. Klargør maskinen til opbevaring på følgende måde.
Tilsæt en petroleumsbaseret stabilisator til brændstoffet i tanken. Følg blandingsvejledningen fra stabilisatorfabrikanten. Anvend ikke alkoholbaseret stabilisator (ethanol eller metanol).
Note: Brændstofstabilisator er mest effektivt, når det blandes med frisk brændstof og altid anvendes.
Lad motoren køre for at fordele brændstoffet, der er tilsat stabilisator, i brændstofsystemet (5 minutter).
Sluk for motoren, lad den køle af, og dræn brændstoftanken.
Start motoren igen, og lad den køre, indtil den stopper.
Brændstof skal bortskaffes på forsvarlig vis. Genbrug olien i overensstemmelse med gældende retningslinjer.
Important: Stabilisator/brændstof tilsat stabilisator må ikke opbevares i mere end 90 dage.
Fjern gløderøret/-ene, og besigtig deres tilstand. Se Serviceeftersyn af tændrøret. Når tændrøret/-ene er afmonteret fra motoren, hældes der 30 ml (to spiseskefulde) motorolie ned i tændrørshullet. Brug den elektriske starter til at tørne motoren for at fordele olien i cylinderen. Monter tændrøret/-ene. Sæt ikke kablet på tændrøret/tændrørene.
Kontroller og stram alle bolte, møtrikker og skruer. Reparer eller udskift alle beskadigede dele.
Mal alle ridsede eller blotlagte metaloverflader. Maling kan købes hos en autoriseret serviceforhandler.
Opbevar maskinen i en ren, tør garage eller på et passende sted. Tag nøglen ud af tændingskontakten, og opbevar den utilgængeligt for børn og andre uautoriserede brugere. Tildæk maskinen for at beskytte den og holde den ren.
Oplad batteriet helt.
Lad batteriet hvile i 24 timer, og kontroller derefter batterispændingen.
Note: Hvis batterispændingen er under 12,6 V, skal du gentage trin 1 og 2.
Kobl kablerne fra batteriet.
Kontroller spændingen jævnligt for at sikre, at spændingen ligger på 12,4 V eller højere.
Note: Hvis batterispændingen er under 12,4 V, skal du gentage trin 1 og 2.
Opbevar batteriet i lodret position på et tørt, køligt sted.
Batterierne må ikke stables direkte oven på hinanden, medmindre de opbevares i papkasser.
Stabl ikke mere end 3 batterier (kun 2, hvis batteriet er af kommerciel type).
Afprøv et vådt batteri hver 4. til 6 måned, og oplad det om nødvendigt.
Batteriet skal altid afprøves og oplades, før det installeres.
| Problem | Possible Cause | Corrective Action |
|---|---|---|
| Brændstoftanken viser tegn på sammentrykning, eller maskinen viser hyppigt tegn på, at den løber tør for brændstof. |
|
|
| Motoren overopheder. |
|
|
| Starteren tørner ikke. |
|
|
| Motoren starter ikke, er svær at starte eller sætter ud. |
|
|
| Motoren mister kraft. |
|
|
| Maskinen kører ikke. |
|
|
| Maskinen vibrerer unormalt. |
|
|
| Klippehøjden er ujævn. |
|
|
| Knivene roterer ikke. |
|
|
