| Huoltoväli | Huoltotoimenpide |
|---|---|
| Aina ennen käyttöä tai päivittäin |
|
Tämä ajettava vaakatasoleikkuri on tarkoitettu kotikäyttöön asuinalueille. Se on tarkoitettu pääasiassa viheralueiden ruohonleikkuuseen.
Lue nämä tiedot huolellisesti, jotta oppisit käyttämään ja huoltamaan laitetta asianmukaisesti sekä välttämään tapaturmia ja tuotevaurioita. Olet itse vastuussa tuotteen asianmukaisesta ja turvallisesta käytöstä.
Käy osoitteessa www.Toro.com, jos tarvitset tuoteturvallisuuteen ja käyttökoulutukseen liittyviä materiaaleja, tietoja lisävarusteista tai lähimmästä jälleenmyyjästä tai haluat rekisteröidä tuotteesi.
Aina kun tarvitset huoltoa, alkuperäisiä Toro-varaosia tai lisätietoja, ota yhteys valtuutettuun huoltoliikkeeseen tai Toron asiakaspalveluun. Ota tällöin tuotteen malli- ja sarjanumerot valmiiksi esiin. Kuva 1 näyttää laitteen malli ja sarjanumeron sijainnin. Kirjoita numerot annettuun tilaan.
Important: Skannaamalla sarjanumerokilvessä (jos varusteena) olevan QR-koodin mobiililaitteella saat tuotetietoja sekä takuu- ja varaosatietoja.

Kirjoita tuotteen malli- ja sarjanumerot alla olevaan tilaan:
Tässä käyttöoppaassa käytetään kahta termiä tietojen korostamiseksi. Tärkeää kiinnittää huomiota mekaanisiin erikoistietoihin ja Huomautus korostaa erityishuomion ansaitsevia yleistietoja.
Tämä tuote on asiaankuuluvien eurooppalaisten direktiivien mukainen. Lisätietoja on erillisessä tuotekohtaisessa vaatimustenmukaisuusvakuutuksessa.
Brutto- tai nettovääntö: Moottorin valmistaja on mitannut tämän moottorin brutto- tai nettoväännön laboratoriossa SAE J1940:n tai J2723:n mukaisesti. Tämän luokan leikkurin moottorin todellinen vääntö on huomattavasti alhaisempi, koska se on säädetty turvallisuuteen, päästöihin ja käyttöön liittyvien vaatimusten mukaisesti. Tutustu koneen mukana toimitettuihin moottorin valmistajan tietoihin.
Osoitteessa www.Toro.com on lisätietoja malleista.
Important: Jos Toro-moottorilla varustettua konetta käytetään yli 1 500 m:n korkeudessa pitkäkestoisesti, korkean ilmanalan sarjan on oltava asennettuna, jotta moottori täyttää CARB/EPA-päästömääräykset. Korkean ilmanalan sarja parantaa moottorin suorituskykyä ja estää sytytystulppien likaantumisen, käynnistysvaikeudet ja päästöjen lisääntymisen. Kun sarja on asennettu, kiinnitä korkean ilmanalan kilpi koneen sarjanumerokilven viereen. Ota yhteys valtuutettuun Toro-huoltoliikkeeseen oikean korkean ilmanalan sarjan ja korkean ilmanalan kilven saamiseksi. Etsi lähin huoltoliike sivustoltamme osoitteessa www.Toro.com tai ota yhteys Toro Customer Care Department -asiakaspalveluun, jonka numero(t) on lueteltu päästöjärjestelmän takuulauselmassa (Emission Control Warranty Statement).Poista sarja moottorista ja palauta moottori alkuperäisiin tehdasmäärityksiin, kun konetta käytetään alle 1 500 m:n korkeudessa. Älä käytä korkeaa ilmanalaa varten muunnettua moottoria alhaisemmassa ilmanalassa. Muuten moottori voi ylikuumentua ja vaurioitua.Jos et ole varma, onko kone muunnettu korkeaa ilmanalaa varten, katso, onko siinä seuraava kilpi.

Tämä kone on suunniteltu standardin EN ISO 5395:2013 mukaisesti.
Tämä sekä tässä käyttöoppaassa että koneessa näkyvä varoitusmerkintä (Kuva 3) muistuttaa, että onnettomuuksien välttämiseksi on tärkeää noudattaa turvallisuusohjeita.
Tämän symbolin merkitys: HUOMIO! OLE VAROVAINEN! TURVALLISUUTESI ON VAARASSA!

Tämä varoitusmerkintä ilmestyy vaarallisista toiminnoista tai tilanteista varoittavien tietojen yläpuolelle, ja sen perässä näkyy jokin seuraavista varoittavista sanoista: HENGENVAARA, VAARA tai VAROITUS.
HENGENVAARA: Ilmaisee välittömästi vaarallisen tilanteen, joka jatkuessaan johtaa kuolemaan tai vakavaan ruumiinvammaan.
VAARA: Ilmaisee mahdollisesti vaarallisen tilanteen, joka jatkuessaan voi johtaa kuolemaan tai vakavaan ruumiinvammaan.
VAROITUS: Ilmaisee mahdollisesti vaarallisen tilannetta, joka jatkuessaan voi johtaa vähäiseen tai lievään ruumiinvammaan.
Lisäksi tässä käyttöoppaassa käytetään kahta seuraavaa termiä tietojen korostamiseksi. Tärkeää kiinnittää huomiota mekaanisiin erikoistietoihin ja Huomautus korostaa erityishuomion ansaitsevia yleistietoja.
Tämä laite voi katkaista jalan tai käden sekä singota esineitä. Toro on suunnitellut ja testannut tämän ruohonleikkurin siten, että sen käyttö olisi turvallista, mutta turvallisuusohjeiden noudattamatta jättäminen saattaa johtaa ruumiinvammaan tai kuolemaan.
Lue ja sisäistä kaikki käyttöoppaan, muiden koulutusmateriaalien, koneen, moottorin ja lisälaitteiden ohjeet ja varoitukset, ja noudata niitä kaikissa tilanteissa. Kaikille käyttäjille ja mekaanikoille on annettava asianmukainen koulutus. Jos käyttäjä tai mekaanikko ei voi lukea opasta, omistajan on selitettävä hänelle sen sisältö. Opas voi olla saatavilla verkkosivustossa muilla kielillä.
Konetta saavat käyttää vain koulutetut, vastuuntuntoiset ja fyysisesti toimintakykyiset käyttäjät, jotka tuntevat koneen turvallisen käytön ohjeet, ohjauslaitteet, turvamerkinnät ja käyttöohjeet. Älä anna lapsien tai kouluttamattomien henkilöiden käyttää tai huoltaa laitetta. Paikalliset säännökset saattavat asettaa rajoituksia käyttäjän iälle.
Älä käytä konetta pudotusten, ojien, vallien, vesiesteiden tai muiden vaarojen lähellä. Älä käytä rinteillä, joiden kaltevuus on yli 15 astetta.
Älä laita käsiä tai jalkoja koneen liikkuvien osien lähelle.
Älä koskaan käytä konetta, jonka suojukset tai suojalevyt ovat vaurioituneet. Pidä suojukset, suojalevyt, kytkimet ja muut laitteet oikeilla paikoillaan ja asianmukaisessa toimintakunnossa.
Pysäytä kone, sammuta moottori ja irrota virta-avain ennen huoltoa, polttoainesäiliön täyttämistä tai tukoksen poistamista koneesta.

![]() |
Turva- ja ohjetarrat on sijoitettu hyvin näkyville paikoille mahdollisten vaara-alueiden lähettyville. Korvaa vioittuneet tai kadonneet tarrat uusilla. |




















Tutustu kaikkiin ohjauslaitteisiin, ennen kuin käynnistät moottorin ja käytät konetta (Kuva 6 ja Kuva 7).

Polttoainemittarista näkyy, paljonko säiliössä on polttoainetta (Kuva 7).

Kaasuvivulla ohjataan moottorin kierrosnopeutta, ja siinä on portaaton säätö HIDAS-asennosta NOPEA-asentoon (Kuva 6).
Käynnistä kylmä moottori käyttämällä rikastimen vipua.
Tuntilaskuri mittaa, kuinka kauan moottori on ollut käynnissä kaiken kaikkiaan. Se toimii moottorin ollessa käynnissä. Määritä mitatun ajan avulla, milloin määräaikaishuollot tulee suorittaa (Kuva 6).
Liikkeenohjausvivuilla konetta kuljetetaan eteen- ja taaksepäin sekä käännetään (Kuva 5).
Ennen kuin poistut koneesta, siirrä liikkeenohjausvivut keskeltä ulospäin LUKITTU VAPAA -asentoon (Kuva 32). Siirrä liikkeenohjausvivut aina LUKITTU VAPAA -asentoon, kun pysäytät koneen tai jätät sen ilman valvontaa.
Seisontajarruvipu sijaitsee konsolin vasemmalla puolella (Kuva 5). Jarruvipu kytkee vetävien pyörien seisontajarrun.
Kytke seisontajarru vetämällä sen vipua ylös niin, että se lukittuu pidätinuraan.
Vapauta seisontajarru työntämällä sen vipu ulos pidätinurasta ja itseäsi kohti ja paina se sitten alas.
Leikkuupöydän nostopoljinjärjestelmän avulla käyttäjä voi laskea ja nostaa leikkuupöytää istualtaan. Leikkuupöydän voi polkimella nostaa tilapäisesti esteen välttämiseksi tai lukita ylimmän leikkuukorkeuden asentoon tai kuljetusasentoon (Kuva 5).
Smart Speed™ -ohjausjärjestelmän vipu sijaitsee kuljettajan istuimen alapuolella. Sen avulla kuljettaja voi valita jonkin kolmesta nopeusalueesta: viimeistely, hinaus tai leikkaus (Kuva 5).
12 voltin jännitteellä toimivat lisävarusteet saavat virtaa pistorasiasta (Kuva 6).
Important: Kun 12 voltin pistorasia ei ole käytössä, suojaa se vaurioilta kumitulpalla.
Moottori käynnistetään ja sammutetaan avainkytkimestä. Siinä on kolme asentoa: PYSäYTYS, KäYNNISSä ja KäYNNISTYS. Katso Moottorin käynnistys.
Teräkytkin, joka on merkitty voimanulosoton (PTO) kuvakkeella, kytkee ja vapauttaa voimansiirron leikkuuteriin (Kuva 6).
Leikkuupöydän voi lukita haluttuun leikkuukorkeuteen leikkuukorkeusvivun ja jalkapolkimen avulla. Säädä leikkuukorkeutta vain koneen ollessa paikallaan (Kuva 5).
Koneeseen on saatavana valikoima Toron hyväksymiä lisälaitteita ja -varusteita, joiden avulla voidaan parantaa ja laajentaa sen ominaisuuksia. Ota yhteys valtuutettuun huoltoliikkeeseen tai valtuutettuun Toro-jälleenmyyjään tai siirry osoitteeseen www.Toro.com, jossa on luettelo hyväksytyistä lisälaitteista ja -varusteista.
Käytä vain aitoja Toro-varaosia ja -lisävarusteita, jotta kone toimisi parhaalla mahdollisella tavalla ja sen turvasertifiointi pysyisi voimassa. Muiden valmistajien varaosat ja lisävarusteet voivat osoittautua vaarallisiksi, ja niiden käyttö voi johtaa tuotteen takuun raukeamiseen.
Note: Koneen vasen ja oikea puoli määritellään normaalista käyttöasennosta käsin.
Tutki maasto, jotta voit arvioida, mitä lisälaitteita ja -varusteita työn turvallinen suorittaminen edellyttää. Käytä vain Toron hyväksymiä lisälaitteita ja -varusteita.
Tarkasta alue, jolla laitetta on tarkoitus käyttää, ja poista kaikki kivet, lelut, kepit, johdot, luut ja muut esineet. Ne saattavat sinkoutua tai häiritä koneen toimintaa ja aiheuttaa henkilövammoja käyttäjälle tai sivullisille.
Käytä asianmukaisia henkilösuojaimia, kuten suojalaseja, kuulosuojaimia ja tukevia, liukastumisen estäviä jalkineita. Pidä pitkät hiukset kiinni sidottuina ja vältä löysiä vaatteita ja roikkuvia koruja, jotka voivat sotkeutua liikkuviin osiin.
Tämä kone tuottaa 85 dB(A):n ylittävän äänitason kuljettajan korvan korkeudella ja voi aiheuttaa kuulovamman pitkäaikaisessa käytössä.
Käytä kuulosuojaimia käyttäessäsi konetta.
Tarkista, että käyttäjän pitokytkimet, turvakytkimet ja kilvet ovat paikoillaan ja toimivat oikein. Älä käytä konetta, mikäli ne eivät toimi kunnolla.
Älä käytä konetta, jos alueella on ihmisiä, erityisesti lapsia, tai lemmikkieläimiä. Pysäytä kone ja lisälaitteet, jos alueelle tulee ihmisiä.
Älä käytä ruohonleikkuria ilman koko ruohonkeräysjärjestelmää, heittokanavan suuntainta tai muita turvalaitteita. Varmista myös, että ne toimivat asianmukaisesti. Ruohonkerääjän osat ovat kuluvia, vaurioituvia ja heikentyviä osia, mistä syystä liikkuvat osat voivat paljastua tai esineet sinkoilla. Tarkista osat säännöllisesti kulumien ja heikkouksien varalta, ja vaihda ne tarvittaessa valmistajan suosittelemiin osiin.
Täytä polttoainesäiliö tasaisella maalla. Katso lisätietoja bensiinistä Tekniset tiedot -osion polttoainesuosituksista.
Bensiiniin ei saa lisätä öljyä.
Älä täytä polttoainesäiliötä liian täyteen. Täytä säiliö täyttöaukon kaulan alaosaan asti. Säiliöön jäävä tyhjä tila sallii bensiinin laajenemisen. Täyttäminen liian täyteen voi aiheuttaa polttoainevuodon tai vaurioittaa moottoria tai päästöjärjestelmää.
Varmista, että ymmärrät ohjauslaitteiden käyttötarkoituksen ja turvallisuusvaatimukset ja tiedät niiden sijainnin.
Suorita kaikki tarpeelliset tarkastus- ja huoltovaiheet Huolto-osion ohjeiden mukaisesti.
Käsittele polttoainetta erittäin varovasti.
Tietyissä oloissa bensiini on hyvin tulenarkaa ja bensiinihöyry räjähdysherkkää.
Bensiinin aiheuttamasta tulipalosta tai räjähdyksestä voi tulla palovammoja ja omaisuusvahinkoja.
Täytä polttoainesäiliö ulkona avoimessa tilassa tasaisella alustalla, kun moottori on jäähtynyt. Läikkynyt bensiini tulee pyyhkiä pois.
Älä koskaan täytä tai tyhjennä polttoainesäiliötä rakennuksen tai katetun perävaunun sisällä.
Polttoainesäiliötä ei saa täyttää aivan täyteen. Täytä säiliö täyttöaukon kaulan alaosaan asti. Säiliöön jäävä tyhjä tila sallii bensiinin laajenemisen. Täyttäminen liian täyteen voi aiheuttaa polttoainevuodon tai vaurioittaa moottoria tai päästöjärjestelmää.
Älä tupakoi bensiiniä käsitellessäsi ja pysy kaukana avotulesta tai paikoista, joissa kipinä voi sytyttää bensiinihuurut.
Bensiiniä tulee säilyttää sille hyväksytyssä säiliössä, joka tulee pitää poissa lasten ulottuvilta.
Lisää polttoaine ennen moottorin käynnistämistä. Älä koskaan irrota polttoainesäiliön korkkia tai lisää polttoainetta moottorin ollessa käynnissä tai lämmin.
Jos polttoainetta läikkyy, älä käynnistä moottoria. Siirry pois vuotoalueelta ja vältä luomasta minkäänlaisia kipinälähteitä, kunnes kaikki pakokaasuhöyryt ovat haihtuneet.
Käytä vain, kun pakokaasujärjestelmä on kokonaisuudessaan paikallaan ja toimii oikein.
Polttoainesäiliön täytön aikana saattaa tietyissä olosuhteissa purkautua kipinöivää staattista sähköä, joka voi sytyttää bensiinihöyryt. Bensiinin aiheuttamasta tulipalosta tai räjähdyksestä voi olla seurauksena palovammoja ja omaisuusvahinkoja.
Bensiiniastiat tulee aina asettaa maahan pois ajoneuvosta ennen tankkaamista.
Bensiiniastioita ei saa täyttää ajoneuvon sisällä tai lava-auton tai perävaunun lavalla, sillä sisämatot tai muoviset lavan päällysteet saattavat eristää astian ja hidastaa staattisen sähkön purkautumista.
Poista polttoainekäyttöiset laitteet kuorma-autosta tai perävaunusta ja tankkaa laite, kun sen pyörillä on kosketus maahan, mikäli tämä on käytännössä mahdollista.
Jos se ei ole mahdollista, tankkaa tällainen laite kannettavasta astiasta kuorma-auton tai perävaunun lavalla mieluummin kuin bensiinin jakelupistoolilla.
Jos jakelupistoolia on käytettävä, pidä pistoolia polttoainesäiliön reunaa tai astian aukkoa vasten koko tankkaamisen ajan. Älä käytä polttoainepistoolin aukilukituskytkintä.
Bensiini on haitallista tai tappavaa nieltynä. Pitkäaikainen pakokaasuhöyryille altistuminen on aiheuttanut syöpää laboratorioeläimille. Varoitusten huomiotta jättäminen saattaa johtaa ruumiinvammaan tai sairastumiseen.
Vältä höyryjen hengittämistä.
Pidä kasvot etäällä jakelupistoolista ja polttoainesäiliön aukosta.
Älä päästä polttoainetta silmiin tai iholle.
Älä koskaan ime polttoainetta suulla.
Tulipalojen ehkäisy:
Pidä moottori ja moottoritila puhtaana, sillä sinne saattaa kertyä ylimääräistä rasvaa ja öljyä sekä ruohoa, lehtiä ja muita roskia.
Puhdista öljy- ja polttoaineroiskeet ja poista roskat, joihin polttoaine on imeytynyt.
Anna moottorin jäähtyä ennen koneen varastointia suljettuun tilaan. Älä säilytä lähellä avotulta tai missään suljetussa tilassa, jossa on avoimia sytytysliekkejä tai lämmityslaitteita.
Moottori toimii parhaiten, kun käytetään vain puhdasta ja uutta (korkeintaan 30 päivää vanhaa) lyijytöntä bensiiniä, jonka tieoktaaniluku (pumppuoktaaniluku) on vähintään 87 (RON + MON / 2).
Etanoli: Enintään 10 % etanolia (bensiinin ja etanolin seosta) tai 15 % MTBE:tä (metyyli-tertiääri-butyylieetteriä) sisältävää polttoainetta voidaan käyttää. Etanoli ja MTBE eivät ole sama asia. Bensiiniä, jonka tilavuudesta enemmän kuin 15 % (E15) on etanolia, ei ole hyväksytty käyttöön. Älä käytä bensiiniä, jonka tilavuudesta enemmän kuin 10 % on etanolia (kuten 15 % etanolia sisältävä E15, 20 % etanolia sisältävä E20 tai enintään 85 % etanolia sisältävä E85). Muun kuin hyväksytyn bensiinin käyttö voi aiheuttaa toimintaongelmia ja/tai moottorivaurioita, joita takuu ei ehkä kata.
Metanolia sisältävää bensiiniä ei saa käyttää.
Älä säilytä polttoainetta talven yli polttoainesäiliössä tai -astioissa, ellei polttoaineeseen ole lisätty stabilointiainetta.
Bensiiniin ei saa lisätä öljyä.
Käytä koneessa aina polttoaineen stabilointi-/lisäainetta, jotta polttoaine säilyy pidempään, kun sitä käytetään stabilointiaineen valmistajan ohjeiden mukaisesti.
Important: Älä käytä metanolia tai etanolia sisältäviä lisäaineita.
Lisää uuteen polttoaineeseen stabilointi-/lisäainetta stabilointiaineen valmistajan ohjeiden mukaisella annostuksella.
Pysäköi kone tasaiselle alustalle.
Kytke seisontajarru.
Sammuta moottori ja irrota virta-avain.
Puhdista polttoainesäiliön korkin ympäristö.
Täytä polttoainesäiliö polttoainemittarin enimmäismerkkiin asti (Kuva 8).
Note: Polttoainesäiliötä ei saa täyttää aivan täyteen. Säiliöön jäävä tyhjä tila sallii polttoaineen laajentumisen.

Suorita kohdan osassa ”Ennen jokaista käyttökertaa tai päivittäin” mainitut toimet ennen koneen käynnistystä päivittäin.
Uusissa moottoreissa täyden voiman saavuttaminen kestää jonkin aikaa. Uuden ruohonleikkurin leikkuupöydissä ja vetojärjestelmissä on enemmän moottoria kuormittavaa kitkaa. Sisäänajo kestää 40–50 tuntia, kunnes uudet koneet saavuttavat täyden voiman ja parhaan suorituskyvyn.
Jos turvakytkimet ovat irronneet tai vaurioituneet, kone saattaa toimia odottamattomalla tavalla ja aiheuttaa henkilövahinkoja.
Älä kajoa turvakytkimiin.
Tarkista turvakytkimien toimivuus päivittäin ja vaihda mahdolliset vaurioituneet kytkimet ennen koneen käyttämistä.
Turvajärjestelmä huolehtii siitä, että moottori käynnistyy vain, kun:
teräkytkin (voimanulosotto) on vapautettu
Liikkeenohjausvivut ovat LUKITTU VAPAA -asennossa.
Seisontajarru on kytkettynä.
Lisäksi turvajärjestelmä sammuttaa moottorin, jos liikkeenohjausvivut eivät ole LUKITTU VAPAA -asennossa ja kuljettaja nousee istuimelta.
| Huoltoväli | Huoltotoimenpide |
|---|---|
| Aina ennen käyttöä tai päivittäin |
|
Tarkista turvajärjestelmän toimivuus aina ennen koneen käyttöä. Jos turvajärjestelmä ei toimi alla kuvatulla tavalla, se on välittömästi korjautettava valtuutetussa huoltoliikkeessä.
Istu istuimella, kytke seisontajarru ja kytke teräkytkin (voimanulosotto) PääLLä-asentoon. Yritä käynnistää moottori. Moottori ei saa käynnistyä.
Istu istuimella, kytke seisontajarru ja kytke teräkytkin (voimanulosotto) POIS-asentoon. Siirrä jompaakumpaa liikkeenohjausvipua (pois LUKITTU VAPAA -asennosta). Yritä käynnistää moottori. Moottori ei saa käynnistyä. Toista toisella ohjausvivulla.
Istu istuimella, kytke seisontajarru ja siirrä teräkytkin (voimanulosotto) POIS-asentoon ja liikkeenohjausvivut LUKITTU VAPAA -asentoon. Käynnistä moottori. Kun moottori on käynnissä, vapauta seisontajarru, kytke teräkytkin (voimanulosotto) ja nouse hieman istuimelta. Moottorin pitäisi sammua.
Istu istuimella, kytke seisontajarru ja siirrä teräkytkin (voimanulosotto) POIS-asentoon ja liikkeenohjausvivut LUKITTU VAPAA -asentoon. Käynnistä moottori. Kun moottori käy, aseta jompikumpi liikkeenohjausvipu keskelle ja liikuta sitä eteenpäin tai taaksepäin. Moottorin pitäisi sammua. Toista toisella liikkeenohjausvivulla.
Istu istuimella, vapauta seisontajarru ja siirrä teräkytkin (voimanulosotto) POIS-asentoon ja liikkeenohjausvivut LUKITTU VAPAA -asentoon. Yritä käynnistää moottori. Moottori ei saa käynnistyä.
Istuin siirtyy eteen- ja taaksepäin. Säädä istuin siten, että pystyt ohjaamaan konetta parhaiten ja asentosi on mahdollisimman mukava (Kuva 9).

MyRide™-jousitusjärjestelmää voidaan säätää siten, että ajo on tasaista ja mukavaa. Jousitusjärjestelmää voi säätää nopeasti ja helposti säätämällä kahta takaiskunvaimenninkokoonpanoa. Aseta jousitusjärjestelmä kohtaan, jossa ajoasento on mahdollisimman mukava.
Takaiskunvaimenninkokoonpanojen urissa on pidätinkohdat viitteeksi. Takaiskunvaimenninkokoonpanot voidaan sijoittaa urassa mihin tahansa kohtaan, ei ainoastaan pidätinkohtiin.
Seuraavassa kuvassa näkyy pehmeän ja kovan jousituksen asennot sekä eri pidätinkohdat (Kuva 10).

Note: Varmista, että vasen ja oikea takaiskunvaimenninkokoonpano säädetään aina samaan asentoon.
Säädä takaiskunvaimenninkokoonpanot (Kuva 11).


Liikkeenohjausvipuja voidaan säätää korkeammalle tai matalammalle omien tarpeiden mukaan (Kuva 12).

Liikkeenohjausvipuja voidaan säätää eteen- tai taaksepäin omien tarpeiden mukaan.
Löysää ylempää pulttia, joka kiinnittää ohjausvivun ohjausvarren akseliin.
Löysää alempaa pulttia juuri sen verran, että ohjausvipu kääntyy pitkittäissuunnassa (Kuva 12).
Kiinnitä ohjausvipu uuteen asentoon kiristämällä molemmat pultit.
Säädä toinen ohjausvipu samalla tavalla.
Tämän koneen mukana toimitettu leikkuupöytä ja leikkuuterät on suunniteltu optimaaliseen leikkuujätteen levitykseen ja sivulle poistoon.
Asenna kiinnitystarvikkeet samoihin leikkuupöydän reikiin, joista ne alun perin irrotettiin. Tällä varmistetaan, että reikiä ei jää avoimiksi leikkuupöydän käytön aikana.
Koneessa olevien avoimien reikien kautta lentää roskia, mikä voi johtaa vakavaan loukkaantumiseen.
Älä koskaan käytä konetta ilman, että koneen kotelon kaikkiin reikiin on asennettu suojukset.
Asenna suojukset asennusaukkoihin, kun irrotat levittimen.
Pysäköi kone tasaiselle alustalle, vapauta teräkytkin ja kytke seisontajarru.
Sammuta moottori, irrota avain ja odota, että kaikki liikkuvat osat ovat pysähtyneet, ennen kuin poistut käyttäjän paikalta.
Irrota leikkuupöytä. Katso kohta Leikkuupöydän irrotus.
Irrota kaksi lukkomutteria (5/16 tuumaa), jotka on kiinnitetty vasemman levittimen hitsattuihin tappeihin leikkuupöydän yläosassa keskellä ja keskiosasta vasemmalla (Kuva 13).

Irrota leikkuupöydän sivuseinämästä lukkopultti ja lukkomutteri, joilla vasen levitin on kiinnitetty leikkuupöytään.
Irrota vasen levitin leikkuupöydästä kuvan mukaan (Kuva 13).
Irrota kaksi lukkopulttia (5/16 × ¾ tuumaa) ja kaksi lukkomutteria (5/16 tuumaa), joilla koottu oikea levitin ja levittimen suojus on kiinnitetty leikkuupöytään (Kuva 14).

Irrota kaksi lukkomutteria (5/16 tuumaa), jotka on kiinnitetty oikean levittimen hitsattuihin tappeihin leikkuupöydän yläosassa keskellä ja keskiosasta oikealla (Kuva 15).
Note: Irrota oikeanpuoleinen levitin leikkuupöydästä.

Paikanna ohjauslevy irto-osien pussissa ja irrota kiinnitystarvikkeet heittolevyn takarei’istä (Kuva 16).

Asenna levitin leikkuupöydän sivuheittoaukkoon.
Kiinnitä ohjauslevy leikkuupöytään irrotetuilla kiinnitystarvikkeilla.
Asenna leikkuupöytä. Katso kohta Leikkuupöydän asennus.
Pysäköi kone tasaiselle alustalle, vapauta teräkytkin ja kytke seisontajarru.
Sammuta moottori, irrota avain ja odota, että kaikki liikkuvat osat ovat pysähtyneet, ennen kuin poistut käyttäjän paikalta.
Irrota leikkuupöytä. Katso kohta Leikkuupöydän irrotus.
Irrota kolme lukkomutteria (5/16 tuumaa), jotka on kiinnitetty vasemmanpuoleisen levittimen hitsattuihin tappeihin leikkuupöydän yläosassa keskellä, keskiosasta vasemmalla ja vasemmalla (Kuva 17).

Irrota leikkuupöydän sivuseinämästä lukkopultti ja lukkomutteri, joilla vasen levitin on kiinnitetty leikkuupöytään (Kuva 17).
Irrota vasen levitin leikkuupöydästä (Kuva 17).
Paikanna kaksi pulttia irto-osissa, käytä olemassa olevia lukkomuttereita ja asenna nämä kiinnitystarvikkeet kuvan (Kuva 17) reikiin leikkuupöydässä, jotta niistä ei lennä roskia.
Note: Asenna pultti ylös leikkuupöydän alapuolen läpi ja kiinnitä se yläpuolelta vanhalla lukkomutterilla.
Irrota leikkuupöydän takaseinämästä lukkopultti (5/16 × ¾ tuumaa) ja lukkomutteri (5/16 tuumaa), joilla levitin on kiinnitetty leikkuupöytään (Kuva 18).

Paikanna sivuheittoaukon etureunan levittimen suojus (Kuva 18).
Irrota kiinnitystarvikkeet, joilla levittimen suojus ja oikea levitin on kiinnitetty leikkuupöytään (Kuva 18).
Note: Irrota levittimen suojus ja pidä kaikki kiinnitystarvikkeet tallessa.
Irrota kaksi lukkomutteria (5/16 tuumaa), jotka on kiinnitetty oikeanpuoleisen levittimen hitsattuihin tappeihin leikkuupöydän yläosassa keskellä ja keskiosasta oikealla (Kuva 19).

Irrota lukkopultti ja lukkomutteri, joilla oikea levitin on kiinnitetty leikkuupöydän yläosaan, ja irrota oikea levitin leikkuupöydästä (Kuva 19).
Asenna aikaisemmin irrotetut kiinnitystarvikkeet poistolevyn etuosan reikiin ja leikkuupöydän etureikään (Kuva 18).
Paikanna ohjauslevy irto-osien pussissa, irrota kiinnitystarvikkeet heittolevyn takarei’istä ja asenna ohjauslevy sivuheittoaukkoon leikkuupöydässä (Kuva 20).

Kiinnitä ohjauslevy leikkuupöytään irrotetuilla kiinnitystarvikkeilla.
Asenna leikkuupöytä. Katso kohta Leikkuupöydän asennus.
Koneen käyttö vaatii käyttäjän täyden huomion. Älä tee mitään keskittymiskykyyn vaikuttavaa muuta toimintoa, sillä siitä saattaa seurata henkilö- tai omaisuusvahinko.
Moottorin osat, erityisesti äänenvaimennin, kuumentuvat käytön aikana erittäin paljon. Niiden koskettaminen voi aiheuttaa vakavia palovammoja ja lehtien, ruohon ja harjasten kaltaiset roskat voivat syttyä palamaan.
Moottorien ja erityisesti äänenvaimentimien on annettava jäähtyä ennen kuin niihin kosketaan.
Poista kaikki kertyneet roskat äänenvaimentimen ja moottorin läheltä.
Moottorin pakokaasu sisältää hiilimonoksidia, joka on hajuton ja hengenvaarallisen myrkyllinen kaasu ja voi aiheuttaa kuoleman.
Älä käytä moottoria sisätiloissa tai muussa ahtaassa, suljetussa tilassa, jonne vaaralliset hiilimonoksidikaasut voivat kertyä.
Omistaja/käyttäjä voi estää itselleen tai muille henkilöille tai omaisuudelle aiheutuneet vahingot ja on siksi vastuussa niistä.
Ruohonleikkuri on tarkoitettu vain yhden käyttäjän käytettäväksi. Älä kuljeta mukana matkustajia ja pidä muut loitolla koneen käytön aikana.
Älä käytä konetta sairaana, väsyneenä tai alkoholin tai huumaavien aineiden vaikutuksen alaisena.
Käytä konetta vain päivänvalossa tai hyvässä keinovalaistuksessa.
Salamanisku voi aiheuttaa vakavan loukkaantumisen tai hengenvaaran. Jos alueella on ukonilma, konetta ei saa käyttää. Tällöin on hakeuduttava suojaan.
Ole erityisen varovainen käytettäessä lisävarusteita tai -laitteita, kuten ruohonkeräysjärjestelmiä. Ne voivat vaikuttaa koneen vakauteen ja aiheuttaa hallinnan menetyksen. Käytä tarvittaessa vastapainoja ohjeiden mukaisesti.
Vältä kuoppia, uria, töyssyjä, kiviä ja muita piileviä vaaroja. Ole varovainen lähestyessäsi näkyvyyden estävää kulmaa, pensaita, puita, pitkää ruohoa tai muita esteitä, jotka huonontavat näkyvyyttä tai voivat estää vaaran näkemisen. Maaston epätasaisuudet voivat kaataa koneen tai saada käyttäjän lipeämään tai menettämään tasapainonsa.
Varmista ennen moottorin käynnistämistä, että kaikki käytöt ovat vapaalla ja seisontajarru kytkettynä.
Käynnistä moottori huolellisesti ohjeiden mukaan jalat erillään teristä.
Älä koskaan käytä ruohonleikkuria, jonka suojukset tai suojalevyt ovat vaurioituneet. Pidä suojukset, suojalevyt, kytkimet ja muut laitteet oikeilla paikoillaan ja asianmukaisessa toimintakunnossa.
Pysy aina etäällä heittoaukosta. Älä koskaan leikkaa ruohoa, kun heittoluukku on raollaan, irti tai muuten epätavallisessa asennossa, ellei ruohonleikkuriin ole asennettu toimivaa ruohonkeräysjärjestelmää tai levityssarjaa.
Pidä kädet ja jalat poissa liikkuvista osista. Älä tee säätöjä moottorin ollessa käynnissä, jos mahdollista.
Kädet, jalat, hiukset, vaatteet tai asusteet saattavat sotkeutua pyöriviin osiin. Pyörivien osien koskettaminen voi aiheuttaa traumaattisen amputoinnin tai vakavia avohaavoja.
Älä käytä konetta ilman asianmukaisesti asennettuja ja toimivia suojuksia, suojalevyjä ja turvalaitteita.
Pidä kädet, jalat, hiukset, korut ja vaatteet pyörivien osien ulottumattomissa.
Älä nosta leikkuupöytää terien pyöriessä.
Ota huomioon ruohonleikkurin heittosuunta ja suuntaa leikkuujäte muista poispäin. Vältä leikkuujätteen linkoamista seinää tai muuta estettä kohti, sillä se voi kimmota takaisin käyttäjää kohti. Pysäytä terä, hidasta ja ole varovainen, kun ylität muun kuin ruohopinnan ja kun kuljetat leikkuria leikattavalle ruohikolle ja sieltä pois.
Ole tarkkaavainen, hidasta ja ole varovainen kääntyessäsi. Katso taaksesi ja sivuillesi ennen kuin muutat suuntaa. Älä leikkaa ruohoa peruuttaen, ellei se ole ehdottoman välttämätöntä.
Älä muuta moottorin kierrosnopeuden säätimen asetuksia tai käytä moottoria ylikierroksilla.
Pysäköi kone tasaiselle alustalle. Sammuta moottori, anna kaikkien liikkuvien osien pysähtyä ja irrota sitten sytytystulppien johdot.
Ennen leikkurin tarkistamista, puhdistamista tai huoltamista.
Jos kone osuu vieraaseen esineeseen tai tärisee epätavallisesti (tarkasta ruohonleikkuri ja korjaa mahdolliset vauriot ennen koneen käynnistystä ja käyttöä).
Ennen tukkeuman poistamista.
Aina kun poistut ruohonleikkurin luota. Älä jätä käynnissä olevaa konetta ilman valvontaa.
Sammuta moottori ja odota, että kaikki liikkuvat osat pysähtyvät:
Ennen polttoainesäiliön täyttämistä.
Ennen ruohonkerääjän irrottamista.
Ennen korkeuden säätöä.
Jos käyttäjä ei ole varovainen lasten läheisyydessä, seurauksena voi olla vakava onnettomuus. Lapset ovat usein kiinnostuneita koneesta ja ruohon leikkaamisesta. Älä koskaan oleta, että lapset pysyvät siellä, missä näit heidät viimeksi.
Pidä lapset poissa leikkuualueelta ja jätä heidät toisen aikuisen vastuuhenkilön huostaan.
Ole tarkkaavainen ja pysäytä kone, jos lapsia tulee alueelle.
Katso taakse, alas ja sivuille ja varmista, ettei lähellä ole pikkulapsia, ennen kuin liikut taaksepäin tai muutat suuntaa ja liikkumisen aikana.
Älä anna lasten käyttää konetta.
Älä ota lapsia kyytiin, vaikka terät olisivat poissa käytöstä. Lapset saattavat pudota koneesta ja loukkaantua vakavasti tai häiritä koneen turvallista käyttöä. Aiemmin koneen kyydissä olleet lapset saattavat yhtäkkiä tulla työskentelyalueelle, jotta pääsisivät taas kyytiin. Tällöin he saattavat jäädä liikkuvan tai peruuttavan koneen alle.
Rinteissä on huomattava koneen hallinnan menettämisen ja kaatumisen vaara. Tällaiset onnettomuudet voivat aiheuttaa vakavan tapaturman tai kuoleman. Käyttäjä on vastuussa turvallisesta käytöstä rinteissä. Koneen käyttö rinteissä edellyttää erityistä huolellisuutta. Toimi seuraavasti ennen koneen käyttöä rinteessä:
Lue ja sisäistä käyttöoppaassa ja koneessa olevat rinnekäytön ohjeet.
Määritä alueen likimääräinen rinnekulma kulman osoittimella.
Älä koskaan käytä rinteillä, joiden kaltevuus on yli 15 astetta.
Arvioi leikkuupaikan olosuhteet ja määritä niiden perusteella, onko rinne turvallinen koneen käyttöön. Tee arviointi huolellisesti ja harkiten. Maaston muutokset, kuten kosteus, saattavat vaikuttaa nopeasti koneen toimintaan rinteessä.
Tunnista vaarat rinteen juurella. Älä käytä konetta pudotusten, ojien, vallien, vesiesteiden tai muiden vaarojen lähellä. Kone voi kaatua yllättäen, jos pyörä menee reunan yli tai jos reuna sortuu. Pidä kone turvallisen etäisyyden (kahden koneen leveyden) päässä vaara-alueista. Leikkaa tällaisten alueiden ruoho työnnettävällä koneella tai käsikäyttöisellä trimmerillä.

Vältä koneen käynnistämistä, pysäyttämistä tai kääntämistä rinteissä. Vältä nopeuden tai suunnan äkillistä muuttamista. Käänny hitaasti ja vähän kerrallaan.
Älä käytä konetta olosuhteissa, joissa pito, ohjaus tai vakaus ovat kyseenalaisia. Huomaa, että koneen käyttö märässä ruohossa, poikittain rinteissä tai alamäessä saattaa johtaa koneen pidon menettämiseen. Pidon menetys vetopyörissä saattaa aiheuttaa luisumisen ja jarrujen ja ohjauksen hallinnan menetyksen. Kone voi luisua, vaikka vetopyörät on pysäytetty.
Poista tai merkitse esteet, kuten ojat, kuopat, urat, töyssyt, kivet tai muut piilevät vaarat. Korkea ruoho voi peittää esteet. Maaston epätasaisuudet voivat kaataa koneen.
Ole erityisen varovainen käytettäessä lisävarusteita tai -laitteita, kuten ruohonkeräysjärjestelmiä. Ne voivat vaikuttaa koneen vakauteen ja aiheuttaa hallinnan menetyksen. Käytä vastapainoja ohjeiden mukaisesti.
Jos mahdollista, pidä leikkuupöytä laskettuna alas rinteissä käytön aikana. Leikkuupöydän nostaminen rinteissä käytön aikana voi heikentää koneen vakautta.
Käytä leikkuupöytää askelmana siirtyessäsi käyttäjän paikalle (Kuva 22).

Kytke seisontajarru aina, kun pysäytät koneen tai jätät sen ilman valvontaa.
Pysäköi kone tasaiselle alustalle.

Vapauta seisontajarru työntämällä sen vipu ulos pidätinurasta ja itseäsi kohti ja paina se sitten alas (Kuva 24).


Kaasuvipua voidaan siirtää NOPEA- ja HIDAS-asentojen välillä (Kuva 28).
Käytä aina NOPEA-asentoa, kun kytket voimanulosoton.

Käynnistä kylmä moottori rikastimella.
Käännä avain KäYNNISTYS-asentoon (Kuva 30).
Note: Kun moottori käynnistyy, vapauta avain.
Important: Älä käytä käynnistintä kerralla yli viiden sekunnin ajan. Jos moottori ei käynnisty, odota 10 sekuntia yritysten välillä. Näiden ohjeiden laiminlyönti saattaa rikkoa käynnistimen.
Note: Moottorin käynnistys saattaa edellyttää useita yrityksiä, kun se käynnistetään ensimmäistä kertaa polttoainejärjestelmän oltua täysin ilman polttoainetta.

Sammuta moottori kääntämällä avain PYSäYTYS-asentoon.
Note: Lämmin tai kuuma moottori ei välttämättä tarvitse rikastusta.
Important: Älä käytä käynnistintä kerralla yli 5 sekunnin ajan. Käynnistysmoottorin käyttö yli 5 sekunnin ajan voi vaurioittaa käynnistysmoottoria. Jos moottori ei käynnisty, odota 10 sekunnin ajan ennen käynnistysmoottorin käyttöä uudelleen.

Vapauta terät siirtämällä teräkytkin POIS-asentoon (Kuva 27).
Kytke seisontajarru. Katso kohta Seisontajarrun kytkentä.
Siirrä kaasuvipu NOPEA-asentoon.
Käännä avain PYSäYTYS-asentoon ja irrota avain.
Lapset ja sivulliset voivat loukkaantua, jos he siirtävät tai yrittävät käyttää konetta sen ollessa ilman valvontaa.
Irrota aina avain ja kytke seisontajarru, kun jätät koneen ilman valvontaa.

Vetopyörät pyörivät itsenäisesti akselien hydraulimoottorien voimasta. Toinen puoli voi pyöriä taaksepäin toisen puolen pyöriessä eteenpäin, jolloin kone pyörii paikallaan kääntymisen sijaan. Tämä parantaa huomattavasti koneen ohjattavuutta, mutta saattaa vaatia jonkin verran totuttelua.
Kaasuvivulla säädetään moottorin pyörintänopeutta (1/min). Aseta kaasuvipu NOPEA-asentoon, jolloin suorituskyky on parhaimmillaan. Leikkaa aina täydellä kaasulla.
Kone voi pyöriä paikallaan hyvin nopeasti. Käyttäjä voi menettää koneen hallinnan, mikä voi johtaa henkilö- tai omaisuusvahinkoihin.
Ole varovainen kääntyessäsi.
Hidasta konetta ennen jyrkkiä käännöksiä.
Note: Moottori sammuu, jos liikkeenohjausvipua siirretään seisontajarrun ollessa kytkettynä.
Pysäytä kone siirtämällä liikkeenohjausvivut VAPAA-asentoon.
Vapauta seisontajarru. Katso kohta Seisontajarrun vapautus.
Siirrä liikkeenohjausvivut keskelle, lukitsemattomaan asentoon.
Kun haluat ajaa eteenpäin, työnnä liikkeenohjausvipuja hitaasti eteenpäin (Kuva 33).

Siirrä liikkeenohjausvivut keskelle, lukitsemattomaan asentoon.
Kun haluat ajaa taaksepäin, vedä liikkeenohjausvipuja hitaasti taaksepäin (Kuva 34).

Smart SpeedTM -ohjausjärjestelmän vipu sijaitsee kuljettajan istuimen oikealla puolella (Kuva 35). Sen avulla kuljettaja voi valita jonkin kolmesta ajonopeusalueesta: viimeistely, hinaus tai leikkaus.

Nopeutta vaihdetaan seuraavasti:
Siirrä liikkeenohjausvivut Vapaa-asentoon ja ulospäin LUKITTU VAPAA -asentoon.
Vapauta teräkytkin.
Säädä vipu haluamaasi asentoon.
Seuraavat ovat vain suosituksia. Säädöt vaihtelevat ruohotyypin, ruohon sisältämän kosteuden sekä ruohon korkeuden mukaan.
| Suositeltu käyttö: | Reunus | Hinaus | Leikkuu |
| Pysäköinti | X | ||
| Märkä, painava ruoho | X | ||
| Koulutus | X | ||
| Ruohon keräys | X | ||
| Levitys | X | ||
| Tavallinen leikkuu | X | ||
| Laitteen siirtäminen | X |
Reunus
Tämä on pienin nopeus. Tätä nopeutta suositellaan seuraaviin:
Pysäköinti
Märän, painavan ruohon leikkuu
Koulutus
Hinaus
Tämä on keskinopeus. Tätä nopeutta suositellaan seuraaviin:
Ruohon keräys
Levitys
Leikkuu
Tämä on suurin nopeus. Tätä nopeutta suositellaan seuraaviin:
Tavallinen leikkuu
Laitteen siirtäminen
Smart SpeedTM -ohjausjärjestelmän vipu sijaitsee kuljettajan istuimen alapuolella (Kuva 36). Sen avulla kuljettaja voi valita jonkin kolmesta ajonopeusalueesta: viimeistely, hinaus tai leikkaus.

Nopeutta vaihdetaan seuraavasti:
Siirrä liikkeenohjausvivut Vapaa-asentoon ja ulospäin PYSäKöINTI-asentoon.
Vapauta teräkytkin.
Säädä vipu haluamaasi asentoon.
Seuraavat ovat vain suosituksia. Säädöt vaihtelevat ruohotyypin, ruohon sisältämän kosteuden sekä ruohon korkeuden mukaan.
| Suositeltu käyttö: | Reunus | Hinaus | Leikkuu |
| Pysäköinti | X | ||
| Märkä, painava ruoho | X | ||
| Koulutus | X | ||
| Ruohon trimmaus | X | ||
| Ruohon keräys | X | ||
| Levitys | X | ||
| Hinausliitännät | X | ||
| Tavallinen leikkuu | X | ||
| Laitteen siirtäminen | X |
Reunus
Tämä on pienin nopeus. Tätä nopeutta suositellaan seuraaviin:
Pysäköinti
Märän, painavan ruohon leikkuu
Koulutus
Ruohon trimmaus
Hinaus
Tämä on keskinopeus. Tätä nopeutta suositellaan seuraaviin:
Ruohon keräys
Levitys
Hinausliitännät
Leikkuu
Tämä on suurin nopeus. Tätä nopeutta suositellaan seuraaviin:
Tavallinen leikkuu
Laitteen siirtäminen
Leikkurissa on kääntyvä suuntain, joka levittää leikkuujätteen sivulle ja alas nurmeen päin.
Ellei suuntainta, poistolevyä tai ruohonkerääjää ole asennettu, liikkuvat terät ja ilmaan sinkoutuvat roskat saattavat vahingoittaa käyttäjää tai sivullisia. Teräkosketus tai ulossinkoutuva jäte voi aiheuttaa loukkaantumisen tai kuoleman.
Älä koskaan irrota suuntainta leikkuupöydästä, sillä se ohjaa materiaalin nurmea kohti. Jos suuntain vaurioituu, vaihda se heti.
Älä koskaan pane käsiä tai jalkoja leikkurin leikkuupöydän alle.
Kytke voimanulosotto (teräkytkin, voimanulosotto) POIS-asentoon, käännä avain PYSäYTYS-asentoon ja irrota avain aina ennen poistoalueen tai leikkuuterien puhdistusta.
Varmista, että suuntain on ala-asennossa.
Laitteessa on leikkuupöydän nostopoljinjärjestelmä. Leikkuupöydän voi polkimella nostaa tilapäisesti esteen välttämiseksi tai lukita ylimmän leikkuukorkeuden asentoon tai kuljetusasentoon. Leikkuupöydän voi lukita haluttuun leikkuukorkeuteen leikkuukorkeusvivun ja jalkapolkimen avulla.
Leikkuukorkeudeksi voidaan säätää 38–114 mm (6 mm:n välein) siirtämällä leikkuukorkeustappia eri reikiin.
Paina leikkuupöydän nostopoljinta jalalla ja nosta leikkuupöytä kuljetuslukon asentoon (myös 114 mm:n leikkuukorkeusasento) kuvan mukaisesti (Kuva 38).
Kun haluat säätää korkeutta, irrota tappi leikkuukorkeuden kannattimesta (Kuva 38).
Valitse leikkuukorkeuden säätöjärjestelmästä haluttua leikkuukorkeutta vastaava reikä ja työnnä tappi reikään (Kuva 38).
Vapauta kuljetuslukko painamalla leikkuupöydän nostopoljinta jalalla ja vetämällä kahvaa taakse (Kuva 37).
Laske leikkuupöytää hitaasti, kunnes vipu koskettaa tappia.

Kun säädät leikkuukorkeutta, säädä samalla nurmisuojarullien korkeus.
Note: Säädä nurmisuojarullia siten, että ne eivät kosketa maata normaaleilla tasaisilla leikkuualueilla.
Pysäköi kone tasaiselle alustalle, vapauta teräkytkin ja kytke seisontajarru. Katso kohta Seisontajarrun kytkentä.
Sammuta moottori, irrota avain ja odota, että kaikki liikkuvat osat ovat pysähtyneet, ennen kuin poistut käyttäjän paikalta.
Säädä nurmisuojarullat kuvan mukaisesti (Kuva 39).

Käytä ainoastaan Toron hyväksymiä lisälaitteita ja -varusteita.
Jos moottorinsuojukseen kiinnitetään sanko, se on kiinnitettävä hihnalla.
Important: Sangon paino vaikuttaa koneen vakauteen. Jos moottorinsuojukseen kiinnitetyn sangon sisältö painaa oheisessa taulukossa mainittua painoa enemmän, koneeseen on asennettava sangon tukisarja.
Ota yhteys valtuutettuun huoltoliikkeeseen.
| Malli | Sangon enimmäispaino ilman sangon tukisarjaa |
| 122 cm:n leikkuupöytä | 1,1 kg |
| 137 cm:n leikkuupöytä | 1,1 kg |
| 152 cm:n leikkuupöytä | 4,5 kg |
Leikkuujälki ja ilmanvaihto ovat parhaimmillaan, kun moottoria käytetään NOPEA-asetuksella. Ilmaa tarvitaan, jotta ruoho saataisiin leikattua huolellisesti. Älä siis säädä leikkuukorkeutta niin alas, että leikkaamaton ruoho ympäröi leikkuupöydän kokonaan. Huolehdi, että leikkuupöydän toinen sivu on leikatun nurmen päällä, jolloin leikkuupöytään pääsee ilmaa.
Varmista, ettei leikkuupöytä leikkaa nurmen mahdollisia epätasaisia kohtia paljaaksi, leikkaamalla ruoho hieman tavallista pidemmäksi. Aikaisemmin käytetty leikkuukorkeus on kuitenkin yleensä sopivin. Kun leikattava ruoho on yli 15 cm:n pituista, hyvä leikkuujälki voidaan varmistaa leikkaamalla se kaksi kertaa.
Ruohonkorren pituudesta kannattaa leikata vain noin kolmasosa. Suuremman määrän leikkaamista ei suositella, ellei ruoho ole harvaa tai ole myöhäinen syksy, jolloin ruoho kasvaa hitaammin.
Vaihtele leikkuusuuntaa, jotta ruoho pysyy pystyssä. Tämä helpottaa myös leikkuujätteen levittämistä, joka puolestaan edistää maatumista ja lannoitusta.
Ruoho kasvaa eri nopeudella eri vuodenaikoina. Leikkuukorkeus voidaan pitää samana leikkaamalla ruoho useammin keväällä. Vähennä leikkuukertoja keskikesällä, jolloin ruohon kasvu hidastuu. Jos ruohoa ei jostain syystä voida leikata pitkähköön aikaan, käytä ensin korkeaa leikkuukorkeutta. Leikkaa ruoho sitten uudelleen parin päivän kuluttua alemmalla korkeusasetuksella.
Leikkuujäljen parantamiseksi ajonopeutta kannattaa hidastaa tietyissä olosuhteissa.
Suurenna leikkuukorkeutta epätasaista nurmea leikattaessa, jotta nurmi ei leikkaudu paljaaksi.
Jos koneen liike eteenpäin on pysäytettävä kesken leikkuun, nurmikolle saattaa pudota kasa leikkuujätettä. Jotta näin ei kävisi, siirry aiemmin leikatulle alueelle terät kytkettyinä tai vapauta leikkuupöytä eteenpäin ajaessasi.
Poista leikkuujätteet ja lika leikkuupöydän alapuolelta aina käytön jälkeen. Jos leikkuupöydän sisälle kertyy ruohoa ja likaa, leikkuujäljestä tulee ennen pitkää epätyydyttävä.
Pidä terä terävänä koko leikkuukauden ajan. Terävä terä leikkaa ruohon siistimmin ruohonkorsia repimättä. Repeytymien vuoksi ruohon reunat muuttuvat ruskeiksi, mikä heikentää kasvua ja altistaa kasvisairauksille. Tarkista aina käytön jälkeen, että leikkuuterät ovat terävät ja että ne eivät ole kuluneet tai vaurioituneet. Viilaa mahdolliset lovet pois ja teroita terät tarpeen mukaan. Jos terä on vaurioitunut tai kulunut, vaihda se aitoon Toro-vaihtoterään.
Pysäköi kone tasaiselle alustalle, vapauta käytöt, kytke seisontajarru, sammuta moottori ja irrota virta-avain tai sytytystulpan johto. Odota, että kaikki liikkuvat osat pysähtyvät, ja anna koneen jäähtyä ennen sen säätämistä, puhdistamista, korjaamista tai varastoimista. Älä anna tehtävään kouluttamattomien henkilöiden huoltaa konetta.
Puhdista kone Huolto-osion ohjeiden mukaisesti. Pidä moottori ja moottoritila puhtaana, sillä sinne saattaa kertyä ylimääräistä rasvaa ja öljyä sekä ruohoa, lehtiä ja muita roskia. Nämä materiaalit saattavat syttyä palamaan ja aiheuttaa tulipalon.
Tarkasta säännöllisesti kuluneet tai kuluvat osat, jotka voivat aiheuttaa vaaran. Kiristä löystyneet kiinnitystarvikkeet.
Käytä koneen kuljetukseen raskaaseen käyttöön tarkoitettua perävaunua tai kuorma-autoa. Varmista, että perävaunussa tai kuorma-autossa on kaikki lain vaatimat valot ja merkit. Lue huolellisesti kaikki turvaohjeet. Nämä tiedot auttavat suojaamaan sinua, perhettäsi, lemmikkejäsi ja sivullisia loukkaantumiselta.
Koneen kuljetus:
Lukitse jarru ja kiilaa pyörät.
Varmista, että polttoaineen sulkuventtiili on suljettu.
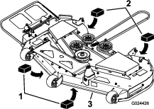
Kiinnitä kone tukevasti perävaunuun tai lava-autoon hihnoilla, ketjuilla, kaapeleilla tai köysillä. Käytä vain ruohonleikkurin neljää erityistä kiinnityskohtaa: kaksi vasemmalla puolella ja kaksi oikealla puolella (Kuva 40). Näitä kiinnityskohtia käytetään myös silloin, kun kuljetettavaan ruohonleikkuriin on asennettu lisävaruste. Muiden kuin erityisten kiinnityskohtien käyttö saattaa vahingoittaa ruohonleikkuria ja/tai lisävarustetta.

Kiinnitä perävaunu vetoajoneuvoon turvaketjuilla.
Kaduilla ja teillä ajaminen ilman suuntavilkkuja, valoja, heijastavia merkkejä tai hitaan ajoneuvon merkkiä on vaarallista ja saattaa aiheuttaa henkilövahinkoihin johtavan onnettomuuden.
Älä aja koneella julkisella tiellä tai kadulla.
Ole erittäin varovainen lastatessasi konetta perävaunuun tai kuorma-autoon ja poistaessasi konetta niistä. Käytä toimenpiteeseen täysleveää ramppia, joka on konetta leveämpi. Peruutusrampit ja eteenpäin alas ajettavat rampit (Kuva 41).

Important: Älä käytä kapeita erillisiä ramppeja koneen molemmilla puolilla.
Rampin on oltava tarpeeksi pitkä, jotta kulma maahan ei ylitä 15 astetta (Kuva 41). Tasaisella maalla rampin on oltava vähintään neljä kertaa pidempi kuin perävaunun tai kuorma-auton lavan korkeus maahan. Jyrkempi kulma saattaa aiheuttaa leikkurin osien takertumisen, kun laitetta siirretään rampilta perävaunuun tai kuorma-autoon. Jyrkemmät kulmat saattavat myös aiheuttaa koneen kaatumisen tai hallinnan menetyksen. Jos kone lastataan rinteessä tai lähellä rinnettä, sijoita perävaunu tai kuorma-auto siten, että se on rinteen alapäässä ja ramppi on ylöspäin rinteeseen. Näin saadaan mahdollisimman pieni ramppikulma.
Koneen lastaaminen perävaunuun tai kuorma-autoon lisää kaatumisen mahdollisuutta, mikä voi aiheuttaa vakavan loukkaantumisen tai kuoleman.
Ole erittäin varovainen käyttäessäsi konetta rampilla.
Käytä vain täysleveää ramppia. Älä käytä erillisiä ramppeja koneen molemmilla puolilla.
Rampin ja maan tai rampin ja perävaunun tai kuorma-auton välinen kulma ei saa olla yli 15 astetta.
Varmista, että rampin pituus on vähintään neljä kertaa pidempi kuin perävaunun tai kuorma-auton lavan korkeus maahan. Näin varmistetaan, että rampin kulma tasaiseen maahan ei ylitä 15 astetta.
Peruutusrampit ja eteenpäin alas ajettavat rampit.
Vältä äkillistä kiihdytystä tai hidastusta konetta rampilla ajettaessa, sillä tämä voi aiheuttaa hallinnan menetyksen tai kaatumisen.

Älä kiinnitä hinattavaa laitetta muualle koneeseen kuin vetokoukkuun.
Noudata valmistajan suosituksia, jotka koskevat hinattavien laitteiden painoa ja rinteillä vetämistä. Hinauspaino ei saa olla suurempi kuin koneen, käyttäjän ja lisäpainojen yhteispaino, sillä se voi johtaa hydrostaattisen vaihteiston vioittumiseen. Käytä vasta- tai pyöräpainoja lisälaitteen valmistajan käyttöoppaan ohjeiden mukaisesti.
Älä koskaan anna lasten tai muiden henkilöiden olla hinattavan laitteen sisällä tai päällä.
Rinteissä hinattavan laitteen paino voi johtaa pidon menetykseen, kaatumisriskin kasvuun ja ajoneuvon hallinnan menetykseen. Vähennä hinattavan laitteen painoa ja hidasta vauhtia.
Pysäytysmatka kasvaa hinatun kuorman painon kasvaessa. Aja hitaasti ja varaa pysähtymiseen lisää etäisyyttä.
Tee leveitä käännöksiä, jotta lisälaite ei koskettaisi konetta.
Important: Työnnä konetta aina käsin Älä koskaan hinaa konetta, koska se voi vaurioitua.
Tässä koneessa on sähköinen jarrumekanismi. Konetta työnnettäessä virta-avaimen on oltava KäYNNISSä-asennossa. Jotta sähköjarru voitaisiin vapauttaa, akun on oltava ladattu ja toiminnassa.
Pysäköi kone tasaiselle alustalle ja vapauta teräkytkin.
Kytke seisontajarru, sammuta moottori ja odota, että kaikki liikkuvat osat ovat pysähtyneet, ennen kuin poistut käyttäjän paikalta.
Paikanna ohitusvivut rungossa moottorin molemmilla puolilla.
Siirrä ohitusvipuja eteenpäin aukon läpi ja lukitse ne paikoilleen painamalla alas (Kuva 43).
Note: Tee sama kummallekin vivulle.
Vapauta seisontajarru.
Note: Älä käynnistä konetta.

Kun olet lopettanut työskentelyn koneella, kytke seisontajarru.
Siirrä ohitusvipuja taaksepäin aukon läpi ja lukitse ne paikoilleen kuvan mukaisesti (Kuva 43).
Note: Tee sama kummallekin vivulle.
Note: Koneen vasen ja oikea puoli määritellään normaalista käyttöasennosta käsin.
Joku voi käynnistää moottorin huollon tai säätämisen aikana. Moottorin käynnistys vahingossa voi aiheuttaa vakavan tapaturman käyttäjälle tai sivullisille.
Ota avain pois virtalukosta, kytke seisontajarru ja irrota sytytystulppien johdot ennen kuin ryhdyt kunnossapitotöihin. Työnnä johdot sivuun, jotta ne eivät vahingossa kosketa sytytystulppia.
Moottorista saattaa tulla erittäin kuuma. Kuuman moottorin koskettaminen voi aiheuttaa vakavia palovammoja.
Anna moottorin jäähtyä kokonaan ennen huoltoa tai moottoritilassa tehtäviä korjaustöitä.
Pysäköi kone tasaiselle alustalle, vapauta käytöt, kytke seisontajarru, sammuta moottori ja irrota virta-avain tai sytytystulpan johto. Odota, että kaikki liikkuvat osat pysähtyvät, ja anna koneen jäähtyä ennen säätämistä, puhdistamista tai korjaamista. Älä anna tehtävään kouluttamattomien henkilöiden huoltaa konetta.
Irrota akun kaapelit tai irrota johto sytytystulpasta ennen mitään huoltotoimia. Irrota kaapeli ensin negatiivisesta navasta ja vasta sitten positiivisesta navasta. Kytke kaapeli ensin plusnapaan ja vasta sitten miinusnapaan.
Pidä kone, suojukset, suojalevyt ja kaikki turvalaitteet oikeilla paikoillaan ja turvallisessa toimintakunnossa. Tarkista osat säännöllisesti kulumien ja heikkouksien varalta, ja vaihda ne tarvittaessa valmistajan suosittelemiin osiin.
Alkuperäisten varusteiden, osien ja/tai lisävarusteiden irrottaminen tai mukauttaminen voi vaikuttaa koneen takuuseen, ohjattavuuteen ja turvallisuuteen. Alkuperäisten varusteiden luvaton mukauttaminen tai muiden kuin alkuperäisten Toro-osien käyttö voi johtaa vakavaan loukkaantumiseen tai kuolemaan. Koneeseen, moottoriin, polttoaineeseen tai ilmanvaihtojärjestelmään tehdyt luvattomat muutokset voivat olla muun muassa seuraavien sovellettavien turvallisuusstandardien vastaisia: ANSI, OSHA ja NFPA ja/tai Yhdysvaltain valtion säädökset, kuten EPA ja CARB.
Ole varovainen, kun tarkastat teriä. Kiedo terän (terien) ympärille esimerkiksi kangas tai käytä käsineitä ja ole varovainen, kun huollat teriä. Vaurioituneet terät on vaihdettava. Älä koskaan suorista tai hitsaa niitä.
Tue kone tai sen osat tarvittaessa pukkien avulla.
Koneen nosto korjausta tai huoltoa varten pelkästään mekaanisten tai hydraulisten tunkkien varaan voi olla vaarallista. Mekaaniset tai hydrauliset tunkit eivät välttämättä tue riittävästi tai niihin saattaa tulla vika, jolloin kone voi pudota, mistä saattaa olla seurauksena henkilövahinko.
Älä tue konetta pelkästään mekaanisten tai hydraulisten tunkkien varaan. Käytä asianmukaisia pukkeja tai vastaavaa tukea.
Vapauta paine varovasti osista, joihin on varastoitunut energiaa.
Pidä kädet ja jalat poissa liikkuvista osista. Älä tee säätöjä moottorin ollessa käynnissä, jos mahdollista. Ole äärimmäisen varovainen, jos huolto- tai säätötoimenpiteet vaativat, että moottori on käynnissä ja osat liikkuvat.
Kosketus liikkuviin osiin tai kuumiin pintoihin voi aiheuttaa tapaturman.
Pidä sormet, kädet ja vaatteet etäällä pyörivistä osista ja kuumista pinnoista.
Tarkasta säännöllisesti kaikki pultit ja niiden oikea kireys.
| Huoltoväli | Huoltotoimenpide |
|---|---|
| 5 ensimmäisen käyttötunnin jälkeen |
|
| Aina ennen käyttöä tai päivittäin |
|
| Jokaisen käytön jälkeen |
|
| 25 käyttötunnin välein |
|
| 100 käyttötunnin välein |
|
| 200 käyttötunnin välein |
|
| Ennen varastointia |
|
Jos jätät avaimen virtalukkoon, joku voi vahingossa käynnistää moottorin ja vahingoittaa vakavasti lähellä olijoita.
Sammuta moottori ja irrota virta-avain virtalukosta ennen kaikkia huoltotoimia.
Löysää verhon kaksi alapulttia, jotta pääset käsiksi leikkuupöydän yläosaan (Kuva 44).

Note: Kiinnitä verho huollon jälkeen kiristämällä pultit.
Moottori on sammutettava ennen öljyn tarkistusta tai lisäystä kampikammioon.
Pidä kädet, jalat, kasvot, vaatteet ja muut kehonosat etäällä äänenvaimentimesta ja muista kuumista pinnoista.
| Huoltoväli | Huoltotoimenpide |
|---|---|
| Aina ennen käyttöä tai päivittäin |
|
Note: Huolla ilmanpuhdistin useammin (muutaman tunnin välein), jos käyttöolosuhteet ovat erittäin pölyiset tai hiekkaiset.
Pysäköi kone tasaiselle alustalle, vapauta teräkytkin (voimanulosotto) ja kytke seisontajarru.
Sammuta moottori, irrota avain ja odota, että kaikki liikkuvat osat ovat pysähtyneet, ennen kuin poistut käyttäjän paikalta.
Puhdista ilmanpuhdistimen suojuksen ympäristö, jotta likaa ei pääse moottoriin aiheuttamaan vahinkoa.
Nosta suojus ja käännä ilmanpuhdistinjärjestelmä pois moottorista (Kuva 45).


Erottele vaahtomuovi- ja paperipanokset (Kuva 46).

| Huoltoväli | Huoltotoimenpide |
|---|---|
| 25 käyttötunnin välein |
|
| 100 käyttötunnin välein |
|
Pese vaahtomuovipanos nestesaippualla ja lämpimällä vedellä. Kun panos on puhdas, huuhtele se perusteellisesti.
Kuivaa panos puristamalla sitä puhtaaseen riepuun.
Important: Vaihda vaahtomuovipanos, jos se on repeytynyt tai kulunut.
| Huoltoväli | Huoltotoimenpide |
|---|---|
| 100 käyttötunnin välein |
|
| 200 käyttötunnin välein |
|
Puhdista paperipanos pölystä napauttamalla sitä kevyesti.
Note: Jos paperipanos on hyvin likainen, vaihda se uuteen.
Tarkista, ettei panos ole repeytynyt, ettei siinä ole öljykalvoa tai ettei kumitiiviste ole vaurioitunut.
Vaihda paperipanos, jos se on vaurioitunut.
Important: Älä puhdista paperisuodatinta.
Asenna vaahtomuovipanos paperipanoksen päälle.
Note: Varmista, ettet vaurioita panoksia.
Kohdista suodattimen reiät imusarjan aukkoihin.
Käännä suodatin alas kammioon ja aseta se kokonaan paikoilleen imusarjaa vasten (Kuva 47).

Sulje suojus.
Öljylaatu: pesevä öljy (API-huoltoluokitus SF, SG, SH, SJ tai SL).
Kampikammion tilavuus: 2,4 l öljynsuodattimen kanssa
Viskositeetti: Katso seuraava taulukko.

| Huoltoväli | Huoltotoimenpide |
|---|---|
| Aina ennen käyttöä tai päivittäin |
|
Note: Tarkista öljymäärä moottorin ollessa kylmä.
Important: Jos moottorin kampikammioon laitetaan liikaa tai liian vähän öljyä ja moottoria käytetään, moottori saattaa vaurioitua.
Pysäköi kone tasaiselle alustalle, vapauta teräkytkin (voimanulosotto) ja kytke seisontajarru.
Sammuta moottori, irrota avain ja odota, että kaikki liikkuvat osat ovat pysähtyneet, ennen kuin poistut käyttäjän paikalta.
Note: Varmista, että moottori on jäähtynyt, jotta öljy on ehtinyt valua öljypohjaan.
Puhdista öljyntäyttökorkin ja mittatikun ympäristö ennen korkin irrottamista, jotta moottoriin ei pääse likaa, leikkuujätteitä tai muita roskia (Kuva 49).

| Huoltoväli | Huoltotoimenpide |
|---|---|
| 5 ensimmäisen käyttötunnin jälkeen |
|
| 100 käyttötunnin välein |
|
Pysäköi kone tasaiselle alustalle, jotta kaikki öljy tyhjenee.
Vapauta teräkytkin (voimanulosotto) ja kytke seisontajarru.
Sammuta moottori, irrota avain ja odota, että kaikki liikkuvat osat ovat pysähtyneet, ennen kuin poistut käyttäjän paikalta.
Tyhjennä öljy moottorista.


Vaihda moottorin öljynsuodatin (Kuva 51).
Note: Varmista, että öljynsuodattimen tiiviste koskettaa moottoria, ja käännä sitten suodatinta vielä ¾ kierrosta.

Kaada hitaasti noin 80 % määritetystä öljymäärästä täyttöputkeen ja lisää hitaasti siten, että sitä on Full-merkkiin asti (Kuva 52).

Toimita käytetty öljy jälleenkäsittelylaitoksen hävitettäväksi.
| Huoltoväli | Huoltotoimenpide |
|---|---|
| 100 käyttötunnin välein |
|
| 200 käyttötunnin välein |
|
Varmista, että keski- ja sivuelektrodien kärkiväli on oikea, ennen kuin asennat sytytystulpan. Irrota ja asenna sytytystulppa käyttäen apuna sytytystulpan avainta. Tarkista ja säädä kärkiväliä kärkivälin työkalulla tai rakotulkilla. Asenna tarvittaessa uusi sytytystulppa.
Tyyppi: Champion® RN9YC tai NGK® BPR6ES
Kärkiväli: 0,76 mm
Pysäköi kone tasaiselle alustalle, vapauta teräkytkin (voimanulosotto) ja kytke seisontajarru.
Sammuta moottori, irrota avain ja odota, että kaikki liikkuvat osat ovat pysähtyneet, ennen kuin poistut käyttäjän paikalta.
Puhdista sytytystulpan ympäristö, jotta moottoriin ei pääse likaa tai roskia.
Irrota sytytystulppa (Kuva 53).

Important: Älä puhdista sytytystulppia. Sytytystulppa tulee vaihtaa aina, kun eriste on mustunut, kun elektrodit ovat kuluneet tai kun tulpassa on öljykalvo tai murtumia.
Jos näet eristeessä vaaleanruskeata tai harmaata, moottori toimii moitteettomasti. Jos eriste on mustunut, ilmanpuhdistin on yleensä likainen.
Säädä kärkiväliksi 0,76 mm.


| Huoltoväli | Huoltotoimenpide |
|---|---|
| Aina ennen käyttöä tai päivittäin |
|
Pysäköi kone tasaiselle alustalle, vapauta teräkytkin (voimanulosotto) ja kytke seisontajarru.
Sammuta moottori, irrota avain ja odota, että kaikki liikkuvat osat ovat pysähtyneet, ennen kuin poistut käyttäjän paikalta.
Irrota ilmansuodatin moottorista.
Irrota moottorin vaippa.
Estä roskien pääseminen ilmanottoon asentamalla ilmansuodatin suodattimen kantaan.
Puhdista osat roskista ja ruohosta.
Irrota ilmansuodatin ja asenna moottorin vaippa.
Asenna ilmansuodatin.
Tietyissä oloissa polttoaine on hyvin tulenarkaa ja räjähdysherkkää. Polttoaineen aiheuttama tulipalo tai räjähdys voi aiheuttaa palovammoja ja omaisuusvahinkoja.
Kohdassa Polttoaineen lisäys on täydellinen luettelo polttoaineeseen liittyvistä varotoimenpiteistä.
| Huoltoväli | Huoltotoimenpide |
|---|---|
| 100 käyttötunnin välein |
|
| 200 käyttötunnin välein |
|
Älä asenna likaista suodatinta sen jälkeen, kun se on irrotettu polttoaineputkesta.
Pysäköi kone tasaiselle alustalle, vapauta teräkytkin (voimanulosotto) ja kytke seisontajarru.
Sammuta moottori, irrota avain ja odota, että kaikki liikkuvat osat ovat pysähtyneet, ennen kuin poistut käyttäjän paikalta.
Vaihda suodatin (Kuva 56).
Note: Huomautus: varmista, että suodattimen merkinnät ovat polttoaineen virtaussuunnan mukaisia.


Irrota akun kytkennät ennen kuin korjaat konetta. Irrota ensin miinusnavan akkukenkä ja vasta sitten plusnavan akkukenkä. Kytke ensin plusnavan akkukenkä ja vasta sitten miinusnavan akkukenkä.
Lataa akku avoimessa tilassa, jossa on hyvä ilmanvaihto, kaukana kipinöistä ja avotulesta. Irrota laturin virtajohto ennen kuin kytket laturin akkuun tai irrotat sen akusta. Käytä suojavaatetusta ja eristettyjä työkaluja.
Akun kaapeleiden virheellinen irrotus voi vahingoittaa konetta ja kaapeleita aiheuttaen kipinöitä. Kipinät voivat saada akun kaasut räjähtämään ja aiheuttaa siten henkilövahingon.
Irrota aina akun miinuskaapeli (musta) ennen pluskaapelin (punainen) irrottamista.
Kytke aina akun pluskaapeli (punainen) ennen miinuskaapelia (musta).
Pysäköi kone tasaiselle alustalle, vapauta teräkytkin (voimanulosotto) ja kytke seisontajarru.
Sammuta moottori, irrota avain ja odota, että kaikki liikkuvat osat ovat pysähtyneet, ennen kuin poistut käyttäjän paikalta.
Löysää akun suojuksen kahta kiinnikettä kääntämällä niitä 1/4 kierrosta vastapäivään ja irrota akun suojus (Kuva 57).

Irrota miinusmaakaapeli (musta) akun navasta (Kuva 58).
Note: Säilytä kaikki kiinnikkeet.
Vedä kumisuojusta ylös punaista pluskaapelia pitkin.
Irrota pluskaapeli (punainen) akun navasta (Kuva 58).
Note: Säilytä kaikki kiinnikkeet.
Irrota akun pidike (Kuva 58) ja nosta akku pois akkualustalta.

| Huoltoväli | Huoltotoimenpide |
|---|---|
| Ennen varastointia |
|
Irrota akku alustasta. Katso kohta Akun irrotus.
Lataa akkua 6–10 A:n virralla vähintään yhden tunnin ajan.
Note: Älä lataa akkua liikaa.
Kun akku on ladattu täyteen, irrota laturi sähköliitännästä. Irrota sitten laturin johtimet akun navoista (Kuva 59).

Aseta akku alustalle (Kuva 58).
Asenna pluskaapeli (punainen) akun plusnapaan (+) käyttämällä aiemmin irrotettuja kiinnikkeitä.
Asenna miinuskaapeli akun miinusnapaan (-) käyttämällä aiemmin irrotettuja kiinnikkeitä.
Vedä punainen suojus positiivisen (punaisen) akun navan päälle.
Kiinnitä akku pidikkeellä (Kuva 58).
Asenna akun kansi painamalla se alas ja kiristämällä kaksi kiinnikettä myötäpäivään (Kuva 57).
Sähköjärjestelmä on suojattu sulakkeilla. Huoltoa ei tarvita. Jos sulake kuitenkin palaa, tarkista osa/virtapiiri toimintavian tai oikosulun varalta.
Sulaketyyppi:
Päävirta: F1 (15 A, pistotyyppinen)
Latauspiiri: F2 (25 A, pistotyyppinen)
Vaihda pääsulake (15 A) vetämällä sulake ulos konsolin sivussa olevan aukon kautta ja asentamalla uusi 15 A:n sulake (Kuva 60).

Vaihda latauspiirin sulake (25 A) vetämällä akun vasemmalla puolella oleva sulake ulos ja asentamalla uusi 25 A:n sulake (Kuva 61).

| Huoltoväli | Huoltotoimenpide |
|---|---|
| 25 käyttötunnin välein |
|
Pidä etu- ja takarenkaiden rengaspaine ohjeiden mukaisena. Epätasainen rengaspaine saattaa tehdä leikkuujäljestä epätasaisen. Tarkista paine venttiilin varresta (Kuva 62). Tarkista paine, kun renkaat ovat kylmät, jotta painelukema olisi mahdollisimman tarkka.
Katso renkaiden valmistajan suosittelema enimmäispaine kääntöpyörien renkaiden sivusta.
Täytä etukääntöpyörien renkaat paineeseen 1,03 bar.
Täytä vetävien takapyörien renkaat paineeseen 0,9 bar.

| Huoltoväli | Huoltotoimenpide |
|---|---|
| 25 käyttötunnin välein |
|
Vaihda hihna, jos se on kulunut. Kuluneen hihnan merkkejä ovat vinkuminen hihnan pyöriessä, luistavat terät ruohoa leikattaessa, rispaantuneet hihnan reunat, palojäljet ja murtumat hihnassa.
Kuluneen hihnan merkkejä ovat vinkuminen hihnan pyöriessä, luistavat terät ruohoa leikattaessa, rispaantuneet reunat, palojäljet ja murtumat. Vaihda leikkurin hihna, jos jokin näistä tiloista ilmenee.
Pysäköi kone tasaiselle alustalle, vapauta teräkytkin (voimanulosotto) ja kytke seisontajarru.
Sammuta moottori, irrota avain ja odota, että kaikki liikkuvat osat ovat pysähtyneet, ennen kuin poistut käyttäjän paikalta.
Aseta leikkuri 76 mm:n leikkuukorkeuteen.
Irrota leikkuupöydän verho. Katso kohta Leikkuupöydän verhon vapautus
Löysää molempien hihnan suojusten kahta pulttia, mutta älä irrota niitä.
Liu’uta suojus irti pulteista ja irrota se nostamalla ylös- ja ulospäin.
Vapauta kiristinpyörän jännitys irrottamalla kiristinpyörän jousi leikkuupöydän tapista jousen irrotustyökalun avulla (Toro-osanro 92-5771) (Kuva 63).

Laske leikkuri alimpaan leikkuukorkeuteen ja aseta leikkuukorkeuden tappi alimman leikkuukorkeuden lukitusasentoon.
Irrota hihna leikkuupöydän hihnapyöriltä ja irrota vanha hihna.
Asenna uusi hihna leikkurin hihnapyörien ja moottorin alla olevan kytkimen hihnapyörän ympärille (Kuva 63).
Asennettuna jousessa on jännitys, ja se saattaa aiheuttaa henkilövahinkoja.
Ole varovainen, kun irrotat hihnaa.
Asenna kiristinpyörän jousi leikkuupöydän tappiin jousen irrotustyökalun avulla (Toro-osanro 92-5771), jolloin kiristinpyörä ja leikkurin hihna jännittyvät (Kuva 63).
Varmista, että hihna on asettunut oikein kaikkiin hihnapyöriin.
Asenna hihnan suojukset asentamalla molempien suojusten kielekkeet huolellisesti leikkuupöydän kannattimien vastaaviin koloihin.
Käännä suojus leikkuupöytään ja liu’uta lovet paikoilleen löysättyjen pulttien alle.
Kiinnitä suojus leikkuupöytään kiristämällä pultit.
Asenna leikkuupöydän verho. Katso kohta Leikkuupöydän verhon vapautus
Kulunut tai vaurioitunut terä voi rikkoutua ja terän pala voi sinkoutua käyttäjään tai ohikulkijaan päin, mikä voi aiheuttaa vakavan henkilövahingon tai kuoleman. Älä yritä korjata vaurioitunutta terää, koska se saattaa mitätöidä tuotteen turvasertifioinnin.
Terät on tarkistettava säännöllisesti kulumisen ja vaurioiden varalta.
Ole varovainen, kun tarkastat teriä. Kiedo terien ympärille esimerkiksi kangas tai käytä käsineitä ja noudata varovaisuutta teriä huoltaessasi. Terät saa ainoastaan vaihtaa tai teroittaa. Niitä ei saa suoristaa eikä hitsata.
Ole varovainen käsitellessäsi moniteräisiä koneita, sillä yhden terän kääntäminen saattaa kääntää myös muita teriä.
Terät on pidettävä terävinä, jotta leikkausjälki pysyy ensiluokkaisena. Jotta terien teroitus ja vaihto kävisi vaivattomasti, on hyvä pitää vaihtoteriä saatavilla.
Pysäköi kone tasaiselle alustalle, vapauta teräkytkin (voimanulosotto) ja kytke seisontajarru.
Sammuta moottori, irrota virta-avain ja irrota sytytystulppien johdot sytytystulpista.
| Huoltoväli | Huoltotoimenpide |
|---|---|
| Aina ennen käyttöä tai päivittäin |
|
Tarkasta leikkuusärmät (Kuva 64).
Jos särmät eivät ole teräviä tai niissä on lovia, irrota terä ja teroita se. Katso Terien teroitus.
Tarkasta terät, etenkin kupera alue.
Jos havaitset vähäisiäkään murtumisen, kulumisen tai urautumisen merkkejä tällä alueella, asenna uusi terä välittömästi (Kuva 64).

Note: Koneen on oltava tasaisella alustalla seuraavaa toimenpidettä varten.
Nosta leikkuupöytä ylimpään leikkuukorkeusasentoon.
Käytä pehmustettuja paksuja suojakäsineitä tai muita soveltuvia käsisuojaimia. Käännä terä hitaasti asentoon, jossa etäisyys leikkuusärmästä tasaiseen alustaan voidaan mitata (Kuva 65).

Mittaa etäisyys terän kärjestä tasaiseen alustaan (Kuva 66).

Käännä samaa terää 180 astetta niin, että vastakkainen leikkuusärmä on samassa asennossa (Kuva 67).

Mittaa etäisyys terän kärjestä tasaiseen alustaan (Kuva 68).
Note: Ero saa olla enintään 3 mm.

Jos A:n ja B:n välinen ero on suurempi kuin 3 mm, vaihda terä uuteen. Katso kohdat Terien irrotus ja Terien asennus.
Note: Jos taipuneen terän tilalle vaihdetaan uusi ja mittaustulos on edelleen yli 3 mm, terän kara saattaa olla taipunut. Ota yhteys valtuutettuun huoltoliikkeeseen.
Jos ero on hyväksytyissä rajoissa, siirry seuraavaan terään.
Toista toimenpide kullekin terälle.
Vaihda terät, jos ne osuvat kiinteään esineeseen tai jos terä on epätasapainossa tai taipunut.
Tartu terän päähän liinan tai paksun hansikkaan avulla.
Irrota teräpultti, jousialuslaatta ja terä kara-akselista (Kuva 69).

Viilaa leikkuusärmä teräväksi terän molemmista päistä (Kuva 70).
Note: Säilytä alkuperäinen kulma.
Note: Terä säilyttää tasapainonsa, kun molemmista leikkuusärmistä poistetaan materiaalia yhtä paljon.

Tarkista terän tasapaino asettamalla se terän tasaimeen (Kuva 71).
Note: Jos terä pysyy vaaka-asennossa, se on tasapainossa ja sitä voidaan käyttää.
Note: Jos terä ei ole tasapainossa, viilaa sitä vähän vain siipialueelta (Kuva 70).

Toista, kunnes terä on tasapainossa.
Varmista, että leikkuupöytä on vaakasuorassa aina leikkuria asentaessasi tai jos nurmikon leikkuujälki ei ole tasainen.
Ennen tasausta on tarkistettava, ettei leikkuupöydässä ole taipuneita teriä, ja kaikki taipuneet terät on irrotettava ja vaihdettava. Katso kohta Taipuneiden terien tarkistus ennen kuin jatkat.
Leikkuupöytä on tasattava sivusuunnassa ennen terän pituussuuntaisen kaltevuuden säätämistä.
Vaatimukset:
Koneen on oltava tasaisella alustalla.
Kaikkien renkaiden ilmanpaineen on oltava oikea. Katso kohta Rengaspaineen tarkistus.
Pysäköi kone tasaiselle alustalle, vapauta teräkytkin (voimanulosotto) ja kytke seisontajarru.
Sammuta moottori, irrota avain ja odota, että kaikki liikkuvat osat ovat pysähtyneet, ennen kuin poistut käyttäjän paikalta.
Pyöritä teriä varovasti puolelta toiselle.
Mittaa ulkoleikkuusärmien ja tasaisen alustan väliltä (Kuva 73).
Note: Jos molemmat mitat eivät ole 5 mm:n sisällä toisistaan, säätö on tarpeen. Katso kohta Leikkuupöydän tasaus.

Terän pituussuuntainen kaltevuus on tarkistettava aina ennen leikkurin asennusta. Jos leikkurin etupää on yli 7,9 mm alempana kuin leikkurin takapää, säädä terän kaltevuutta.
Pysäköi kone tasaiselle alustalle, vapauta teräkytkin (voimanulosotto) ja kytke seisontajarru.
Sammuta moottori, irrota avain ja odota, että kaikki liikkuvat osat ovat pysähtyneet, ennen kuin poistut käyttäjän paikalta.
Käännä teriä varovasti niin, että ne ovat pituussuuntaisesti (Kuva 74).
Mittaa etäisyys etuterän kärjestä tasaiseen alustaan ja takaterän kärjestä tasaiseen alustaan (Kuva 74).
Note: Jos etuterän kärki ei ole 1,6–7,9 mm alempana kuin takaterän kärki, siirry toimenpiteeseen Leikkuupöydän tasaus.

Aseta nurmisuojarullat ylimpiin reikiin tai poista ne kokonaan tämän toimenpiteen ajaksi. Katso Nurmisuojarullien säätö.
Aseta leikkuukorkeusvipu 76 mm:n asentoon. Katso Leikkuukorkeuden säätö.
Aseta kaksi 6,6 cm:n pölkkyä leikkuupöydän etureunan molempien puolien alle niin, että ne eivät ole nurmisuojarullan kannattimien alla (Kuva 75).
Aseta kaksi 7,3 cm:n pölkkyä leikkuupöydän helman takareunan alle, yksi leikkuupöydän molemmille puolille (Kuva 75).

Löysää säätöpultteja jokaisessa neljässä kulmassa niin, että leikkuupöytä asettuu tukevasti neljän pölkyn varaan (Kuva 76).

Tarkista, että kaikki neljä ketjua ovat kireällä (Kuva 76).
Kiristä neljä säätöpulttia (Kuva 76).
Varmista, että pölkyt asettuvat tiukasti leikkuupöydän helman alle ja että kaikki pultit ovat kireällä.
Varmista, että leikkuupöytä on tasassa, tarkistamalla sivusuuntainen tasaus ja terän pituussuuntainen kaltevuus. Toista leikkuupöydän tasausvaiheet tarvittaessa.
Pysäköi kone tasaiselle alustalle, vapauta teräkytkin (voimanulosotto) ja kytke seisontajarru.
Sammuta moottori, irrota virta-avain ja irrota sytytystulppien johdot sytytystulpista.
Aseta leikkuri 76 mm:n leikkuukorkeuteen.
Löysää kaksi alinta pulttia, joilla leikkuupöydän verho on kiinnitetty leikkuupöytään. Katso kohta Leikkuupöydän verhon vapautus.
Irrota leikkurin hihna moottorin hihnapyörästä. Katso kohta Leikkurin hihnan vaihto.
Irrota sokka ja aluslaatta, joilla kiinnitystappi on kiinnitetty runkoon ja leikkuupöytään, ja irrota kiinnitystanko (Kuva 77).

Vapauta jännitys leikkuupöydästä nostamalla leikkuupöytää.
Irrota ketjut leikkuupöydän nostovarsien koukuista (Kuva 78).

Nosta leikkuukorkeus kuljetusasentoon.
Irrota hihna moottorin kytkimen hihnapyörältä.
Liu'uta leikkuri pois koneen alta.
Note: Säilytä kaikki osat myöhempää käyttöä varten.
Pysäköi kone tasaiselle alustalle, vapauta teräkytkin (voimanulosotto) ja kytke seisontajarru.
Sammuta moottori, irrota virta-avain ja irrota sytytystulppien johdot sytytystulpista.
Liu'uta leikkuri koneen alle.
Laske leikkuukorkeuden säätövipu alimpaan asentoon.
Asenna leikkuukorkeuden tappi alimman leikkuukorkeuden lukitusasentoon.
Nosta leikkuupöydän takaosaa ja kiinnitä ketjut takanostovarsiin (Kuva 78).
Kiinnitä etuketjut etunostovarsiin (Kuva 78).
Asenna pitkä kiinnitystanko rungon ripustimen ja leikkuupöydän läpi.
Kiinnitä kiinnitystappi aiemmin irrotetuilla sokilla ja aluslaatoilla (Kuva 77).
Asenna leikkurin hihna moottorin hihnapyörään. Katso kohta Leikkurin hihnan vaihto.
Kiristä kaksi alinta pulttia, joilla leikkuupöydän verho on kiinnitetty leikkuupöytään. Katso kohta Leikkuupöydän verhon vapautus.
| Huoltoväli | Huoltotoimenpide |
|---|---|
| Aina ennen käyttöä tai päivittäin |
|
Jos heittoaukko ei ole peitossa, kone saattaa singota esineitä käyttäjän tai sivullisten suuntaan, mistä voi olla seurauksena vakava tapaturma. Seurauksena voi olla myös kosketus terään.
Älä käytä konetta ilman leikkuujätelevyä, heittokanavan suuntainta tai ruohonkeräysjärjestelmää.
Tarkista suuntain vaurioiden varalta aina ennen käyttöä. Vaihda vaurioituneet osat ennen käyttöä.
Irrota sokka (Kuva 79).
Irrota jousi suuntaimen kannattimen lovesta ja liu’uta tanko pois hitsatuista leikkuupöydän kannattimista, jousesta ja heittokanavan suuntaimesta (Kuva 79).

Irrota vaurioitunut tai kulunut heittokanavan suuntain.
Aseta uusi heittokanavan suuntain niin, että kannatinpäät ovat leikkuupöydän hitsattujen kannattimien välissä kuvan mukaisesti (Kuva 80).
Asenna jousi tangon suoraan päähän.
Sijoita jousi tankoon kuvan mukaisesti (Kuva 80) niin, että jousen lyhyempi pää tulee tangon alta ennen mutkaa ja menee tangon yli, kun se palaa mutkasta.
Nosta jousen silmukkapäätä ja aseta se suuntaimen kannattimen loveen (Kuva 80).

Kiinnitä tanko- ja jousikokoonpano kääntämällä sitä niin, että tangon lyhyt pää on leikkuupöytään hitsatun etummaisen kannattimen takana (Kuva 80).
Important: Suuntaimen on oltava jousikuormitettuna ala-asennossa. Nosta suuntain ylös ja testaa, että napsahtaa ala-asentoon.
Asenna sokka (Kuva 79).
| Huoltoväli | Huoltotoimenpide |
|---|---|
| Jokaisen käytön jälkeen |
|
Important: Kone voidaan pestä miedolla pesuaineella ja vedellä. Älä pese konetta painepesurilla. Älä käytä vettä ylen määrin, älä etenkään ohjauspaneelin lähellä, istuimen alla tai moottorin ja hydraulipumppujen läheisyydessä.
Pese leikkuupöydän alapuoli aina käytön jälkeen, jotta ruohoa ei pääse kertymään ja jotta leikkuujäte hajaantuu paremmin.
Pysäköi kone tasaiselle alustalle, vapauta teräkytkin (voimanulosotto) ja kytke seisontajarru.
Sammuta moottori, irrota avain ja odota, että kaikki liikkuvat osat ovat pysähtyneet, ennen kuin poistut käyttäjän paikalta.
Kiinnitä letkuliitin leikkurin pesuliitännän päähän ja käännä vesi suurelle paineelle (Kuva 81).
Note: Levitä vaseliinia pesuliitännän O-renkaaseen, jotta liitin liukuu paremmin ja suojaa O-rengasta.

Aseta leikkuri alimpaan leikkuukorkeuteen.
Istuudu istuimelle ja käynnistä moottori.
Kytke teräkytkin (voimanulosotto) ja anna leikkurin käydä 1–3 minuuttia.
Vapauta terän ohjausvipu (voimanulosotto), sammuta moottori, irrota avain avainkytkimestä ja odota, että kaikki liikkuvat osat pysähtyvät.
Katkaise vedentulo ja irrota liitin pesuliitännästä.
Note: Jos leikkuri ei puhdistu yhdellä pesukerralla, liota sitä ja anna sen seistä 30 minuutin ajan. Toista sitten toimenpide.
Käytä leikkuria vielä 1–3 minuuttia, jotta vesi valuu pois.
Rikkoutunut tai puuttuva pesuliitäntä voi aiheuttaa esineiden ulossinkoutumista tai teräkosketuksen. Teräkosketus tai ulossinkoutuva jäte voi aiheuttaa loukkaantumisen tai kuoleman.
Vaihda rikkoutunut tai puuttuva pesuliitäntä välittömästi, ennen kuin käytät konetta uudelleen.
Käsiä tai jalkoja ei saa koskaan laittaa leikkurin alle tai koneen aukkojen läpi.
Note: Älä puhdista iskunvaimenninkokoonpanoja painepesurilla (Kuva 82).

Moottoriöljy, akut, hydraulineste ja moottorin jäähdytysneste saastuttavat ympäristöä. Ne on hävitettävä kansallisten ja paikallisten määräysten mukaisesti.
Anna moottorin jäähtyä ennen koneen varastointia.
Älä säilytä konetta tai polttoainetta lähellä avotulta tai tyhjennä polttoainetta sisätiloissa.
Vapauta teräkytkin (voimanulosotto) ja kytke seisontajarru.
Sammuta moottori, irrota avain ja odota, että kaikki liikkuvat osat ovat pysähtyneet, ennen kuin poistut käyttäjän paikalta.
Poista ruoho, lika ja rasva koneen kaikista ulkoisista osista, etenkin moottorista ja hydraulijärjestelmästä. Puhdista lika ja roskat moottorin sylinterinkannen rivoista ja tuulettimen kotelosta.
Important: Kone voidaan pestä miedolla pesuaineella ja vedellä. Älä pese konetta painepesurilla. Älä käytä vettä ylen määrin, älä etenkään kojetaulun, moottorin ja hydraulipumppujen läheisyydessä.
Tarkista seisontajarrujen toiminta. Katso Seisontajarrun käyttö.
Huolla ilmanpuhdistin. Katso kohta Ilmanpuhdistimen huolto.
Vaihda kampikammioöljy. Katso kohta Moottoriöljyn ja öljynsuodattimen vaihto.
Tarkista rengaspaine. Katso kohta Rengaspaineen tarkistus.
Lataa akku. Katso kohta Akun lataus.
Kaavi ruoho ja lika leikkurin alta ja pese leikkuri sitten vesiletkulla.
Note: Käytä konetta teräkytkin (voimanulosotto) kytkettynä ja korkeimmalla tyhjäkäyntinopeudella 2–5 minuutin ajan pesun jälkeen.
Tarkista terien kunto. Katso kohta Leikkuuterien huolto.
Valmistele kone varastointia varten, jos sitä ei ole tarkoitus käyttää yli kuukauteen. Valmistele kone varastointia varten seuraavasti:
Lisää polttoainesäiliöön öljypohjaista stabilointi-/lisäainetta. Noudata stabilointiaineen valmistajan sekoitusohjeita. Älä käytä alkoholipohjaista stabilointiainetta (etanolia tai metanolia).
Note: Stabilointi-/lisäaine toimii tehokkaimmin, kun se sekoitetaan tuoreeseen polttoaineeseen ja kun sitä käytetään jatkuvasti.
Käytä moottoria, jotta lisäaineinen polttoaine kiertää koko polttoainejärjestelmässä (5 minuuttia).
Sammuta moottori, anna sen jäähtyä ja tyhjennä polttoainesäiliö.
Käynnistä moottori ja anna sen käydä, kunnes se sammuu.
Hävitä polttoaine asianmukaisesti. Kierrätä polttoaine paikallisten asetusten mukaisesti.
Important: Älä säilytä lisäaineistettua polttoainetta 90 päivää kauempaa.
Irrota sytytystulpat ja tarkista niiden kunto. Katso kohta Sytytystulpan huolto. Kun sytytystulpat on irrotettu moottorista, kaada 30 ml (kaksi ruokalusikallista) moottoriöljyä sytytystulpan reikään. Kierrätä moottoria käynnistimellä, jotta öljy leviää sylinterin sisään. Asenna sytytystulppa tai -tulpat. Älä asenna sytytystulpan (-tulppien) johtoa.
Tarkista ja kiristä kaikki pultit, mutterit ja ruuvit. Korjaa tai vaihda kaikki vaurioituneet osat.
Maalaa kaikki naarmuuntuneet tai paljaat metallipinnat. Maalia on saatavissa valtuutetusta huoltoliikkeestä.
Varastoi kone puhtaaseen, kuivaan autotalliin tai varastotilaan. Irrota avain avainkytkimestä ja säilytä se lasten ja muiden luvattomien käyttäjien ulottumattomissa. Peitä kone, jotta se pysyy suojassa ja puhtaana.
Lataa akku täyteen.
Anna akun olla 24 tuntia, tarkista sitten akun jännite.
Note: Jos akun jännite on alle 12,6 V, toista vaiheet 1 ja 2.
Irrota kaapelit akusta.
Tarkista jännite aika ajoin ja varmista, että jännite on 12,4 V tai enemmän.
Note: Jos akun jännite on alle 12,4 V, toista vaiheet 1 ja 2.
Säilytä akkua pystyasennossa viileässä, kuivassa paikassa.
Älä pinoa akkuja suoraan päällekkäin, elleivät ne ole pahvilaatikoissa.
Älä pinoa enempää kuin kolmea akkua (vain kahta, jos akkutyyppi on kaupallinen).
Testaa nesteakkua 4–6 kuukauden välein ja lataa se tarvittaessa.
Testaa ja lataa akku aina ennen asennusta.
| Problem | Possible Cause | Corrective Action |
|---|---|---|
| Polttoainesäiliössä näkyy merkkejä hajoamisesta tai polttoaine näyttää loppuvan usein koneesta. |
|
|
| Moottori ylikuumenee. |
|
|
| Käynnistin ei pyöritä. |
|
|
| Moottori ei käynnisty, käynnistyy huonosti tai ei pysy käynnissä. |
|
|
| Moottori menettää tehoaan. |
|
|
| Kone ei liiku. |
|
|
| Kone tärisee epänormaalisti. |
|
|
| Epätasainen leikkuukorkeus. |
|
|
| Terät eivät pyöri. |
|
|
