| Intervalo de mantenimiento y servicio | Procedimiento de mantenimiento |
|---|---|
| Cada vez que se utilice o diariamente |
|
Este cortacésped de asiento de cuchillas rotativas está diseñado para ser usado por usuarios particulares en aplicaciones residenciales. Está diseñado principalmente para segar césped bien mantenido.
Lea este manual detenidamente para aprender a utilizar y mantener correctamente su producto, y para evitar lesiones y daños al producto. Usted es responsable de utilizar el producto de forma correcta y segura.
Visite www.Toro.com para buscar materiales de formación y seguridad o información sobre accesorios, para localizar un distribuidor o para registrar su producto.
Cuando necesite asistencia técnica, piezas genuinas Toro o información adicional, póngase en contacto con un Servicio Técnico Autorizado o con Asistencia al Cliente de Toro, y tenga a mano los números de modelo y serie de su producto. Figura 1 identifica la ubicación de los números de modelo y serie en el producto. Escriba los números en el espacio provisto.
Important: Con su dispositivo móvil, puede escanear el código QR de la pegatina del número de serie (en su caso) para acceder a información sobre la garantía, las piezas, y otra información sobre el producto.

Anote a continuación los números de modelo y de serie de su producto:
Este manual utiliza 2 palabras más para resaltar información. Importante llama la atención sobre información mecánica especial, y Nota resalta información general que merece una atención especial.
Este producto cumple todas las directivas europeas aplicables; si desea más detalles, consulte la Declaración de Conformidad (Declaration of Conformity – DOC) de cada producto.
Par bruto o neto: El par bruto o neto de este motor lo calculó el fabricante del motor con arreglo a lo estipulado en el documento J1940 o J2723 de la Society of Automotive Engineers (Sociedad de Ingenieros del Automóvil – SAE). Debido a que el motor está configurado para cumplir los requisitos de seguridad, emisiones y operación, su potencia real en este tipo de segadora será significativamente menor. Consulte la información del fabricante del motor incluida con la máquina.
Vaya a www.Toro.com para ver las especificaciones correspondientes a su modelo.
Important: Si se utiliza una máquina con motor Toro a una altitud superior a 1500 m durante un periodo de tiempo prolongado, asegúrese de instalar el Kit de gran altitud para que la máquina cumpla las normas de emisiones de EPA/CARB. El Kit de gran altitud mejora las prestaciones del motor y evita el ensuciamiento de las bujías, las dificultades en el arranque, y el incremento de las emisiones. Después de instalar el kit, aplique la pegatina de gran altitud junto a la pegatina que lleva el número de serie de la máquina. Póngase en contacto con cualquier Servicio Técnico Autorizado Toro para adquirir el Kit de gran altitud y la pegatina de gran altitud correctos para su máquina. Para localizar un distribuidor cerca de usted, visite nuestra página web www.toro.com o póngase en contacto con el Departamento de Asistencia al Cliente Toro usando el número que figura en su Declaración de garantía de control de emisiones.Retire el kit del motor y restablezca la configuración original de fábrica antes de utilizar el motor por debajo de los 1500 m. No haga funcionar un motor convertido para gran altitud a altitudes menores; si lo hace, podría sobrecalentar y dañar el motor.Si no está seguro de si la máquina ha sido convertida para funcionar a gran altitud, busque la pegatina siguiente.

Esta máquina ha sido diseñada con arreglo a lo estipulado en la norma EN ISO 5395:2013.
Este símbolo de advertencia de seguridad (Figura 3) se utiliza tanto en este manual como en la máquina para identificar mensajes de seguridad importantes que deben seguirse con el fin de evitar accidentes.
Este símbolo significa: ¡ATENCIÓN! MANTÉNGASE ALERTA. SU SEGURIDAD ESTÁ EN JUEGO.

El símbolo de advertencia de seguridad aparece encima de información que le avisa de situaciones o acciones no seguras e irá seguido del término PELIGRO, ADVERTENCIA, o PRECAUCIÓN.
PELIGRO: Indica una situación peligrosa inminente que, si no se evita, provocará la muerte o lesiones graves.
ADVERTENCIA: Indica una situación potencialmente peligrosa que, si no se evita, podría producir la muerte o lesiones graves.
PRECAUCIÓN: Indica una situación potencialmente peligrosa que, si no se evita, puede producir lesiones menores o moderadas.
Este manual utiliza dos palabras más para resaltar información. Importante llama la atención sobre información mecánica especial, y Nota resalta información general que merece una atención especial.
Esta máquina puede amputar manos y pies, así como lanzar objetos al aire. Toro ha diseñado y probado esta segadora para ofrecer un servicio razonablemente seguro. No obstante, si no se siguen las instrucciones de seguridad podrían producirse lesiones o la muerte.
Lea, comprenda y siga todas las instrucciones y las advertencias del Manual del operador y otro material de formación, en la máquina, en el motor y en los accesorios. Todos los operadores y mecánicos deben recibir una formación adecuada. Si el o los operadores o mecánicos no saben leer en el idioma de este manual, es responsabilidad del propietario explicarles este material. En nuestro sitio web pueden estar disponibles los materiales en otros idiomas.
Permita que utilicen la máquina únicamente los operadores formados, responsables y físicamente capaces que estén familiarizados con el funcionamiento seguro, los controles del operador y las señales instrucciones de seguridad. No deje nunca que el equipo sea utilizado o mantenido por niños o por personas que no hayan recibido la formación adecuada al respecto. La normativa local puede imponer límites sobre la edad del operador.
No utilice la máquina cerca de terraplenes, fosas, taludes, agua, u otros peligros, o en pendientes de más de 15 grados.
No coloque las manos o los pies cerca de componentes en movimiento de la máquina.
No utilice nunca la máquina si los protectores, las defensas o las cubiertas presentan daños. Coloque siempre las defensas, los protectores, los interruptores y otros dispositivos y manténgalos en condiciones óptimas de funcionamiento.
Pare la máquina, apague el motor y retire la llave antes de realizar tareas de mantenimiento o repostaje, y antes de eliminar obstrucciones en la máquina.

![]() |
Las pegatinas de seguridad e instrucciones están a la vista del operador y están ubicadas cerca de cualquier zona de peligro potencial. Sustituya cualquier pegatina que esté dañada o que falte. |




















Antes de poner en marcha el motor y trabajar con la máquina, familiarícese con todos los controles en Figura 6 y Figura 7.

El indicador de combustible muestra la cantidad de combustible que hay en el depósito (Figura 7).

El acelerador controla la velocidad del motor y tiene un ajuste variable continuo de LENTO a RáPIDO (Figura 6).
Utilice el control del estárter para poner en marcha un motor frío.
El horímetro registra el número de horas de operación de la máquina. Funciona cuando el motor está en marcha. El recuento de horas se utiliza a la hora de programar el mantenimiento regular (Figura 6).
Utilice las palancas de control de movimiento para conducir la máquina hacia adelante y hacia atrás y para girar en ambos sentidos (Figura 5).
Mueva las palancas de control de movimiento hacia fuera, desde la posición central a la posición de BLOQUEO/PUNTO MUERTO antes de bajarse de la máquina (Figura 32). Ponga siempre las palancas de control de movimiento en posición de BLOQUEO/PUNTO MUERTO cuando pare la máquina o antes de dejarla desatendida.
La palanca del freno de estacionamiento está situada en el lado izquierdo de la consola (Figura 5). La palanca de freno acciona un freno de estacionamiento situado en las ruedas motrices.
Para poner el freno de estacionamiento, tire hacia arriba de la palanca del freno de estacionamiento hasta que se enganche en la ranura de retención.
Para quitar el freno de estacionamiento, saque la palanca de la ranura de retención y hacia usted, luego empújela hacia abajo.
El sistema de pedal de elevación de la carcasa le permite elevar y bajar la carcasa desde el asiento. Puede utilizar el pedal para elevar la carcasa brevemente con el fin de evitar obstáculos, o bien para bloquear la carcasa en la posición de altura de corte más alta o de transporte (Figura 5).
La palanca del sistema de control Smart Speed™, situada debajo del puesto del operador, le permite conducir la máquina en 3 intervalos de velocidad: Perfilar, Remolcar y Segar (Figura 5).
Utilice el conector eléctrico para alimentar accesorios eléctricos de 12 V (Figura 6).
Important: Cuando no utilice el conector eléctrico de 12 V, inserte el tapón de goma para evitar daños en el mismo.
El interruptor de encendido, que se utiliza para arrancar y apagar el motor, tiene tres posiciones: DESCONECTADO, MARCHA y ARRANQUE. Consulte Cómo arrancar el motor.
El mando de control de las cuchillas, representado por un símbolo de toma de fuerza (TDF), engrana y desengrana la transmisión de potencia a las cuchillas del cortacésped (Figura 6).
La palanca de ajuste de la altura de corte funciona conjuntamente con el pedal para bloquear la carcasa a una altura de corte determinada. Ajuste la altura de corte solamente cuando la máquina esté detenida (Figura 5).
Está disponible una selección de aperos y accesorios homologados por Toro que se pueden utilizar con la máquina a fin de potenciar y aumentar sus prestaciones. Póngase en contacto con su servicio técnico autorizado o con su distribuidor Toro autorizado, o bien visite www.Toro.com para obtener una lista de todos los aperos y accesorios homologados.
Para asegurar un rendimiento óptimo y mantener la certificación de seguridad de la máquina, utilice solamente piezas y accesorios genuinos Toro. Las piezas de repuesto y accesorios de otros fabricantes podrían ser peligrosos, y su uso podría invalidar la garantía del producto.
Note: Los lados derecho e izquierdo de la máquina se determinan desde la posición normal del operador.
Evalúe el terreno para determinar los accesorios y aperos necesarios para realizar el trabajo de manera correcta y segura. Utilice solamente los accesorios y aperos aprobados por Toro.
Inspeccione la zona en la que va a utilizar el equipo y retire cualquier piedra, juguete, palo, alambre, hueso u otro objeto extraño, ya que pueden ser arrojados o interferir con el funcionamiento de la máquina y pueden producir lesiones personales al operador o a otras personas.
Lleve equipos de protección personal adecuados, como gafas de seguridad, calzado resistente y antideslizante y protección auditiva. Si tiene el pelo largo, recójaselo y evite llevar prendas o joyas sueltas que puedan enredarse en las piezas en movimiento.
Esta máquina produce niveles sonoros que superan los 85 dBA en el oído del operador, que pueden causar pérdidas auditivas en caso de periodos extendidos de exposición.
Lleve protección auditiva mientras opera esta máquina.
Compruebe que los controles de presencia del operador, los interruptores de seguridad y los protectores de seguridad están instalados y que funcionan correctamente. No utilice la máquina si no funcionan correctamente.
No utilice el cortacésped si se encuentran otras personas, especialmente niños, o animales en las inmediaciones. Pare la máquina y los accesorios si alguien entra en la zona.
No utilice la máquina sin el sistema completo de recogida de hierba, el deflector de descarga u otros dispositivos de seguridad colocados y en condiciones óptimas de funcionamiento. Los componentes del recogehierbas están sujetos a desgaste, daños y deterioro, lo que podría dejar expuestas las piezas móviles o permitir la expulsión de objetos hacia el exterior. Compruebe con frecuencia los componentes desgastados o deteriorados y sustitúyalos por piezas recomendadas por el fabricante cuando sea necesario.
Llene el depósito de combustible en terreno llano. Consulte las Recomendaciones sobre el combustible en la sección de especificaciones para obtener información adicional sobre la gasolina.
No añada aceite a la gasolina.
No llene demasiado el depósito de combustible. Llene el depósito de combustible hasta la parte inferior del cuello de llenado. Este espacio vacío en el depósito permitirá la dilatación de la gasolina. Si se llena demasiado, puede haber fugas de combustible, o puede dañarse el motor o el sistema de emisiones.
Asegúrese de que comprende los controles, sus ubicaciones, sus funciones y sus requisitos de seguridad.
Consulte la sección de Mantenimiento y siga todos los pasos necesarios de inspección y mantenimiento.
Extreme las precauciones al manejar combustible.
En determinadas condiciones la gasolina es extremadamente inflamable y sus vapores son explosivos.
Un incendio o una explosión de gasolina puede causar quemaduras a usted y a otras personas, y provocar daños materiales.
Llene el depósito de combustible en el exterior sobre terreno llano, en una zona abierta y con el motor frío. Limpie la gasolina derramada.
No llene ni vacíe nunca el depósito de combustible dentro de un edificio o de un remolque cerrado.
No llene completamente el depósito de combustible. Llene el depósito de combustible hasta la parte inferior del cuello de llenado. Este espacio vacío en el depósito permitirá la dilatación de la gasolina. Si se llena demasiado, puede haber fugas de combustible, o puede dañarse el motor o el sistema de emisiones.
No fume nunca mientras maneja la gasolina, y aléjese de llamas desnudas o de lugares en los que los vapores de la gasolina puedan ser prendidos por una chispa.
Almacene la gasolina en un recipiente homologado y manténgala fuera del alcance de los niños.
Añada el combustible antes de arrancar el motor. No retire nunca el tapón del depósito de combustible ni añada combustible si el motor está en funcionamiento o si el motor está caliente.
Si se derrama el combustible, no intente arrancar el motor. Aléjese del área del derrame y evite generar cualquier fuente de ignición hasta que se hayan disipado los vapores del combustible.
No utilice la máquina a menos que el sistema de escape completo esté correctamente colocado y en buenas condiciones de funcionamiento.
En determinadas condiciones durante el repostaje, puede producirse una descarga de electricidad estática con chispa que puede prender los vapores de la gasolina. Un incendio o una explosión provocada por la gasolina puede causarle quemaduras a usted y a otras personas y provocar daños materiales.
Coloque siempre los recipientes de gasolina en el suelo, lejos del vehículo que está repostando.
No llene los recipientes de gasolina dentro de un vehículo, camión o remolque ya que las alfombras o los revestimientos de plástico del interior de los remolques podrían aislar el recipiente y retrasar la pérdida de la carga estática.
Cuando sea posible, retire el equipo a repostar del camión o remolque y reposte con las ruedas del equipo sobre el suelo.
Si esto no es posible, reposte el equipo sobre el camión o remolque desde un recipiente portátil, en vez de usar un surtidor de gasolina.
Si es imprescindible el uso de un surtidor, mantenga la boquilla en contacto con el borde del depósito de combustible o la abertura del recipiente en todo momento hasta que termine de repostar. No utilice dispositivos que mantengan abierta la boquilla.
La gasolina es dañina o mortal si es ingerida. La exposición a largo plazo a sus vapores ha producido cáncer en animales de laboratorio. El no tomar las precauciones debidas puede causar lesiones o enfermedades graves.
Evite la respiración prolongada de los vapores.
No acerque la cara a la boquilla o a la boca de llenado de los depósitos o recipientes de gasolina.
Mantenga la gasolina alejada de los ojos y de la piel.
No haga sifón nunca utilizando la boca.
Para evitar incendios:
Mantenga el motor y el área del mismo sin restos de hierba, hojas, exceso de grasa o aceite y otros residuos que pueden acumularse en estas áreas.
Limpie los derrames de aceite y combustible y retire los residuos mojados con combustible.
Espere a que se enfríe la máquina antes de guardarla en un recinto cerrado. No la guarde cerca de llamas o en áreas cerradas en las que se encuentren llamas piloto o electrodomésticos de calor.
Para obtener los mejores resultados, utilice solamente gasolina fresca (comprada hace menos de 30 días), sin plomo, de 87 o más octanos (método de cálculo (R+M)/2).
Etanol: Es aceptable el uso de gasolina con hasta el 10% de etanol (gasohol) o el 15% de MTBE (éter metil tert-butílico) por volumen. El etanol y el MTBE no son lo mismo. No está autorizado el uso de gasolina con el 15% de etanol (E15) por volumen. No utilice nunca gasolina que contenga más del 10% de etanol por volumen, como por ejemplo la E15 (contiene el 15% de etanol), la E20 (contiene el 20% de etanol) o la E85 (contiene hasta el 85% de etanol). El uso de gasolina no autorizada puede causar problemas de rendimiento o daños en el motor que pueden no estar cubiertos bajo la garantía.
No utilice gasolina que contenga metanol.
No guarde combustible en el depósito de combustible o en recipientes de combustible durante el invierno, a menos que utilice un estabilizador de combustible.
No añada aceite a la gasolina.
Utilice estabilizador/acondicionador en la máquina en todo momento para mantener el combustible fresco durante más tiempo, siguiendo las indicaciones del fabricante del estabilizador de combustible.
Important: No utilice aditivos de combustible que contengan metanol o etanol.
Agregue la cantidad apropiada de estabilizador/acondicionador a combustible fresco, siguiendo las indicaciones del fabricante del estabilizador de combustible.
Aparque la máquina en una superficie nivelada.
Accione el freno de estacionamiento.
Apague el motor y retire la llave.
Limpie alrededor del tapón del depósito de combustible.
Llene el depósito de combustible hasta que el indicador de combustible llegue a la marca de lleno (Figura 8).
Note: No llene completamente el depósito de combustible. El espacio vacío en el depósito permitirá la dilatación de la gasolina.

Antes de arrancar la máquina cada día, realice los procedimientos diarios indicados en .
Los motores nuevos necesitan tiempo para desarrollar toda su potencia. La fricción generada por las carcasas y los sistemas de propulsión de las segadoras es mayor cuando éstos son nuevos, lo que supone una carga adicional para el motor. Las máquinas nuevas necesitan un periodo de rodaje de 40–50 horas para desarrollar la máxima potencia y el mejor rendimiento.
Si los interruptores de seguridad son desconectados o están dañados, la máquina podría ponerse en marcha inesperadamente, causando lesiones personales.
No manipule los interruptores de seguridad.
Compruebe la operación de los interruptores de seguridad cada día, y sustituya cualquier interruptor dañado antes de operar la máquina.
El sistema de interruptores de seguridad ha sido diseñado para impedir que el motor arranque, a menos que:
El mando de control de las cuchillas (TDF) está desengranado.
Las palancas de control de movimiento estén en la posición de BLOQUEO/PUNTO MUERTO.
El freno de estacionamiento está accionado.
El sistema de interruptores de seguridad también está diseñado para detener el motor si se mueven las palancas de control fuera de la posición de BLOQUEO/PUNTO MUERTO y usted se levanta del asiento.
| Intervalo de mantenimiento y servicio | Procedimiento de mantenimiento |
|---|---|
| Cada vez que se utilice o diariamente |
|
Compruebe el sistema de interruptores de seguridad cada vez que vaya a trabajar con la máquina. Si el sistema no funciona de la forma que se describe a continuación, póngase en contacto con un Servicio Técnico Autorizado para que lo reparen inmediatamente.
Siéntese en el asiento, accione el freno de estacionamiento y mueva el mando de control de las cuchillas (TDF) a la posición de ENGRANADO. Intente arrancar el motor; el motor no debe arrancar.
Siéntese en el asiento, accione el freno de estacionamiento y mueva el mando de control de las cuchillas (TDF) a la posición de DESENGRANADO. Mueva cualquiera de las palancas de control de movimiento (fuera de la posición de BLOQUEO/PUNTO MUERTO). Intente arrancar el motor; el motor no debe arrancar. Repita con la otra palanca de control.
Siéntese en el asiento, ponga el freno de estacionamiento, mueva el mando de control de las cuchillas (TDF) a DESENGRANADO y mueva las palancas de control de movimiento a la posición de BLOQUEO/PUNTO MUERTO. Arranque el motor. Con el motor en marcha, quite el freno de estacionamiento, engrane el mando de control de las cuchillas (TDF) y levántese un poco del asiento; el motor debe apagarse.
Siéntese en el asiento, ponga el freno de estacionamiento, mueva el mando de control de las cuchillas (TDF) a DESENGRANADO y mueva las palancas de control de movimiento a la posición de BLOQUEO/PUNTO MUERTO. Arranque el motor. Con el motor en marcha, ponga cualquiera de las palancas de control de movimiento en la posición central y muévala hacia adelante o hacia atrás; el motor debe apagarse. Repita para la otra palanca de control de movimiento.
Siéntese en el asiento, quite el freno de estacionamiento, mueva el mando de control de las cuchillas (TDF) a DESENGRANADO y mueva las palancas de control de movimiento a la posición de BLOQUEO/PUNTO MUERTO. Intente arrancar el motor; el motor no debe arrancar.
El asiento puede moverse hacia delante y hacia atrás. Coloque el asiento en la posición que le permita controlar mejor la máquina y en la que esté más cómodo (Figura 9).

El sistema de suspensión MyRide™ puede ajustarse para que la conducción sea más suave y cómoda. Puede ajustar los dos amortiguadores traseros para cambiar de manera rápida y sencilla el sistema de suspensión. Seleccione la posición del sistema de suspensión que le resulte más cómodo.
Las ranuras de los conjuntos de amortiguador trasero tienen muescas de posicionamiento para su referencia. Puede colocar los conjuntos de amortiguador trasero en cualquier lugar en la ranura, no solo en las muescas de posicionamiento.
El siguiente gráfico muestra la posición para una conducción blanda o firme, y la ubicación de las muescas de posicionamiento (Figura 10).

Note: Asegúrese de ajustar los conjuntos de amortiguador trasero izquierdo y derecho a las mismas posiciones.
Ajuste los conjuntos de amortiguador trasero (Figura 11).


Puede ajustar las palancas de control de movimiento hacia arriba o hacia abajo para que su uso sea más cómodo (Figura 12).

Puede ajustar las palancas de control de movimiento hacia delante o hacia atrás para que su uso sea más cómodo.
Retire el perno superior que sujeta la palanca de control al brazo de la palanca.
Afloje el perno inferior lo suficiente para poder desplazar hacia adelante o hacia atrás la palanca de control (Figura 12).
Apriete ambos pernos para fijar la palanca de control en la posición nueva.
Repita el ajuste con la otra palanca de control.
La carcasa del cortacésped y las cuchillas suministradas con la máquina se han diseñado para optimizar el rendimiento en los modos de mulching y de descarga lateral.
Instale las fijaciones en los mismos taladros de la carcasa de los que fueron retirados originalmente. Esto asegura que no quedan taladros sin tapar al utilizar la carcasa del cortacésped.
Los huecos o taladros abiertos en la máquina le exponen a usted y a otras personas a residuos arrojados, que pueden causar lesiones graves.
No haga funcionar nunca la máquina sin que todos los orificios de la carcasa de la máquina estén tapados con fijaciones.
Instale los herrajes en los taladros de montaje al retirar el deflector de mulching.
Aparque la máquina en una superficie nivelada, desengrane el mando de control de las cuchillas y ponga el freno de estacionamiento.
Apague el motor, retire la llave y espere a que se detengan todas las piezas en movimiento antes de abandonar el puesto del operador.
Retire la carcasa del cortacésped; consulte Retirada de la carcasa de la segadora.
Retire las 2 contratuercas (5/16") de las clavijas soldadas del deflector izquierdo, en la parte superior de la carcasa del cortacésped, en las posiciones centro y centro izquierda (Figura 13).

Retire el perno de cuello cuadrado y la contratuerca, situados en la pared lateral de la carcasa del cortacésped, que sujetan el deflector izquierdo a la carcasa.
Retire el deflector izquierdo de la carcasa del cortacésped según se muestra en Figura 13.
Retire los 2 pernos de cuello cuadrado (5/16" x ¾") y las 2 contratuercas (5/16") que sujetan el deflector derecho y el protector del deflector montados en la carcasa del cortacésped (Figura 14).

Retire las 2 contratuercas (5/16") que sujetan las clavijas soldadas del deflector derecho a la parte superior de la carcasa del cortacésped en las posiciones centro y centro derecha (Figura 15).
Note: Retire el deflector derecho de la carcasa del cortacésped.

Localice el tabique en la bolsa de piezas sueltas y retire las fijaciones de los taladros traseros de la placa de descarga (Figura 16).

Instale el deflector en el orificio de descarga lateral de la carcasa del cortacésped.
Utilice las fijaciones retiradas para sujetar el tabique a la carcasa.
Instale la carcasa del cortacésped; consulte Instalación de la carcasa del cortacésped.
Aparque la máquina en una superficie nivelada, desengrane el mando de control de las cuchillas y ponga el freno de estacionamiento.
Apague el motor, retire la llave y espere a que se detengan todas las piezas en movimiento antes de abandonar el puesto del operador.
Retire la carcasa del cortacésped; consulte Retirada de la carcasa de la segadora.
Retire las 3 contratuercas (5/16") de las clavijas soldadas del deflector izquierdo, en la parte superior de la carcasa del cortacésped, en las posiciones centro, centro izquierda e izquierda (Figura 17).

Retire el perno de cuello cuadrado y la contratuerca, situados en la pared lateral de la carcasa del cortacésped, que sujetan el deflector izquierdo a la carcasa (Figura 17).
Retire el deflector izquierdo de la carcasa del cortacésped (Figura 17).
Localice los 2 pernos en las piezas sueltas, y utilice las contratuercas existentes para instalar estas fijaciones en los taladros indicados en Figura 17 de la carcasa del cortacésped para evitar que se arrojen residuos al aire.
Note: Instale el perno hacia arriba desde la parte inferior de la carcasa y sujételo con una de las contratuercas existentes.
Retire el perno de cuello cuadrado (5/16" x ¾") y la contratuerca (5/16"), situados en la pared trasera de la carcasa de corte, que sujetan el deflector a la carcasa (Figura 18).

Localice el protector del deflector en el borde delantero del orificio de descarga lateral (Figura 18).
Retire las fijaciones que sujetan el protector del deflector y el deflector derecho a la carcasa del cortacésped (Figura 18).
Note: Retire el protector del deflector y guarde todas las fijaciones.
Retire las 2 contratuercas (5/16") que sujetan las clavijas soldadas del deflector derecho a la parte superior de la carcasa del cortacésped en las posiciones centro y centro derecha (Figura 19).

Retire el perno de cuello cuadrado y la contratuerca que sujetan el deflector derecho a la parte superior de la carcasa del cortacésped, y retire el deflector derecho de la carcasa del cortacésped (Figura 19).
Instale las fijaciones retirados anteriormente en los taladros delanteros de la placa de descarga y en el taladro delantero de la carcasa (Figura 18).
Localice el tabique en la bolsa de piezas sueltas, retire las fijaciones de los taladros traseros de la placa de descarga, e instale el tabique en el orificio de descarga lateral de la carcasa del cortacésped (Figura 20).

Utilice las fijaciones retiradas para sujetar el tabique a la carcasa.
Instale la carcasa del cortacésped; consulte Instalación de la carcasa del cortacésped.
El operador debe prestar toda su atención al utilizar la máquina. No realice ninguna actividad que genere distracciones, de lo contrario pueden producirse lesiones o daños en la propiedad.
Las piezas del motor, en especial el silenciador, alcanzan temperaturas extremas. Se pueden producir quemaduras graves por contacto y los residuos, como las hojas, la hierba, la maleza, etc., pueden incendiarse.
Deje que las piezas del motor, sobre todo el silenciador, se enfríen antes de tocarlos.
Retire los residuos acumulados del silenciador y del área del motor.
Los gases de escape del motor contienen monóxido de carbono que es un veneno inodoro que puede matarle.
No ponga en marcha el motor en interiores o en un área cerrada y pequeña en la que puedan acumularse vapores peligrosos de monóxido de carbono.
El propietario/usuario puede prevenir, y es responsable de, los accidentes o lesiones sufridos por él mismo, o por otras personas o bienes.
Esta segadora se ha diseñado solo para un operador. No transporte a pasajeros y mantenga a otras personas alejadas de la máquina durante el uso.
No utilice la máquina si está enfermo, cansado o bajo la influencia de alcohol o drogas.
Utilice la máquina siempre de día o con una buena iluminación artificial.
Los rayos pueden causar graves lesiones o incluso la muerte. Si se ven relámpagos o rayos o se oyen truenos en la zona, no utilice la máquina; busque un lugar donde resguardarse.
Extreme las precauciones al trabajar con accesorios o aperos, tales como los sistemas de recogida de hierba. Éstos pueden cambiar la estabilidad de la máquina y causar pérdidas de control. Siga las instrucciones sobre los contrapesos, si es necesario.
Manténgase alejado de baches, surcos, montículos, rocas u otros peligros ocultos. Tenga cuidado al acercarse a esquinas ciegas, arbustos, árboles, hierba alta u otros objetos que puedan ocultar obstáculos o dificultar la visión. El terreno irregular podría hacer volcar la máquina o hacer que el operador perdiera el equilibrio.
Asegúrese de que todas las transmisiones están en punto muerto y que el freno de mano está puesto antes de arrancar el motor.
Arranque el motor con cuidado siguiendo las instrucciones y con los pies bien alejados de las cuchillas.
No utilice nunca la segadora si los protectores, las defensas o las cubiertas presentan daños. Coloque siempre las defensas, los protectores, los interruptores y otros dispositivos y manténgalos en condiciones óptimas de funcionamiento.
Manténgase alejado del conducto de descarga en todo momento. No utilice nunca la segadora con la tapa de descarga elevada, retirada o alterada, a menos que se haya colocado un sistema de recogida de hierba o un kit de mulching que funcione correctamente.
Mantenga las manos y los pies alejados de las piezas en movimiento. Si es posible, no realice ajustes mientras el motor está funcionando.
Las manos, los pies, las prendas de vestir o los accesorios se pueden enredar en las piezas giratorias. El contacto con piezas giratorias puede producir una amputación traumática o cortes graves.
No utilice la máquina sin protectores, defensas y dispositivos de seguridad o si no funcionan correctamente.
Mantenga las manos, los pies, el cabello, las joyas o las prendas alejados de las piezas giratorias.
Nunca levante la carcasa con las cuchillas en funcionamiento.
Esté atento a la ruta de descarga de la segadora y mantenga la descarga alejada de otras personas. Evite la descarga de material contra una pared u obstrucción, ya que el material podría rebotar hacia el operador. Pare las cuchillas, reduzca la velocidad y tenga cuidado al cruzar superficies que no sean de hierba y al transportar la segadora hacia y desde la zona a segar.
Esté alerta, vaya más despacio y extreme las precauciones en los giros. Mire detrás y al lado antes de cambiar de dirección. No corte el césped en marcha atrás a menos que sea absolutamente necesario.
No cambie los ajustes del regulador del motor ni haga funcionar el motor a una velocidad excesiva.
Aparque la máquina en una superficie nivelada. Pare el motor, espere a que se detengan todas las piezas en movimiento y retire los cables de las bujías.
Antes de inspeccionar, limpiar o hacer mantenimiento en el cortacésped.
Tras golpear un objeto extraño o si se produce una vibración anormal, inspeccione la segadora y repare cualquier daño antes de volver a arrancar y utilizar la segadora.
Antes de limpiar atascos.
Siempre que deje la segadora sin supervisar. No deje la máquina desatendida mientras esté funcionando.
Pare el motor y espere a que se detengan todas las piezas en movimiento.
Antes de repostar.
Antes de vaciar el recogedor.
Antes de ajustar la altura.
Pueden ocurrir accidentes trágicos si el operador no está alerta a la presencia de niños. A menudo los niños se sienten atraídos por la máquina y la actividad de segar. No suponga nunca que los niños van a permanecer en el último lugar en que los vio.
Mantenga a los niños alejados de la zona de siega y bajo la supervisión de un adulto responsable que no sea el operador.
Manténgase alerta y pare la máquina si entran niños en la zona.
Antes de ir hacia atrás y mientras va hacia atrás o al cambiar de dirección, mire hacia atrás, hacia abajo y de lado a lado por si hubiera niños pequeños.
Nunca permita a los niños utilizar la máquina.
No transporte a niños, ni siquiera con las cuchillas apagadas. Los niños pueden caerse y sufrir lesiones graves o interferir con el funcionamiento seguro de la máquina. Los niños que hayan subido anteriormente a la máquina pueden aparecer de repente en el área de siega para volver a subirse y podrían ser atropellados por la máquina.
Las pendientes son una de las principales causas de accidentes por pérdida de control y vuelcos, que pueden causar lesiones graves o la muerte. El operador es responsable de la seguridad cuando trabaja en pendientes. La conducción de la máquina en pendientes requiere extremar la precaución. Antes de utilizar la máquina en pendientes, el operador debe:
Lea y comprenda las instrucciones sobre pendientes del manual y las que están colocadas en la máquina.
Utilice un indicador de ángulo para determinar la inclinación aproximada de la zona.
No utilice la máquina nunca en pendientes de más de 15 grados.
Evalúe las condiciones del lugar de trabajo para determinar si es seguro trabajar en la pendiente con la máquina. Utilice el sentido común y el buen juicio al realizar este evaluación. Cualquier cambio que se produzca en el terreno, como por ejemplo un cambio de humedad, puede afectar rápidamente al uso de la máquina en una pendiente.
Identifique cualquier obstáculo situado en la base de la pendiente. No utilice la máquina cerca de terraplenes, fosas, taludes, agua u otros peligros. La máquina podría volcar repentinamente si una rueda pasa por el borde de un terraplén o fosa, o si se socava un talud. Mantenga una distancia prudente (el doble de la anchura de la máquina) entre la máquina y cualquier peligro. Utilice una máquina manual o una desbrozadora manual para segar la hierba en estas zonas.

Evite arrancar, parar o girar la máquina en pendientes. Evite hacer cambios bruscos de velocidad o de dirección; gire poco a poco, y a baja velocidad.
No utilice la máquina en condiciones que puedan comprometer la tracción, la dirección o la estabilidad de la máquina. Tenga en cuenta que el uso de la máquina en hierba húmeda, a través de pendientes o en pendientes descendentes puede hacer que la máquina pierda tracción. La transferencia de peso a las ruedas delanteras puede hacer que patinen las ruedas, con pérdida de frenado y de control de dirección. La máquina puede deslizarse incluso con las ruedas motrices inmovilizadas.
Retire o señale obstáculos como terraplenes, baches, surcos, montículos, rocas u otros peligros ocultos. La hierba alta puede ocultar obstáculos. Un terreno irregular podría hacer volcar la máquina.
Extreme las precauciones al trabajar con accesorios o aperos, tales como los sistemas de recogida de hierba. Éstos pueden cambiar la estabilidad de la máquina y causar pérdidas de control. Siga las instrucciones sobre los contrapesos.
Si es posible, mantenga la carcasa bajada al suelo mientras trabaje en pendientes. La elevación de la carcasa mientras se trabaja en pendientes puede hacer que la máquina pierda estabilidad.
Utilice la carcasa de la segadora como peldaño para acceder al puesto del operador (Figura 22).

Accione siempre el freno de estacionamiento cuando pare la máquina o cuando la deje desatendida.
Aparque la máquina en una superficie nivelada.

Para quitar el freno de estacionamiento, saque la palanca de la ranura de retención y muévala hacia usted, luego empújela hacia abajo (Figura 24).


Puede mover el control del acelerador entre las posiciones de RáPIDO y LENTO (Figura 28).
Utilice siempre la posición de RáPIDO para engranar la TDF.

Utilice el estárter para poner en marcha el motor en frío.
Tire hacia arriba del mando para engranar el estárter antes de usar el interruptor de encendido (Figura 29).
Note: Asegúrese de activar correctamente el estárter. Puede ser necesario sujetar el mando hacia arriba mientras acciona el interruptor de encendido.
Presione hacia abajo el mando del estárter para desactivar el estárter después de que el motor arranque (Figura 29).

Gire la llave a la posición de ARRANQUE (Figura 30).
Note: Cuando el motor arranque, suelte la llave.
Important: No active el motor de arranque durante más de 5 segundos cada vez. Si el motor no arranca, espere 10 segundos entre intentos. Si no se siguen estas instrucciones, puede quemarse el motor de arranque.
Note: Pueden ser necesarios varios intentos de arranque para arrancar el motor por primera vez después de quedarse el sistema de combustible totalmente vacío de combustible.

Gire la llave a la posición DESCONECTADO para apagar el motor.
Note: Si el motor está caliente, puede no ser necesario usar el estárter.
Important: No active el motor de arranque durante más de 5 segundos cada vez. Si se acciona el motor de arranque durante más de 5 segundos seguidos, puede dañarse. Si el motor no arranca, espere 10 segundos antes de utilizar el motor de arranque de nuevo.

Desengrane las cuchillas moviendo el mando de control de las cuchillas a la posición de DESENGRANADO (Figura 27).
Accione el freno de estacionamiento; consulte Accionamiento del freno de estacionamiento.
Mueva el control del acelerador a la posición de RáPIDO.
Gire la llave a la posición de DESCONECTADO y retire la llave.
Los niños u otras personas podrían resultar lesionados si mueven o intentan operar la máquina mientras está desatendida.
Retire siempre la llave y ponga el freno de estacionamiento cuando deje la máquina sin supervisión.

Las ruedas motrices giran de manera independiente, impulsadas por motores hidráulicos en cada eje. Un lado puede girar hacia atrás mientras que el otro lado gira hacia adelante, haciendo que la máquina rote sobre su eje en lugar de trazar una curva. Esto mejora mucho la maniobrabilidad de la máquina, pero puede ser necesario un periodo de adaptación si no está familiarizado con este sistema.
El control del acelerador regula la velocidad del motor en rpm (revoluciones por minuto). Ponga el acelerador en posición RáPIDO para conseguir el mejor rendimiento. Siegue siempre con el acelerador en posición rápido.
La máquina puede girar muy rápidamente. Puede perder el control de la máquina y causar lesiones personales o daños a la máquina.
Extreme las precauciones al girar.
Reduzca la velocidad de la máquina antes de hacer giros cerrados.
Note: El motor se apaga si mueve el control de tracción con el freno de estacionamiento accionado.
Para detener la máquina, tire de las palancas de control de movimiento a la posición de PUNTO MUERTO.
Quite el freno de estacionamiento; consulte Desengranaje del freno de estacionamiento.
Mueva las palancas a la posición central desbloqueada.
Para ir hacia adelante, empuje lentamente las palancas de control de movimiento hacia adelante (Figura 33).

Mueva las palancas a la posición central desbloqueada.
Para ir hacia atrás, tire lentamente de las palancas de control de movimiento hacia atrás (Figura 34).

La palanca del sistema de control Smart Speed™, situada debajo del puesto del operador (Figura 35), le permite conducir la máquina en 3 intervalos de velocidad – Perfilar, Remolcar y Segar.

Para cambiar de velocidad:
Ponga las palancas de control de movimiento en punto muerto y luego muévalas hacia afuera a la posición de BLOQUEO/PUNTO MUERTO.
Desactive el mando de control de las cuchillas.
Ajuste la palanca a la posición deseada.
A continuación se ofrecen unas simples recomendaciones de uso. Los ajustes varían según el tipo de hierba, el contenido de humedad y la altura de la hierba.
| Sugerencias de uso: | Moldura | Remolcar | Siega |
| Estacionamiento | X | ||
| Césped húmedo y pesado | X | ||
| Formación | X | ||
| Ensacado | X | ||
| Mulching | X | ||
| Siega normal | X | ||
| Cómo desplazar la máquina | X |
Moldura
Ésta es la velocidad más baja. Los usos recomendados para esta velocidad son:
Estacionamiento
Siega de césped húmedo y pesado
Formación
Remolcar
Ésta es la velocidad intermedia. Los usos recomendados para esta velocidad son:
Ensacado
Mulching
Siega
Ésta es la velocidad más alta. Los usos recomendados para esta velocidad son:
Siega normal
Cómo desplazar la máquina
La palanca del sistema de control Smart SpeedTM, situada debajo del puesto del operador (Figura 36), permite al operador conducir la máquina en 3 intervalos de velocidad – Perfilar, Remolcar y Segar.

Para cambiar de velocidad:
Ponga las palancas de control de movimiento en punto muerto y luego muévalas hacia afuera a la posición de APARCAR.
Desactive el mando de control de las cuchillas.
Ajuste la palanca a la posición deseada.
A continuación se ofrecen unas simples recomendaciones de uso. Los ajustes varían según el tipo de hierba, el contenido de humedad y la altura de la hierba.
| Sugerencias de uso: | Moldura | Remolcar | Siega |
| Estacionamiento | X | ||
| Césped húmedo y pesado | X | ||
| Formación | X | ||
| Recorte de hierba | X | ||
| Ensacado | X | ||
| Mulching | X | ||
| Remolque de accesorios | X | ||
| Siega normal | X | ||
| Cómo desplazar la máquina | X |
Moldura
Ésta es la velocidad más baja. Los usos recomendados para esta velocidad son:
Estacionamiento
Siega de césped húmedo y pesado
Formación
Recorte de hierba
Remolcar
Ésta es la velocidad intermedia. Los usos recomendados para esta velocidad son:
Ensacado
Mulching
Remolque de accesorios
Siega
Ésta es la velocidad más alta. Los usos recomendados para esta velocidad son:
Siega normal
Cómo desplazar la máquina
La segadora cuenta con un deflector de hierba abisagrado que dispersa los recortes de hierba a un lado y hacia abajo, hacia el césped.
Si la máquina no tiene correctamente montado un deflector de hierba, una tapa de descarga o un recogedor completo, usted y otras personas están expuestos a contacto con las cuchillas y a residuos lanzados al aire. El contacto con las cuchillas de corte en rotación o con los residuos lanzados al aire causará lesiones o la muerte.
No retire nunca el deflector de hierba de la carcasa de corte porque el deflector de hierba dirige el material hacia abajo, al césped. Si el deflector de hierba se deteriora alguna vez, sustitúyalo inmediatamente.
No coloque nunca las manos o los pies debajo de la carcasa de corte.
No intente nunca despejar la zona de descarga o las cuchillas de corte sin antes mover el mando de control de las cuchillas (TDF) a la posición de DESENGRANADO, girar la llave de contacto a DESCONECTADO y retirar la llave del interruptor de encendido.
Compruebe que el deflector de hierba está bajado.
La máquina está equipada con un sistema de pedal de elevación de la carcasa. Puede utilizar el pedal para elevar la carcasa brevemente con el fin de evitar obstáculos, o bien para bloquear la carcasa en la posición de altura de corte más alta o de transporte. Usted puede utilizar la palanca de ajuste de la altura de corte conjuntamente con el pedal para bloquear la carcasa a una altura de corte determinada.
La altura de corte se ajusta de 38 a 114 mm en incrementos de 6 mm, colocando el pasador de altura de corte en diferentes posiciones.
Pise el pedal de elevación de la carcasa y eleve la carcasa a la posición de bloqueo de transporte (que es también la posición de altura de corte de 114 mm) (Figura 38).
Para ajustar la altura de corte, retire el pasador del soporte de altura de corte (Figura 38).
Seleccione el taladro del sistema de altura de corte que corresponde a la altura de corte deseada, e inserte el pasador (Figura 38).
Pise el pedal de elevación de la carcasa y tire hacia atrás de la palanca para desactivar el bloqueo de transporte (Figura 37).
Baje la carcasa lentamente hasta que la palanca toque el pasador.

Cada vez que se cambia la altura de corte, debe ajustarse también la altura de los rodillos protectores del césped.
Note: Ajuste los rodillos protectores del césped para que los rodillos no toquen el suelo en zonas de siega llanas y normales.
Aparque la máquina en una superficie nivelada, desengrane el mando de control de las cuchillas y ponga el freno de estacionamiento; consulte Accionamiento del freno de estacionamiento.
Apague el motor, retire la llave y espere a que se detengan todas las piezas en movimiento antes de abandonar el puesto del operador.
Ajuste los rodillos protectores del césped, tal y como se muestra en la Figura 39.

Utilice solamente aperos y accesorios autorizados por Toro.
Si instala un cubo en el protector del motor, utilice una correa de para fijarlo.
Important: El peso del cubo tiene un impacto sobre la estabilidad de la máquina. Si lleva más peso que el indicado en la tabla siguiente en un cubo acoplado al protector del motor, debe equipar la máquina con el Kit de soporte de cubos.
Póngase en contacto con su Distribuidor autorizado.
| Modelo | Peso máximo por cubo sin Kit de soporte de cubos |
| Carcasa de 122 cm | 1,1 kg |
| Carcasa de 137 cm | 1,1 kg |
| Carcasa de 152 cm | 4,5 kg |
Para aumentar al máximo la calidad de corte y la circulación de aire, haga funcionar el motor en posición RáPIDO. Se requiere aire para cortar bien la hierba, así que no ponga la altura de corte tan baja como para rodear totalmente la carcasa de hierba sin cortar. Trate siempre de tener un lado de la carcasa de corte libre de hierba sin cortar, para permitir la entrada de aire en la carcasa.
Corte la hierba algo más larga de lo habitual para asegurar que la altura de corte de la carcasa de corte no deje “calvas” en terrenos desiguales. Sin embargo, la altura de corte utilizada habitualmente suele ser la mejor. Si la hierba tiene más de 15 cm de alto, es preferible cortar el césped dos veces para asegurar una calidad de corte aceptable.
Es mejor cortar solamente un tercio aproximadamente de la hoja de hierba. No se recomienda cortar más, a menos que la hierba sea escasa o al final del otoño, cuando la hierba crece más despacio.
Alterne la dirección de corte para mantener la hierba erguida. De esta forma también se ayuda a dispersar mejor los recortes sobre el césped y se conseguirá una mejor descomposición y fertilización.
La hierba crece a velocidades distintas según la estación del año. Para mantener la misma altura de corte, siegue con más frecuencia a principios de la primavera. A medida que avanza el verano, la velocidad de crecimiento de la hierba decrece, por ello debe cortarse con menor frecuencia. Si no puede segar durante un período de tiempo prolongado, siegue primero con una altura de corte alta y, después de dos días, vuelva a segar con un ajuste más bajo.
Para mejorar la calidad de corte, utilice una velocidad de avance más baja en determinadas condiciones.
Al segar césped irregular, eleve la altura de corte, para evitar dañar el césped
Si es necesario detener el avance de la máquina mientras se corta el césped, es posible que caiga un montón de recortes sobre el césped. Para evitar esto, diríjase con las cuchillas engranadas a una zona del césped que ya haya sido segada, o desengrane la carcasa de corte al desplazarse hacia delante.
Limpie los recortes y la tierra de los bajos de la carcasa de corte después de cada uso. Si se acumulan hierba y tierra en el interior de la carcasa de corte, se deteriorará la calidad del corte.
Mantenga las cuchillas afiladas durante toda la temporada de corte, ya que una cuchilla afilada corta limpiamente y sin rasgar o deshilachar las hojas de hierba. Si se rasgan o se deshilachan, los filos de las hojas se secarán, lo cual retardará su crecimiento y favorecerá la aparición de enfermedades. Compruebe después de cada uso que las cuchillas están bien afiladas y que no están desgastadas o dañadas. Elimine cualquier mella con una lima, y afile las cuchillas si es necesario. Si una cuchilla está desgastada o deteriorada, sustitúyala inmediatamente por una cuchilla nueva genuina Toro.
Aparque la máquina en una superficie nivelada, desengrane las transmisiones, accione el freno de estacionamiento, pare el motor, retire la llave y desconecte el cable de la bujía. Espere a que se detenga todo movimiento y deje que la máquina se enfríe antes de ajustarla, limpiarla, repararla o almacenarla. No permita jamás que la máquina sea revisada o reparada por personal no debidamente formado.
Limpie la máquina tal y como se indica en la sección de Mantenimiento. Mantenga el motor y el área del mismo sin acumulación de hierba, hojas, exceso de grasa o aceite y otros residuos que pueden acumularse en estas áreas. Estos materiales pueden actuar como combustible y producir un incendio.
Compruebe con frecuencia si los componentes están desgastados o deteriorados que pudieran suponer un peligro. Apriete las fijaciones sueltas.
Utilice un remolque para cargas pesadas o un camión para transportar la máquina. Asegúrese de que el remolque o el camión tiene todas las luces y señalizaciones requeridas por la ley. Lea detenidamente todas las instrucciones de seguridad. Esta información puede ayudarle a evitar lesiones al operador, a su familia, a sus animales domésticos o a personas que se encuentren en las proximidades.
Para transportar la máquina:
Bloquee el freno y las ruedas.
Asegúrese de que la válvula de cierre del combustible está cerrada.
Sujete la máquina firmemente al remolque o al camión con cadenas, correas, cables o cuerdas. Utilice únicamente los cuatro lugares designados de amarre en el cortacésped: 2 a la izquierda y 2 a la derecha (Figura 40). Utilice estos lugares incluso al transportar el cortacésped con un accesorio conectado. El uso de lugares no designados para este fin pueden producir daños en el cortacésped y/o en el accesorio.

Fije el remolque al vehículo que lo arrastra con cadenas de seguridad.
Conducir en una calle o carretera sin señales de giro, luces, marcas reflectantes o un indicador de vehículo lento es peligroso y puede ser causa de accidentes que pueden provocar lesiones personales.
No conduzca la máquina en una calle o carretera pública.
Extreme las precauciones al cargar o descargar la máquina en o desde un remolque o un camión. Utilice una rampa de ancho completo que sea más ancha que la máquina durante este procedimiento. Suba las rampas en marcha atrás y bájelas hacia adelante (Figura 41).

Important: No utilice rampas estrechas individuales en cada lado de la máquina.
Asegúrese de que la rampa tiene una longitud suficiente, de manera que el ángulo con el suelo no supere los 15 grados (Figura 41). En terreno llano, se necesita una rampa cuya longitud sea al menos cuatro veces (4x) mayor que la altura de la plataforma del remolque o del camión sobre el suelo. Un ángulo mayor puede hacer que los componentes del cortacésped se atasquen cuando la unidad se desplaza desde la rampa al remolque o camión. Un ángulo mayor puede también provocar un vuelco o una pérdida de control de la máquina. Si se carga en o cerca de una pendiente, coloque el remolque o el camión pendiente abajo, con la rampa extendida pendiente arriba. Esto minimiza el ángulo de la rampa.
El cargar la máquina en un remolque o un camión aumenta la posibilidad de un vuelco y podría causar lesiones graves o la muerte.
Extreme las precauciones al manejar la máquina en una rampa.
Utilice únicamente una rampa de ancho completo; no utilice rampas individuales para cada lado de la máquina.
No supere un ángulo de 15 grados entre la rampa y el suelo, o entre la rampa y el remolque o camión.
Asegúrese de que la rampa tiene una longitud de al menos 4 veces (4x) la altura de la plataforma del remolque o del camión sobre el suelo. De esta forma se asegura que el ángulo de la rampa no supere los 15 grados en terreno llano.
Suba las rampas en marcha atrás y bájelas hacia adelante.
Evite acelerar o desacelerar bruscamente al conducir la máquina en una rampa, porque esto podría provocar un vuelco o una pérdida de control.

Enganche el equipo a remolcar únicamente en el punto de enganche.
Siga las recomendaciones del fabricante del accesorio sobre los límites de peso de los equipos remolcados y sobre remolcar en pendientes. El peso remolcado no debe superar el peso de la máquina, el operador y los lastres; de lo contrario, se pueden producir fallos de la transmisión hidrostática. Utilice contrapesos o pesos con ruedas, tal y como se describe en el manual del fabricante del accesorio.
No deje que suban niños u otras personas en los equipos remolcados.
En las pendientes, el peso del equipo remolcado puede causar una pérdida de tracción, aumentar el riesgo de vuelco o provocar una pérdida de control. Reduzca el peso remolcado y vaya más despacio.
La distancia de parada aumenta con el peso de la carga remolcada. Conduzca lentamente y deje una distancia de parada mayor.
Haga giros abiertos para mantener el accesorio alejado de la máquina.
Important: Empuje siempre la máquina a mano. No remolque la máquina porque podrían producirse daños.
Esta máquina tiene un mecanismo de freno eléctrico, y para empujar la máquina, la llave de contacto debe estar en la posición de MARCHA. La batería debe estar cargada y estar funcionando para poder quitar el freno eléctrico.
Aparque la máquina en una superficie nivelada y desengrane el mando de control de las cuchillas.
Ponga el freno de estacionamiento, apague el motor y espere a que se detengan todas las piezas en movimiento antes de abandonar el puesto del operador.
Localice las palancas de desvío en el bastidor en cada lado del motor.
Mueva las palancas de desvío hacia delante a través del orificio y hacia abajo para bloquearlas en esa posición (Figura 43).
Note: Realice este procedimiento para cada palanca.
Quite el freno de estacionamiento.
Note: No arranque la máquina.

Cuando acabe, accione el freno de estacionamiento.
Mueva las palancas de desvío hacia atrás a través del orificio y hacia abajo para bloquearlas en esa posición, según se muestra en la Figura 43.
Note: Realice este procedimiento para cada palanca.
Note: Los lados derecho e izquierdo de la máquina se determinan desde la posición normal del operador.
Mientras se efectúan operaciones de mantenimiento o ajustes, alguien podría arrancar el motor. Un arranque accidental del motor podría causar graves lesiones a usted o a otra persona.
Retire la llave del interruptor de encendido, ponga el freno de estacionamiento y desconecte los cables de las bujías antes de realizar cualquier operación de mantenimiento. Además, aparte los cables para evitar su contacto accidental con las bujías.
El motor puede alcanzar temperaturas muy elevadas. Se pueden producir quemaduras graves al tocar el motor caliente.
Deje que el motor se enfríe totalmente antes de realizar tareas de mantenimiento o de reparación en el área del motor.
Aparque la máquina en una superficie nivelada, desengrane las transmisiones, accione el freno de estacionamiento, pare el motor, retire la llave y desconecte el cable de la bujía. Espere a que se detenga todo movimiento y deje que la máquina se enfríe antes de ajustarla, limpiarla o repararla. No permita jamás que la máquina sea revisada o reparada por personal no debidamente formado.
Desconecte la batería o retire el cable de la bujía antes de efectuar reparación alguna. Desconecte primero el terminal negativo y luego el positivo. Vuelva a conectar primero el terminal positivo y luego el negativo.
Mantenga la máquina, los protectores, las defensas y todos los dispositivos de seguridad colocados y en condiciones seguras de funcionamiento. Compruebe con frecuencia los componentes desgastados o deteriorados y sustitúyalos por piezas recomendadas por el fabricante cuando sea necesario.
La retirada o la modificación del equipo, las piezas y/o los accesorios originales puede alterar la garantía, la capacidad de control y la seguridad de la máquina. Las modificaciones no autorizadas en el equipo original o el hecho de no utilizar piezas Toro originales puede producir lesiones graves o la muerte. Los cambios no autorizados en la máquina, el motor o el sistema de ventilación o combustible pueden infringir las normas de seguridad aplicables como las siguientes: ANSI, OSHA y NFPA y/o las normativas gubernamentales como EPA y CARB.
Tenga cuidado al revisar las cuchillas. Envuelva la(s) cuchilla(s) o lleve guantes, y extreme las precauciones al manejarlas. Sustituya solo las cuchillas dañadas. No las enderece ni las suelde nunca.
Utilice soportes fijos para apoyar la máquina o los componentes cuando sea necesario.
Puede ser peligroso confiar únicamente en gatos mecánicos o hidráulicos para elevar la máquina para realizar tareas de mantenimiento o reparación. Los gatos mecánicos o hidráulicos pueden no proporcionar suficiente apoyo, o pueden fallar y dejar caer la máquina, lo que podría provocar lesiones.
No confíe únicamente en gatos mecánicos o hidráulicos para apoyar la máquina. Utilice gatos fijos u otro medio de sustentación equivalente.
Alivie con cuidado la tensión de aquellos componentes que tengan energía almacenada.
Mantenga las manos y los pies alejados de las piezas en movimiento. Si es posible, no realice ajustes mientras el motor está funcionando. Si el procedimiento de mantenimiento o ajuste requiere que el motor esté en marcha y los componentes en movimiento, extreme las precauciones.
El contacto con piezas en movimiento o superficies calientes puede causar lesiones personales.
Mantenga alejados de los componentes rotativos y de la superficies calientes los dedos, las manos y la ropa.
Compruebe todos los pernos con frecuencia para garantizar un apriete correcto.
| Intervalo de mantenimiento y servicio | Procedimiento de mantenimiento |
|---|---|
| Después de las primeras 5 horas |
|
| Cada vez que se utilice o diariamente |
|
| Después de cada uso |
|
| Cada 25 horas |
|
| Cada 100 horas |
|
| Cada 200 horas |
|
| Antes del almacenamiento |
|
Si deja la llave en el interruptor, alguien podría arrancar el motor accidentalmente y causar lesiones graves a usted o a otras personas.
Apague el motor y retire la llave del interruptor antes de realizar cualquier tarea de mantenimiento.
Afloje los 2 pernos inferiores del faldón para acceder a la parte superior de la carcasa del cortacésped (Figura 44).

Note: Apriete siempre los pernos para conectar el faldón tras el mantenimiento.
Apague el motor antes de comprobar el aceite o añadir aceite al cárter.
Mantenga las manos, los pies, la cara, la ropa y otras partes del cuerpo alejados del tubo de escape y de otras superficies calientes.
| Intervalo de mantenimiento y servicio | Procedimiento de mantenimiento |
|---|---|
| Cada vez que se utilice o diariamente |
|
Note: Haga el mantenimiento del limpiador de aire con mayor frecuencia (después de pocas horas) si el entorno de trabajo tiene mucho polvo o arena.
Aparque la máquina en una superficie nivelada, desengrane el mando de control de las cuchillas (TDF) y ponga el freno de estacionamiento.
Apague el motor, retire la llave y espere a que se detengan todas las piezas en movimiento antes de abandonar el puesto del operador.
Limpie alrededor de la tapa del limpiador de aire para evitar que la suciedad penetre en el motor y cause daños.
Retire la tapa y gire el limpiador de aire para retirarlo del motor (Figura 45).


Separe los elementos de gomaespuma y papel (Figura 46).

| Intervalo de mantenimiento y servicio | Procedimiento de mantenimiento |
|---|---|
| Cada 25 horas |
|
| Cada 100 horas |
|
Lave el filtro de espuma con jabón líquido y agua templada. Cuando el elemento esté limpio, enjuáguelo bien.
Seque el elemento apretándolo con un paño limpio.
Important: Sustituya el elemento de espuma si está roto o desgastado.
| Intervalo de mantenimiento y servicio | Procedimiento de mantenimiento |
|---|---|
| Cada 100 horas |
|
| Cada 200 horas |
|
Limpie el elemento de papel golpeándolo suavemente para eliminar el polvo.
Note: Si está muy sucio, cambie el elemento de papel por uno nuevo.
Inspeccione el filtro por si estuviera roto, tuviera una película aceitosa o la junta de goma estuviera dañada.
Cambie el elemento de papel si está dañado.
Important: No limpie el filtro de papel.
Instale el filtro de espuma sobre el filtro de papel.
Note: Asegúrese de no dañar los elementos.
Alinee los taladros del filtro con los orificios del distribuidor.
Introduzca el filtro en la cámara, girándolo para asentarlo correctamente contra el colector (Figura 47).

Cierre la tapa.
Tipo de aceite:Aceite detergente (servicio API SF, SG, SH, SJ o SL)
Capacidad del cárter: 2,4 litros con filtro de aceite
Viscosidad: Consulte la tabla siguiente.

| Intervalo de mantenimiento y servicio | Procedimiento de mantenimiento |
|---|---|
| Cada vez que se utilice o diariamente |
|
Note: Compruebe el aceite con el motor frío.
Important: Si llena el cárter del motor con demasiado o demasiado poco aceite y arranca el motor, puede dañar el motor.
Aparque la máquina en una superficie nivelada, desengrane el mando de control de las cuchillas (TDF) y ponga el freno de estacionamiento.
Apague el motor, retire la llave y espere a que se detengan todas las piezas en movimiento antes de abandonar el puesto del operador.
Note: Asegúrese de que el motor está frío, y que el aceite ha tenido tiempo para drenarse al cárter.
Para que no entre suciedad, recortes de hierba, etc., en el motor, limpie la zona alrededor del tapón de llenado/varilla de aceite antes de retirarlo (Figura 49).

| Intervalo de mantenimiento y servicio | Procedimiento de mantenimiento |
|---|---|
| Después de las primeras 5 horas |
|
| Cada 100 horas |
|
Aparque la máquina en una superficie nivelada para asegurarse de que el aceite se drene por completo.
Desengrane el mando de control de las cuchillas (TDF) y accione el freno de estacionamiento.
Apague el motor, retire la llave y espere a que se detengan todas las piezas en movimiento antes de abandonar el puesto del operador.
Drene el aceite del motor.


Sustituya el filtro de aceite del motor (Figura 51).
Note: Asegúrese de que la junta del filtro de aceite toca el motor, luego apriete ¾ de vuelta más.

Vierta lentamente un 80% aproximadamente del aceite especificado por el tubo de llenado, luego añada lentamente el resto del aceite hasta que llegue a la marca Lleno (Figura 52).

Elimine el aceite usado en un centro de reciclaje.
| Intervalo de mantenimiento y servicio | Procedimiento de mantenimiento |
|---|---|
| Cada 100 horas |
|
| Cada 200 horas |
|
Asegúrese de que la distancia entre los electrodos central y lateral es correcta antes de instalar la bujía. Utilice una llave para bujías para desmontar e instalar la bujía y una galga de espesores/herramienta de separación de electrodos para comprobar y ajustar la distancia entre los mismos. Instale una bujía nueva si es necesario.
Tipo: Champion® RN9YC o NGK® BPR6ES
Distancia entre electrodos: 0,76 mm
Aparque la máquina en una superficie nivelada, desengrane el mando de control de las cuchillas (TDF) y ponga el freno de estacionamiento.
Apague el motor, retire la llave y espere a que se detengan todas las piezas en movimiento antes de abandonar el puesto del operador.
Limpie la zona alrededor de la base de la bujía para que no caiga suciedad en el motor.
Retire la bujía (Figura 53).

Important: No limpie la(s) bujía(s). Cambie siempre la(s) bujía(s) si tiene(n) un revestimiento negro, los electrodos desgastados, una película aceitosa o grietas.
Si se observa un color gris o marrón claro en el aislante, el motor está funcionando correctamente. Si el aislante aparece de color negro, significa que el limpiador de aire está sucio.
Ajuste la distancia a 0,76 mm.


| Intervalo de mantenimiento y servicio | Procedimiento de mantenimiento |
|---|---|
| Cada vez que se utilice o diariamente |
|
Aparque la máquina en una superficie nivelada, desengrane el mando de control de las cuchillas (TDF) y ponga el freno de estacionamiento.
Apague el motor, retire la llave y espere a que se detengan todas las piezas en movimiento antes de abandonar el puesto del operador.
Retire el filtro de aire del motor.
Retire la cubierta del motor.
Para evitar que se introduzcan residuos en la entrada de aire, instale el filtro de aire en la base del filtro.
Limpie los restos de hierba y los residuos de todas las piezas.
Retire el filtro de aire e instale la cubierta del motor.
Instale el filtro de aire.
En ciertas condiciones, el combustible es extremadamente inflamable y altamente explosivo. Un incendio o una explosión provocados por el combustible puede causarle quemaduras a usted y a otras personas así como daños materiales.
Consulte Cómo añadir combustible para obtener una lista completa de las precauciones relacionadas con el combustible.
| Intervalo de mantenimiento y servicio | Procedimiento de mantenimiento |
|---|---|
| Cada 100 horas |
|
| Cada 200 horas |
|
No instale nunca un filtro sucio después de retirarlo del tubo de combustible.
Aparque la máquina en una superficie nivelada, desengrane el mando de control de las cuchillas (TDF) y ponga el freno de estacionamiento.
Apague el motor, retire la llave y espere a que se detengan todas las piezas en movimiento antes de abandonar el puesto del operador.
Cambie el filtro (Figura 56).
Note: Nota: Asegúrese de que la marcas del filtro coinciden con la dirección de flujo de combustible.


Desconecte la batería antes de reparar la máquina. Desconecte primero el terminal negativo y luego el positivo. Conecte primero el terminal positivo y luego el negativo.
Cargue la batería en una zona abierta y bien ventilada, lejos de chispas y llamas. Desenchufe el cargador antes de conectar o desconectar la batería. Lleve ropa protectora y utilice herramientas aisladas.
Una desconexión incorrecta de los cables de la batería podría dañar la máquina y los cables, causando chispas. Las chispas podrían hacer explotar los gases de la batería, causando lesiones personales.
Desconecte siempre el cable negativo (negro) de la batería antes de desconectar el cable positivo (rojo).
Conecte siempre el cable positivo (rojo) de la batería antes de conectar el cable negativo (negro).
Aparque la máquina en una superficie nivelada, desengrane el mando de control de las cuchillas (TDF) y ponga el freno de estacionamiento.
Apague el motor, retire la llave y espere a que se detengan todas las piezas en movimiento antes de abandonar el puesto del operador.
Afloje las 2 fijaciones en la tapa de la batería 1/4 de vuelta en sentido antihorario y retire la tapa de la batería (Figura 57).

Desconecte el cable negativo de tierra (negro) del borne de la batería (Figura 58).
Note: Guarde todas las fijaciones.
Deslice hacia arriba la cubierta de goma del cable positivo (rojo).
Desconecte el cable positivo (rojo) del borne de la batería (Figura 58).
Note: Guarde todas las fijaciones.
Retire la correa de sujeción de la batería (Figura 58) y levante la batería para retirarla de su bandeja.

| Intervalo de mantenimiento y servicio | Procedimiento de mantenimiento |
|---|---|
| Antes del almacenamiento |
|
Retire la batería del chasis; consulte Retirada de la batería.
Cargue la batería a un ritmo de 6 a 10 amperios durante 1 hora como mínimo.
Note: No sobrecargue la batería.
Cuando la batería esté completamente cargada, desconecte el cargador de la toma de electricidad, luego desconecte los cables del cargador de los bornes de la batería (Figura 59).

Coloque la batería en la bandeja (Figura 58).
Usando las fijaciones que retiró anteriormente, conecte el cable positivo (rojo) al borne positivo (+) de la batería.
Usando las fijaciones que retiró anteriormente, conecte el cable negativo al borne negativo (-) de la batería.
Deslice la cubierta de goma roja sobre el borne positivo (rojo) de la batería.
Fije la batería con la correa de sujeción (Figura 58).
Instale la tapa de la batería presionando hacia abajo y apretando las 2 fijaciones en sentido horario (Figura 57).
El sistema eléctrico está protegido con fusibles. No requiere mantenimiento; no obstante, si se funde un fusible, compruebe que no hay avería ni cortocircuito en el componente/circuito.
Tipo de fusible:
Principal – F1 (15 A, tipo chapa)
Circuito de carga – F2 (25 A, tipo chapa)
Para sustituir el fusible principal (15 A), acceda a la abertura del lateral de la consola, extraiga el fusible e instale un fusible nuevo de 15 A (Figura 60).

Para sustituir el fusible de circuito de carga (25 A), localice el fusible a la izquierda de la batería, extraiga el fusible e instale un fusible nuevo de 25 A (Figura 61).

| Intervalo de mantenimiento y servicio | Procedimiento de mantenimiento |
|---|---|
| Cada 25 horas |
|
Mantenga la presión especificada de los neumáticos delanteros y traseros. Una presión desigual en los neumáticos puede hacer que el corte sea desigual. Compruebe la presión en la válvula (Figura 62). Las lecturas de presión son más exactas cuando los neumáticos están fríos.
Consulte la presión máxima recomendada por el fabricante, que figura en el flanco de los neumáticos de las ruedas giratorias.
Infle los neumáticos de las ruedas giratorias delanteras a 1,03 bar.
Infle los neumáticos de las ruedas motrices traseros a 0,9 bar.

| Intervalo de mantenimiento y servicio | Procedimiento de mantenimiento |
|---|---|
| Cada 25 horas |
|
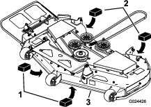
Cambie la correa si está desgastada. Las señales de una correa desgastada incluyen chirridos cuando la correa está en movimiento, patinaje de las cuchillas durante la siega, bordes deshilachados, o marcas de quemaduras o grietas.
Entre los signos de desgaste de una correa se incluyen chirridos cuando la correa está en movimiento, patinaje de las cuchillas durante la siega, filos deshilachados, o marcas de quemaduras o grietas. Cambie la correa si observa cualquiera de estas condiciones.
Aparque la máquina en una superficie nivelada, desengrane el mando de control de las cuchillas (TDF) y ponga el freno de estacionamiento.
Apague el motor, retire la llave y espere a que se detengan todas las piezas en movimiento antes de abandonar el puesto del operador.
Baje la segadora a la altura de corte de 76 mm.
Retire el faldón de la carcasa del cortacésped; consulte Retirada del faldón de la carcasa de corte.
En cada una de las cubiertas de la correa, afloje los 2 pernos pero no los retire.
Deslice la cubierta hasta que esté libre de los pernos y retírelo tirando hacia arriba y hacia fuera.
Usando una herramienta para la retirada de muelles (Pieza Toro Nº 92-5771), retire el muelle tensor del espárrago de la carcasa para eliminar la tensión de la polea tensora (Figura 63).

Baje el cortacésped a la altura de corte más baja y coloque el pasador de altura de corte en la posición de bloqueo para la altura de corte más baja.
Retire la correa de las poleas de la carcasa de corte y retire la correa existente.
Pase la correa nueva alrededor de las poleas del cortacésped y de la polea del embrague, debajo del motor (Figura 63).
El muelle está tensado cuando está instalado, y puede causar lesiones personales.
Tenga cuidado al retirar la correa.
Usando una herramienta para la retirada de muelles (Pieza Toro Nº 92-5771), instale el muelle tensor sobre el espárrago de la carcasa y tense la polea tensora y la correa (Figura 63).
Asegúrese de que la correa está correctamente asentada en todas las poleas.
Para instalar las cubiertas de la correa, introduzca las pestañas de cada cubierta en las ranuras correspondientes del soporte de la carcasa, asegurándose de que se asientan bien.
Baje la cubierta a la carcasa y deslice las muescas por debajo de los pernos aflojados hasta que queden asentadas.
Apriete los pernos para sujetar la cubierta a la carcasa.
Instale el faldón de la carcasa del cortacésped; consulte Retirada del faldón de la carcasa de corte.
Una cuchilla desgastada o dañada puede romperse, y un trozo de la cuchilla podría ser arrojado hacia usted u otra persona, provocando lesiones personales graves o la muerte. Cualquier intento de reparar una cuchilla dañada puede anular la certificación de seguridad del producto.
Inspeccione periódicamente las cuchillas, para asegurarse de que no están desgastadas ni dañadas.
Tenga cuidado al comprobar las cuchillas. Envuelva las cuchillas o lleve guantes, y extreme las precauciones al manejar las cuchillas. Las cuchillas únicamente pueden ser cambiadas o afiladas; no las enderece ni las suelde nunca.
En máquinas con múltiples cuchillas, tenga cuidado puesto que girar una cuchilla puede hacer que giren otras cuchillas.
Para garantizar una calidad de corte superior, mantenga afiladas las cuchillas. Para que el afilado y la sustitución sean más cómodos, conserve un stock de cuchillas de repuesto.
Aparque la máquina en una superficie nivelada, desengrane el mando de control de las cuchillas (TDF) y ponga el freno de estacionamiento.
Pare el motor, retire la llave y desconecte los cables de las bujías.
| Intervalo de mantenimiento y servicio | Procedimiento de mantenimiento |
|---|---|
| Cada vez que se utilice o diariamente |
|
Inspeccione los filos de corte (Figura 64).
Si los filos están romos o tienen muescas, retire la cuchilla y afílela; consulte Afilado de las cuchillas.
Inspeccione las cuchillas, especialmente en la parte curva.
Si observa fisuras, desgaste o la formación de una ranura en esta zona, instale de inmediato una cuchilla nueva (Figura 64).

Note: La máquina debe estar sobre una superficie nivelada para realizar el procedimiento siguiente.
Eleve la carcasa de la segadora a la posición más alta.
Llevando guantes fuertemente acolchados u otro tipo de protección apropiada para las manos, gire lentamente la cuchilla hasta una posición que permita medir la distancia entre el filo de corte y la superficie nivelada en la que descansa la máquina (Figura 65).

Mida desde la punta de la cuchilla hasta la superficie plana (Figura 66).

Gire la misma cuchilla 180 grados de manera que el otro extremo esté en la misma posición (Figura 67).

Mida desde la punta de la cuchilla hasta la superficie plana (Figura 68).
Note: La diferencia no debe ser superior a 3 mm.

Si la diferencia entre A y B es de más de 3 mm, sustituya la cuchilla por una cuchilla nueva; consulte Cómo retirar las cuchillas y Cómo instalar las cuchillas.
Note: Si se cambia una cuchilla doblada por una nueva y la dimensión obtenida sigue siendo de más de 3 mm, el eje de la cuchilla podría estar doblado. Póngase en contacto con su Servicio Técnico Autorizado para que revise la máquina.
Si la diferencia está dentro de los límites, pase a la cuchilla siguiente.
Repita este procedimiento con cada cuchilla.
Cambie las cuchillas si han golpeado un objeto sólido, o si la cuchilla está desequilibrada o doblada.
Sujete el extremo de la cuchilla usando un trapo o un guante grueso.
Retire del eje el perno de la cuchilla, la arandela curva y la cuchilla (Figura 69).

Utilice una lima para afilar el filo de corte en ambos extremos de la cuchilla (Figura 70).
Note: Mantenga el ángulo original.
Note: La cuchilla permanece equilibrada si se retira la misma cantidad de material de ambos filos de corte.

Verifique el equilibrio de la cuchilla colocándola sobre un equilibrador de cuchillas (Figura 71).
Note: Si la cuchilla se mantiene horizontal, está equilibrada y puede utilizarse.
Note: Si la cuchilla no está equilibrada, rebaje algo el metal en la parte de la vela solamente (Figura 70).

Repita este procedimiento hasta que la cuchilla esté equilibrada.
Instale la cuchilla en el eje (Figura 69).
Important: La parte curva de la cuchilla debe apuntar hacia arriba, hacia el interior del cortacésped, para asegurar un corte correcto.
Instale la arandela curva (con la copa hacia la cuchilla) y el perno de la cuchilla (Figura 69).
Apriete el perno de la cuchilla a entre 135 y 150 N∙m.

Compruebe que la carcasa de corte está nivelada cada vez que instale el cortacésped o cuando observe un corte desigual en el césped.
Compruebe que las cuchillas no están dobladas antes de nivelar la carcasa; retire y sustituya cualquier cuchilla que esté doblada; consulte Verificación de la rectilinealidad de las cuchillas antes de continuar.
Primero, nivele la carcasa de corte lateralmente; luego puede ajustar la inclinación longitudinal.
Requisitos:
La máquina debe estar sobre una superficie nivelada.
Todos los neumáticos deben estar correctamente inflados; consulte Comprobación de la presión de los neumáticos.
Aparque la máquina en una superficie nivelada, desengrane el mando de control de las cuchillas (TDF) y ponga el freno de estacionamiento.
Apague el motor, retire la llave y espere a que se detengan todas las piezas en movimiento antes de abandonar el puesto del operador.
Gire cuidadosamente las cuchillas colocándolas perpendicularmente al sentido de avance de la máquina.
Mida entre los bordes de corte exteriores y la superficie plana (Figura 73).
Note: Si hay una diferencia de más de 5 mm entre ambas dimensiones, se requiere un ajuste; consulte Nivelación de la carcasa del cortacésped.

Verifique la inclinación longitudinal de las cuchillas cada vez que instale el cortacésped. Si la diferencia de altura entre la parte delantera del cortacésped y la parte trasera es superior a 7,9 mm, ajuste la inclinación de las cuchillas.
Aparque la máquina en una superficie nivelada, desengrane el mando de control de las cuchillas (TDF) y ponga el freno de estacionamiento.
Apague el motor, retire la llave y espere a que se detengan todas las piezas en movimiento antes de abandonar el puesto del operador.
Gire cuidadosamente las cuchillas colocándolas en el sentido de avance de la máquina (Figura 74).
Mida entre la punta de la cuchilla delantera y la superficie plana y entre la punta de la cuchilla trasera y la superficie plana (Figura 74).
Note: Si la punta de la cuchilla delantera no está entre 1,6 mm y 7,9 mm más baja que la punta de la cuchilla trasera, continúe con el procedimiento Nivelación de la carcasa del cortacésped.

Ajuste los rodillos protectores del césped en los taladros superiores o retírelos completamente para este procedimiento; consulte Ajuste de los rodillos protectores del césped.
Ponga la palanca de altura de corte en la posición de 76 mm; consulte Ajuste de la altura de corte.
Coloque dos bloques de 6,6 cm de grosor debajo de cada lado del borde delantero de la carcasa, pero no debajo de los soportes de los rodillos protectores del césped (Figura 75).
Coloque dos bloques de 7,3 cm de grosor debajo del borde trasero del faldón de la carcasa de corte, uno en cada lado de la carcasa de corte (Figura 75).

Afloje los pernos de ajuste en las cuatro esquinas, hasta que la carcasa quede bien asentada sobre los cuatro bloques (Figura 76).

Asegúrese de que las cuatro cadenas están tensadas (Figura 76).
Apriete los cuatro pernos de ajuste (Figura 76).
Asegúrese de que los bloques están ajustados debajo del faldón de la carcasa y que todos los pernos están bien apretados.
Verifique la nivelación de la carcasa comprobando la nivelación lateral y la inclinación longitudinal de la cuchilla; repita el procedimiento de nivelación de la carcasa si es necesario.
Aparque la máquina en una superficie nivelada, desengrane el mando de control de las cuchillas (TDF) y ponga el freno de estacionamiento.
Pare el motor, retire la llave y desconecte los cables de las bujías.
Baje el cortacésped a la altura de corte de 76 mm.
Afloje los 2 pernos inferiores que sujetan el faldón de la carcasa a la carcasa del cortacésped; consulte Retirada del faldón de la carcasa de corte.
Retire la correa del cortacésped de la polea del motor; consulte Cómo cambiar la correa del cortacésped.
Retire la chaveta y la arandela que sujetan el pasador de enganche al bastidor y a la carcasa; retire el pasador de enganche (Figura 77).

Levante la carcasa del cortacésped para aliviar la tensión de la misma.
Retire las cadenas de los ganchos de los brazos de elevación de la carcasa (Figura 78).

Eleve la altura de corte a la posición de transporte.
Retire la correa de la polea del embrague, en el motor.
Retire el cortacésped de debajo de la máquina.
Note: Guarde todas las piezas para instalaciones futuras.
Aparque la máquina en una superficie nivelada, desengrane el mando de control de las cuchillas (TDF) y ponga el freno de estacionamiento.
Pare el motor, retire la llave y desconecte los cables de las bujías.
Deslice el cortacésped debajo de la máquina.
Baje la palanca de ajuste de la altura de corte a la posición más baja.
Coloque el pasador de altura de corte en la posición de bloqueo para la altura de corte más baja.
Eleve la parte trasera de la carcasa del cortacésped y conecte las cadenas a los brazos de elevación traseros (Figura 78).
Conecte las cadenas delanteras a los brazos de elevación delanteros (Figura 78).
Instale el pasador de enganche largo por la pletina de suspensión y la carcasa.
Sujete el perno de enganche con las chavetas y las arandelas que retiró anteriormente (Figura 77).
Instale la correa del cortacésped sobre la polea del motor; consulte Cómo cambiar la correa del cortacésped.
Apriete los 2 pernos inferiores que sujetan el faldón de la carcasa del cortacésped a la misma; consulte Retirada del faldón de la carcasa de corte.
| Intervalo de mantenimiento y servicio | Procedimiento de mantenimiento |
|---|---|
| Cada vez que se utilice o diariamente |
|
Si el hueco de descarga se deja destapado, el cortacésped podría arrojar objetos hacia usted o hacia otras personas y causar lesiones graves. También podría producirse un contacto con la cuchilla.
No utilice nunca la máquina sin haber instalado una placa de mulching, un deflector de descarga o un sistema de recogida de hierba.
Compruebe que el deflector de hierba no está deteriorado antes de cada uso. Sustituya cualquier pieza dañada antes de utilizar la máquina.
Retire el pasador (Figura 79).
Desenganche el muelle de la muesca del soporte del deflector, y retire la varilla de los soportes soldados de carcasa, el muelle y el deflector de descarga (Figura 79).

Retire el deflector de descarga dañado o desgastado.
Coloque el nuevo deflector de descarga con los extremos de los soportes entre los soportes soldados de la carcasa, según se muestra en la Figura 80.
Instale el muelle en el extremo recto de la varilla.
Coloque el muelle en la varilla como se muestra en la Figura 80, de manera que el extremo corto del muelle suba desde debajo de la varilla antes de la curva y pase por encima de la varilla después de la curva.
Levante el extremo del muelle que tiene bucle y colóquelo en la muesca del soporte del deflector (Figura 80).

Fije el conjunto de varilla y muelle torciéndolo de manera que el extremo corto de la varilla se coloque detrás del soporte delantero que está soldado a la carcasa (Figura 80).
Important: El muelle debe obligar al deflector de hierba a bajarse. Levante el deflector para verificar que baja a la posición de totalmente abatido.
Instale el pasador (Figura 79).
| Intervalo de mantenimiento y servicio | Procedimiento de mantenimiento |
|---|---|
| Después de cada uso |
|
Important: La máquina puede lavarse con un detergente suave y agua. No lave la máquina a presión. Evite el uso excesivo de agua, especialmente cerca del panel de control, debajo del asiento, y alrededor del motor, de las bombas hidráulicas y de los motores eléctricos.
Lave los bajos de la carcasa de corte después de cada uso para evitar la acumulación de hierba y así mejorar el picado de la hierba y la dispersión de los recortes.
Aparque la máquina en una superficie nivelada, desengrane el mando de control de las cuchillas (TDF) y ponga el freno de estacionamiento.
Apague el motor, retire la llave y espere a que se detengan todas las piezas en movimiento antes de abandonar el puesto del operador.
Conecte el acoplamiento de la manguera al extremo del conector de lavado del cortacésped, y abra el grifo al máximo (Figura 81).
Note: Aplique vaselina a la junta tórica del conector de lavado para facilitar la conexión del acoplamiento y proteger la junta.

Baje el cortacésped a la altura de corte más baja.
Siéntese en el asiento y arranque el motor.
Engrane el mando de control de las cuchillas y deje que funcione el cortacésped de uno a tres minutos.
Desengrane el mando de control de las cuchillas (TDF), apague el motor, retire la llave del interruptor de encendido y espere a que se detengan todas las piezas en movimiento.
Cierre el grifo de agua y retire el acoplamiento del conector de lavado.
Note: Si el cortacésped no queda limpio después de un lavado, mójelo bien y espere unos 30 minutos. Luego repita el proceso.
Ponga el cortacésped en marcha de nuevo durante 1–3 minutos para eliminar el exceso de agua.
Un conector de lavado roto o no instalado podría exponerle a usted y a otras personas a objetos lanzados o a contacto con las cuchillas. El contacto con una cuchilla o con residuos lanzados puede causar lesiones o la muerte.
Sustituya el conector de lavado si está roto o si no está instalado inmediatamente, antes de volver a utilizar la máquina.
No coloque nunca las manos o los pies debajo de el cortacésped o a través de aberturas en la máquina.
Note: No limpie los conjuntos de amortiguador con agua a presión (Figura 82).

El aceite de motor, las baterías, el fluido hidráulico y el refrigerante del motor son contaminantes medioambientales. Elimínelos de acuerdo con la normativa estatal y local.
Deje que el motor se enfríe antes de almacenar la máquina.
No almacene la máquina o el combustible cerca de una llama, y no drene el combustible dentro de un edificio.
Desengrane el mando de control de las cuchillas (TDF) y accione el freno de estacionamiento.
Apague el motor, retire la llave y espere a que se detengan todas las piezas en movimiento antes de abandonar el puesto del operador.
Retire los recortes de hierba, la suciedad y la mugre de las piezas externas de toda la máquina, especialmente el motor y el sistema hidráulico. Limpie la suciedad y la broza de la parte exterior del alojamiento de las aletas de la culata de cilindros del motor y del soplador.
Important: La máquina puede lavarse con un detergente suave y agua. No lave la máquina a presión. Evite el uso excesivo de agua, especialmente cerca del panel de control, el motor, las bombas hidráulicas y los motores eléctricos.
Compruebe el funcionamiento del freno de estacionamiento; consulte Operación del freno de estacionamiento.
Revise el limpiador de aire; consulte Mantenimiento del limpiador de aire.
Cambie el aceite del cárter; consulte Cambio del aceite de motor y el filtro de aceite.
Compruebe la presión de los neumáticos; consulte Comprobación de la presión de los neumáticos.
Cargue la batería; consulte Cómo cargar la batería.
Rasque cualquier acumulación importante de hierba y suciedad de los bajos de la segadora, luego lávelo con una manguera de jardín.
Note: Haga funcionar la máquina con el mando de control de las cuchillas (TDF) engranado y el motor en ralentí alto durante 2 a 5 minutos después del lavado.
Compruebe la condición de las cuchillas; consulte Mantenimiento de las cuchillas de corte.
Prepare la máquina para su almacenamiento cuando no la vaya a utilizar durante más de 30 días. Prepare la máquina para el almacenamiento de la manera siguiente:
Agregue un estabilizador/acondicionador a base de petróleo al combustible del depósito. Siga las instrucciones de mezcla del fabricante del estabilizador. No use un estabilizador a base de alcohol (etanol o metanol).
Note: Un estabilizador/acondicionador de combustible es más eficaz cuando se mezcla con combustible fresco y se utiliza en todo momento.
Haga funcionar el motor para distribuir el combustible con acondicionador por todo el sistema de combustible (5 minutos).
Pare el motor, deje que se enfríe y drene el depósito de combustible.
Arranque el motor y hágalo funcionar hasta que se pare.
Deseche el combustible adecuadamente. Recicle el combustible según la normativa local.
Important: No guarde el combustible con estabilizador/acondicionador durante más de 90 días.
Retire la(s) bujía(s) y verifique su condición; consulte Mantenimiento de la bujía. Con la(s) bujía(s) retirada(s) del motor, vierta 30 ml (dos cucharadas soperas) de aceite de motor en el orificio de la bujía. Utilice el motor de arranque para hacer girar el motor y distribuir el aceite dentro del cilindro. Instale la(s) bujía(s). No instale los cables en la(s) bujía(s).
Revise y apriete todos los pernos, tuercas y tornillos. Repare o sustituya cualquier pieza dañada.
Pinte las superficies que estén arañadas o donde esté visible el metal. Puede adquirir la pintura en su Servicio Técnico Autorizado.
Guarde la máquina en un garaje o almacén seco y limpio. Retire la llave del interruptor y guárdela fuera del alcance de niños u otros usuarios no autorizados. Cubra la máquina para protegerla y para conservarla limpia.
Cargue totalmente la batería.
Deje que la batería descanse durante 24 horas, luego compruebe la tensión de la batería.
Note: Si el voltaje de la batería es de menos de 12,6 V, repita los pasos 1 y 2.
Desconecte los cables de la batería.
Compruebe el voltaje periódicamente para asegurarse de que el voltaje es de 12,4 V o más.
Note: Si el voltaje de la batería es de menos de 12,4 V, repita los pasos 1 y 2.
Guarde la batería en un lugar fresco y seco, en posición vertical.
No apile baterías directamente una encima de otra, a menos que estén en cajas.
No apile más de 3 baterías (solamente 2 si la batería es de tipo comercial).
Pruebe la batería húmeda cada 4 – 6 meses y cárguela, si es necesario.
Siempre pruebe y cargue la batería antes de instalarla.
| Problem | Possible Cause | Corrective Action |
|---|---|---|
| El depósito de combustible muestra señales de hundimiento o la máquina muestra señales de quedarse frecuentemente sin combustible. |
|
|
| El motor se sobrecalienta. |
|
|
| El motor de arranque no se engrana. |
|
|
| El motor no arranca, arranca con dificultad, o no sigue funcionando. |
|
|
| El motor pierde potencia. |
|
|
| No es posible conducir la máquina. |
|
|
| La máquina vibra de manera anormal. |
|
|
| La altura de corte no es homogénea. |
|
|
| Las cuchillas no giran. |
|
|
