| Underhållsintervall | Underhållsförfarande |
|---|---|
| Varje användning eller dagligen |
|
Denna åkgräsklippare med roterande knivar är avsedd att användas av privatkunder i bostadsområden. Den är huvudsakligen konstruerad för att klippa gräs på väl underhållna gräsmattor.
Läs den här informationen noga så att du lär dig att använda och underhålla produkten på rätt sätt och för att undvika person- och produktskador. Du är ansvarig för att produkten används på ett korrekt och säkert sätt.
Besök www.Toro.com om du behöver utbildningsmaterial för säkerhet och drift, information om tillbehör, hjälp med att hitta en återförsäljare eller om du vill registrera din produkt.
Kontakta en auktoriserad återförsäljare eller Toros kundservice och ha produktens modell- och artikelnummer till hands om du har behov av service, Toro-originaldelar eller ytterligare information. Figur 1 visar var på produkten modell- och serienumren sitter. Skriv numren i det tomma utrymmet.
Important: Skanna rutkoden på serienummerdekalen (i förekommande fall) med en mobil enhet för att få tillgång till information om garanti, reservdelar och annat.

Anteckna produktens modell- och serienummer här nedanför så är de lätta att hitta:
Två ord används också i den här bruksanvisningen för att markera information. Viktigt anger speciell teknisk information och Observera anger allmän information som bör ges särskild uppmärksamhet.
Produkten uppfyller alla relevanta europeiska direktiv. Mer information finns i produktens separata försäkran om överensstämmelse.
Brutto- eller nettomoment: Motorns brutto- eller nettomoment verkstadsbedömdes av motortillverkaren i enlighet med SAE (Society of Automotive Engineers) J1940 eller J2723. Den här gräsklipparklassens faktiska motormoment kommer att vara avsevärt lägre då den är konfigurerad för att uppfylla säkerhetskrav, utsläppsföreskrifter och funktionella krav. Se motortillverkarens information som medföljer maskinen.
Specifikationerna för din modell finns på www.Toro.com.
Important: Om du använder en maskin med Toro-motor på högre höjd än 1 500 m under en längre period, ska du montera satsen för höga höjder så att motorn uppfyller CARB-/EPA-bestämmelserna för avgaser. Satsen för höga höjder ökar motorns prestanda och förhindrar samtidigt förorening av tändstiften, trög start och ökade utsläpp. När du har monterat satsen för höga höjder ska du fästa satsens etikett bredvid serienummerdekalen på maskinen. Kontakta en auktoriserad Toro-återförsäljare för att införskaffa rätt sats för höga höjder och tillhörande etikett för maskinen. Du hittar återförsäljare som finns i närheten av dig på vår webbplats www.Toro.com eller genom att kontakta Toros kundtjänst på de nummer som anges i garantiförklaringen om kontroll av emission.Ta bort satsen från motorn och återställ motorn till dess ursprungliga fabrikskonfiguration när motorn körs på lägre höjd än 1 500 m. Kör inte en motor som har konverterats för användning på hög höjd på lägre höjd. Då kan motorn överhettas och skadas.Om du är osäker på om maskinen har konverterats för användning på hög höjd kan du leta efter följande etikett.

Maskinen har utformats i enlighet med specifikationerna i SS-EN ISO 5395:2013.
Denna varningssymbol (Figur 3), som används både i den här bruksanvisningen och på maskinen, gör dig uppmärksam på viktiga säkerhetsmeddelanden som du måste följa för att undvika olyckor.
Den här symbolen betyder: OBS! VAR UPPMÄRKSAM! DET HANDLAR OM DIN SÄKERHET!

Varningssymbolen visas ovanför den information som varnar dig för riskabla åtgärder eller situationer och följs av ordet FARA, VARNINGeller FÖRSIKTIGHET.
FARA: Anger en överhängande fara som kommer att leda till allvarliga personskador eller dödsfall om den inte undviks.
VARNING: Anger en potentiellt farlig situation som kan leda till allvarliga personskador eller dödsfall om den inte undviks.
FÖRSIKTIGHET: Anger en potentiellt farlig situation som kan leda till lätta eller medelsvåra personskador.
Två andra beteckningar används för att markera information i denna bruksanvisning. Viktigt anger speciell teknisk information och Observera anger allmän information som är värd att notera.
Maskinen kan slita av händer och fötter och kasta omkring föremål. Den här gräsklipparen är konstruerad och testad för att vara säker, men underlåtenhet att följa säkerhetsanvisningar kan leda till personskador eller dödsfall.
Läs, ta till dig och följ alla anvisningar och varningar i bruksanvisningen och annat utbildningsmaterial samt på maskinen, motorn och redskapen. Alla förare och mekaniker måste genomgå utbildning. Om en eller flera förare eller mekaniker inte förstår det språk som används i bruksanvisningen är det ägaren som ansvarar för att innehållet förklaras för dem. Andra språk kan vara tillgängliga på vår webbplats.
Endast utbildade, ansvariga och fysiskt kapabla förare som är väl bekanta med säker drift, förarreglage samt säkerhetsskyltar och -anvisningar får använda maskinen. Låt aldrig barn eller personer som inte har fått nödvändig utbildning köra eller utföra underhåll på maskinen. Lokala föreskrifter kan begränsa användarens ålder.
Kör inte maskinen i närheten av stup, diken, flodbäddar, vatten eller andra faror eller i backar vars lutning överstiger 15 grader.
Håll händer och fötter på avstånd från maskinens rörliga delar.
Kör aldrig maskinen med skadade skydd, skärmar eller kåpor. Se alltid till att säkerhetsskärmar, skydd, kontakter och andra anordningar sitter på plats och är i gott fungerande skick.
Stanna maskinen, stäng av motorn och ta ut nyckeln innan du utför service på, tankar eller rensar maskinen.

![]() |
Säkerhetsdekalerna och anvisningarna är fullt synliga för föraren och finns nära alla potentiella farozoner. Ersätt dekaler som har skadats eller saknas. |




















Bekanta dig med alla reglage i Figur 6 och Figur 7 innan du startar motorn och kör maskinen.

Bränslemätaren visar hur mycket bränsle som finns i tanken (Figur 7).

Gasreglaget styr motorhastigheten och har en steglös reglerbar inställning från LåNGSAMT till SNABBT (Figur 6).
Använd choken för att starta en kall motor.
Timmätaren registrerar antalet timmar som motorn har arbetat. Den är aktiv när motorn är igång. Använd dessa tider för att schemalägga regelbundet underhåll (Figur 6).
Använd rörelsereglagespakarna för att köra maskinen framåt och bakåt och för att svänga åt olika håll (Figur 5).
För rörelsereglagespakarna utåt från mitten till NEUTRALLåSLäGET när du ska kliva ur maskinen (Figur 32). Sätt alltid rörelsereglagespakarna i NEUTRALLåSLäGET när du stannar maskinen eller lämnar den utan uppsikt.
Parkeringsbromsspaken sitter på konsolens vänstra sida (Figur 5). Bromsspaken aktiverar parkeringsbromsen på drivhjulen.
Lägg i parkeringsbromsen genom att dra spaken uppåt tills den hamnar i skåran.
Lossa parkeringsbromsen genom att föra spaken ur skåran och sedan mot dig. Tryck sedan ned den.
Tack vare det fotpedalstyrda däcklyftsystemet kan du höja och sänka däcket från förarplatsen. Du kan använda fotpedalen för att lyfta däcket något och undvika hinder, eller låsa däcket i läget för den högsta klipphöjden eller transportläget (Figur 5).
Smart Speed™-styrsystemspaken, som sitter nedanför förarsätet, ger dig möjlighet att välja mellan tre hastighetsintervall som maskinen kan köras i – kant, bogsering och klippning (Figur 5).
Använd eluttaget för att driva tillbehör på 12 V (Figur 6).
Important: För in gummipluggen för att förhindra skador på 12 V-eluttaget när det inte används.
Tändningslåset används för att starta och stänga av motorn och har tre lägen: AVSTäNGT LäGE, KöRLäGE och STARTLäGE. Se Starta motorn.
Knivreglagebrytaren betecknas med en kraftuttagssymbol (PTO) och kopplar på och av strömmen till klipparknivarna (Figur 6).
Klipphöjdsreglaget fungerar tillsammans med fotpedalen för att låsa däcket i en viss klipphöjd. Justera endast klipphöjden när maskinen står stilla (Figur 5).
Det finns ett urval av godkända Toro-redskap och -tillbehör som du kan använda för att förbättra och utöka maskinens kapacitet. Kontakta en auktoriserad serviceverkstad eller Toro-återförsäljare eller gå till www.Toro.com för att se en lista över alla godkända redskap och tillbehör.
Använd endast originalreservdelar och tillbehör från Toro för att garantera optimal prestanda och fortlöpande säkerhet för produkten. Det kan vara farligt att använda reservdelar och tillbehör från andra tillverkare och det kan göra produktgarantin ogiltig.
Note: Vänster och höger sida på maskinen är lika med förarens vänstra respektive högra sida vid normal körning.
Undersök terrängen för att avgöra vilka tillbehör och redskap som krävs för att utföra arbetet på ett bra och säkert sätt. Använd endast tillbehör och redskap som har godkänts av Toro.
Undersök det område där utrustningen ska köras och avlägsna alla stenar, leksaker, pinnar, ledningar, ben och andra främmande föremål. Dessa kan slungas omkring eller störa användningen av maskinen och skada föraren eller kringstående.
Använd lämplig personlig skyddsutrustning som skyddsglasögon, kraftiga och halkfria skor samt hörselskydd. Knyt fast långt hår och undvik löst sittande kläder och smycken som kan dras in i rörliga delar.
Denna maskin ger ljudnivåer vid förarens öra som överstiger 85 dBA och kan orsaka hörselskador vid längre arbetspass.
Använd hörselskydd när du kör maskinen.
Kontrollera att förarens närvaroreglage samt säkerhetsbrytarna och skydden sitter fast och fungerar ordentligt. Kör inte maskinen om dessa inte fungerar som de ska.
Kör inte klipparen om andra personer (särskilt barn) eller husdjur finns i närheten. Stäng av maskinen och redskapet/redskapen om någon kommer i närheten av arbetsområdet.
Använd maskinen endast om gräsuppsamlingssystemet, gräsriktaren och andra säkerhetsanordningar sitter på plats och är i gott fungerande skick. Gräsuppsamlarens delar utsätts lätt för slitage, skada och försämring, vilket kan frilägga rörliga delar eller få föremål att kastas omkring. Undersök komponenterna ofta med avseende på slitage och byt vid behov ut dem mot delar som rekommenderas av tillverkaren.
Fyll bränsletanken på plan mark. Du hittar mer information om bränsle under Bränslerekommendationer i avsnittet Specifikationer.
Tillför inte olja i bensinen.
Fyll inte på bränsletanken för mycket. Fyll bränsletanken till påfyllningsrörets nedersta del. Det tomma utrymmet i tanken behövs för bensinens expansion. Om du fyller på för mycket kan det leda till bränsleläckage eller skada motorn eller emissionssystemet.
Du måste bekanta dig med reglagen samt deras placering, funktioner och säkerhetskrav.
Se avsnittet Underhåll och utför alla nödvändiga inspektions- och underhållssteg.
Var ytterst försiktig när du hanterar bränsle.
Bensin kan vara extremt brandfarlig och ångorna explosiva under vissa förhållanden.
Bensin som fattar eld eller exploderar kan skada dig och andra samt orsaka materiella skador.
Fyll på tanken utomhus på en plan yta på en öppen plats när motorn är kall. Torka upp all eventuell utspilld bensin.
Du får aldrig fylla på bränsletanken eller tappa av bensinen inomhus eller på en tillsluten släpvagn.
Fyll inte tanken helt full. Fyll bränsletanken till påfyllningsrörets nedersta del. Det tomma utrymmet i tanken behövs för bensinens expansion. Om du fyller på för mycket kan det leda till bränsleläckage eller skada motorn eller emissionssystemet.
Rök aldrig när du handskas med bensin och håll dig borta från öppen låga eller platser där bensinångor kan antändas av gnistor.
Förvara bensin i en godkänd dunk och håll den utom räckhåll för barn.
Fyll på bensin innan du startar motorn. Ta aldrig av bränsletankens lock och fyll inte på bensin när motorn är igång eller när motorn är varm.
Starta inte motorn om du har spillt ut bensin. Lämna området i fråga och vänta tills bensinångorna har skingrats innan du skapar några gnistor.
Kör inte maskinen om inte hela avgassystemet sitter på plats och är i väl fungerande skick.
Under vissa förhållanden vid tankning kan statisk elektricitet frigöras och orsaka gnistor som kan antända bensinångorna. Bensin som fattar eld eller exploderar kan skada dig och andra samt orsaka materiella skador.
Ställ alltid bensindunkar på marken en bit bort från fordonet före påfyllning.
Fyll inte på bensindunkar inne i ett fordon eller på lastbilsflak eller släp, eftersom plastmattor och liknande kan isolera dunken och förlänga urladdningstiden för eventuell statisk elektricitet.
Lasta av bensindrivna maskiner från lastbilen eller släpet om så är praktiskt möjligt och fyll på bensin när maskinen står på marken.
Fyll på maskinen från en dunk hellre än med munstycket på en bensinpump om det inte är möjligt att lasta av maskinen från lastbilen eller släpet.
Håll hela tiden kontakt mellan munstycket på bensinpumpen och kanten på tank- eller dunköppningen tills tankningen är klar om tankning måste ske från bensinpump. Använd inte en låsöppningsanordning för munstycket.
Bensin är skadligt eller dödligt om det förtärs. Långvarig exponering för bensinångor har gett upphov till cancer hos laboratoriedjur. Om varningarna inte följs kan allvarliga skador eller sjukdom uppstå.
Undvik att andas in bränsleångor under en längre tid.
Håll ansiktet borta från munstycket och öppningen till bränsletanken/behållaren.
Håll bränslet borta från ögon och hud.
Sug aldrig ut bensin med munnen.
Gör så här för att undvika bränder:
Håll motorn och området runt motorn fritt från ansamling av gräs, löv, fett, olja och annat skräp som kan ackumuleras i dessa områden.
Torka upp olja och bensin som har spillts ut och ta bort skräp som dränkts i bränsle.
Låt maskinen svalna innan du ställer undan maskinen i ett slutet utrymme. Förvara den inte i närheten av öppen eld eller ett slutet utrymme med tändlåga eller annan värmeanordning.
Använd endast ren och färsk (ej äldre än 30 dagar) blyfri bensin med oktantal 87 eller högre för bästa resultat (klassificeringsmetod [R+M]/2).
Etanol: Bensin som innehåller upp till 10 % etanol (gasohol) eller 15 % MTBE (metyl-tertiär-butyleter) baserat på volym är godkänd. Etanol och MTBE är inte samma sak. Bensin med 15 % etanol (E15) baserat på volym får inte användas. Använd inte bensin som innehåller mer än 10 % etanol baserat på volym, t.ex. E15 (innehåller 15 % etanol), E20 (innehåller 20 % etanol) eller E85 (innehåller upp till 85 % etanol). Användning av ej godkänd bensin kan leda till prestandaproblem och/eller skador på motorn som eventuellt inte omfattas av garantin.
Använd inte bensin som innehåller metanol.
Förvara inte bränsle i bränsletanken eller i en bränsledunk under vintern om inte en stabiliserare används.
Tillför inte olja i bensinen.
Se till att alltid använda bränslestabiliserare/konditionerare i maskinen så att bränslet förblir färskt längre. Följ tillverkarens anvisningar.
Important: Använd inte bränsletillsatser som innehåller metanol eller etanol.
Tillsätt den mängd bränslestabiliserare/konditionerare som tillverkaren uppger till färskt bränsle.
Parkera maskinen på en plan yta.
Koppla in parkeringsbromsen.
Stäng av motorn och ta ut nyckeln.
Gör rent omkring tanklocket.
Fyll bränsletanken tills du når bränslemätarens markering för full tank (Figur 8).
Note: Fyll inte tanken helt full. Det tomma utrymmet behövs för bränslets expansion.

Innan maskinen startas varje dag ska Varje användning/dagligen-procedurerna utföras som anges i .
Det tar tid för nya maskiner att komma upp i sin fulla prestanda. Nya klippdäck och drivsystem har högre friktion vilket belastar motorn ytterligare. Räkna med att det tar 40 till 50 timmar att köra in nya maskiner så att de får full kraft och optimal prestanda.
Om säkerhetsbrytarna är frånkopplade eller skadade kan maskinen plötsligt gå igång, vilket kan leda till personskador.
Gör inga otillåtna ändringar på säkerhetsbrytarna.
Kontrollera säkerhetsbrytarnas funktion dagligen och byt ut eventuella skadade brytare innan du kör maskinen.
Säkerhetssystemet är konstruerat så att motorn inte kan startas om inte
knivreglagebrytaren (kraftuttaget) är urkopplad
rörelsereglagen är i det NEUTRALA LåSLäGET.
Parkeringsbromsen är åtdragen.
Säkerhetssystemet har också konstruerats så att motorn stängs av om du reser dig upp från sätet när reglagespakarna inte är i det NEUTRALA LåSLäGET.
| Underhållsintervall | Underhållsförfarande |
|---|---|
| Varje användning eller dagligen |
|
Testa säkerhetssystemet före varje användningstillfälle. Låt en auktoriserad serviceverkstad reparera systemet omedelbart om det inte fungerar enligt nedanstående beskrivning.
Sitt på sätet, dra åt parkeringsbromsen och KOPPLA IN knivreglagebrytaren (kraftuttaget). Försök att starta motorn – den ska inte dras runt.
Sitt på sätet, dra åt parkeringsbromsen och KOPPLA UR knivreglagebrytaren (kraftuttaget). Flytta något av rörelsereglagen (från det NEUTRALA LåSLäGET). Försök starta motorn – den ska inte dras runt. Upprepa samma sak med det andra reglaget.
Sitt på sätet, dra åt parkeringsbromsen, KOPPLA UR knivreglagebrytaren (kraftuttaget) och för rörelsereglagen till det NEUTRALA LåSLäGET. Starta motorn. Frigör parkeringsbromsen, koppla in knivreglagebrytaren (kraftuttaget) och res dig något från sätet medan motorn är igång. Motorn ska stängas av.
Sitt på sätet, dra åt parkeringsbromsen, KOPPLA UR knivreglagebrytaren (kraftuttaget) och för rörelsereglagen till det NEUTRALA LåSLäGET. Starta motorn. För ett av rörelsereglagen mot mitten och rör det framåt eller bakåt medan motorn är igång. Motorn ska stängas av. Upprepa samma sak med det andra rörelsereglaget.
Sitt på sätet, frigör parkeringsbromsen, KOPPLA UR knivreglagebrytaren (kraftuttaget) och för rörelsereglagen till det NEUTRALA LåSLäGET. Försök att starta motorn – den ska inte dras runt.
Sätet kan flyttas framåt och bakåt. Ställ in sätet så att du har bäst kontroll över maskinen och sitter bekvämt (Figur 9).

MyRide™-fjädringssystemet kan justeras så att du sitter bekvämt och får en behaglig åktur. Du kan justera de två bakre stötenheterna för att snabbt och enkelt byta ut fjädringssystemet. Ställ in fjädringssystemet i det läge som du tycker är mest bekvämt.
De bakre stötenheternas spår har skåror som referens. Du kan placera de bakre stötenheterna var som helst i spåret, förutom i skårorna.
Följande bild visar läget för en mjuk eller fast körning och olika spärrade lägen (Figur 10).

Note: Kontrollera att de vänstra och högra bakre stötenheterna alltid justeras till samma lägen.
Justera de bakre stötenheterna (Figur 11).


Du kan höja eller sänka rörelsereglagespakarna för maximal komfort (Figur 12).

Du kan justera rörelsereglagespakarna framåt eller bakåt så att det blir bekvämt för dig.
Lossa den övre skruven som fäster reglagespaken vid reglagearmen.
Lossa den nedre skruven såpass mycket att du kan svänga reglagespaken framåt och bakåt (Figur 12).
Dra åt båda skruvarna för att fästa spaken i det nya läget.
Gör likadant med den andra reglagespaken.
Det klippdäck och de klipparknivar som levereras med den här maskinen har utformats för optimal mullning och sidoutkast.
Montera fästelementen i de hål i klippdäcket som de ursprungligen satt i. På så sätt kan du vara säker på att inga hål är öppna när du använder klippdäcket.
Om det finns öppna hål i maskinen riskerar du och andra personer att träffas av utslungat skräp och få allvarliga personskador.
Kör aldrig maskinen om inte fästelement har monterats i samtliga hål i klipparkåpan.
Montera fästelementen i monteringshålen när du tar bort mullningsskärmen.
Parkera maskinen på en plan yta, koppla ur knivreglagebrytaren och koppla in parkeringsbromsen.
Stäng av motorn, ta ut nyckeln och vänta tills alla rörliga delar har stannat innan du kliver ur förarsätet.
Ta bort klippdäcket. Se Demontera klippdäcket.
Lossa de två låsmuttrarna (5/16 tum) som sitter på den vänstra skärmens svetsade tappar ovanpå klippdäcket i mitten och till vänster om mitten (Figur 13).

Lossa den vagnskruv och låsmutter på klippdäckets sida som fäster den vänstra skärmen vid däcket.
Ta bort den vänstra skärmen från klippdäcket enligt Figur 13.
Ta bort de två vagnsskruvar (5/16 x ¾ tum) och låsmuttrar (5/16 tum) som fäster den monterade högra skärmen och skärmskyddet vid klippdäcket (Figur 14).

Ta bort de två låsmuttrarna (5/16 tum) som sitter på den högra skärmens svetsade tappar ovanpå klippdäcket i mitten och till höger om mitten (Figur 15).
Note: Ta bort den högra skärmen från klippdäcket.

Leta reda på kantskärmen i påsen med lösa delar och ta bort fästelementen från avlastningsplattans bakre hål (Figur 16).

Montera skärmen vid klippdäckets sidoutkastaröppning.
Använd de borttagna fästelementen för att fästa kantskärmen vid däcket.
Montera klippdäcket. Se Montera klippdäcket.
Parkera maskinen på en plan yta, koppla ur knivreglagebrytaren och koppla in parkeringsbromsen.
Stäng av motorn, ta ut nyckeln och vänta tills alla rörliga delar har stannat innan du kliver ur förarsätet.
Ta bort klippdäcket. Se Demontera klippdäcket.
Ta bort de tre låsmuttrarna (5/16 tum) som sitter på den vänstra skärmens svetsade tappar ovanpå klippdäcket i mitten, till vänster om mitten och till vänster (Figur 17).

Ta bort den vagnsskruv och låsmutter på klippdäckets sida som fäster den vänstra skärmen vid däcket (Figur 17).
Ta bort den vänstra skärmen från klippdäcket (Figur 17).
Leta reda på de två skruvarna bland de lösa delarna och använd de befintliga låsmuttrarna och montera dessa fästelement ovanpå klippdäcket i hålen som visas i Figur 17, för att förhindra att skräp slungas omkring.
Note: Montera skruven från däckets undersida och fäst med en befintlig låsmutter från ovansidan.
Lossa vagnskruven (5/16 x ¾ tum) och låsmuttern (5/16 tum) som fäster skärmen vid klippdäcket på klippdäckets bakre vägg (Figur 18).

Leta reda på skärmskyddet vid sidoutkastaröppningens framkant (Figur 18).
Lossa de fästelement som fäster skärmskyddet och den högra skärmen vid klippdäcket (Figur 18).
Note: Ta bort skärmskyddet och spara alla fästelement.
Lossa de två låsmuttrarna (5/16 tum) som sitter på den högra skärmens svetsade tappar ovanpå klippdäcket i mitten och till höger om mitten (Figur 19).

Ta bort vagnskruven och låsmuttern som håller fast den högra skärmen högst upp på däcket och ta bort den högra skärmen från klippdäcket (Figur 19).
Montera de fästelement som du tog bort tidigare i avlastningsplattans främre hål och däckets främsta hål (Figur 18).
Hitta kantskärmen i påsen med lösa delar, ta bort fästelementen från avlastningsplattans bakre hål och montera skärmen vid klippdäckets sidoutkastaröppning (Figur 20).

Använd de borttagna fästelementen för att fästa kantskärmen vid däcket.
Montera klippdäcket. Se Montera klippdäcket.
Föraren måste vara fullt koncentrerad vid körning av maskinen. Delta inte i aktiviteter som kan distrahera dig och således orsaka personskador eller skador på egendom.
Motorns delar, i synnerhet ljuddämparen, blir extremt varma under drift. Allvarliga brännskador kan uppstå vid kontakt, och skräp (t.ex. löv, gräs och burkar) kan fatta eld.
Låt motorns delar, i synnerhet ljuddämparen, svalna innan du rör vid dem.
Ta bort ansamlat skräp från ljuddämparen och motorområdet.
Motoravgaser innehåller koloxid, ett luktfritt och dödligt gift.
Kör inte motorn inomhus eller i små och slutna utrymmen där farlig koloxid kan ansamlas.
Ägaren/användaren kan förebygga och ansvarar för olyckor eller skador som han/hon utsätter sig själv och andra människor eller egendom för.
Den här klipparen är avsedd för endast en förare. Låt aldrig någon åka med på klipparen och se till att alla håller sig på avstånd från maskinen när den är i drift.
Kör inte maskinen om du är sjuk, trött eller påverkad av alkohol eller läkemedel.
Använd endast i dagsljus eller i bra belysning.
Blixtnedslag kan leda till allvarliga personskador eller dödsfall. Om det blixtrar eller åskar i området ska maskinen inte användas. Sök skydd.
Var extra försiktig när du kör med tillbehör eller redskap, såsom gräsuppsamlingssystem. Dessa kan ändra maskinens stabilitet och leda till att du förlorar kontrollen. Följ vid behov anvisningarna för motvikter.
Undvik gropar, fåror, gupp, stenar och andra dolda faror. Var försiktig när du närmar dig hörn med skymd sikt, buskage, träd, högt gräs eller andra objekt som kan skymma hinder eller försämra sikten. Ojämn terräng kan få maskinen att välta eller föraren att tappa balansen eller fotfästet.
Se till att alla drivhjul ligger i neutralläge och att parkeringsbromsen ligger i innan du startar motorn.
Starta motorn försiktigt enligt anvisningarna och med fötterna på behörigt avstånd från knivarna.
Kör aldrig en klippare med skadade skydd, skärmar och kåpor. Se alltid till att säkerhetsskärmar, skydd, kontakter och andra anordningar sitter på plats och är i gott fungerande skick.
Håll alltid avstånd till utkastaröppningen. Klipp aldrig med sidoutkastarluckan öppen, borttagen eller modifierad såvida inte du använder ett gräsuppsamlingssystem eller mullningssats som sitter på plats och fungerar korrekt.
Håll händer och fötter borta från rörliga delar. Gör helst inga justeringar när motorn är igång.
Händer, fötter, hår, kläder och personliga tillbehör kan trassla in sig i roterande delar. Kontakt med roterande delar kan leda till amputering eller orsaka allvarliga rivsår.
Kör inte maskinen utan skydd och skärmar eller om skyddsanordningarna inte sitter på plats och fungerar som avsett.
Håll händer, fötter, hår, smycken och kläder på avstånd från roterande delar.
Höj aldrig klippdäcket när knivarna roterar.
Vänd klipparen så att gräsklippet inte träffar kringstående under klippningen. Rikta inte det utkastade materialet mot en vägg eller annat hinder – det kan kastas tillbaka mot föraren. Stanna knivarna, sänk farten och var försiktig när du kör på andra underlag än gräs och när du flyttar klipparen till och från klippområdet.
Var uppmärksam, sänk farten och var försiktig när du svänger. Titta bakåt och åt sidan innan du ändrar körriktning. Klipp inte när du backar om det inte är absolut nödvändigt.
Ändra inte inställningarna för motorns varvtalshållare och övervarva inte motorn.
Parkera maskinen på en plant underlag. Stäng av motorn, vänta tills alla rörliga delar har stannat och ta bort tändkabeln/tändkablarna.
Innan du kontrollerar, rengör och arbetar på klipparen.
Om du kör på ett okänt föremål eller en onormal vibration uppstår (kontrollera om klipparen har skadats och reparera eventuella skador innan du startar och kör den igen).
Innan du rensar blockeringar.
Varje gång du lämnar gräsklipparen. Lämna inte en maskin som är i gång utan uppsikt.
Stäng av motorn och vänta tills alla rörliga delar har stannat:
Innan du fyller på bensin.
Innan du tömmer gräsuppsamlaren.
Innan du gör några höjdjusteringar.
Tragiska olyckor kan inträffa om föraren inte är uppmärksam på barn som befinner sig i närheten. Barn intresserar sig ofta för maskinen och klippningen. Förutsätt aldrig att ett barn förblir på den plats där du såg det senast.
Håll barn på säkert avstånd från klippområdet och under en ansvarsfull vuxens uppsyn (ej föraren).
Var uppmärksam och stäng av maskinen om barn befinner sig i närheten av arbetsområdet.
Var uppmärksam på små barn och titta bakåt, nedåt och åt bägge sidor innan och under den tid du backar eller svänger.
Låt aldrig barn använda maskinen.
Skjutsa aldrig barn (inte ens när knivarna är av). Barn kan falla av och skadas allvarligt eller hämma maskinens säkra drift. Barn som har fått åka med förut kan plötsligt dyka upp i arbetsområdet för ännu en åktur och bli överkörda eller påbackade av den som klipper.
Sluttningar är en betydande faktor vid olyckor som orsakas av att föraren förlorat kontrollen eller att maskinen välter, vilket kan innebära livsfara eller leda till allvarliga personskador. Det är föraren som är ansvarig för säker manövrering i sluttningar. Om du kör maskinen i en sluttning måste du vara extra försiktig. Innan maskinen används i en sluttning ska föraren göra följande:
Läsa sluttningsanvisningarna i bruksanvisningen och på maskinen och se till att förstå dessa.
Använda en vinkelindikator för att fastställa områdets ungefärliga lutning.
Kör aldrig i backar vars lutning överstiger 15 grader.
Utvärdera dagligen förhållandena på platsen för att fastställa om sluttningen är säker för maskindrift. Använd sunt förnuft och ett gott omdöme när du utför utvärderingen. Förändringar i terrängen, t.ex. fukt, kan snabbt påverka hur maskinen fungerar i en sluttning.
Identifiera faror nere vid slutet av sluttningen. Kör inte maskinen i närheten av stup, diken, flodbäddar, vatten eller andra faror. Maskinen kan välta plötsligt om ett hjul kör över en kant eller kanten ger vika. Håll säkert avstånd (dubbel maskinbredd) mellan maskinen och riskfyllda områden. Använd en gågräsklippare eller en handtrimmer för att klippa gräs i dessa områden.

Undvik att starta, stänga av eller svänga med maskinen i sluttningar. Undvik att göra plötsliga ändringar i hastighet eller riktning, sväng långsamt och gradvis.
Använd inte maskinen under förhållanden där det råder tvekan om dragkraft, styrning eller stabilitet. Tänk på att maskinen kan förlora drivkraften om du kör på vått gräs, tvärs över sluttningar eller i nedförslutning. Om drivhjulen tappar dragkraft kan det leda till att maskinen glider och att du förlorar kontrollen över bromsning och styrning. Maskinen kan glida även om drivhjulen stoppas.
Ta bort eller märk ut hinder som t.ex. diken, hål, fåror, gupp, stenar eller andra dolda faror. Det kan finnas dolda hinder i högt gräs. Ojämn terräng kan göra att maskinen välter.
Var extra försiktig när du kör med tillbehör eller redskap, såsom gräsuppsamlingssystem. Dessa kan ändra maskinens stabilitet och leda till att du förlorar kontrollen. Följ anvisningarna för motvikter.
Om möjligt ska däcket hållas nedsänkt mot marken när du kör i sluttningar. Om klippdäcket höjs vid körning i sluttningar kan maskinen bli instabil.
Använd klippdäcket som hjälp för att sätta dig i förarsätet (Figur 22).

Koppla alltid in parkeringsbromsen när du stannar maskinen eller lämnar den utan uppsikt.
Ställ maskinen på ett plant underlag.

Lossa parkeringsbromsen genom att föra spaken ur skåran och sedan mot dig. Tryck sedan ned den (Figur 24).


Du kan flytta gasreglaget mellan det SNABBA och det LåNGSAMMA läget (Figur 28).
Använd alltid det SNABBA läget när du kopplar in kraftuttaget.

Använd choken för att starta en kall motor.
Vrid nyckeln till STARTLäGET (Figur 30).
Note: Släpp nyckeln när motorn startar.
Important: Låt inte startmotorn gå i mer än 5 sekunder åt gången. Om motorn inte startar ska du vänta 10 sekunder innan du försöker igen. Om du inte följer de här anvisningarna kan startmotorn brännas ur.
Note: Det kan krävas flera försök att starta motorn om du startar den första gången efter att bränslesystemet har tömts helt på bränsle.

Vrid nyckeln till STOPPLäGET för att stänga av motorn.
Note: En varm eller het motor behöver eventuellt inte chokas.
Important: Låt inte startmotorn gå i mer än 5 sekunder åt gången. Om startmotorn går i mer än 5 sekunder kan den skadas. Om motorn inte startar väntar du 10 sekunder innan du använder startmotorn igen.

Koppla ur knivarna genom att föra knivreglaget till läget AV (Figur 27).
Koppla in parkeringsbromsen. Se Koppla in parkeringsbromsen.
För gasreglaget till läget SNABBT.
Vrid tändningsnyckeln till läget AV och ta ut nyckeln.
Barn eller kringstående kan skadas om de flyttar eller försöker köra en maskin som har lämnats utan uppsikt.
Ta alltid ut nyckeln och koppla in parkeringsbromsen när du lämnar maskinen utan uppsikt.

Drivhjulen svänger oberoende av varandra och drivs av hydraulmotorer på varje axel. Du kan svänga ena sidan bakåt och den andra framåt så att maskinen snurrar istället för att svänga. Detta gör maskinen mycket mer lättmanövrerad, men det kan ta ett tag att vänja sig vid rörelserna.
Med gasreglaget styrs motorns varvtal mätt i rpm (varv per minut). Sätt gasreglaget i det SNABBA läget för bästa prestanda. Kör alltid med full gas vid klippning.
Maskinen kan rotera väldigt snabbt. Du kan förlora kontrollen över maskinen och orsaka personskador eller skador på maskinen.
Var försiktig i svängar.
Sakta ned innan du gör skarpa svängar.
Note: Motorn stängs av om rörelsereglaget flyttas när parkeringsbromsen är åtdragen.
Stanna maskinen genom att föra rörelsereglagen till NEUTRALLäGET.
Koppla ur parkeringsbromsen. Se Koppla ur parkeringsbromsen.
För reglagen till mittläget, olåst läge.
Kör framåt genom att försiktigt föra rörelsereglagespakarna framåt (Figur 33).

För reglagen till mittläget, olåst läge.
Backa genom att försiktigt dra rörelsereglagespakarna bakåt (Figur 34).

Smart SpeedTM-styrsystemspaken, som sitter till höger om förarsätet (Figur 35), ger dig möjlighet att välja mellan tre hastighetsintervall som maskinen kan köras i – kant, bogsering och klippning.

Så här ändrar du hastigheten:
För rörelsereglagespakarna till neutralläget och utåt till det NEUTRALA LåSLäGET.
Koppla ur knivreglagebrytaren.
Justera spaken till önskat läge.
Den information som följer ska endast ses som en rekommendation. Vilka justeringar som bör göras varierar beroende på grästyp, fukthalt och gräsets höjd.
| Lämplig användning: | Kant | Bogsering | Klippning |
| Parkering | X | ||
| Tungt, vått gräs | X | ||
| Utbildning | X | ||
| Uppsamling | X | ||
| Mullning | X | ||
| Normal klippning | X | ||
| Flytta maskinen | X |
Kant
Det här är den långsammaste hastigheten. Hastigheten passar till följande:
Parkering
Klippning av tungt, vått gräs
Utbildning
Bogsering
Det här är mellanhastigheten. Hastigheten passar till följande:
Uppsamling
Mullning
Klippning
Det här är den snabbaste hastigheten. Hastigheten passar till följande:
Normal klippning
Flytta maskinen
Smart SpeedTM-styrsystemspaken, som sitter nedanför förarsätet (Figur 36), ger föraren möjlighet att välja mellan tre hastighetsintervall som maskinen kan köras i – kant, bogsering och klippning.

Så här ändrar du hastigheten:
För rörelsereglagespakarna till neutralläget och utåt till PARKERINGSLäGET.
Koppla ur knivreglagebrytaren.
Justera spaken till önskat läge.
Den information som följer ska endast ses som en rekommendation. Vilka justeringar som bör göras varierar beroende på grästyp, fukthalt och gräsets höjd.
| Lämplig användning: | Kant | Bogsering | Klippning |
| Parkering | X | ||
| Tungt, vått gräs | X | ||
| Utbildning | X | ||
| Trimning av gräs | X | ||
| Uppsamling | X | ||
| Mullning | X | ||
| Bogsering av redskap | X | ||
| Normal klippning | X | ||
| Flytta maskinen | X |
Kant
Det här är den långsammaste hastigheten. Hastigheten passar till följande:
Parkering
Klippning av tungt, vått gräs
Utbildning
Trimning av gräs
Bogsering
Det här är mellanhastigheten. Hastigheten passar till följande:
Uppsamling
Mullning
Bogsering av redskap
Klippning
Det här är den snabbaste hastigheten. Hastigheten passar till följande:
Normal klippning
Flytta maskinen
Klipparen har en fällbar gräsriktare som sprider ut det klippta gräset åt sidan och ner i gräsmattan.
Om ingen gräsriktare, utkastarlucka eller komplett gräsuppsamlare har monterats kan du och andra komma i kontakt med knivarna eller träffas av utslungat skräp. Kontakt med roterande kniv(ar) och utslungat skräp kan orsaka skador eller leda till dödsfall.
Ta aldrig bort gräsriktaren från klippdäcket eftersom gräsriktaren riktar avfallet ned mot gräset. Byt omedelbart ut gräsriktaren om den skadas.
För aldrig in händerna eller fötterna under klippdäcket.
Försök aldrig att rensa utkastaren eller knivarna utan att först KOPPLA UR knivreglagebrytaren (kraftuttaget), vrida tändningslåset till det AVSTäNGDAläget och sedan ta ut nyckeln ur tändningslåset.
Se till att gräsriktaren är i nedfällt läge.
Maskinen är utrustad med ett fotpedalstyrt däcklyftsystem. Du kan använda fotpedalen för att lyfta däcket något och undvika hinder, eller låsa däcket i läget för den högsta klipphöjden eller transportläget. Du kan använda klipphöjdsspaken tillsammans med fotpedalen för att låsa däcket i en viss klipphöjd.
Du kan justera klipphöjden mellan 38 och 114 mm i steg om 6 mm genom att flytta klipphöjdssprinten till olika hål.
Tryck på däcklyftpedalen med foten och höj klippdäcket till det låsta transportläget (även klipphöjdsläget på 114 mm) enligt Figur 38.
Justera inställningen genom att ta ut sprinten ur klipphöjdsfästet (Figur 38).
Sätt i sprinten i det hål i klipphöjdssystemet som motsvarar den önskade klipphöjden (Figur 38).
Tryck på däcklyftpedalen med foten och dra handtaget bakåt för att koppla ur transportlåset (Figur 37).
Sänk däcket sakta tills spaken kommer i kontakt med sprinten.

Varje gång du ändrar klipphöjden ska du även justera antiskalprullarnas höjdinställning.
Note: Justera antiskalpvalsarna så att de inte vidrör marken vid normal klippning på plana ytor.
Parkera maskinen på en plan yta, koppla ur knivreglagebrytaren och koppla in parkeringsbromsen. Se Koppla in parkeringsbromsen.
Stäng av motorn, ta ut nyckeln och vänta tills alla rörliga delar har stannat innan du kliver ur förarsätet.
Justera antiskalpvalsarna enligt Figur 39.

Använd endast redskap och tillbehör som är godkända av Toro.
Om du vill montera en skopa på motorskyddet ska den fästas med en rem.
Important: Vikten i skopan påverkar maskinens stabilitet. Om du förflyttar en högre vikt än vad som anges i tabellen nedan i en skopa som är fäst på motorskyddet måste en skopstödsats monteras på maskinen.
Kontakta en auktoriserad återförsäljare.
| Modell | Högsta vikt per skopa utan skopstödsatsen |
| 122 cm brett däck | 1,1 kg |
| 137 cm brett däck | 1,1 kg |
| 152 cm brett däck | 4,5 kg |
Kör motorn i det SNABBA läget för bästa klippning och maximal luftcirkulation. Det krävs luft för att klippa gräset ordentligt. Ställ inte in för låg klipphöjd så att klippdäcket helt omges av oklippt gräs. Försök att alltid se till att en sida av klippdäcket är fritt från oklippt gräs, vilket medför att luft kan sugas in i klippdäcket.
Klipp gräset något högre än normalt så att inte klippdäcket skalperar ojämn mark. Den klipphöjd som använts tidigare är vanligtvis den bästa. Vid klippning av gräs som är längre än 15 cm kan du behöva klippa två gånger för att få ett acceptabelt klippresultat.
Det är bäst att bara klippa av cirka en tredjedel av grässtrået. Mer än så rekommenderas bara om gräset är glest eller om det är sent på hösten då gräset växer saktare.
Växla klippriktning för att hålla gräset rakt. Det underlättar också fördelningen av det klippta gräset, vilket förbättrar nedbrytning och gödning.
Gräs växer i olika takt beroende på årstiden. För att hålla samma längd på gräset ska man klippa oftare tidigt på våren. Klipp mer sällan när tillväxten avtar mot mitten av sommaren. Klipp med högre klipphöjd och klipp sedan igen efter två dagar med lägre klipphöjd om du inte kan klippa under en längre tidsperiod.
Du kan köra saktare för att få ett bättre klippresultat under vissa förhållanden.
Höj klipphöjden vid klippning av en ojämn gräsmatta så att inte gräsmattan skalas av.
Om du måste stanna maskinen under klippningen kan en klump med gräsklipp falla ner på gräsmattan. Kör till ett område som du redan har klippt medan knivarna är inkopplade för att undvika detta eller koppla bort klippardäcket samtidigt som du kör framåt.
Rensa bort gräsklipp och smuts från undersidan av klippdäcket efter varje klippning. Om gräs och smuts ansamlas inuti klippdäcket blir klippresultatet till slut inte tillfredsställande.
Se till att hålla kniven vass under klippsäsongen, eftersom en vass kniv klipper rent utan att slita och rycka av grässtråna. Om gräset slits och rycks av gulnar det i ändarna, vilket minskar tillväxten och ökar risken för sjukdomar. Kontrollera knivarna efter varje användning för att se till att de inte är slöa, slitna eller skadade. Fila ned eventuella hack och slipa knivarna om så behövs. Om en kniv är skadad eller sliten ska den bytas ut omedelbart mot en originalkniv från Toro.
Parkera maskinen på ett plant underlag, koppla ur drivningen, lägg i parkeringsbromsen, stäng av motorn och ta ut nyckeln eller koppla ifrån tändstiftskabeln. Vänta tills alla rörliga delar har stannat och låt maskinen svalna innan du justerar, rengör, reparerar eller ställer den i förvaring. Låt aldrig personer utan nödvändig utbildning utföra underhåll på maskinen.
Rengör maskinen enligt anvisningarna i underhållsavsnittet. Håll motorn och området runt motorn fritt från ansamling av gräs, löv, fett, olja och annat skräp som kan ackumuleras i dessa områden. Dessa material kan antändas och orsaka eldsvåda.
Kontrollera regelbundet om det finns slitna eller försämrade komponenter som kan utgöra risker. Dra åt lösa fästelement.
Använd en släpvagn eller lastbil för tung last för att transportera maskinen. Se till att alla lampor och markeringar som krävs enligt lag finns på släpvagnen eller lastbilen. Läs alla säkerhetsanvisningar noga. Risken för att du, din familj, dina husdjur eller kringstående skadas minskar om du känner till denna information.
Gör så här för att transportera maskinen:
Lås bromsen och blockera hjulen.
Kontroller att bränslekranen är stängd.
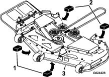
Säkra maskinen på släpvagnen eller lastbilen med spännband, kedjor, kablar eller rep. Använd endast de fyra avsedda fästpunkterna på klipparen – två på vänster sida och två på höger sida (Figur 40). Använd dessa punkter även när du transporterar en klippare försedd med ett redskap. Klipparen och/eller redskapet kan skadas om du använder andra fästpunkter.

En släpvagn som bogseras med ett fordon ska säkras med säkerhetskedjor.
Det är farligt att köra på gator eller vägar utan blinkers, strålkastare och reflexer eller utan en skylt med ”långsamgående fordon”, och det kan orsaka olyckor med personskador som följd.
Kör aldrig maskinen på allmän väg.
Var mycket försiktigt när du lastar på eller av maskiner på ett släp eller en lastbil. Använd en fullbreddsramp som är bredare än maskinen för den här proceduren. Backa uppför ramper och kör framåt nedför ramper (Figur 41).

Important: Använd inte smala, åtskilda ramper för varje sida av maskinen.
Kontrollera att rampen är tillräckligt lång så att vinkeln mot marken inte överstiger 15 grader (Figur 41). På plan mark innebär det att rampen ska vara minst fyra gånger (4x) så lång som släpvagns- eller lastbilsflakets höjd från marken. En brantare vinkel kan göra att delar från klipparen fastnar när maskinen flyttas från rampen till ett släp eller en lastbil. En brantare lutning kan också göra att maskinen tippar eller att föraren förlorar kontrollen. Vid lastning på eller i närheten av en sluttning ska släpet eller lastbilen placeras så att det/den riktas nedför sluttningen, och så att rampen är riktad uppför. På så vis minimeras rampens lutningsvinkel.
Om man lastar på en maskin på ett släp eller en lastbil ökar risken för att välta, vilket kan orsaka allvarliga personskador och innebära livsfara.
Var mycket försiktig vid körning på en ramp.
Använd endast en fullbreddsramp. Använd inte åtskilda ramper för var sida av maskinen.
Kontrollera att lutningen mellan rampen och marken, eller mellan rampen och släpet eller lastbilen, inte är större än 15 grader.
Kontrollera att rampen är minst fyra gånger (4x) så lång som släpvagns- eller lastbilsflakets höjd från marken. Det säkrar att rampens vinkel vinkeln överstiger 15 grader på plan mark.
Backa uppför ramper och kör framåt nedför ramper.
Undvik plötslig acceleration eller inbromsning när du kör maskinen på en ramp, eftersom det kan orsaka att du tappar kontrollen eller tippar.

Anslut inte någon bogseringsutrustning annat än till draganordningen.
Följ redskapstillverkarens rekommendationer rörande viktgränser för utrustning som bogseras samt bogsering i sluttningar. Den hydrostatiska transmissionen kan skadas om den vikt som bogseras överskrider maskinens, förarens och ballastens sammanlagda vikt. Använd motvikter eller hjulvikter enligt beskrivningen i bruksanvisningen från redskapets tillverkare.
Låt aldrig någon åka i eller på den utrustning som bogseras.
I sluttningar kan den bogserade utrustningens vikt göra att drivningen går förlorad och därmed öka risken för att den välter och för att du tappar kontrollen. Minska den vikt som bogseras och sakta ned.
Stoppsträckan ökar med den bogserade lastens vikt. Kör därför alltid långsamt och beräkna extra lång stoppsträcka.
Gör stora svängar så att redskapet inte krockar med maskinen.
Important: Skjut alltid maskinen för hand. Bogsera inte maskinen då den kan skadas.
Maskinen har en elbromsmekanism, och för att maskinen ska kunna skjutas måste tändningsnyckeln vara i KöRLäGET. Batteriet måste vara uppladdat och fungerande för att elbromsen ska kopplas ur.
Parkera maskinen på en plan yta och koppla ur knivreglaget.
Lägg i parkeringsbromsen, stäng av motorn och vänta tills alla rörliga delar har stannat innan du lämnar förarplatsen.
Lokalisera förbikopplingsspakarna på ramen på båda sidor av motorn.
För förbikopplingsreglagen framåt genom nyckelhålet och nedåt för att låsa dem på plats (Figur 43).
Note: Gör detta för alla reglage.
Lossa parkeringsbromsen.
Note: Starta inte maskinen.

Koppla in parkeringsbromsen när du är klar.
För förbikopplingsreglagen bakåt genom nyckelhålet och nedåt för att låsa dem på plats enligt Figur 43.
Note: Gör detta för alla reglage.
Note: Vänster och höger sida på maskinen är lika med förarens vänstra respektive högra sida vid normal körning.
Medan underhåll eller justeringar utförs kan någon starta maskinen. Om motorn startas av misstag kan du eller kringstående skadas allvarligt.
Ta ut nyckeln ur tändningslåset, lägg i parkeringsbromsen och dra av tändkabeln/tändkablarna från tändstiftet/tändstiften innan du utför underhåll. För även kablarna åt sidan så att de inte kommer i kontakt med tändstiften.
Motorn kan bli mycket varm. Du kan få allvarliga brännskador om du rör vid en varm motor.
Låt motorn svalna helt innan du utför något service- eller reparationsarbete i motorområdet.
Parkera maskinen på ett plant underlag, koppla ur drivningen, lägg i parkeringsbromsen, stäng av motorn och ta ut nyckeln eller koppla ifrån tändstiftskabeln. Vänta tills alla rörliga delar har stannat och låt maskinen svalna innan du justerar, rengör eller reparerar den. Låt aldrig personer utan nödvändig utbildning utföra underhåll på maskinen.
Koppla från batteriet och ta bort tändkabeln innan du utför några reparationer. Lossa minuskabelanslutningen först och pluskabelanslutningen sist. Återanslut plus först och minus sist.
Kontrollera att maskinens samtliga skydd, sköldar och skyddsanordningar sitter på plats och är i säkert bruksskick. Undersök komponenterna ofta med avseende på slitage och byt vid behov ut dem mot delar som rekommenderas av tillverkaren.
Borttagning eller modifiering av originalutrustning, -delar och/eller -redskap annars kan påverka maskinens garanti, styrbarhet och säkerhet. Ej tillåten modifiering av originalutrustning eller underlåtenhet att använda Toro-originaldelar kan leda till allvarliga personskador eller dödsfall. Ej tillåtna ändringar av maskinen, motorn, bränslet eller ventilationssystemet kan bryta mot tillämpliga säkerhetsstandarder som ANSI, OSHA och NFPA och/eller gällande lagstiftning som EPA och CARB.
Var försiktig när du kontrollerar knivarna. Svep något omkring kniven/knivarna eller bär handskar, och var försiktig vid underhåll. Byt endast ut skadade knivar. De får aldrig rätas ut eller svetsas.
Stötta vid behov upp maskinen och/eller dess komponenter med domkrafter.
Det kan vara farligt att enbart förlita sig på mekaniska eller hydrauliska domkrafter när man hissar upp maskinen för service eller underhåll. De mekaniska eller hydrauliska domkrafterna kanske inte klarar att hålla maskinen uppe eller kan ha funktionsfel som medför att maskinen ramlar ned, vilket kan orsaka personskador.
Stötta inte maskinen enbart med mekaniska eller hydrauliska domkrafter. Använd lämpliga domkrafter eller liknande stöd.
Lätta försiktigt på trycket i komponenter med lagrad energi.
Håll händer och fötter borta från rörliga delar. Gör helst inga justeringar när motorn är igång. Var mycket försiktig om underhållet eller justeringen kräver påslagen motorn och komponenter i rörelse.
Kontakt med rörliga delar eller varma ytor kan leda till personskador.
Håll fingrar, händer och kläder borta från roterande delar och varma ytor.
Kontrollera ofta att samtliga skruvar bibehåller korrekt åtdragning.
| Underhållsintervall | Underhållsförfarande |
|---|---|
| Efter de första 5 timmarna |
|
| Varje användning eller dagligen |
|
| Efter varje användning |
|
| Var 25:e timme |
|
| Var 100:e timme |
|
| Var 200:e timme |
|
| Före förvaring |
|
Om du lämnar nyckeln i tändningslåset kan någon råka starta motorn av misstag och skada dig eller någon annan person allvarligt.
Stäng av motorn och ta ut nyckeln ur låset innan du utför något underhåll.
Lossa de två nedre skruvarna på kjolen för att få åtkomst till klippdäckets ovansida (Figur 44).

Note: Dra alltid åt bultarna igen för att montera kjolen efter underhåll.
Stäng av motorn innan du kontrollerar oljenivån eller fyller på olja i vevhuset.
Håll händer, fötter, ansikte och andra kroppsdelar samt kläder på avstånd från ljuddämparen och andra heta ytor.
| Underhållsintervall | Underhållsförfarande |
|---|---|
| Varje användning eller dagligen |
|
Note: Utför service på luftrenaren oftare (med några timmars mellanrum) vid extremt dammiga och sandiga arbetsförhållanden.
Parkera maskinen på en plan yta, koppla ur knivreglagebrytaren (kraftuttaget) och koppla in parkeringsbromsen.
Stäng av motorn, ta ut nyckeln och vänta tills alla rörliga delar har stannat innan du kliver ur förarsätet.
Gör rent omkring luftrenaren så att inte smuts faller ned i motorn och orsakar skador.
Lyft kåpan och vrid luftrenaren ut ur motorn (Figur 45).


Dela på skumplast- och pappersinsatserna (Figur 46).

| Underhållsintervall | Underhållsförfarande |
|---|---|
| Var 25:e timme |
|
| Var 100:e timme |
|
Tvätta skumplastinsatsen med flytande tvål och varmt vatten. Skölj ordentligt när den är ren.
Torka insatsen genom att krama den i en ren trasa.
Important: Byt ut skumplastinsatsen om den är trasig eller sliten.
| Underhållsintervall | Underhållsförfarande |
|---|---|
| Var 100:e timme |
|
| Var 200:e timme |
|
Rengör pappersinsatsen genom att knacka försiktigt på den för att få bort damm.
Note: Om pappersinsatsen är mycket smutsig bör den bytas ut mot en ny.
Inspektera och leta efter sprickor, oljebeläggning eller skador på gummitätningen.
Byt ut pappersinsatsen om den är skadad.
Important: Rengör inte pappersfiltret.
Montera skumplastinsatsen över pappersinsatsen.
Note: Var försiktig så att du inte skadar insatserna.
Rikta filtrets hål in mot grenrörets portar.
Vrid filtret ned i kammaren och fäst det ordentligt mot grenröret (Figur 47).

Stäng panelen.
Oljetyp: Renad olja (API service SF, SG, SH, SJ eller SL)
Vevhusets kapacitet: 2,4 liter med oljefilter
Viskositet: Se tabellen nedan.

| Underhållsintervall | Underhållsförfarande |
|---|---|
| Varje användning eller dagligen |
|
Note: Kontrollera oljenivån när motorn är kall.
Important: Om du fyller på för mycket eller för lite olja i motorns vevhus och startar motorn kan den skadas.
Parkera maskinen på en plan yta, koppla ur knivreglagebrytaren (kraftuttaget) och koppla in parkeringsbromsen.
Stäng av motorn, ta ut nyckeln och vänta tills alla rörliga delar har stannat innan du kliver ur förarsätet.
Note: Säkerställ att motorn har svalnat så att oljan har hunnit rinna ned i sumpen.
Rengör området runt oljepåfyllningslocket och oljestickan innan du tar bort stickan så att smuts och gräsklipp inte hamnar i motorn (Figur 49).

| Underhållsintervall | Underhållsförfarande |
|---|---|
| Efter de första 5 timmarna |
|
| Var 100:e timme |
|
Parkera maskinen på ett jämnt underlag för att försäkra att oljan töms helt.
Koppla ur knivreglagebrytaren (kraftuttaget) och koppla in parkeringsbromsen.
Stäng av motorn, ta ut nyckeln och vänta tills alla rörliga delar har stannat innan du kliver ur förarsätet.
Töm motorn på olja.


Byt ut motoroljefiltret (Figur 51).
Note: Kontrollera att oljefilterpackningen ligger mot motorn och vrid sedan filtret ytterligare ¾ varv.

Häll långsamt ca 80 % av den angivna oljan i påfyllningsröret och tillsätt långsamt ytterligare olja tills den når markeringen Full (Figur 52).

Lämna in spilloljan på en återvinningsstation.
| Underhållsintervall | Underhållsförfarande |
|---|---|
| Var 100:e timme |
|
| Var 200:e timme |
|
Se till att mellanrummet mellan mitt- och sidoelektroderna är korrekt innan tändstiftet monteras. Använd en tändstiftsnyckel vid demontering och montering av tändstiftet och ett bladmått för kontroll och justering av mellanrummet. Montera vid behov ett nytt tändstift.
Typ: Champion® RN9YC eller NGK® BPR6ES
Luftgap: 0,76 mm
Parkera maskinen på en plan yta, koppla ur knivreglagebrytaren (kraftuttaget) och koppla in parkeringsbromsen.
Stäng av motorn, ta ut nyckeln och vänta tills alla rörliga delar har stannat innan du kliver ur förarsätet.
Rengör området runt stiftets bas så att smuts och skräp inte hamnar i motorn.
Ta bort tändstiftet (Figur 53).

Important: Rengör inte tändstiftet/-stiften. Byt alltid ut tändstiftet om det har en svart beläggning, slitna elektroder, en oljefilm eller sprickor.
Om isolatorn är ljust brun eller grå fungerar motorn korrekt. En svart beläggning på isolatorn betyder vanligen att luftrenaren är smutsig.
Ställ in gapet till 0,76 mm.


| Underhållsintervall | Underhållsförfarande |
|---|---|
| Varje användning eller dagligen |
|
Parkera maskinen på en plan yta, koppla ur knivreglagebrytaren (kraftuttaget) och koppla in parkeringsbromsen.
Stäng av motorn, ta ut nyckeln och vänta tills alla rörliga delar har stannat innan du kliver ur förarsätet.
Ta bort luftfiltret från motorn.
Ta bort motorhöljet.
Montera luftfiltret på filterbasen för att förhindra att skräp kommer in i luftintaget.
Avlägsna skräp och gräs från delarna.
Ta bort luftfiltret och montera motorhöljet.
Montera luftfiltret.
Under vissa förhållanden är bränsle extremt brandfarligt och mycket explosivt. Brand eller explosion i bränsle kan orsaka brännskador och materiella skador.
Mer information om försiktighetsåtgärder rörande bränslehantering finns i Fylla på bränsle.
| Underhållsintervall | Underhållsförfarande |
|---|---|
| Var 100:e timme |
|
| Var 200:e timme |
|
Sätt aldrig tillbaka ett smutsigt filter efter att ha tagit bort det från bränsleslangen.
Parkera maskinen på en plan yta, koppla ur knivreglagebrytaren (kraftuttaget) och koppla in parkeringsbromsen.
Stäng av motorn, ta ut nyckeln och vänta tills alla rörliga delar har stannat innan du kliver ur förarsätet.
Byt ut filtret (Figur 56).
Note: Observera: Kontrollera att markeringarna på filtret följer bränslets flödesriktning.


Koppla bort batteriet innan reparation utförs på maskinen. Lossa minuskabelanslutningen först och pluskabelanslutningen sist. Återanslut pluskabelanslutningen först och minuskabelanslutningen sist.
Ladda batteriet i ett öppet och välventilerat utrymme, på avstånd från gnistor och öppna lågor. Koppla ur laddaren innan batteriet ansluts eller kopplas bort. Använd skyddskläder och isolerade verktyg.
Felaktig borttagning av kablar från batteriet kan orsaka gnistor, vilket kan skada maskinen och kablarna. Gnistor kan få batterigaserna att explodera, vilket kan leda till personskador.
Lossa alltid batteriets minuskabel (svart) innan du lossar pluskabeln (röd).
Anslut alltid pluskabeln (röd) innan du ansluter minuskabeln (svart).
Parkera maskinen på en plan yta, koppla ur knivreglagebrytaren (kraftuttaget) och koppla in parkeringsbromsen.
Stäng av motorn, ta ut nyckeln och vänta tills alla rörliga delar har stannat innan du kliver ur förarsätet.
Vrid de två fästelementen på batterilocket motsols ett kvarts varv för att lossa dem och ta bort batterikåpan (Figur 57).

Lossa den jordade minuskabeln (svart) från batteripolen (Figur 58).
Note: Spara alla fästelement.
Dra upp gummihöljet på pluskabeln (röd).
Lossa pluskabeln (röd) från batteripolen (Figur 58).
Note: Spara alla fästelement.
Ta bort batteriets låsfäste (Figur 58) och lyft ut batteriet ur batterilådan.

| Underhållsintervall | Underhållsförfarande |
|---|---|
| Före förvaring |
|
Ta bort batteriet från chassit. Se Demontering av batteri.
Ladda batteriet i minst en timme vid 6–10 A.
Note: Överladda inte batteriet.
När batteriet är fulladdat ska laddaren kopplas bort från eluttaget först, och sedan ska laddningskablarna lossas från batteripolerna (Figur 59).

Placera batteriet i lådan (Figur 58).
Anslut pluskabeln (röd) till batteriets pluspol (+) med de fästelement som togs bort tidigare.
Anslut minuskabeln till batteriets minuspol (–) med de fästelement som du tog bort tidigare.
Trä på den röda anslutningsskon på batteriets pluspol (röd).
Fäst batteriet med låsfästet (Figur 58).
Montera batterikåpan genom att trycka ned och vrida de två fästelementen medurs (Figur 57).
Elsystemet skyddas av säkringar. Den kräver inget underhåll, men om en säkring går bör du dock undersöka komponenten/kretsen för funktionsfel eller kortslutning.
Typ av säkring:
Huvudsäkring – F1 (15 A, flatsäkring)
Laddningskrets – F2 (25 A, flatsäkring)
Byt ut huvudsäkringen (15 A) genom att sträcka in handen i konsolens sidoöppning och ta bort den. Sätt i en ny säkring (15 A) (Figur 60).

Byt ut laddningskretsens säkring (25 A) genom att leta reda på säkringen till vänster om batteriet och ta bort den. Sätt i en ny säkring (25 A) (Figur 61).

| Underhållsintervall | Underhållsförfarande |
|---|---|
| Var 25:e timme |
|
Håll lufttrycket i fram- och bakdäcken enligt specifikationerna. Ojämnt lufttryck i däcken kan orsaka ojämn klippning. Kontrollera trycket vid ventilskaftet (Figur 62). Mät trycket när däcken är kalla för att få en så exakt avläsning som möjligt.
Se det maximitryck som föreslås av däcktillverkaren på sidan av svänghjulen.
Pumpa upp de främre svänghjulen till 1,03 bar.
Pumpa upp de bakre drivhjulen till 0,9 bar.

| Underhållsintervall | Underhållsförfarande |
|---|---|
| Var 25:e timme |
|
Byt ut remmen om den är sliten. Gnisslande ljud när remmen roterar, slirande knivar vid gräsklippning, fransiga remkanter, brännmärken och sprickor är tecken på en sliten klipparrem.
Gnisslande ljud när remmen roterar, slirande knivar vid gräsklippning, fransiga remkanter, brännmärken och sprickor är tecken på en sliten klipparrem. Byt ut klipparremmen om något av dessa tillstånd förekommer.
Parkera maskinen på en plan yta, koppla ur knivreglagebrytaren (kraftuttaget) och koppla in parkeringsbromsen.
Stäng av motorn, ta ut nyckeln och vänta tills alla rörliga delar har stannat innan du kliver ur förarsätet.
Sänk klipparen till en klipphöjd på 76 mm.
Ta bort klippdäckets kjol enligt Lossa klippdäckets kjol.
Lossa de två skruvarna för varje remkåpa, men ta inte bort dem.
Skjut av kåpan tills den går fri från skruvarna och lyft den uppåt och utåt för att ta bort den.
Använd ett fjäderborttagningsverktyg (Toro-artikelnr 92-5771) och ta bort mellanremskivfjädern från däcktappen för att lätta på mellanremskivans spänning (Figur 63).

Sänk klipparen till den lägsta klipphöjden och för in klipphöjdssprinten i låsläget för den lägsta klipphöjden.
Ta bort remmen från klippremskivorna och ta bort den befintliga remmen.
Montera en ny rem runt klipparremsskivorna och kopplingsskivan under motorn (Figur 63).
Fjädern är spänd när den är monterad och kan orsaka personskador.
Var försiktig när du tar loss remmen.
Använd ett fjäderborttagningsverktyg (Toro-artikelnr 92-5771) och montera mellanremskivfjädern på däcktappen för att öka mellanremskivans och klipparremmens spänning (Figur 63).
Säkerställ att remmen sitter ordentligt kring alla remskivorna.
Montera remkåporna genom att fästa kåpornas hakar i motsvarande skåror på däckfästet och kontrollera att de sitter säkert.
Vrid kåpan mot däcket och skjut skårorna under de skruvar som lossats tills de sitter fast.
Dra åt skruvarna för att fästa kåpan på däcket.
Montera klippdäckets kjol enligt Lossa klippdäckets kjol.
En sliten eller skadad kniv kan gå sönder och en bit av kniven kan slungas ut mot dig eller någon kringstående, vilket kan leda till allvarliga personskador eller dödsfall. Om man försöker reparera en skadad kniv kan detta resultera i att produktens säkerhetscertifiering upphör att gälla.
Kontrollera om knivarna är slitna eller skadade med jämna mellanrum.
Var försiktig när du kontrollerar knivarna. Linda in knivarna i något eller ta på dig handskar, och var försiktig när du servar knivarna. Knivarna får endast bytas ut eller slipas – de ska aldrig rätas ut eller svetsas.
Var försiktig när en kniv roteras på maskiner med flera knivar, eftersom den kan få även andra knivar att börja rotera.
För bästa klippresultat ska knivarna hållas vassa. Ha extraknivar till hands för att lätt kunna slipa och byta ut dem.
Parkera maskinen på en plan yta, koppla ur knivreglagebrytaren (kraftuttaget) och koppla in parkeringsbromsen.
Stäng av motorn, ta ut nyckeln och koppla bort tändkablarna från tändstiften.
| Underhållsintervall | Underhållsförfarande |
|---|---|
| Varje användning eller dagligen |
|
Kontrollera eggarna (Figur 64).
Ta bort kniven och slipa den om eggarna är slöa eller har fått hack, se Slipa knivarna.
Kontrollera knivarna, speciellt den böjda delen.
Montera omedelbart en ny kniv om du upptäcker sprickor, slitage eller spårbildning i detta område (Figur 64).

Note: Maskinen måste stå på en plan yta när följande procedur utförs.
Höj klippdäcket till det högsta klippläget.
Bär tjocka vadderade handskar eller annat lämpligt handskydd och rotera långsamt kniven till ett läge så att du kan mäta avståndet mellan knivseggen och det plana underlag som maskinen står på (Figur 65).

Mät från knivspetsen till den plana ytan (Figur 66).

Rotera samma kniv 180 grader så att den motsatta skäreggen nu är i samma läge (Figur 67).

Mät från knivspetsen till den plana ytan (Figur 68).
Note: Skillnaden bör inte vara mer större än 3 mm.

Om skillnaden mellan A och B är större än 3 mm ska kniven bytas ut mot en ny. Se Demontera knivarna och Montera knivarna.
Note: Om en böjd kniv byts ut mot en ny, men skillnaden fortfarande är större än 3 mm, kan knivspindeln vara böjd. Kontakta en auktoriserad återförsäljare för service.
Om skillnaden ligger inom de godkända värdena går du vidare till nästa kniv.
Upprepa proceduren på samtliga knivar.
Byt ut knivarna om de slår i ett hårt föremål eller om kniven är obalanserad eller böjd.
Håll knivänden med en trasa eller en tjockt vadderad handske.
Avlägsna knivskruven, den böjda brickan och kniven från spindelaxeln (Figur 69).

Slipa eggarna i båda ändarna av kniven med en fil (Figur 70).
Note: Behåll ursprungsvinkeln.
Note: Kniven behåller balanseringen om samma mängd material avlägsnas från båda eggarna.

Kontrollera knivens balans med en knivbalanserare (Figur 71).
Note: Om kniven stannar kvar i ett horisontellt läge är den i balans och kan användas.
Note: Om kniven inte är balanserad kan du fila bort lite metall från knivens segeldel (Figur 70).

Upprepa proceduren tills kniven är balanserad.
Kontrollera att klippdäcket är plant när du monterar klipparen eller om du märker att din gräsmatta blir ojämnt klippt.
Kontrollera att klippdäckets knivar inte är böjda innan balansering och ta bort och byt ut alla böjda knivar. Se Kontrollera om knivarna är böjda innan du fortsätter.
Ställ in klippdäckets lutning i sidled innan du justerar den främre-bakre lutningen.
Krav:
Maskinen måste stå på en plan yta.
Alla däck måste ha rätt tryck. Se Kontrollera däcktrycket.
Parkera maskinen på en plan yta, koppla ur knivreglagebrytaren (kraftuttaget) och koppla in parkeringsbromsen.
Stäng av motorn, ta ut nyckeln och vänta tills alla rörliga delar har stannat innan du kliver ur förarsätet.
Vrid försiktigt på knivarna så att de pekar åt samma håll.
Mät mellan de yttre knivseggarna och den plana ytan (Figur 73).
Note: Om inte båda måtten är inom 5 mm krävs en justering. Se Balansera klippdäcket.

Kontrollera knivens främre och bakre lutning varje gång du monterar klipparen. Om klipparens främre del är mer än 7,9 mm lägre än klipparens bakre del ska du justera knivens lutning.
Parkera maskinen på en plan yta, koppla ur knivreglagebrytaren (kraftuttaget) och koppla in parkeringsbromsen.
Stäng av motorn, ta ut nyckeln och vänta tills alla rörliga delar har stannat innan du kliver ur förarsätet.
Rotera försiktigt knivarna så att de är riktade framåt-bakåt (Figur 74).
Mät från den främre knivens spets till den plana ytan, och från den bakre knivens spets till den plana ytan (Figur 74).
Note: Om den främre knivens spets inte är 1,6–7,9 mm lägre än den bakre knivens spets ska du fortsätta till proceduren Balansera klippdäcket.

Ställ in antiskalpvalsarna i de översta hålen eller ta bort dem helt när du utför den här proceduren. Se Justera antiskalpvalsarna.
Ställ in klipphöjdsreglaget på läget 76 mm. Se Justera klipphöjden.
Lägg två klossar, var och en med en tjocklek på 6,6 cm, under var sida av klippdäckets framkant, men inte under antiskalpvalsens fästen (Figur 75).
Lägg två klossar, var och en med en tjocklek på 7,3 cm, under klippdäckskjolens bakkant, en på var sida av klippdäcket (Figur 75).

Lossa justerskruvarna i alla fyra hörnen så att däcket vilar säkert mot samtliga fyra block (Figur 76).

Kontrollera att det finns spänning på alla fyra kedjorna (Figur 76).
Dra åt de fyra justerskruvarna (Figur 76).
Kontrollera att klossarna sitter säkert under däckkjolen och att skruvarna är åtdragna.
Verifiera att däcket är i våg genom att kontrollera däckets lutning i sidled och knivarnas främre-bakre lutning. Upprepa vid behov proceduren för att balansera däcket.
Parkera maskinen på en plan yta, koppla ur knivreglagebrytaren (kraftuttaget) och koppla in parkeringsbromsen.
Stäng av motorn, ta ut nyckeln och koppla bort tändkablarna från tändstiften.
Sänk klipparen till en klipphöjd på 76 mm.
Lossa de två nedre skruvarna som fäster klippdäckets kjol vid klippdäcket. Se Lossa klippdäckets kjol.
Ta bort klipparremmen från motorremskivan. Se (Byta ut klipparremmen).
Ta bort hårnålssprinten och brickan som fäster länkpinnen till ramen och däcket, och ta bort länkstången (Figur 77).

Minska spänningen från klippdäcket genom att lyfta upp det.
Ta bort kedjorna från krokarna på däcklyftarmarna (Figur 78).

Höj klipphöjden till transportläget.
Ta bort remmen från kopplingsskivan på motorn.
Dra ut klipparen från maskinens undersida.
Note: Spara alla delar för framtida montering.
Parkera maskinen på en plan yta, koppla ur knivreglagebrytaren (kraftuttaget) och koppla in parkeringsbromsen.
Stäng av motorn, ta ut nyckeln och koppla bort tändkablarna från tändstiften.
Skjut in klipparen under maskinen.
Sänk ner klipphöjdsreglaget till lägsta klipphöjd.
Sätt klipphöjdsprinten i låsläget för den lägsta klipphöjden.
Lyft upp klippardäckets bakre del och fäst kedjorna på de bakre lyftarmarna (Figur 78)
Fäst de främre kedjorna på de främre lyftarmarna (Figur 78).
Montera den långa länkstången genom ramstaget och däcket.
Fäst länkpinnen med hårnålssprintarna och brickorna som togs bort tidigare (Figur 77).
Montera klipparremmen på motorremskivan. Se Byta ut klipparremmen.
Dra åt de två nedre skruvarna som håller fast klippdäckets kjol vid klippdäcket. Se Lossa klippdäckets kjol.
| Underhållsintervall | Underhållsförfarande |
|---|---|
| Varje användning eller dagligen |
|
Om utkastaröppningen inte är täckt kan maskinen slunga ut föremål i riktning mot föraren eller kringstående och därmed orsaka allvarliga skador. Det skulle också kunna medföra kontakt med knivarna.
Kör aldrig maskinen utan en mullplåt, en utkastarriktare eller ett gräsuppsamlingssystem.
Kontrollera att gräsriktaren inte är skadad före varje användning. Byt ut skadade delar före användning.
Ta bort saxpinnen (Figur 79).
Lossa fjädern från spåret i riktarfästet och skjut ut stången ur de svetsade däckfästena, fjädern och utkastarriktaren (Figur 79).

Demontera den skadade eller slitna gräsriktaren.
Placera den nya utkastargräsriktaren med fästenas ändar mellan de svetsade fästena på däcket enligt Figur 80.
Montera fjädern på stångens raka ände.
Sätt fjädern på stången enligt Figur 80 så att den kortare fjäderänden kommer fram under stången innan böjen och över stången efter böjen.
Lyft upp fjäderns ögleände och placera den i gräsriktarfästets spår (Figur 80).

Fäst stången och fjädern genom att vrida dem så att stångens korta ände placeras bakom det främre fästet som svetsats fast på däcket (Figur 80).
Important: Gräsriktaren måste vara fjäderupphängd i nedåtriktat läge. Lyft upp riktaren för att kontrollera att den snäpper ner helt i sitt läge.
Montera saxpinnen (Figur 79).
| Underhållsintervall | Underhållsförfarande |
|---|---|
| Efter varje användning |
|
Important: Du kan tvätta maskinen med ett milt rengöringsmedel och vatten. Högtryckstvätta inte maskinen. Undvik att använda alltför mycket vatten, särskilt nära kontrollpanelen, under sätet samt kring motorn, hydraulpumparna och motorerna.
Tvätta klippdäckets undersida efter varje användning för att förhindra att gräs samlas på undersidan. På så sätt förbättras uppsamlingen och spridningen av gräsklippet.
Parkera maskinen på en plan yta, koppla ur knivreglagebrytaren (kraftuttaget) och koppla in parkeringsbromsen.
Stäng av motorn, ta ut nyckeln och vänta tills alla rörliga delar har stannat innan du kliver ur förarsätet.
Anslut slangkopplingen till klipparens tvättkoppling och vrid på vattnet ordentligt (Figur 81).
Note: Smörj in tvättkopplingens o-ring med vaselin för att kopplingen ska glida på lättare och skydda o-ringen.

Sänk ned klipparen till lägsta klipphöjd.
Sätt dig på sätet och starta motorn.
Koppla in knivreglaget och låt klipparen gå i en till tre minuter.
Koppla ur knivreglaget (kraftuttaget), stäng av motorn, ta ut nyckeln ur tändningslåset och vänta tills alla rörliga delar har stannat.
Stäng av vattnet och avlägsna kopplingen från tvättkopplingen.
Note: Lägg klipparen i blöt i 30 minuter om den inte är ren efter en tvätt. Upprepa därefter proceduren.
Kör klipparen igen i en till tre minuter för att avlägsna överflödigt vatten.
Om tvättkopplingen är trasig eller saknas kan du och andra träffas av utslungade föremål eller komma i kontakt med kniven. Kontakt med en kniv eller ett kringflygande föremål kan orsaka skador och innebära livsfara.
Ersätt omedelbart tvättkopplingen om den är trasig eller saknas innan maskinen körs igen.
Stoppa aldrig in händerna eller fötterna under klipparen eller genom hål i maskinen.
Note: Rengör inte stötenheterna med vatten under tryck (Figur 82).

Motorolja, batterier, hydraulvätska och kylarvätska förorenar miljön. Kassera dessa produkter i enlighet med gällande statliga och lokala föreskrifter.
Låt motorn svalna före förvaring av maskinen.
Förvara inte maskinen eller bränsle i närheten av öppna lågor, och tappa inte ur bränsle inomhus.
Koppla ur knivreglagebrytaren (kraftuttaget) och koppla in parkeringsbromsen.
Stäng av motorn, ta ut nyckeln och vänta tills alla rörliga delar har stannat innan du kliver ur förarsätet.
Avlägsna gräsklipp, smuts och smörja från maskinens utvändiga delar. Var särskilt noga med motorn och hydraulsystemet. Rensa bort smuts och skräp från utsidan av motorns kylflänsar och fläkthus.
Important: Tvätta maskinen med ett milt rengöringsmedel och vatten. Högtryckstvätta inte maskinen. Undvik att använda alltför mycket vatten, särskilt nära kontrollpanelen, motorn, hydraulpumparna och motorerna.
Kontrollera parkeringsbromsens funktion. Se Använda parkeringsbromsen.
Serva luftrenaren. Se Serva luftrenaren.
Byt oljan i vevhuset; se Byta motoroljan och oljefiltret.
Kontrollera lufttrycket i däcken, se Kontrollera däcktrycket.
Ladda batteriet, se Ladda batteriet.
Skrapa bort eventuella ansamlingar av gräs och smuts från klipparens undersida, och tvätta sedan klipparen med en trädgårdsslang.
Note: Kör maskinen med knivreglagebrytaren (kraftuttaget) inkopplad och motorn på hög tomgång under 2 till 5 minuter efter tvätt.
Kontrollera knivarnas skick, se Serva knivarna.
Förbered maskinen för förvaring om den ska stå oanvänd i över 30 dagar. Förbered maskinen för förvaring på följande sätt:
Tillsätt en oljebaserad stabiliserare/konditionerare till bränslet i tanken. Följ tillverkarens blandningsanvisningar. Använd inte en alkoholbaserad stabiliserare (etanol eller metanol).
Note: En stabiliserare/konditionerare fungerar effektivast när den blandas med färskt bränsle och alltid används.
Kör motorn så att det stabiliserade bränslet fördelas i bränslesystemet (5 minuter).
Stäng av motorn, låt den svalna och töm bränsletanken.
Starta motorn igen och kör den tills den stannar.
Kassera bränslet på lämpligt sätt. Återvinn bränsle enligt lokala föreskrifter.
Important: Förvara inte stabiliserat/konditionerat bränsle i mer än 90 dagar.
Lossa tändstiften och kontrollera deras skick. Se Utför service på tändstiftet. Häll i två matskedar (30 ml) motorolja i tändstiftshålet när stiftet/stiften har tagits bort. Använd elstarten för att dra runt motorn och sprida oljan inuti cylindern. Montera tändstiften. Sätt inte på tändkabeln.
Kontrollera och dra åt alla bultar, muttrar och skruvar. Reparera eller byt ut skadade delar.
Måla i lackskador och bara metallytor. Färg finns att köpa hos din närmaste auktoriserade återförsäljare.
Förvara maskinen i ett rent och torrt garage eller lagerutrymme. Ta ut nyckeln ur tändningslåset och förvara den utom räckhåll för barn och andra obehöriga användare. Täck över maskinen för att skydda den och hålla den ren.
Ladda batteriet helt.
Låt batteriet vila i 24 timmar och kontrollera sedan batteriets spänning.
Note: Upprepa steg 1 och 2 om batteriets spänning är lägre än 12,6 V.
Koppla bort kablarna från batteriet.
Kontrollera spänningen regelbundet för att säkerställa att den ligger på 12,4 V eller högre.
Note: Upprepa steg 1 och 2 om batteriets spänning är lägre än 12,4 V.
Förvara batteriet i upprätt läge i ett svalt och torrt utrymme.
Stapla inte batterierna direkt ovanpå varandra, såvida de inte ligger i förpackningar.
Stapla inte mer än tre batterier på varandra (endast två om det är kommersiella batterier).
Testa våta batterier var fjärde till sjätte månad och ladda dem vid behov.
Testa och ladda alltid batteriet innan du monterar det.
| Problem | Possible Cause | Corrective Action |
|---|---|---|
| Bränsletanken uppvisar tecken på kollaps eller maskinen uppvisar ofta tecken på att den håller på att få bränslestopp. |
|
|
| Motorn överhettas. |
|
|
| Startmotorn startar inte. |
|
|
| Motorn startar inte, är trögstartad eller stannar efter en stund. |
|
|
| Motorn tappar kraft. |
|
|
| Maskinen driver inte. |
|
|
| Maskinen vibrerar på ett onormalt sätt. |
|
|
| Klipphöjden är ojämn. |
|
|
| Knivarna roterar inte. |
|
|
