| Cadenza di manutenzione | Procedura di manutenzione |
|---|---|
| Prima di ogni utilizzo o quotidianamente |
|
Questo tosaerba per tappeti erbosi a lama rotante con operatore a bordo è inteso per l'utilizzo da parte di proprietari in applicazioni residenziali. È progettato principalmente per i taglio dell'erba in prati ben mantenuti.
Leggete attentamente il presente manuale al fine di utilizzare e mantenere correttamente il prodotto ed evitare infortuni e danni. Voi siete responsabili del corretto utilizzo del prodotto, all'insegna della sicurezza.
Visitate il sito www.Toro.com per ricevere materiali di formazione sulla sicurezza e il funzionamento dei prodotti, avere informazioni sugli accessori, ottenere assistenza nella ricerca di un rivenditore o registrare il vostro prodotto.
Per assistenza, ricambi originali Toro o ulteriori informazioni, rivolgetevi a un Distributore Toro autorizzato o ad un Centro Assistenza Toro ed abbiate sempre a portata di mano il numero del modello ed il numero di serie del prodotto. La Figura 1 indica la posizione del numero del modello e del numero di serie sul prodotto. Scrivete i numeri negli spazi previsti.
Important: Con il vostro dispositivo mobile, potete scansionare il codice QR sull'adesivo del numero di serie (se presente) per accedere a informazioni su garanzia, ricambi e altre informazioni sui prodotti.

Scrivete il numero del modello e il numero di serie nello spazio seguente:
Per evidenziare le informazioni vengono utilizzate due parole. Importante indica informazioni meccaniche di particolare importanza e Nota evidenzia informazioni generali di particolare rilevanza.
Questo prodotto è conforme a tutte le direttive europee pertinenti. Per informazioni dettagliate vedere la Dichiarazione di Conformità (DICO) specifica del prodotto, fornita a parte.
Forza lorda o netta: La forza lorda o netta di questo motore è stata valutata in laboratorio dal produttore del motore in conformità alla norma SAE (Society of Automotive Engineers) J1940 o J2723. La configurazione rispondente ai requisiti di sicurezza, emissioni e funzionamento comporta una sensibile riduzione della coppia effettiva del motore di questa classe di tosaerba. Fate riferimento alle informazioni fornite dal produttore del motore fornite insieme alla macchina.
Navigate sul sito www.Toro.com per visualizzare le specifiche del vostro modello.
Important: Se state utilizzando una macchina con motore Toro al di sopra di 1.500 m di altitudine per un periodo continuato, assicuratevi che sia stato installato il Kit altitudini elevate, in modo che il motore soddisfi i regolamenti sulle emissioni CARB/EPA. Il Kit altitudini elevate aumenta le prestazioni del motore impedendo, al tempo stesso, ostruzioni delle candele, difficoltà di avviamento e aumenti delle emissioni. Una volta installato il kit, applicate l'adesivo per le altitudini elevate accanto all'adesivo del numero di serie sulla macchina. Contattate un Centro assistenza Toro autorizzato per ottenere il kit altitudini elevate e la relativa etichetta per la vostra macchina. Per individuare un distributore nelle vostre vicinanze, navigate sul nostro sito Web www.Toro.com o contattate il nostro Servizio clienti Toro al numero (o numeri) indicato nella vostra dichiarazione di garanzia sul controllo delle emissioni.Rimuovete il kit dal motore e riportate il motore alla configurazione originaria di fabbrica quando è in funzione al di sotto di 1.500 m di altitudine. Non utilizzate un motore convertito per l'utilizzo ad altitudini elevate ad altitudini inferiori, altrimenti potreste surriscaldarlo e danneggiarlo.Se non siete sicuri del fatto che la vostra macchina sia stata convertita per l'uso ad altitudini elevate o meno, cercate la seguente etichetta.

Questa macchina è stata progettata in conformità con EN ISO 5395:2013.
Il simbolo di avvertimento (Figura 3) è utilizzato in questo manuale e sulla macchina per identificare messaggi di sicurezza importanti da seguire per evitare incidenti.
Questo simbolo indica: ATTENZIONE! STATE ALLERTA! NE VA DELLA VOSTRA SICUREZZA!

Il simbolo di avvertimento compare sopra l'informazione che vi avverte di azioni o situazioni non sicure e sarà seguito dalla parola PERICOLO, AVVERTENZA o ATTENZIONE.
PERICOLO: indica una situazione di pericolo imminente che, se non evitata, determinerà sicuramente la morte o gravi infortuni.
AVVERTENZA: indica una situazione di potenziale pericolo che, se non evitata, può determinare la morte o gravi infortuni.
ATTENZIONE: indica una situazione di potenziale pericolo che, se non evitata, potrebbe determinare infortuni lievi o moderati.
Per evidenziare le informazioni vengono utilizzate anche altre due parole. Importante indica informazioni meccaniche di particolare importanza e Nota evidenzia informazioni generali di particolare rilevanza.
Questa macchina è in grado di amputare mani e piedi e di scagliare oggetti. Toro ha progettato e testato questo tosaerba per offrire un servizio ragionevolmente sicuro; tuttavia, il mancato rispetto delle istruzioni di sicurezza può comportare infortuni o la morte.
Leggete, comprendete e seguite tutte le istruzioni e le avvertenze contenute nel Manuale dell'operatore e altro materiale di addestramento, sulla macchina, su motore e sugli attrezzi. Tutti gli operatori ed i meccanici devono essere addestrati. Se l'operatore (o gli operatori) o il meccanico (o meccanici) non sono in grado di leggere il presente manuale, è responsabilità del proprietario illustrare loro questo materiale; sul nostro sito Web possono essere disponibili altre lingue.
Consentite l'utilizzo della macchina solo a operatori addestrati, responsabili e fisicamente capaci, che abbiano familiarità con il funzionamento sicuro, i comandi dell'operatore e i segnali e le istruzioni di sicurezza. Non permettete a bambini, ragazzi o adulti non addestrati di utilizzare o manutenere l'attrezzatura. Le normative locali possono imporre limiti all'età dell'operatore.
Non utilizzate la macchina in prossimità di scarpate, fossi, terrapieni o zone con presenza di acqua o altri pericoli, oppure su terreni con pendenza superiore a 15 gradi.
Non infilate le mani o i piedi accanto alle parti in movimento della macchina.
Non utilizzate mai la macchina quando le protezioni, gli schermi o le coperture sono danneggiati. Assicuratevi sempre che schermi, protezioni, interruttori e altri dispositivi di sicurezza siano montati e in buone condizioni operative.
Fermate la macchina, spegnete il motore e togliete la chiave prima di effettuare interventi di assistenza, rifornimento o disintasamento della macchina.

![]() |
Gli adesivi di sicurezza e di istruzioni sono chiaramente visibili e sono affissi accanto a zone particolarmente pericolose. Sostituite gli adesivi danneggiati o smarriti. |




















Prima di avviare il motore e di utilizzare la macchina, familiarizzate con tutti i comandi in Figura 6 e Figura 7.

L'indicatore di livello del carburante indica la quantità di carburante nel serbatoio (Figura 7).

L’acceleratore controlla il regime motore e vanta una regolazione continua variabile dalla posizione di MINIMA a quella di MASSIMA (Figura 6).
Usate il comando dello starter per avviare il motore a freddo.
Il contaore registra il numero di ore di funzionamento del motore, e funziona quando il motore gira. Utilizzate questi tempi per la programmazione della manutenzione ordinaria (Figura 6).
Utilizzate le leve di comando del movimento per fare marcia avanti, indietreggiare e girare la macchina nella direzione opportuna (Figura 5).
Spostate le leve di comando del movimento verso l'esterno, nella posizione di BLOCCO IN FOLLE quando scendete dalla macchina (Figura 32). Quando fermate la macchina o la lasciate incustodita, mettete sempre le leve di comando del movimento in posizione di BLOCCO IN FOLLE.
La leva del freno di stazionamento è situata sul lato sinistro della consolle (Figura 5). La leva del freno inserisce il freno di stazionamento delle ruote motrici.
Per inserire il freno di stazionamento, sollevate la leva fino a quando non si fissa nella scanalatura di fermo.
Per disinserire il freno di stazionamento, tirate verso l'esterno la leva dalla scanalatura di fermo e verso di voi, poi spingetela verso il basso.
Il sistema di sollevamento del piatto a pedale consente di abbassare e sollevare il piatto di taglio dalla posizione di seduta. Con il pedale è possibile sollevare momentaneamente il piatto di taglio per evitare ostacoli o bloccare il piatto nella posizione dell'altezza di taglio massima, ovvero di trasporto (Figura 5).
La leva del sistema di controllo Smart Speed™, situata sotto la posizione operativa, vi offre la possibilità di guidare la macchina a 3 intervalli di velocità: taglio, traino e tosatura (Figura 5).
Utilizzate la presa elettrica per alimentare accessori a 12 V (Figura 6).
Important: Quando la presa elettrica da 12 V non è in uso, inserite il tappo di gomma per evitare che si danneggi.
L'interruttore a chiave, utilizzato per avviare e spegnere il motore, ha 3 posizioni: SPEGNIMENTO, FUNZIONAMENTO e AVVIAMENTO. Vedere Avviamento del motore.
Il comando delle lame, rappresentato dal simbolo della presa di forza (PDF), innesta e disinnesta l'alimentazione alle lame del tosaerba (Figura 6).
La leva dell'altezza di taglio opera insieme al pedale per bloccare il piatto a un'altezza di taglio specifica. Regolate l'altezza di taglio solo quando la macchina non è in movimento (Figura 5).
È disponibile una gamma di attrezzi ed accessori approvati da Toro per l'impiego con la macchina, per ottimizzare ed ampliare le sue applicazioni. Richiedete la lista degli attrezzi ed accessori approvati ad un Centro Assistenza Toro o ad un Distributore autorizzati, oppure visitate www.Toro.com
Per garantire prestazioni ottimali e mantenere sempre la macchina in conformità alle norme di sicurezza, utilizzate esclusivamente ricambi e accessori originali Toro. Ricambi e accessori di altri produttori potrebbero risultare pericolosi e il loro impiego potrebbe far decadere la garanzia del prodotto.
Note: Stabilite i lati sinistro e destro della macchina rispetto alla normale posizione di guida.
Esaminate il terreno per determinare quali accessori e quali attrezzi siano necessari per eseguire il lavoro in modo corretto e sicuro. Usate unicamente accessori e attrezzi approvati da Toro.
Ispezionate l'area in cui deve essere utilizzata l'attrezzatura, e togliete tutte le pietre, giocattoli, rametti, fili metallici, ossi ed altri oggetti estranei. Questi possono essere scagliati o interferire con il funzionamento della macchina e possono causare lesioni personali all'operatore o agli astanti.
Indossate dispositivi di protezione individuali opportuni, come occhiali di sicurezza, calzature robuste e antiscivolo e protezioni per l'udito. Legate i capelli lunghi ed evitate indumenti larghi e gioielli pendenti che possano rimanere impigliati nelle parti mobili.
Questa macchina produce livelli acustici superiori a 85 dBA alle orecchie dell'operatore, e può causare la perdita dell'udito in caso di lunghi periodi di esposizione al rumore.
Quando utilizzate questa macchina indossate la protezione per l'udito.
Controllate che i comandi dell'operatore, gli interruttori di sicurezza e le protezioni siano collegati e correttamente funzionanti. Se non funzionano correttamente, non azionate la macchina.
Non utilizzate il tosaerba quando nella zona sono presenti persone, in particolare bambini, o animali domestici. Arrestate la macchina e l'attrezzo (o attrezzi) se qualcuno entra nell'area.
Non utilizzate la macchina senza che l'intero sistema di raccolta dello sfalcio, il deflettore di scarico o altri dispositivi di sicurezza siano in posizione e in buone condizioni operative. I componenti del cesto di raccolta sono soggetti a usura, danni e deterioramento, fattori che possono scoprire parti mobili o favorire il lancio di oggetti. Controllate di frequente che non siano presenti componenti usurati o in deterioramento e sostituiteli con i ricambi raccomandati dal produttore, quando necessario.
Riempite il serbatoio del carburante su una superficie pianeggiante. Consultate le Raccomandazioni sul carburante nella sezione delle Specifiche per informazioni aggiuntive sulla benzina.
Non aggiungete olio alla benzina.
Non riempite eccessivamente il serbatoio del carburante. Riempite il serbatoio fino alla base del collo del bocchettone. Lo spazio vuoto nel serbatoio serve a contenere l'espansione della benzina. Un eccessivo riempimento del serbatoio può causare la fuoriuscita di carburante, danni al motore o al sistema di controllo delle emissioni.
Assicuratevi di aver compreso i comandi, le relative posizioni, funzioni e requisiti di sicurezza.
Fate riferimento alla sezione Manutenzione ed effettuate tutte le fasi di ispezione e manutenzione necessarie.
Prestate estrema cautela nel maneggiare il carburante.
In talune condizioni, il carburante è estremamente infiammabile e i suoi vapori altamente esplosivi.
Eventuali incendi o esplosioni possono provocare ustioni a voi e altre persone e seri danni alle cose.
Fate il pieno di carburante all'aperto su una superficie piana, in un'area libera e a motore freddo e tergete la benzina versata.
Non fate mai rifornimento di carburante né spurgate la macchina in luoghi chiusi o all’interno di un rimorchio cintato.
Non riempite completamente il serbatoio del carburante. Riempite il serbatoio fino alla base del collo del bocchettone. Lo spazio vuoto nel serbatoio serve a contenere l'espansione della benzina. Un eccessivo riempimento del serbatoio può causare la fuoriuscita di carburante, danni al motore o al sistema di controllo delle emissioni.
Non fumate mai quando maneggiate benzina, e state lontani da fiamme libere e da dove i fumi di benzina possono essere accesi da scintille.
Conservate la benzina in taniche omologate, e tenetela lontano dalla portata dei bambini.
Aggiungete il carburante prima di avviare il motore. Non togliete mai il tappo del serbatoio, né aggiungete il carburante, a motore acceso o caldo.
Se del carburante dovesse fuoriuscire, non tentate di avviare il motore. Allontanatevi dall'area della fuoriuscita ed evitate di creare fonti di ignizione fino a quando i vapori di carburante non saranno evaporati.
Non utilizzate la macchina senza l’impianto di scarico completo o se quest’ultimo non è in perfette condizioni d’impiego.
In talune condizioni, durante il rifornimento, vengono rilasciate scariche elettrostatiche che causano scintille in grado di fare incendiare i vapori di benzina. Incendio o esplosioni causati dalla benzina possono ustionare voi o altre persone, e causare danni.
Prima del rabbocco, posizionate sempre le taniche di benzina sul pavimento, lontano dal veicolo.
Non riempite le taniche di benzina all’interno di un veicolo oppure su un autocarro o un rimorchio, in quanto il tappetino del rimorchio o le pareti di plastica del camion possono isolare la tanica e rallentare la dispersione delle cariche elettrostatiche.
Se possibile, scaricate la macchina dal camion o dal rimorchio ed effettuate il rifornimento con le ruote sul pavimento.
Qualora ciò non sia possibile, rabboccate l’attrezzatura sull’autocarro o sul rimorchio mediante una tanica portatile, anziché con una normale pompa del carburante.
Qualora sia necessario utilizzare una pompa del carburante, tenete sempre l'ugello a contatto con il bordo del serbatoio del carburante oppure sull'apertura della tanica fino al termine del rifornimento. Non usate un dispositivo di apertura del blocco pompa.
Se ingerita, la benzina è nociva o micidiale. L’esposizione a lungo termine di cavie ai vapori di benzina ha provocato l’insorgenza di cancro negli animali. La mancata osservanza delle dovute attenzioni può causare gravi danni e malattie.
Evitate di respirare a lungo i vapori.
Tenete il viso lontano dall’ugello e dall’apertura del serbatoio/della tanica di benzina.
Mantenete la distanza dagli occhi e dalla pelle.
Non aspirate mai con la bocca.
Per aiutare a evitare incendi:
Tenete il motore e la relativa area privi di accumuli di erba, foglie, grasso od olio in eccesso e altri detriti che possano accumularsi in queste aree.
Pulite le fuoriuscite di olio e carburante e rimuovete i detriti imbevuti di carburante.
Lasciate raffreddare la macchina prima di rimessarla in un luogo chiuso. Non rimessatela accanto a fiamme o in un'area chiusa in cui siano presenti fiamme pilota aperte o apparecchi di riscaldamento.
Per ottenere risultati ottimali utilizzate solo benzina senza piombo fresca (con meno di 30 giorni) e pulita, di 87 o più ottani (metodo di classificazione (R+M)/2).
Etanolo: È accettabile la benzina con etanolo fino al 10% (nafta) o 15% di MTBE (metil-ter-butil-etere) per volume. L'etanolo e l'MTBE non sono la stessa cosa. Non è consentito l'utilizzo di benzina con il 15% di etanolo (E15) per volume. Non utilizzate benzina con etanolo superiore al 10% per volume, come E15 (contiene etanolo al 15%), E20 (contiene etanolo al 20%) o E85 (contiene etanolo fino all'85%). L'utilizzo di benzina non consentita può causare problemi di prestazioni e/o danni al motore non coperti dalla garanzia.
Non utilizzate benzina contenente metanolo.
Nella stagione invernale, non conservate il carburante nel serbatoio o nei contenitori senza utilizzare un apposito stabilizzatore.
Non aggiungete olio alla benzina.
Utilizzate stabilizzatore/additivo del carburante sulla macchina in ogni momento, per mantenere il carburante fresco più a lungo se usato come indicato dal produttore dello stabilizzatore del carburante.
Important: Non utilizzate additivi per carburante contenenti metanolo o etanolo.
Aggiungete la quantità di stabilizzatore/additivo del carburante al carburante fresco come indicato dal produttore dello stabilizzatore del carburante.
Parcheggiate la macchina su terreno pianeggiante.
Inserite il freno di stazionamento.
Spegnete il motore e togliete la chiave.
Pulite attorno al tappo del serbatoio del carburante.
Riempite il serbatoio del carburante fino a quando il relativo indicatore non indica il livello pieno (Figura 8)
Note: Non riempite completamente il serbatoio. Lo spazio consentirà l'espansione del carburante.

Ogni giorno, prima di avviare la macchina, effettuate le procedure Ogni utilizzo/Giornaliere elencate in .
I motori nuovi raggiungono la piena potenza dopo qualche tempo. I piatti di taglio e le trasmissioni, quando sono nuovi, hanno un maggiore attrito e assoggettano il motore ad un maggiore carico. Le macchine nuove hanno bisogno di un rodaggio di 40 o 50 ore prima di sviluppare la piena potenza e dare la migliore performance.
Se i microinterruttori di sicurezza sono scollegati o guasti, la macchina può muoversi improvvisamente e causare lesioni personali.
Non manomettete i microinterruttori di sicurezza.
Ogni giorno, controllate il funzionamento dei microinterruttori, e prima di azionare la macchina sostituite gli interruttori guasti.
Il sistema di microinterruttori di sicurezza è progettato per consentire l'avviamento del motore a condizione che:
il comando delle lame (PDF) sia disinnestato;
le leve di controllo del movimento siano in posizione di BLOCCO IN FOLLE.
il freno di stazionamento sia inserito;
Il sistema di microinterruttori di sicurezza spegne inoltre il motore quando le leve di controllo non sono in posizione di BLOCCO IN FOLLE e l'operatore si alza dal sedile.
| Cadenza di manutenzione | Procedura di manutenzione |
|---|---|
| Prima di ogni utilizzo o quotidianamente |
|
Collaudate sempre il sistema di microinterruttori di sicurezza prima di utilizzare la macchina. Qualora non funzioni come descritto di seguito, fatelo riparare immediatamente da un Centro Assistenza autorizzato.
Restando seduti sul sedile, innestate il freno di stazionamento e spostate il comando delle lame (PDF) in posizione di ACCENSIONE. Provate ad avviare il motore, che non deve girare.
Restando seduti sul sedile, innestate il freno di stazionamento e spostate il comando delle lame (PDF) in posizione di SPEGNIMENTO. Spostate una leva di controllo del movimento, a scelta, togliendola dalla posizione di BLOCCO IN FOLLE. Provate ad avviare il motore, che non deve girare. Ripetete con l'altra leva di controllo.
Sedetevi al posto di guida, inserite il freno di stazionamento, spostate il comando delle lame (PDF) in posizione SPENTO e spostate le leve di controllo del movimento in posizione di BLOCCO IN FOLLE. Avviate il motore. Con il motore acceso, rilasciate il freno di stazionamento, inserite l'interruttore di comando delle lame (PDF) e alzatevi leggermente dal sedile: il motore dovrebbe spegnersi.
Sedetevi al posto di guida, inserite il freno di stazionamento, spostate il comando delle lame (PDF) in posizione SPENTO e spostate le leve di controllo del movimento in posizione di BLOCCO IN FOLLE. Avviate il motore. Con il motore acceso, centrate ciascuna leva di controllo del movimento e spostatela in marcia avanti o retromarcia: il motore dovrebbe spegnersi. Ripetete con l'altra leva di controllo del movimento.
Sedetevi al posto di guida, disinserite il freno di stazionamento, spostate il comando delle lame (PDF) in posizione SPENTO e spostate le leve di controllo del movimento in posizione di BLOCCO IN FOLLE. Provate ad avviare il motore, che non deve girare.
Il sedile può essere spostato avanti e indietro. Posizionate il sedile in modo da poter controllare la macchina con sicurezza e raggiungere comodamente i comandi (Figura 9).

Il sistema di sospensione MyRide™ è regolabile al fine di ottenere il migliore comfort di marcia possibile. Potete regolare i 2 gruppi ammortizzatori posteriori per cambiare in modo semplice e rapido il sistema di sospensioni. Posizionate il sistema di sospensione nella posizione per voi più confortevole.
Le scanalature per i gruppi ammortizzatori posteriori hanno posizioni di fermo come riferimento. Potete posizionare i gruppi ammortizzatori posteriori ovunque nella scanalatura, non solo nelle posizioni di fermo.
Il seguente grafico illustra la posizione per una guida morbida o rigida e le diverse posizioni di fermo (Figura 10).

Note: Assicuratevi che i gruppi ammortizzatori posteriori sinistro e destro siano sempre regolati nelle stesse posizioni.
Regolazione dei gruppi ammortizzatori posteriori (Figura 11).


Potete regolare le leve di controllo del movimento più in alto o in basso al fine di ottenere il massimo comfort (Figura 12).

Potete regolare le leve di controllo del movimento in avanti o indietro al fine di ottenere il massimo comfort.
Allentate il bullone superiore che fissa la leva di controllo all'albero del braccio di controllo.
Allentate il bullone inferiore appena a sufficienza per ruotare la leva di controllo in avanti o all'indietro (Figura 12).
Serrate entrambi i bulloni per fissare la leva di controllo nella nuova posizione.
Ripetete la regolazione sull'altra leva di comando.
Il piatto di taglio e le lame spediti con questa macchina sono stati progettati per prestazioni ottimali di mulching e scarico laterale.
Montate i dispositivi di fissaggio negli stessi fori del piatto di taglio da cui erano stati rimossi originariamente. In questo modo sarete certi di non avere lasciato aperto alcun foro quando utilizzate il piatto di taglio.
Fori aperti nella macchina sottopongono voi e gli altri ai detriti scagliati, che possono causare gravi infortuni.
Non azionate mai la macchina senza la bulloneria montata in tutti i fori della scocca.
Montate la bulloneria nei fori di montaggio al momento di togliete il diaframma di mulching.
Parcheggiate la macchina su una superficie pianeggiante, disinnestate l'interruttore di comando delle lame e inserite il freno di stazionamento.
Prima di scendere dalla postazione di guida spegnete il motore, togliete la chiave di accensione e attendete che si arrestino tutte le parti in movimento.
Rimuovete il piatto di taglio; fate riferimento a Rimozione del piatto di taglio del tosaerba.
Rimuovete i 2 dadi di bloccaggio (5/16") fissati sui perni saldati del deflettore sinistro in posizione centrale e a sinistra del centro sulla parte superiore del piatto di taglio (Figura 13).

Rimuovete il bullone a testa tonda e il dado di bloccaggio che fissano il deflettore sinistro al lato del piatto di taglio.
Staccate il deflettore sinistro dal piatto di taglio come illustrato nella Figura 13.
Rimuovete i 2 bulloni a testa tonda (5/16" x ¾") e i 2 dadi di bloccaggio (5/16") che fissano il deflettore destro e la protezione del deflettore assemblati sul piatto di taglio (Figura 14).

Rimuovete i 2 dadi di bloccaggio (5/16") fissati sui perni saldati del deflettore destro in posizione centrale e destra, sulla parte superiore del piatto di taglio (Figura 15).
Note: Staccate il deflettore destro dal piatto di taglio.

Individuate il deflettore di scarico nel sacchetto delle parti sciolte e rimuovete gli elementi di fissaggio dai fori posteriori della piastra di scarico (Figura 16).

Montate il deflettore nell'apertura di scarico laterale sul piatto di taglio.
Con gli elementi di fissaggio rimossi fissate il deflettore di scarico al piatto di taglio.
Montate il piatto di taglio; fate riferimento a Installazione del piatto di taglio.
Parcheggiate la macchina su una superficie pianeggiante, disinnestate l'interruttore di comando delle lame e inserite il freno di stazionamento.
Prima di scendere dalla postazione di guida spegnete il motore, togliete la chiave di accensione e attendete che si arrestino tutte le parti in movimento.
Rimuovete il piatto di taglio; fate riferimento a Rimozione del piatto di taglio del tosaerba.
Rimuovete i 3 dadi di bloccaggio (5/16") fissati sui perni saldati del deflettore sinistro in posizione centrale, a sinistra del centro ed estrema sinistra, sulla parte superiore del piatto di taglio (Figura 17).

Rimuovete il bullone a testa tonda e il dado di bloccaggio che fissano il deflettore sinistro al lato del piatto di taglio (Figura 17).
Staccate il deflettore di sinistra dal piatto di taglio (Figura 17).
Individuate i 2 bulloni tra le parti sciolte e utilizzate i dadi di bloccaggio esistenti e montate questi elementi di fissaggio nei fori illustrati nella Figura 17, sul piatto di taglio, per prevenire il rischio di detriti volanti.
Note: Montate il bullone inserendolo dalla parte interna del piatto di taglio e fissatelo con un dado di bloccaggio preesistente, montato dalla parte esterna del piatto.
Rimuovete il bullone a testa tonda (5/16" x ¾") e il dado di bloccaggio (5/16") che fissano il deflettore al lato posteriore del piatto di taglio (Figura 18).

Localizzate la protezione del deflettore davanti all'apertura di scarico laterale (Figura 18).
Rimuovete gli elementi di fissaggio che assicurano la protezione del deflettore e il deflettore destro al piatto di taglio (Figura 18).
Note: Rimuovete la protezione del deflettore e conservate gli elementi di fissaggio.
Rimuovete i 2 dadi di bloccaggio (5/16") che fissano i perni saldati del deflettore destro in posizione centrale e destra, sulla parte superiore del piatto di taglio (Figura 19).

Rimuovete il bullone a testa tonda e il dado di bloccaggio fissati sul deflettore destro sulla parte superiore del piatto di taglio e rimuovete il deflettore destro dal piatto di taglio (Figura 19).
Montate gli elementi di fissaggio rimossi in precedenza nei fori anteriori nella piastra di scarico e del foro anteriore del piatto di taglio (Figura 18).
Individuate il deflettore di scarico nel sacchetto delle parti sciolte, rimuovete gli elementi di fissaggio dai fori posteriori della piastra di scarico e montate il deflettore sull'apertura dello scarico laterale sul piatto di taglio (Figura 20).

Con gli elementi di fissaggio rimossi fissate il deflettore di scarico al piatto di taglio.
Montate il piatto di taglio; fate riferimento a Installazione del piatto di taglio.
L'operatore deve utilizzare la massima attenzione durante l'utilizzo della macchina. Non svolgete nessuna attività che vi possa distrarre; in caso contrario potrebbero verificarsi infortuni o danni.
Le parti operative del motore, in particolare la marmitta, diventano estremamente calde. A seguito del contatto possono verificarsi gravi ustioni e i detriti quali foglie, erba, spazzole, ecc. possono incendiarsi.
Lasciate raffreddare i componenti del motore, soprattutto la marmitta, prima di toccarli.
Rimuovete i detriti accumulati dall'area della marmitta e del motore.
Lo scarico del motore contiene ossido di carbonio, gas velenoso inodoro che può uccidere.
Non lasciate in funzione il motore al chiuso o in un'area ristretta e confinata dove possano raccogliersi i pericolosi fumi di monossido di carbonio.
Il proprietario/operatore può impedire che si verifichino incidenti o infortuni a se stesso, a terzi e alle cose, e ne è responsabile.
Questo tosaerba è stato progettato per un solo operatore. Non trasportate passeggeri e tenete tutti a distanza dalla macchina durante il funzionamento.
Non utilizzate la macchina se siete malati, stanchi o se siete sotto l'effetto di alcol o droga.
Azionate solamente alla luce del giorno o con illuminazione artificiale adeguata.
I lampi possono causare lesioni gravi o morte. Se vedete lampi o udite tuoni vicini all'area in cui vi trovate, non utilizzate la macchina; cercate un riparo.
Prestate ulteriore attenzione durante l'utilizzo con accessori o attrezzi, come sistemi di raccolta dello sfalcio che possono influire sulla stabilità della macchina e farvi perdere il controllo. Seguite le istruzioni per i contrappesi, se necessario.
Tenetevi a distanza da buche, solchi, dossi, rocce e altri pericoli nascosti. Prestate attenzione quando vi avvicinate ad angoli ciechi, cespugli, alberi, erba alta o altri oggetti che possano nascondere ostacoli o impedire la vostra visuale. Il terreno accidentato può ribaltare la macchina o far perdere l'equilibrio o la presa all'operatore.
Prima di avviare il motore, assicuratevi che tutte le trasmissioni siano in folle e che il freno di stazionamento sia innestato.
Avviate il motore con attenzione in base alle istruzioni, con i piedi a buona distanza dalle lame.
Non utilizzate mai il tosaerba quando le protezioni, gli schermi o le coperture sono danneggiati. Assicuratevi sempre che schermi, protezioni, interruttori e altri dispositivi di sicurezza siano montati e in buone condizioni operative.
Restate sempre lontani dall'apertura di scarico. Non tosate mai con lo sportello di scarico sollevato, rimosso o modificato, a meno che non sia presente un sistema di raccolta dell'erba o un kit mulching correttamente funzionante.
Tenete mani e piedi a distanza dalle parti mobili. Se possibile, non eseguite regolazioni mentre il motore è in funzione.
Mani, piedi, capelli, indumenti o accessori possono rimanere impigliati nelle parti rotanti. Il contatto con le parti rotanti può causare un'amputazione traumatica o gravi lacerazioni.
Non utilizzate la macchina senza protezioni, schermi e dispositivi di sicurezza montati e correttamente funzionanti.
Tenete mani, piedi, capelli, gioielli o indumenti a distanza dalle parti rotanti.
Non alzate il piatto di taglio quando le lame girano.
Siate consapevoli del percorso di scarico del tosaerba e indirizzate lo scarico diretto lontano dagli altri. Evitate di scaricare materiale contro una parete o un ostacolo, dal momento che il materiale può rimbalzare indietro verso l'operatore. Arrestate le lame, rallentate e prestate attenzione quando transitate su superfici diverse da quelle erbose e quando vi dirigete verso l'area da falciare o vi allontanate dalla medesima.
Siate vigili, rallentate e procedete con cautela quando svoltate. Prima di cambiare direzione guardate indietro e ai lati. Non tosate in retromarcia se non è strettamente necessario.
Non modificate la taratura del regolatore del motore e non fate superare al motore il regime previsto.
Parcheggiate la macchina su terreno pianeggiante. Arrestate il motore, attendete che tutte le parti mobili si fermino e togliete il cappellotto (o cappellotti) dalla candela (o candele).
Prima di controllare, pulire o agire sul tosaerba.
Dopo aver colpito un corpo estraneo o in caso di vibrazioni anomale (prima di riavviarlo e utilizzarlo ispezionate il tosaerba per rilevare eventuali danni, ed effettuate le riparazioni necessarie).
Prima di pulire i blocchi.
Ogni volta che lasciate il tosaerba incustodito. Non lasciate in funzione la macchina incustodita.
Arrestate il motore, attendete che tutte le parti mobili si fermino:
Prima del rifornimento di carburante.
Prima di scaricare il cesto di raccolta.
Prima di effettuare regolazioni dell'altezza.
Se l'operatore non è attento alla presenza di bambini possono verificarsi tragici incidenti. I bambini sono spesso attirati dalla macchina e dall'attività di tosatura. Non date mai per scontato che i bambini rimangano dove li avete visti per l'ultima volta.
Tenete i bambini a distanza dall'area di tosatura e sotto l'attenta sorveglianza di un altro adulto responsabile che non sia l'operatore.
Prestate attenzione e spegnete la macchina se dei bambini entrano nell'area da falciare.
Prima e durante la lappatura o il cambio di direzione, guardate indietro, in basso e lateralmente per escludere la presenza di bambini piccoli.
Non permettete mai che bambini e ragazzi utilizzino la macchina.
Non trasportate bambini, nemmeno con le lame spente. I bambini potrebbero cadere e subire gravi infortuni o interferire con il funzionamento sicuro della macchina. I bambini che in passato sono stati trasportati sulla macchina possono apparire all'improvviso nell'area di lavoro per un altro giro e possono essere investiti o travolti in retromarcia dalla macchina.
Le pendenze sono un importante fattore che influisce sugli incidenti causati da perdita di controllo e ribaltamento, che possono comportare gravi infortuni o la morte. L’operatore è responsabile del funzionamento sicuro in pendenza. L'utilizzo della macchina su qualsiasi pendenza richiede un livello superiore di attenzione. Prima di utilizzare la macchina in pendenza, l'operatore deve:
Rivedete e comprendete le istruzioni per le pendenze nel manuale e sulla macchina.
Utilizzate un indicatore d'angolo per determinare l'angolo approssimativo della pendenza dell'area.
Non utilizzate mai la macchina su pendenze superiori a 15 gradi.
Valutate le condizioni del sito della giornata per determinare se la pendenza è sicura per l'utilizzo della macchina. Basatevi su buon senso e giudizio quando effettuate questa valutazione. I cambiamenti del terreno, come l'umidità, possono determinare un rapido cambiamento del funzionamento in pendenza della macchina.
Individuate i pericoli alla base della pendenza. Non utilizzate la macchina in prossimità di scarpate, fossati, terrapieni, zone d'acqua o altri pericoli. La macchina potrebbe ribaltarsi improvvisamente nel caso in cui una ruota ne superi il bordo o se il bordo dovesse crollare. Mantenete la distanza di sicurezza (doppia rispetto alla larghezza della macchina) tra la macchina e il pericolo. Utilizzate una macchina a spinta o un decespugliatore manuale per tosare l'erba in queste zone.

Evitate di avviare, arrestare o far svoltare la macchina su un terreno in pendenza. Evitate di cambiare bruscamente la velocità o la direzione; sterzate in modo lento e graduale.
Non azionate la macchina in condizioni in cui trazione, sterzaggio o stabilità possono essere compromessi. Ricordate che, se la macchina viene utilizzata su erba bagnata, perpendicolarmente a una pendenza o in discesa, potrebbe perdere trazione. La perdita di trazione delle ruote motrici può comportare uno slittamento e una perdita di capacità frenante e sterzante. La macchina potrebbe slittare anche se le ruote sono ferme.
Eliminate o segnalate ostacoli quali fossi, buche, solchi, sporgenze del terreno, rocce o altri ostacoli nascosti. L'erba alta può nascondere degli ostacoli. Il terreno accidentato può ribaltare la macchina.
Prestate ulteriore attenzione durante l'utilizzo con accessori o attrezzi, come sistemi di raccolta dello sfalcio che possono influire sulla stabilità della macchina e farvi perdere il controllo. Seguite le istruzioni per i contrappesi.
Se possibile, tenete il piatto di taglio abbassato a terra durante l'utilizzo in pendenza. Il sollevamento del piatto di taglio durante l'utilizzo in pendenza può causare l'instabilità della macchina.
Utilizzate il piatto di taglio come gradino per accedere alla postazione dell’operatore (Figura 22).

Innestate sempre il freno di stazionamento quando spegnete o lasciate incustodita la macchina.
Parcheggiate la macchina su terreno pianeggiante.

Per disinserire il freno di stazionamento, tirate verso l'esterno la leva dalla scanalatura di fermo e verso di voi, poi spingetela verso il basso (Figura 24).


Potete spostare il comando dell'acceleratore tra le posizioni MASSIMA e MINIMA (Figura 28).
Utilizzate sempre la posizione MASSIMA durante l'innesto della PDF.

Usate lo starter per avviare il motore a freddo.
Tirate verso l'alto la manopola dello starter per avviarlo prima di utilizzare l'interruttore a chiave (Figura 29).
Note: Assicuratevi di innestare completamente lo starter. Può essere necessario tenere fissa la manopola in alto quando utilizzate l'interruttore a chiave.
Spingete giù lo starter per disinnestarlo una volta acceso il motore (Figura 29).

Girate la chiave in posizione di AVVIAMENTO (Figura 30).
Note: Rilasciatela quando il motore si accende.
Important: Non innestate il motorino di avviamento per più di 5 secondi alla volta. Se il motore non si avvia, attendete 10 secondi prima di riprovare. La mancata osservanza di queste istruzioni può fare bruciare il motorino di avviamento.
Note: Possono essere necessari diversi tentativi di avviamento del motore la prima volta che lo avviate dopo avere lasciato l'impianto di alimentazione completamente vuoto.

Per spegnere il motore girate la chiave in posizione di SPEGNIMENTO.
Note: Con il motore tiepido o caldo non è sempre necessario strozzare l'afflusso dell'aria.
Important: Non utilizzate il motorino di avviamento per più di 5 secondi alla volta. L'utilizzo del motorino di avviamento per oltre 5 secondi può danneggiarlo. Se il motore non si avvia, attendete 10 secondi prima di utilizzare nuovamente il motorino di avviamento.

Disinserite le lame spostando il comando delle lame in posizione di SPEGNIMENTO (Figura 27).
Innestate il freno di stazionamento; vedere Innesto del freno di stazionamento.
Mettete il comando dell'acceleratore in posizione MASSIMA.
Girate la chiave in posizione di SPEGNIMENTO e toglietela.
Bambini ed altre persone potrebbero ferirsi se dovessero spostare o cercare di azionare la macchina quando è incustodita.
Togliete sempre la chiave e inserite il freno di stazionamento prima di lasciare incustodita la macchina.

Le ruote motrici girano in modo indipendente, alimentate da motori idraulici su ciascun assale. Potete girare un lato in retromarcia mentre l'altro in marcia avanti, facendo in modo che la macchina giri su se stessa, anziché curvare. Ciò migliora notevolmente la manovrabilità della macchina ma può richiedere un periodo di adattamento al modo in cui si muove.
Il comando dell'acceleratore regola il regime del motore, misurato in giri al minuto. Posizionate il comando dell'acceleratore in posizione MASSIMA per ottenere prestazioni ottimali. Tosate sempre con l'acceleratore sulla massima.
La macchina può girare molto rapidamente. Potete perdere il controllo della macchina e infortunarvi o danneggiare la macchina.
Prestate molta attenzione quando sterzate.
Rallentate prima di prendere curve strette.
Note: Il motore si spegne quando spostate il pedale di controllo della trazione con il freno di stazionamento inserito.
Per spegnere la macchina, tirate le leve di comando della velocità in posizione di FOLLE.
Disinnestate il freno di stazionamento; fate riferimento a Disinnesto del freno di stazionamento.
Spostate le leve verso il centro, in posizione di sblocco.
Per fare marcia avanti spingete lentamente in avanti le leve di controllo del movimento (Figura 33).

Spostate le leve verso il centro, in posizione di sblocco.
Per fare retromarcia tirate lentamente verso dietro le leve di controllo del movimento (Figura 34).

La leva del sistema di controllo Smart SpeedTM, situata a destra della posizione operativa (Figura 35), vi offre la possibilità di guidare la macchina a 3 intervalli di velocità di trasferimento: Rifinitura, Traino e Taglio.

Per cambiare velocità, procedete come segue:
Spostate le leve di controllo del movimento in folle e verso l'esterno, in posizione di BLOCCO IN FOLLE.
Disinnestate il comando delle lame.
Regolate la leva nella posizione desiderata.
Quanto segue è inteso puramente come consiglio per l’uso. Le regolazioni variano secondo il tipo di erba, il tenore di umidità e l’altezza dell’erba.
| Utilizzi consigliati: | Finitura | Traino | Tosatura |
| Parcheggio | X | ||
| Erba pesante e bagnata | X | ||
| Addestramento | X | ||
| Raccolta dell’erba | X | ||
| Mulching | X | ||
| Tosatura normale | X | ||
| Spostamento della macchina | X |
Finitura
Questa è la velocità inferiore. Si consiglia l’utilizzo di questa velocità nei seguenti casi:
Parcheggio
Condizioni di tosatura con erba pesante e bagnata
Addestramento
Traino
Questa è la velocità media. Si consiglia l’utilizzo di questa velocità nei seguenti casi:
Raccolta dell’erba
Mulching
Tosatura
Questa è la velocità massima. Si consiglia l’utilizzo di questa velocità nei seguenti casi:
Tosatura normale
Spostamento della macchina
La leva del sistema di controllo Smart SpeedTM, collocata sotto al posto di guida (Figura 36), offre all'operatore la possibilità di scegliere tra 3 velocità di guida della macchina: Rifinitura, Traino e Taglio.

Per cambiare velocità, procedete come segue:
Spostate le leve di controllo del movimento in folle e verso l’esterno in posizione di PARCHEGGIO.
Disinnestate il comando delle lame.
Regolate la leva nella posizione desiderata.
Quanto segue è inteso puramente come consiglio per l’uso. Le regolazioni variano secondo il tipo di erba, il tenore di umidità e l’altezza dell’erba.
| Utilizzi consigliati: | Finitura | Traino | Tosatura |
| Parcheggio | X | ||
| Erba pesante e bagnata | X | ||
| Addestramento | X | ||
| Rifilatura dell'erba | X | ||
| Raccolta dell’erba | X | ||
| Mulching | X | ||
| Accessori per il traino | X | ||
| Tosatura normale | X | ||
| Spostamento della macchina | X |
Finitura
Questa è la velocità inferiore. Si consiglia l’utilizzo di questa velocità nei seguenti casi:
Parcheggio
Condizioni di tosatura con erba pesante e bagnata
Addestramento
Rifilatura dell'erba
Traino
Questa è la velocità media. Si consiglia l’utilizzo di questa velocità nei seguenti casi:
Raccolta dell’erba
Mulching
Accessori per il traino
Tosatura
Questa è la velocità massima. Si consiglia l’utilizzo di questa velocità nei seguenti casi:
Tosatura normale
Spostamento della macchina
Il tosaerba è dotato di un deflettore incernierato che sparge lo sfalcio ai lati e in basso verso il terreno.
Se il deflettore di sfalcio, il coperchio dello scarico o il cesto di raccolta completo non sono montati, voi ed altre persone correte il rischio di venire a contatto con la lama e con oggetti scagliati dal tosaerba. Il contatto con le lame rotanti e con i detriti scagliati può provocare gravi infortuni o la morte.
Non rimuovete mai il deflettore dello sfalcio dal piatto di taglio perché il deflettore dello sfalcio indirizza il materiale verso il tappeto erboso. Nel caso in cui sia danneggiato, sostituite immediatamente il deflettore.
Non infilate mai le mani o i piedi sotto il piatto di taglio.
Non provate mai a pulire l'area di scarico o le lame del tosaerba a meno che non abbiate spostato l'interruttore di comando delle lame (PDF) in posizione di SPEGNIMENTO, ruotato l'interruttore a chiave in posizione di SPEGNIMENTO e rimosso la chiave dal relativo interruttore.
Accertatevi che il deflettore di sfalcio sia abbassato.
La macchina è dotata di un sistema di sollevamento del piatto di taglio a pedale. Con il pedale è possibile sollevare momentaneamente il piatto di taglio per evitare ostacoli o bloccare il piatto nella posizione dell'altezza di taglio massima, ovvero di trasporto. Potete utilizzare la leva dell'altezza di taglio con il pedale per bloccare il piatto di taglio a un'altezza di taglio specifica.
Premete il pedale di sollevamento del piatto di taglio per sollevare il piatto di taglio; premete fino a quando il piatto si blocca in posizione di trasporto (Figura 37).
Col piede premete il pedale di sollevamento del piatto e tirate indietro la stegola di blocco per il trasporto per sbloccare la posizione di blocco per il trasporto (Figura 37).

Potete regolare l'altezza di taglio da 38 a 114 mm in incrementi di 6 mm spostando il perno dell'altezza di taglio nelle diverse posizioni dei fori.
Premete il pedale di sollevamento del piatto di taglio e sollevate il piatto in posizione di blocco per il trasporto (oltre la posizione dell'altezza di taglio di 114 mm); come illustrato nella Figura 38.
Per regolare, spostate il perno dalla staffa dell'altezza di taglio (Figura 38).
Nel sistema di selezione dell'altezza di taglio scegliete un foro corrispondente all'altezza desiderata e inserite il perno (Figura 38).
Col piede premete il pedale di sollevamento del piatto e tirate indietro la maniglia per sbloccare la posizione di blocco per il trasporto (Figura 37).
Abbassate lentamente il piatto fino al contatto della leva con il perno.

Ogni volta che cambiate l'altezza di taglio, regolate anche l'altezza dei rulli antistrappo.
Note: Regolate i rulli antistrappo in modo che non tocchino il terreno in aree di tosatura piatte e normali.
Parcheggiate la macchina su una superficie pianeggiante, disinnestate l'interruttore di comando delle lame e inserite il freno di stazionamento; fate riferimento a Innesto del freno di stazionamento.
Prima di scendere dalla postazione di guida spegnete il motore, togliete la chiave di accensione e attendete che si arrestino tutte le parti in movimento.
Regolate i rulli antistrappo come illustrato nella Figura 39.

Utilizzate solo attrezzi e accessori approvati da Toro.
Se attaccate un cesto alla protezione del motore, fissatelo con una cinghia.
Important: Il peso della benna influisce sulla stabilità della macchina. Se trasportate un peso superiore a quello indicato nella tabella sottostante in una benna attaccata alla protezione del motore, dovete dotare la vostra macchina del kit di supporto benna.
Rivolgetevi al vostro Centro Assistenza autorizzato.
| Modello | Peso massimo per benna senza kit di supporto benna |
| Piatto di taglio da 122 cm | 1,1 kg |
| Piatto di taglio da 137 cm | 1,1 kg |
| Piatto di taglio da 152 cm | 4,5 kg |
Per ottenere migliori risultati e garantire la massima circolazione dell'aria, regolate il motore in posizione MASSIMA. Per tagliare accuratamente lo sfalcio è necessaria l'aria, quindi non impostate l'altezza di taglio a un livello talmente basso da circondare totalmente il piatto di taglio con erba non tagliata. Cercate sempre di avere un lato del piatto di taglio libero da erba non tagliata, permettendo all'aria di essere aspirata all'interno del piatto di taglio.
Tagliate l'erba a una lunghezza leggermente superiore al normale, per garantire che l'altezza di taglio del piatto non strappi il terreno quando non è regolare. Tuttavia, in genere l'altezza migliore è quella usata in passato. Se l'erba è alta più di 15 cm, è preferibile praticare due passate per garantire una migliore qualità di taglio.
In genere è preferibile tagliare solamente un terzo circa del filo d'erba. Si raccomanda di non superare questa altezza, a meno che l’erba non sia rada, oppure ad autunno inoltrato quando l’erba cresce più lentamente.
Alternate la direzione della tosatura per mantenere l'erba eretta. In tal modo si agevola lo spargimento dello sfalcio, per una migliore decomposizione e fertilizzazione.
L'erba cresce a ritmi diversi in momenti diversi dell'anno. Per mantenere la stessa altezza di taglio, tosate più spesso all'inizio della primavera. Poiché a mezza estate il ritmo di crescita dell'erba rallenta, tagliate l'erba meno di frequente. Qualora l'erba non sia stata tagliata per un periodo prolungato, tagliatela prima a un'altezza di taglio elevata, e di nuovo 2 giorni dopo, riducendo gradualmente l'altezza di taglio.
Per migliorare la qualità del taglio, in determinate condizioni scegliete una velocità di spostamento inferiore.
Durante la tosatura di tappeto erboso disomogeneo, alzate l'altezza di taglio per evitare strappi sul manto erboso.
Se si arresta la marcia avanti della macchina durante la tosatura, sul tappeto erboso potrebbe depositarsi un mucchio di sfalcio. Per evitare questo inconveniente, spostatevi con le lame innestate verso un'area già tosata oppure arrestate il piatto di taglio mentre avanzate.
Eliminate lo sfalcio e la sporcizia dalla parte inferiore del piatto di taglio dopo ogni utilizzo. In caso di accumulo di erba e sporcizia all'interno del piatto di taglio, la qualità di taglio tenderà a diventare insoddisfacente.
Mantenete affilata la lama per l’intera stagione di taglio, al fine di evitare lo strappo e la frammentazione dell'erba. In caso contrario i bordi dell'erba diventano marrone, di conseguenza l'erba cresce più lentamente ed è più soggetta a malattie. Dopo ogni utilizzo controllate che le lame siano affilate e non presentino danni o segni di usura. All'occorrenza, limate eventuali tacche ed affilate le lame. Sostituite immediatamente la lama se è danneggiata o usurata, utilizzando una lama di ricambio originale Toro.
Parcheggiate la macchina su una superficie pianeggiante, disinnestate le trasmissioni, inserite il freno di stazionamento, arrestate il motore, togliete la chiave o scollegate il cappellotto dalla candela. Attendete che la macchina sia completamente ferma e raffreddata prima di effettuare interventi di regolazione, pulizia, riparazione o rimessaggio. Non permettete mai che personale non addestrato esegua interventi di manutenzione sulla macchina.
Pulite la macchina come indicato nella sezione Manutenzione. Tenete il motore e la relativa area privi di accumuli di erba, foglie, grasso od olio in eccesso e altri detriti che possano accumularsi in queste aree. Questi materiali possono diventare combustibile e provocare un incendio.
Controllate di frequente che non siano presenti componenti usurati o in deterioramento che possano creare un pericolo. Serrate la bulloneria lasciata allentata.
Per trasportare la macchina usate un rimorchio per servizio pesante o un autocarro. Controllate che il rimorchio, o l'autocarro, sia provvisto dei fari e dei segnali richiesti per legge. Leggete attentamente tutte le istruzioni di sicurezza. Queste informazioni contribuiranno a salvaguardare l'integrità fisica della vostra persona, della vostra famiglia, di animali domestici e di eventuali astanti.
Per trasportare la macchina:
bloccate il freno e le ruote;
Assicuratevi che la valvola di intercettazione del carburante sia chiusa.
Ancorate saldamente la macchina al rimorchio o all’autocarro per mezzo di cinghie, catene, cavi o corde; Utilizzate solo le quattro posizioni di ancoraggio designate sul tosaerba: 2 sul lato sinistro e 2 sul lato destro (Figura 40). Utilizzate queste posizioni anche per il trasporto del tosaerba con un accessorio collegato. L'utilizzo di posizioni non designate può causare danni al tosaerba e/o all'attrezzo.

Fissate il rimorchio al veicolo trainante per mezzo di catene di sicurezza.
Non guidate su strade o superstrade se non avete le luci di direzione, fari, catarifrangenti o un cartello di veicolo lento; ciò è pericoloso e può causare incidenti e ferite.
Non guidate la macchina su strade pubbliche o superstrade.
Prestate la massima attenzione in fase di carico o scarico delle macchine su un rimorchio o un autocarro. Utilizzate una rampa di larghezza massima che sia più larga della macchina per questa procedura. Risalite in retromarcia le rampe e scendete dalle rampe in marcia avanti (Figura 41).

Important: Non utilizzate singole rampe strette per ciascun lato della macchina.
Assicuratevi che la rampa sia abbastanza lunga, in modo che l'angolo con il terreno non superi i 15 gradi (Figura 41). Su terreno pianeggiante, ciò significa che la rampa deve essere lunga almeno il quadruplo (4X) dell'altezza dell'autocarro o rimorchio fino al terreno. Con un'inclinazione maggiore, quando il tosaerba si sposta dalla rampa al rimorchio o all'autocarro, i componenti del tosaerba possono impigliarsi. Una maggiore inclinazione può fare ribaltare la macchina o farne perdere il controllo. Se caricate su una pendenza o nelle adiacenze, posizionate il rimorchio o l'autocarro in modo che si trovino dal lato a valle della pendenza, e la rampa si estenda in salita. In tal modo ridurrete l’inclinazione della rampa.
Quando si carica la macchina su un trailer o un autocarro si aumenta il rischio di ribaltamento, che può causare gravi ferite ed anche la morte.
Prestate la massima attenzione quando guidate la macchina su una rampa.
Usate solo una rampa di larghezza massima, non singole rampe per ciascun lato della macchina.
Non superate un angolo di 15 gradi fra la rampa e il suolo o fra la rampa e il trailer o l'autocarro.
Assicuratevi che la lunghezza della rampa sia almeno il quadruplo (4X) dell'altezza dell'autocarro o rimorchio fino al terreno. Ciò farà sì che l'angolo della rampa non superi i 15 gradi su terreno pianeggiante.
Risalite in retromarcia le rampe e scendete dalle rampe in marcia avanti.
Evitate accelerazioni o decelerazioni improvvise mentre guidate la macchina su una rampa, dal momento che potrebbero causare una perdita di controllo o il ribaltamento.

L’attrezzatura da trainare deve essere agganciata soltanto al punto di attacco.
Rispettate le raccomandazioni del costruttore dell'accessorio di raccolta in materia di limiti di peso delle attrezzature trainate e traino su pendenze. Il peso trainato non deve superare il peso di macchina, operatore e zavorra; in caso contrario, può verificarsi un guasto della trasmissione idrostatica. Utilizzate contrappesi o zavorre delle ruote, come descritto nel Manuale del produttore dell'attrezzo.
Non lasciate che bambini o altre persone entrino o salgano sulle attrezzature trainate.
Su pendenze, il peso delle attrezzature trainate può provocare perdita di trazione, maggiore rischio di ribaltamento e perdita di controllo. Riducete il peso delle apparecchiature trainate e rallentate.
La distanza di arresto aumenta con il peso del carico trainato. Guidate lentamente e lasciate una distanza maggiore per l'arresto.
Effettuate curve ampie per tenere l'accessorio di raccolta lontano dalla macchina.
Important: Spingete sempre la macchina a mano. Non trainatela, in quanto potreste danneggiarla.
Questa macchina è dotata di un meccanismo del freno elettrico e per spingere la macchina è necessario che la chiave di accensione si trovi in posizione di FUNZIONAMENTO. La batteria deve essere carica e funzionante perché sia possibile disinserire il freno elettrico.
Parcheggiate la macchina su un terreno pianeggiante e disinnestate il comando delle lame.
Inserite il freno di stazionamento, spegnete il motore e attendete che tutte le parti in movimento si fermino prima di lasciare la posizione di guida.
Individuate le leve di bypass sul telaio su ambo i lati del motore.
Spostate in avanti le leve di bypass attraverso il foro della chiavetta, quindi verso il basso per bloccarle in posizione (Figura 43).
Note: Effettuate l'operazione per ciascuna leva.
Disinnestate il freno di stazionamento.
Note: Non avviate la macchina.

Al termine, inserite il freno di stazionamento.
Spostate indietro le leve di bypass attraverso il foro della chiavetta, quindi verso il basso per bloccarle in posizione, come illustrato nella Figura 43.
Note: Effettuate l'operazione per ciascuna leva.
Note: Stabilite i lati sinistro e destro della macchina rispetto alla normale posizione di guida.
Durante le operazioni di manutenzione e regolazione qualcuno potrebbe avviare il motore. L'avviamento accidentale del motore può ferire seriamente voi o altri astanti.
Prima di eseguire qualsiasi intervento di manutenzione, togliete la chiave dall'interruttore di accensione, innestate il freno di stazionamento e rimuovete il/i cappellotto/i dalla/e candela/e. Inoltre, mettete da parte il cappellotto (o cappellotti), in modo che non venga accidentalmente a contatto con la candela (o candele).
Il motore può diventare rovente. Toccare un motore caldo può causare gravi ustioni.
Lasciate raffreddare completamente il motore prima di effettuare interventi di assistenza o riparazione attorno all'area del motore.
Parcheggiate la macchina su una superficie pianeggiante, disinnestate le trasmissioni, inserite il freno di stazionamento, arrestate il motore, togliete la chiave o scollegate il cappellotto dalla candela. Attendete che la macchina sia completamente ferma e raffreddata prima di effettuare interventi di regolazione, pulizia o riparazione. Non permettete mai che personale non addestrato esegua interventi di manutenzione sulla macchina.
Prima di eseguire qualsiasi riparazione, scollegate la batteria o rimuovete il cappellotto della candela. Scollegate prima il morsetto negativo, per ultimo quello positivo. Ricollegate prima il morsetto positivo, per ultimo quello negativo.
Tenete macchina, protezioni, schermi e tutti i dispositivi di sicurezza in posizione e in condizioni operative sicure. Controllate di frequente che non siano presenti componenti usurati o in deterioramento e sostituiteli con i ricambi raccomandati dal produttore, quando necessario.
La rimozione o modifica di attrezzatura originale, ricambi e/o accessori può alterare la garanzia, la controllabilità e la sicurezza della macchina. Modifiche non autorizzate all'attrezzatura originale o il mancato utilizzo di ricambi originali Toro possono comportare gravi infortuni o la morte. Modifiche non autorizzate a macchina, motore, impianto del carburante o di spurgo possono costituire violazioni degli standard di sicurezza in vigore, quali ANSI, OSHA e NFPA e/o regolamenti governativi quali EPA e CARB.
Prestate la massima attenzione quando controllate le lame. Durante gli interventi di manutenzione avvolgete la lama (o lame) o indossate guanti adatti allo scopo, e fate attenzione. Le lame danneggiate devono essere soltanto sostituite. Non vanno mai raddrizzate o saldate.
Utilizzate cavalletti metallici per sostenere la macchina e/o i componenti quando necessario.
Potrebbe essere pericoloso sollevare la macchina per manutenzione o riparazione facendo affidamento unicamente su martinetti idraulici o meccanici. Queste potrebbero non essere sufficienti per sostenere la macchina o potrebbero non funzionare correttamente, facendo cadere la macchina e provocando conseguenti infortuni.
Non utilizzate unicamente binde meccaniche o idrauliche per sollevare la macchina. Utilizzate cavalletti idonei o supporti equivalenti.
Scaricate con cautela la pressione dai componenti che hanno accumulato energia.
Tenete mani e piedi a distanza dalle parti mobili. Se possibile, non eseguite regolazioni mentre il motore è in funzione. Se la procedura di manutenzione o regolazione richiede che il motore sia in funzione e i componenti in movimento, prestate estrema attenzione.
Il contatto con parti in movimento o superfici calde può causare infortuni.
Tenete dita, mani e abiti lontano dalle parti rotanti e dalle superfici calde.
Controllate frequentemente tutti i bulloni per mantenere il serraggio corretto.
| Cadenza di manutenzione | Procedura di manutenzione |
|---|---|
| Dopo le prime 5 ore |
|
| Prima di ogni utilizzo o quotidianamente |
|
| Dopo ogni utilizzo |
|
| Ogni 25 ore |
|
| Ogni 100 ore |
|
| Ogni 200 ore |
|
| Prima del rimessaggio |
|
Se lasciate la chiave nell'interruttore, qualcuno potrebbe accidentalmente avviare il motore e ferire gravemente voi od altre persone.
Spegnete il motore e togliete la chiave dall'interruttore prima di eseguire qualsiasi intervento di manutenzione.
Allentate i 2 bulloni inferiori della cortina per accedere alla parte superiore del piatto di taglio (Figura 44).

Note: Serrate sempre i bulloni per collegare la cortina dopo la manutenzione.
Prima di controllare l'olio o di rabboccare la coppa, spegnete il motore.
Tenete mani, piedi, viso, abbigliamento e altre parti del corpo lontano dalla marmitta e altre superfici calde.
| Cadenza di manutenzione | Procedura di manutenzione |
|---|---|
| Prima di ogni utilizzo o quotidianamente |
|
Note: Eseguite la manutenzione del filtro dell'aria più di frequente (ogni poche ore) in ambienti molto inquinati o sabbiosi.
Parcheggiate la macchina su una superficie pianeggiante, disinnestate l'interruttore di comando delle lame (PDF) e inserite il freno di stazionamento.
Prima di scendere dalla postazione di guida spegnete il motore, togliete la chiave di accensione e attendete che si fermino tutte le parti in movimento.
Pulite intorno al filtro dell'aria per evitare che la morchia possa penetrare nel motore provocando gravi danni.
Sollevate il coperchio e ruotate il gruppo del filtro dell'aria per estrarlo dal motore (Figura 45).


Separate gli elementi in schiuma sintetica e di carta (Figura 46).

| Cadenza di manutenzione | Procedura di manutenzione |
|---|---|
| Ogni 25 ore |
|
| Ogni 100 ore |
|
Lavate l'elemento in schiuma sintetica con acqua tiepida e sapone. Quando è pulito, risciacquatelo accuratamente.
Asciugate l'elemento premendolo in un panno pulito.
Important: Sostituite l'elemento in schiuma sintetica se fosse danneggiato o usurato.
| Cadenza di manutenzione | Procedura di manutenzione |
|---|---|
| Ogni 100 ore |
|
| Ogni 200 ore |
|
Pulite l'elemento di carta picchiettandolo delicatamente per rimuovere la polvere.
Note: Se è molto sporco, sostituite l'elemento di carta con un elemento nuovo.
Controllate che l'elemento non sia strappato, che non vi siano strati untuosi, e che la tenuta in gomma non sia danneggiata.
Sostituite l’elemento di carta se è danneggiato.
Important: Non pulite il filtro primario di carta.
Montate l'elemento in schiuma sopra l'elemento di carta.
Note: Assicuratevi di non danneggiare gli elementi.
Allineate i fori del filtro ai fori del collettore.
Ruotate il filtro nella camera e innestatelo completamente contro il collettore (Figura 47).

Chiudete il coperchio.
Tipo di olio: Olio detergente (API service SF, SG, SH, SJ o SL)
Capacità della coppa dell'olio: 2,4 litri con il filtro dell'olio
Viscosità: Vedere la tabella seguente.

| Cadenza di manutenzione | Procedura di manutenzione |
|---|---|
| Prima di ogni utilizzo o quotidianamente |
|
Note: Controllate l'olio a motore freddo.
Important: Se riempite troppo o troppo poco la coppa dell'olio del motore con olio e mettete in funzione il motore, potreste causare danni al motore.
Parcheggiate la macchina su una superficie pianeggiante, disinnestate l'interruttore di comando delle lame (PDF) e inserite il freno di stazionamento.
Prima di scendere dalla postazione di guida spegnete il motore, togliete la chiave di accensione e attendete che si arrestino tutte le parti in movimento.
Note: Assicuratevi che il motore sia freddo, in modo che l'olio abbia avuto il tempo necessario per spurgare nel pozzetto.
Per tenere lo sporco, gli sfalci d’erba, ecc, lontani dal motore, pulite l’area attorno al tappo del serbatoio dell’olio e all’asta di livello prima di rimuoverlo (Figura 49).

| Cadenza di manutenzione | Procedura di manutenzione |
|---|---|
| Dopo le prime 5 ore |
|
| Ogni 100 ore |
|
Parcheggiate la macchina su una superficie pianeggiante per assicurarvi che l'olio venga spurgato completamente.
Disinnestate l’interruttore di comando delle lame (PDF) e innestate il freno di stazionamento.
Prima di scendere dalla postazione di guida spegnete il motore, togliete la chiave di accensione e attendete che si fermino tutte le parti in movimento.
Spurgate l'olio dal motore.


Cambiate il filtro dell'olio del motore (Figura 51).
Note: Assicuratevi che la guarnizione del filtro dell'olio tocchi il motore e poi ruotate il filtro di altri ¾ di giro.

Versate lentamente circa l'80% dell'olio indicato nel tubo di rifornimento e sempre con cautela rabboccate l'olio necessario per portarlo alla tacca di Pieno (Figura 52).

Consegnate l'olio usato ad un centro di raccolta.
| Cadenza di manutenzione | Procedura di manutenzione |
|---|---|
| Ogni 100 ore |
|
| Ogni 200 ore |
|
Prima di montare la candela accertatevi che la distanza tra gli elettrodi centrali e laterali sia corretta. Utilizzate una chiave per candele per la rimozione e il montaggio della candela, ed un calibro o uno spessimetro per il controllo e la regolazione della distanza fra gli elettrodi. Se necessario, montate una nuova candela.
Tipo: Champion® RN9YC o NGK® BPR6ES
Distanza tra gli elettrodi: 0,76 mm
Parcheggiate la macchina su una superficie pianeggiante, disinnestate l'interruttore di comando delle lame (PDF) e inserite il freno di stazionamento.
Prima di scendere dalla postazione di guida spegnete il motore, togliete la chiave di accensione e attendete che si arrestino tutte le parti in movimento.
Pulite l'area attorno alla base della candela per tenere detriti e sporco lontano dal motore.
Rimuovete la candela (Figura 53).

Important: Non pulite la(e) candela(e). Sostituite sempre la candela (o candele) in caso di patina nera sull'isolatore, elettrodi usurati, pellicola d'olio oppure crepe.
Se l'isolatore è marrone chiaro o grigio, il motore funziona correttamente. Una patina nera sull'isolatore significa in genere che il filtro dell'aria è sporco.
Regolate la distanza a 0,76 mm.


| Cadenza di manutenzione | Procedura di manutenzione |
|---|---|
| Prima di ogni utilizzo o quotidianamente |
|
Parcheggiate la macchina su una superficie pianeggiante, disinnestate l'interruttore di comando delle lame (PDF) e inserite il freno di stazionamento.
Prima di scendere dalla postazione di guida spegnete il motore, togliete la chiave di accensione e attendete che si arrestino tutte le parti in movimento.
Rimuovete il filtro dell'aria dal motore.
Togliete il riparo del motore.
Per evitare l'ingresso di detriti nella presa d'aria, montate il filtro dell'aria sulla relativa base.
Rimuovete sporcizia ed erba dagli elementi.
Rimuovete il filtro dell'aria e montate il riparo del motore.
Montate il filtro dell'aria.
In determinate condizioni, il carburante è estremamente infiammabile ed altamente esplosivo. Un incendio o un’esplosione causati dal carburante possono ustionare voi ed altre persone e provocare danni.
Fate riferimento a Rifornimento di carburante per un elenco completo di precauzioni relative al carburante.
| Cadenza di manutenzione | Procedura di manutenzione |
|---|---|
| Ogni 100 ore |
|
| Ogni 200 ore |
|
Non montate mai un filtro sporco dopo averlo rimosso dal tubo del carburante.
Parcheggiate la macchina su una superficie pianeggiante, disinnestate l'interruttore di comando delle lame (PDF) e inserite il freno di stazionamento.
Prima di scendere dalla postazione di guida spegnete il motore, togliete la chiave di accensione e attendete che si arrestino tutte le parti in movimento.
Sostituite il filtro (Figura 56).
Note: Nota: assicuratevi che i segni sul filtro seguano la direzione del flusso del carburante.


Scollegate la batteria prima di riparare la macchina. Scollegate prima il morsetto negativo, per ultimo quello positivo. Collegate prima il morsetto positivo, per ultimo quello negativo.
Caricate la batteria in un'area aperta e ben ventilata, lontano da scintille e fiamme. Togliete la spina del caricabatterie prima di collegare o scollegare la batteria. Indossate indumenti di protezione e utilizzate attrezzi isolati.
Una rimozione non corretta dei cavi dalla batteria può causare danni a macchina e cavi, causando scintille che possono fare esplodere i gas delle batterie e provocare infortuni.
Scollegate sempre il cavo negativo (nero) della batteria prima di quello positivo (rosso).
Collegate sempre il cavo positivo (rosso) della batteria prima di quello negativo (nero).
Parcheggiate la macchina su una superficie pianeggiante, disinnestate l'interruttore di comando delle lame (PDF) e inserite il freno di stazionamento.
Prima di scendere dalla postazione di guida spegnete il motore, togliete la chiave di accensione e attendete che si arrestino tutte le parti in movimento.
Allentate di 1/4 di giro in senso antiorario i 2 elementi di fissaggio sul coperchio della batteria, quindi rimuovete il coperchio della batteria (Figura 57).

Staccate il cavo negativo (nero) di terra dal polo della batteria (Figura 58).
Note: Conservate tutti i dispositivi di fermo.
Infilate il cappuccio di gomma sul cavo positivo (rosso) della batteria.
Staccate il cavo positivo (rosso) dal polo della batteria (Figura 58).
Note: Conservate tutti i dispositivi di fermo.
Togliete il dispositivo di fissaggio della batteria (Figura 58) e togliete la batteria dal vassoio.

| Cadenza di manutenzione | Procedura di manutenzione |
|---|---|
| Prima del rimessaggio |
|
Togliete la batteria dal telaio; vedere Rimozione della batteria.
Caricate la batteria per un minimo di 1 ora da 6 a 10 A.
Note: Non sovraccaricatela.
Quando la batteria è completamente carica, staccate il caricabatterie dalla presa elettrica e scollegate i cavi di ricarica dai poli della batteria (Figura 59).

Posizionate la batteria nella cassetta (Figura 58).
Montate il cavo positivo (rosso) della batteria con il morsetto positivo (+) utilizzando i dispositivi di fermo precedentemente rimossi.
Montate il cavo negativo (nero) della batteria con il morsetto negativo (-) utilizzando i dispositivi di fermo precedentemente rimossi.
Infilate la guaina rossa del morsetto sul polo positivo (rosso) della batteria.
Fissate la batteria con l'apposito dispositivo (Figura 58).
Montate il coperchio della batteria spingendo verso il basso i 2 elementi di fissaggio e serrandoli in senso orario (Figura 57).
l'impianto elettrico è protetto da fusibili, che non necessitano di alcuna manutenzione; tuttavia, nel caso in cui salti un fusibile dovete controllare che non vi sia un cortocircuito e se i componenti funzionano correttamente.
Tipo di fusibile:
Principale – F1 (15 A, tipo di lama)
Circuito di carica – F2 (25 A, tipo di lama)
Per sostituire il fusibile principale (15 A), estraete il fusibile dall'apertura sul lato della consolle e installate un nuovo fusibile da 15 A (Figura 60).

Per sostituire il fusibile del circuito di carica (25 A), individuate il fusibile a sinistra della batteria, estraete il fusibile e installate un nuovo fusibile da 25 A (Figura 61).

| Cadenza di manutenzione | Procedura di manutenzione |
|---|---|
| Ogni 25 ore |
|
Mantenete la pressione pneumatica delle ruote anteriori e posteriori come riportato. La pressione irregolare degli pneumatici può causare un taglio irregolare. Controllate la pressione sullo stelo della valvola (Figura 62). Per ottenere valori più attendibili, controllate gli pneumatici a freddo.
Fate riferimento alla pressione massima suggerita dal produttore degli pneumatici indicata sul lato degli pneumatici delle ruote orientabili.
Gonfiate le ruote orientabili anteriori a 1,03 bar.
Gonfiate gli pneumatici posteriori a 0,9 bar.

| Cadenza di manutenzione | Procedura di manutenzione |
|---|---|
| Ogni 25 ore |
|
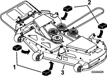
Sostituite la cinghia se è usurata. I segni di una cinghia usurata includono stridio durante la rotazione della cinghia, slittamento delle lame durante il taglio dell’erba, bordi sfilacciati, segni di bruciatura e spaccature sulla cinghia.
I segni di una cinghia usurata includono stridio durante la rotazione della cinghia, slittamento delle lame durante il taglio dell’erba, bordi sfilacciati, segni di bruciatura e spaccature sulla cinghia. Sostituite la cinghia del tosaerba se notate uno qualsiasi dei segni sopra riportati.
Parcheggiate la macchina su una superficie pianeggiante, disinnestate l'interruttore di comando delle lame (PDF) e inserite il freno di stazionamento.
Prima di scendere dalla postazione di guida spegnete il motore, togliete la chiave di accensione e attendete che si arrestino tutte le parti in movimento.
Abbassate il tosaerba all’altezza di taglio di 76 mm.
Rimuovete la cortina del piatto di taglio; fate riferimento a Rilascio della cortina del piatto di taglio.
Per ciascun copricinghia, allentate i 2 bulloni senza rimuoverli.
Fate scorrere la copertura finché non si sgancia dai bulloni, quindi sollevatela per rimuoverla.
Servendovi di un attrezzo per la rimozione delle molle (n. cat. Toro 92-5771), sganciate la molla di rinvio dal perno del piatto di taglio per eliminare la tensione dalla puleggia tendicinghia (Figura 63).

Abbassate il tosaerba all'altezza di taglio minima e inserite il perno dell'altezza di taglio nella posizione di blocco dell'altezza di taglio minima.
Rimuovete la cinghia dalle pulegge del piatto di taglio e scartatela.
Montate la nuova cinghia attorno alle pulegge del tosaerba e alla puleggia della frizione, sotto il motore (Figura 63).
La molla viene montata sotto tensione, e può causare gravi ferite.
Prestate la massima attenzione quando togliete la cinghia.
Servendovi di un attrezzo per la rimozione delle molle (n. cat. Toro 92-5771), agganciate la molla di rinvio al perno del piatto di taglio per mettere in tensione la puleggia tendicinghia e la cinghia (Figura 63).
Accertatevi che la cinghia sia montata correttamente su tutte le pulegge.
Per montare i copricinghia, inserite le linguette presenti in ciascuna copertura nelle asole corrispondenti poste sulla staffa del piatto di taglio, accertandovi che entrino a fondo.
Ruotate la copertura sul piatto e fate scorrere le tacche sotto i bulloni allentate finché non entrano in sede.
Serrate i bulloni per fissare la copertura sul piatto.
Montate la cortina del piatto di taglio; fate riferimento a Rilascio della cortina del piatto di taglio.
Le lame consumate o danneggiate possono spezzarsi e scagliare frammenti verso di voi o gli astanti, causando gravi ferite o anche la morte. Non cercate di riparare le lame danneggiate, in quanto potreste annullare la certificazione di sicurezza del prodotto.
Controllate le lame ad intervalli regolari, per accertare che non siano consumate o danneggiate.
Prestate la massima attenzione quando controllate le lame. Durante gli interventi di manutenzione, avvolgete le lame o indossate guanti adatti allo scopo e fate attenzione. Sostituite o affilate solo le lame; non raddrizzatele né saldatele.
Su macchine multilama, ricordate che la rotazione di 1 lama può provocare la rotazione anche di altre lame.
Per garantire una qualità del taglio superiore, mantenete le lame affilate. Per agevolare l'affilatura e la sostituzione tenete una scorta di lame di ricambio.
Parcheggiate la macchina su una superficie pianeggiante, disinnestate l'interruttore di comando delle lame (PDF) e inserite il freno di stazionamento.
Spegnete il motore, togliete la chiave e scollegate i cappellotti dalle candele.
| Cadenza di manutenzione | Procedura di manutenzione |
|---|---|
| Prima di ogni utilizzo o quotidianamente |
|
Controllate i taglienti (Figura 64).
Se i taglienti non sono affilati o presentano intaccature, togliete la lama ed affilatela; vedere Affilatura delle lame.
Controllate le lame, in particolare l'area curva.
Se notate incrinature, usura o scanalature in questa zona, montate immediatamente una nuova lama (Figura 64).

Note: La macchina deve essere posizionata su una superficie pianeggiante per la seguente procedura.
Sollevate il piatto di taglio alla posizione superiore dell'altezza di taglio.
Indossando guanti dalla spessa imbottitura o altre protezioni idonee per le mani, ruotate lentamente la lama in una posizione che consenta di misurare la distanza tra il bordo di taglio e la superficie piana su cui si trova la macchina (Figura 65).

Misurate dalla punta della lama alla superficie piana (Figura 66).

Ruotate la stessa lama di 180 gradi in modo che il tagliente opposto si trovi ora nella stessa posizione (Figura 67).

Misurate dalla punta della lama alla superficie piana (Figura 68).
Note: La varianza non deve essere superiore a 3 mm.

Se la differenza tra A e B è superiore a 3 mm, sostituite la lama con una nuova; fate riferimento a Rimozione delle lame e Montaggio delle lame.
Note: Se viene sostituita una lama curva con una nuova lama e la dimensione ottenuta continua ad essere superiore a 3 mm, il fusello della lama può essere piegato. Rivolgetevi a un Centro Assistenza autorizzato per avere assistenza.
Se la varianza è limitata, spostatevi alla lama successiva.
Ripetete la procedura su ogni lama.
Sostituite le lame se colpiscono un oggetto solido, se sono sbilanciate o piegate.
Tenete l'estremità della lama con un cencio o un guanto bene imbottito.
Togliete il bullone, la rondella curva e la lama dall'asse del fusello (Figura 69).

Affilate i taglienti da entrambe le estremità della lama con una lima (Figura 70).
Note: Rispettate l’angolazione originale.
Note: La lama conserva il proprio equilibrio soltanto se viene rimossa una quantità uguale di materiale da entrambi i taglienti.

Controllate l’equilibrio della lama posizionandola su un bilanciatore (Figura 71).
Note: Se la lama rimane in posizione orizzontale, è bilanciata e può essere utilizzata.
Note: Se la lama non è bilanciata, limate del metallo soltanto dalla costa (Figura 70).

Ripetete la procedura finché la lama non è perfettamente bilanciata.
Montate la lama sull'asse del mandrino (Figura 69).
Important: Perché tagli correttamente, il lato curvo della lama deve essere rivolto in alto, verso l'interno del tosaerba.
Montate la rondella curva (lato concavo verso la lama) e il bullone della lama (Figura 69).
Serrate il bullone della lama a una coppia compresa tra 135 e 150 N∙m.

Il livellamento del piatto di taglio deve essere controllato ogni volta che si mette in opera il tosaerba oppure quando il taglio è irregolare.
Verificate il piatto di taglio per escludere lame piegate prima del livellamento e rimuovete e sostituite eventuali lame piegate; fate riferimento a Controllo delle lame curve prima di proseguire.
Livellate il piatto di taglio prima in senso laterale; poi potete regolare l'inclinazione in senso longitudinale.
Requisiti:
La macchina deve essere posizionata su una superficie pianeggiante.
Gli pneumatici devono essere tutti e opportunamente gonfiati; fate riferimento a Controllo della pressione degli pneumatici.
Parcheggiate la macchina su una superficie pianeggiante, disinnestate l'interruttore di comando delle lame (PDF) e inserite il freno di stazionamento.
Prima di scendere dalla postazione di guida spegnete il motore, togliete la chiave di accensione e attendete che si arrestino tutte le parti in movimento.
Ruotate con cautela le lame da un lato all’altro.
Misurate la distanza tra i taglienti esterni e la superficie piatta (Figura 73).
Note: Se entrambe le misure non rientrano nella tolleranza di 5 mm, è necessario eseguire una regolazione; fate riferimento a Livellamento del piatto di taglio del tosaerba.

Controllate il livello longitudinale della lama ogni volta che mettete in opera il tosaerba. Se la parte anteriore del tosaerba è di 7,9 mm più in basso della parte posteriore del tosaerba, regolate il livello delle lame.
Parcheggiate la macchina su una superficie pianeggiante, disinnestate l'interruttore di comando delle lame (PDF) e inserite il freno di stazionamento.
Prima di scendere dalla postazione di guida spegnete il motore, togliete la chiave di accensione e attendete che si arrestino tutte le parti in movimento.
Girate con cautela le lame in modo che siano disposte longitudinalmente (Figura 74).
Misurate il valore dalla punta della lama anteriore e dalla punta della lama posteriore alla superficie piana (Figura 74).
Note: Se la punta della lama anteriore non è inferiore alla punta della lama posteriore di 1,6–7,9 mm, proseguite con la procedura Livellamento del piatto di taglio del tosaerba.

Per eseguire questa procedura regolate i rulli antistrappo nei fori superiori oppure toglieteli completamente; fate riferimento a Regolazione dei rulli antistrappo.
Impostate la leva dell'altezza di taglio a 76 mm; fate riferimento a Regolazione dell'altezza di taglio.
Posizionate 2 blocchi ciascuno con uno spessore di 6,6 cm sotto ciascun lato del bordo anteriore del piatto di taglio, ma non sotto le staffe del rullo antistrappo (Figura 75).
Posizionate 2 blocchi ciascuno con uno spessore di 7,3 cm sotto il bordo posteriore della falda del piatto di taglio; 1 su ciascun lato del piatto di taglio (Figura 75).

Allentate i dadi di regolazione in tutti e 4 gli angoli facendo in modo che il piatto di taglio poggi saldamente su tutti e 4 i blocchi (Figura 76).

Verificate che vi sia tensione in tutte e 4 le catene (Figura 76).
Serrate i 4 bulloni di regolazione (Figura 76).
Assicuratevi che i blocchi si inseriscano comodamente sotto la falda del piatto di taglio e che tutti i bulloni siano serrati.
Verificate che il piatto di taglio sia livellato correttamente controllando l'inclinazione laterale e longitudinale delle lame; se necessario, ripetete la procedura di livellamento del piatto di taglio.
Parcheggiate la macchina su una superficie pianeggiante, disinnestate l'interruttore di comando delle lame (PDF) e inserite il freno di stazionamento.
Spegnete il motore, togliete la chiave e scollegate i cappellotti dalle candele.
Abbassate il tosaerba all’altezza di taglio di 76 mm.
Allentate i 2 bulloni inferiori che fissano la cortina del piatto di taglio al piatto di taglio; fate riferimento a Rilascio della cortina del piatto di taglio.
Rimuovete la cinghia del tosaerba dalla puleggia del motore; vedere Sostituzione della cinghia del tosaerba.
Rimuovete la coppiglia e la rondella che fissano il perno d'attacco al telaio e al piatto e rimuovete la barra d'attacco (Figura 77).

Sollevate il piatto di taglio per eliminare la tensione dal piatto di taglio.
Rimuovete le catene dai ganci sui bracci di sollevamento del piatto (Figura 78).

Alzate l'altezza di taglio in posizione di trasporto.
Rimuovete la cinghia dalla puleggia della frizione nel motore.
Togliete il tosaerba da sotto la macchina.
Note: Conservate tutte le parti per il successivo montaggio.
Parcheggiate la macchina su una superficie pianeggiante, disinnestate l'interruttore di comando delle lame (PDF) e inserite il freno di stazionamento.
Spegnete il motore, togliete la chiave e scollegate i cappellotti dalle candele.
Infilate il tosaerba sotto la macchina.
Abbassatela leva dell'altezza di taglio alla posizione inferiore.
Inserite il perno dell'altezza di taglio nella posizione di blocco dell'altezza di taglio minima.
Alzate la parte posteriore del piatto di taglio e attaccate le catene ai bracci di sollevamento posteriori (Figura 78).
Attaccate le catene anteriori ai bracci di sollevamento anteriori (Figura 78).
Montate la barra d'attacco lunga attraverso il supporto del telaio e il piatto.
Fissate il perno d'attacco con le coppiglie e le rondelle rimosse in precedenza (Figura 77).
Montate la cinghia del tosaerba sulla puleggia del motore; fate riferimento a Sostituzione della cinghia del tosaerba.
Serrate i 2 bulloni inferiori che fissano la cortina del piatto di taglio al piatto di taglio; fate riferimento a Rilascio della cortina del piatto di taglio.
| Cadenza di manutenzione | Procedura di manutenzione |
|---|---|
| Prima di ogni utilizzo o quotidianamente |
|
Lasciando scoperta l’apertura di scarico si permette alla macchina di scagliare oggetti verso di voi o verso astanti, causando gravi lesioni. Inoltre, è possibile venire a contatto con la lama.
Non utilizzate mai la macchina se non avete montato la piastra di mulching, il deflettore di scarico o il sistema di raccolta dell’erba.
Prima di ogni uso, controllate il deflettore dell'erba tagliata per verificare la presenza di eventuali danni. Sostituite tutte le parti danneggiate prima dell'uso.
Togliete la coppiglia (Figura 79).
Sganciate la molla dalla tacca presente sulla staffa del deflettore e fate scorrere l'asta per estrarla dalle staffe saldate del piatto di taglio, dalla molla e dal deflettore di scarico (Figura 79).

Togliete il deflettore di scarico se è danneggiato o consumato.
Posizionate il nuovo gruppo deflettore di scarico con le estremità delle staffe collocate tra le staffe saldate al piatto come illustrato nella Figura 80.
Inserite la molla sull'estremità diritta dell'asta.
Posizionate la molla sull'asta, come illustrato nella Figura 80, in modo che l'estremità più corta della molla provenga da sotto l'asta prima della curva e vada sopra l'asta mentre ritorna dalla curva.
Sollevate l'estremità lunga della molla e inseritela nella tacca presente sulla staffa del deflettore (Figura 80).

Fissate il gruppo costituito dall'asta e dalla molla ruotandolo in modo tale da collocare l'estremità corta dell'asta dietro la staffa anteriore saldata al piatto di taglio (Figura 80).
Important: Il deflettore d'erba tagliata dev'essere caricato a molla e abbassato. Alzate il deflettore e verificate che quando scatta si abbassi completamente.
Montate la coppiglia (Figura 79).
| Cadenza di manutenzione | Procedura di manutenzione |
|---|---|
| Dopo ogni utilizzo |
|
Important: La macchina può essere lavata con detersivo neutro ed acqua. Non utilizzate lance ad alta pressione. Non utilizzate una quantità d'acqua eccessiva, in particolare in prossimità della plancia, sotto al sedile, attorno al motore, alle pompe idrauliche e ai motori.
Lavate il sottoscocca del piatto di taglio dopo ogni utilizzo per impedire che lo sfalcio si accumuli e per migliorare il mulching e la dispersione dello sfalcio.
Parcheggiate la macchina su una superficie pianeggiante, disinnestate l'interruttore di comando delle lame (PDF) e inserite il freno di stazionamento.
Spegnete il motore, rimuovete la chiave e attendete l’arresto di tutte le parti in movimento prima di lasciare la posizione di funzionamento.
Montate il manicotto del tubo flessibile sul raccordo di lavaggio del tosaerba, quindi aprite il rubinetto per erogare un getto forte (Figura 81).
Note: Spalmate della vaselina sull'O-ring del raccordo di lavaggio, per agevolare l'inserimento del manicotto e proteggere l'O-ring.

Abbassate il tosaerba all’altezza di taglio inferiore.
Sedetevi sul sedile ed avviate il motore.
Innestate il comando delle lame e lasciate girare il motore per un massimo di tre minuti.
Disinnestate il comando delle lame (PDF), spegnete il motore, togliete la chiave dal relativo interruttore e attendete che tutte le parti in movimento si siano fermate.
Chiudete il rubinetto e togliete il raccordo a disinnesto rapido dal raccordo di lavaggio.
Note: Se il tosaerba non è pulito dopo un lavaggio, bagnatelo, lasciatelo in posa per 30 minuti e ripetete l'operazione.
Fate girare il tosaerba per altri tre minuti al massimo, al fine di eliminare l’acqua superflua.
Se il raccordo di lavaggio è rotto o mancante, voi ed altre persone siete esposti al rischio di essere colpiti da oggetti o di venire a contatto con la lama. Il contatto con una lama o con i detriti scagliati può provocare gravi infortuni o la morte.
Sostituite immediatamente un raccordo di lavaggio rotto o mancante, prima di utilizzare nuovamente la macchina.
Non infilate mai le mani o i piedi sotto il piatto di taglio o attraverso le aperture nella macchina.
Note: Non pulite i gruppi ammortizzatore con acqua sotto pressione (Figura 82).

L'olio motore, le batterie, il fluido idraulico ed il refrigerante del motore inquinano l'ambiente. Smaltiteli nel pieno rispetto dei regolamenti del vostro stato e regionali.
Fate raffreddare il motore prima del rimessaggio della macchina.
Non rimessate la macchina o il carburante accanto a fiamme e non spurgate il carburante al chiuso.
Disinnestate l'interruttore di comando delle lame (PDF) e inserite il freno di stazionamento.
Prima di scendere dalla postazione di guida spegnete il motore, togliete la chiave di accensione e attendete che si arrestino tutte le parti in movimento.
Eliminate residui d'erba, morchia e fanghiglia dalle parti esterne della macchina, in particolare dal motore e dall'impianto idraulico. Eliminate morchia e sporcizia dall'esterno del cilindro del motore, dalle alette della testata e dal convogliatore.
Important: La macchina può essere lavata con detersivo neutro ed acqua. Non utilizzate lance ad alta pressione. Non utilizzate una quantità d'acqua eccessiva, in particolare in prossimità della plancia, del motore, delle pompe idrauliche e dei motori.
Verificate il funzionamento del freno di stazionamento; fate riferimento a Azionamento del freno di stazionamento.
Revisionate il filtro dell'aria; vedere Revisione del filtro dell’aria.
Cambiate l’olio del carter; vedere Cambio dell'olio motore e del filtro.
Controllate la pressione degli pneumatici; vedere Controllo della pressione degli pneumatici.
Cambiate la batteria; vedere Ricarica della batteria.
Raschiate i depositi di erba e morchia dal sottoscocca, quindi lavate il tosaerba con un flessibile da giardino.
Note: Dopo il lavaggio, fate funzionare la macchina con il controllo della lama (PDF) innestato ed il motore al minimo superiore per 2–5 minuti.
Controllate le condizioni delle lame; vedere Revisione delle lame di taglio.
Preparate la macchina per il rimessaggio in caso di pause di utilizzo superiori a 30 giorni. Preparate la macchina per il rimessaggio come segue.
Aggiungete uno stabilizzatore/additivo a base di petrolio al carburante nel serbatoio. Osservate le istruzioni per la miscelazione riportate dal produttore dello stabilizzatore. Non utilizzare stabilizzatori a base di alcol (etanolo o metanolo).
Note: Lo stabilizzatore/additivo del carburante è più efficace se viene utilizzato sempre insieme a carburante fresco.
Fate funzionare il motore per distribuire il carburante condizionato nell'impianto di alimentazione (5 minuti).
Spegnete il motore, lasciatelo raffreddare e spurgate i serbatoi carburante.
Avviate il motore e fatelo girare finché non si spegne.
Smaltite il carburante nel rispetto dell'ambiente. Riciclate il carburante nel rispetto delle leggi locali.
Important: Non conservate il carburante stabilizzato/condizionato per più di 90 giorni.
Rimuovete e verificate le condizioni della/e candela/e; fate riferimento a Manutenzione della candela. Con la candela (o candele) staccata dal motore, versate 30 ml (2 cucchiaiate) d'olio motore nel foro della candela. Attivate il motorino di avviamento elettrico per distribuire l'olio nel cilindro. Installate la/e candela/e. Non montate il cappellotto sulla candela (o candele).
Controllate e serrate tutti i bulloni, i dadi e le viti. Riparate o sostituite le parti danneggiate.
Ritoccate tutti i graffi e le superfici metalliche sverniciate. La vernice può essere ordinata al Centro di Assistenza autorizzato di zona.
Riponete la macchina in una rimessa o in un deposito pulito ed asciutto. Togliete la chiave dall'interruttore e tenetela fuori dalla portata dei bambini o di altri utenti non autorizzati. Coprite la macchina con un telo per proteggerla e mantenerla pulita.
Caricate completamente la batteria.
Lasciate riposare la batteria per 24 ore, quindi verificatene la tensione.
Note: Se la tensione della batteria è inferiore a 12,6 V, ripetete i passaggi 1 e 2.
Scollegate i cavi dalla batteria.
Controllate periodicamente la tensione per assicurarvi che sia pari o superiore a 12,4 V.
Note: Se la tensione della batteria è inferiore a 12,4 V, ripetete i passaggi 1 e 2.
Riponete la batteria in un luogo fresco e asciutto, in posizione verticale.
Non accatastate le batterie direttamente una sopra l'altra, a meno che non siano contenute in scatole.
Non accatastate più di 3 batterie (e soltanto 2 se le batterie sono di tipo commerciale).
Testate una batteria a liquido ogni 4-6 mesi e, se necessario, caricatela.
Testate e caricate sempre la batteria prima di installarla.
| Problem | Possible Cause | Corrective Action |
|---|---|---|
| Il serbatoio del carburante ha segni di cedimento o la macchina indica spesso l'esaurimento del carburante. |
|
|
| Il motore si surriscalda. |
|
|
| Il motorino di avviamento non si avvia. |
|
|
| Il motore non si avvia, ha difficoltà di avviamento o perde potenza. |
|
|
| Il motore perde potenza. |
|
|
| La trazione non funziona. |
|
|
| La macchina inizia a vibrare in modo insolito. |
|
|
| L’altezza di taglio è irregolare. |
|
|
| Le lame non girano. |
|
|
