| Vedlikeholdsintervall | Vedlikeholdsprosedyre |
|---|---|
| For hver bruk eller daglig |
|
Denne plentraktoren med roterende knivblader er beregnet på bruk av private boligeiere på private eiendommer. Den er hovedsakelig beregnet på å klippe gress på godt vedlikeholdte plener.
Les denne håndboken nøye, slik at du lærer å bruke og vedlikeholde produktet på riktig måte og unngår person- eller produktskade. Du har ansvar for å bruke produktet på en riktig og sikker måte.
Gå til www.Toro.com for materialer for produktsikkerhet og opplæring i bruk, og informasjon om tilbehør, hjelp til å finne en forhandler eller for å registrere produktet ditt.
Hvis maskinen må repareres, om du trenger originale Toro-deler eller mer informasjon, kan du kontakte et autorisert forhandlerverksted eller Toros kundeserviceavdeling. Ha modell- og serienummer for hånden når du tar kontakt. Figur 1 identifiserer plasseringen av modell- og serienummer på produktet. Skriv inn numrene i de tomme feltene.
Important: Du kan skanne QR-koden på serienummermerket (hvis det finnes) med den mobile enheten for å få tilgang til garantien, deler og annen produktinformasjon.

Noter produktets modell- og serienummer nedenfor:
I tillegg brukes to ord for å utheve informasjon. Viktig gjør oppmerksom på spesiell mekanisk informasjon og Obs henviser til generell informasjon som er verdt å huske.
Dette produktet er i samsvar med alle relevante europeiske direktiver. Se eget samsvarserklæringsskjema for produktet for detaljert informasjon.
Brutto- eller nettomoment: Motorens brutto- eller nettomoment ble beregnet i laboratorium av motorprodusenten i overensstemmelse med Society of Automotive Engineers (SAE) J1940 eller J2723. Når gresslippere i denne klassen er konfigurert til å overholde sikkerhets-, utslipps- og driftskrav, vil det faktiske dreiemomentet være betydelig lavere. Se motorprodusentens informasjon som følger med maskinen.
Gå til www.Toro.com for å se spesifikasjonene for din modell.
Important: Hvis du bruker en maskin med Toro-motor på et sted høyere enn 1500 m over havet i en lengre periode, må du sikre at høydesettet er montert, slik at motoren oppfyller CARB/EPA-utslippskrav. Høydesettet øker motorens ytelse og forhindrer tennpluggavleiring, startvansker og økt utslipp. Når du har montert settet, fest høydemerket ved siden av seriemerket på maskinen. Kontakt en autorisert Toro-serviceforhandler for å skaffe riktig høydesett og høydemerke for maskinen. For å finne en forhandler nær deg, gå til vårt nettsted på www.Toro.com, eller ta kontakt med Toros kundepleieavdeling på nummeret som er oppført i erklæringen om utslippskontrollgaranti.Fjern settet fra motoren, og gjenopprett motoren til sin opprinnelige fabrikkonfigurasjon når du kjører motoren ved høyder lavere enn 1500 m. Ikke bruk en motor som har blitt konvertert for bruk i høytliggende områder i lavtliggende områder, da dette kan overopphete og skade motoren.Hvis du er usikker på om maskinen har blitt konvertert til bruk i høytliggende områder, ser du etter følgende merke.

Denne maskinen har blitt designet i henhold til EN ISO-standard 5395:2013.
Denne sikkerhetsvarselsymbolet (Figur 3) brukes både i denne håndboken og på maskinen for å identifisere viktige sikkerhetsmeldinger som må følges for å unngå ulykker.
Dette symbolet betyr: OBS! VÆR OPPMERKSOM! DIN EGEN SIKKERHET ER INVOLVERT!

Varselsymbolet vises over informasjon som varsler deg om utrygge handlinger eller situasjoner og etterfølges av ordet FARE, ADVARSEL eller FORSIKTIG.
FARE: Indikerer en farlig situasjon som, hvis den ikke unngås, vil resultere i dødsfall eller alvorlig personskade.
ADVARSEL: Angir en potensielt farlig situasjon som, hvis den ikke unngås, kan resultere i dødsfall eller alvorlig personskade.
FORSIKTIG: Angir en potensielt farlig situasjon som, hvis den ikke unngås, kan resultere i mindre eller moderat skade.
Denne brukerhåndboken bruker i tillegg to ord til for å utheve informasjon. Viktig gjør oppmerksom på spesiell mekanisk informasjon og Merk henviser til generell informasjon som er verdt å huske.
Denne maskinen kan amputere hender og føtter og slynge gjenstander opp i luften. Toro har konstruert og testet denne gressklipperen for at den skal være rimelig sikker å bruke. Hvis du unnlater å følge sikkerhetsinstruksjonene, kan dette imidlertid føre til personskader eller dødsfall.
Les, forstå og følg alle instruksjoner og advarsler i brukerhåndboken og annet opplæringsmateriell, på maskinen, motoren og tilbehør. Alle operatører og mekanikere skal være opplært. Dersom fører eller mekaniker ikke forstår språket i denne bruksanvisningen, er det eierens ansvar å forklare dem dens innhold. Andre språk kan være tilgjengelig på nettstedet vårt.
Kun opplærte, ansvarlige og fysisk og mentalt egnede operatører som er kjent med sikker bruk, førerkontrollene, og sikkerhetsmerker og instruksjonene, skal bruke maskinen. Ikke la barn eller personer som ikke er opplært kjøre eller utføre vedlikehold på utstyret. Det kan hende at lokale forskrifter setter en aldersgrense for bruk av denne gressklipperen.
Maskinen må ikke brukes ved kanter grøfter, voller, vann eller andre farer, eller i skråninger på mer enn 15 grader.
Hold hender og føtter borte fra roterende deler på maskinen.
Maskinen må ikke brukes hvis verneplater, skydd eller deksler er defekte. Sikkerhetsvern, skydd, brytere og andre anordninger må alltid være på plass og i korrekt fungerende stand.
Stopp maskinen, slå av motoren og ta ut nøkkelen før du utfører service, fyller drivstoff på eller fjerner materiale fra maskinen.

![]() |
Sikkerhetsmerker og instruksjoner er lett synlige for føreren og er plassert i nærheten av alle områder som representerer en potensiell fare. Bytt ut alle merker som er ødelagte eller mangler. |




















Gjør deg kjent med alle kontrollene i Figur 6 og Figur 7 før du starter motoren og bruker maskinen.

Drivstoffmåleren viser hvor mye drivstoff det er i tanken (Figur 7).

Gassen kontrollerer motorhastigheten og den har en kontinuerlig variabel innstilling fra SAKTE til HURTIG (Figur 6).
Bruk chokekontrollen for å starte en kald motor.
Timemåleren registrerer antallet timer som motoren har vært i bruk. Den er i gang når motoren er i gang. Bruk tidene for å planlegge vanlig vedlikehold (Figur 6).
Bruk bevegelseskontrollspakene til å kjøre maskinen fremover, rygge og svinge i alle retninger (Figur 5).
Flytt bevegelseskontrollspakene utover fra midten til NøYTRAL, LåST stilling når du forlater maskinen (Figur 32). Sett alltid bevegelseskontrollspakene i NøYTRAL, LåST stillingen når du stanser maskinen eller lar den stå uten tilsyn.
Parkeringsbremsespaken er plassert på venstre side av konsollen (Figur 5). Bremsespaken aktiverer en parkeringsbrems på drivhjulene.
Du kobler inn parkeringsbremsen ved å dra spaken opp til den låses inn i sperresporet.
Du kobler ut parkeringsbremsen ved å dra spaken ut av sperresporet og mot deg, og deretter trykke den ned.
Fotpedalløftesystemet kan brukes til å løfte og senke klippeenheten mens du sitter på setet. Du kan bruke fotpedalen til å løfte klippeenheten midlertidig for å unngå hindringer, eller låse klippeenheten i høyeste klippehøydestilling eller transportstilling (Figur 5).
Spaken i Smart Speed™-kontrollsystemet, som befinner seg under driftsposisjon, gir deg valget mellom tre hastigheter å kjøre maskinen i – trimme, taue og klippe (Figur 5).
Bruk stikkontakten for å tilføre 12 V strøm til tilbehør (Figur 6).
Important: Når du ikke bruker 12 V-stikkontakten, sett inn gummipluggen for å unngå skade på stikkontakten.
Tenningsbryteren som brukes til å starte og stoppe motoren, har tre stillinger: AV, KJøR og START. Se Starte motoren.
Knivkontrollbryteren, representert av et kraftoverføringssymbol (PTO), aktiverer og deaktiverer strømmen til knivbladene (Figur 6).
Klippehøydespaken fungerer i samarbeid med fotpedalen for å låse klippeenheten i en spesifikk klippehøyde. Juster klippehøyden kun når maskinen ikke er i bevegelse (Figur 5).
Et utvalg av Toro-godkjent tilbehør som kan brukes sammen med maskinen for å forbedre og utvide dens funksjoner er tilgjengelig. Ta kontakt med en autorisert serviceforhandler eller Toro-forhandler, eller gå til www.Toro.com for å få en liste over godkjent tilbehør og utstyr.
For å oppnå optimal ytelse og holde maskinen i sikkerhetsgodkjent stand bruker du bare ekte Toro-reservedeler og -tilbehør. Reservedeler og tilbehør som er laget av andre produsenter kan være farlige, og de kan derfor føre til at garantien blir ugyldig.
Note: Angi hva som er høyre og venstre side på maskinen ved å stå i normal arbeidsstilling.
Vurder terrenget for å avgjøre hvilket tilbehør og utstyr som er nødvendig for å gjøre jobben på en sikker og riktig måte. Bruk tilbehør og utstyr som er godkjent av Toro.
Foreta en grundig inspeksjon der maskinen skal brukes, og fjern alle steiner, leker, pinner, vaiere, bein og andre gjenstander. Disse kan slynges ut eller forstyrrer driften av maskinen og kan forårsake personskader på føreren eller tilskuere.
Bruk passende personlig verneutstyr som vernebriller, kraftig, sklisikkert fottøy og hørselvern. Bind opp langt hår og unngå løse klær og løse smykker som kan sette seg fast i bevegelige deler.
Denne maskinen har en lydstyrke på over 85 dBA ved operatørens øre og kan føre til hørselsskade hvis du utsettes for denne lydstyrken i lengre perioder.
Bruk hørselsvern når du bruker denne maskinen.
Kontroller at brukerens kontroller, sikkerhetsbryterne og verneplatene er montert og virker riktig. Ikke bruk maskinen hvis disse ikke fungerer som de skal.
Ikke bruk gressklipperen mens folk – spesielt barn – eller dyr er i nærheten. Stopp maskinen og tilbehøret hvis noen kommer inn på området.
Ikke bruk maskinen uten at hele gressoppsamlingssystemet, utslippsavleder eller andre sikkerhetsanordninger sitter på plass og er i korrekt fungerende stand. Gressoppsamlerkomponenter er utsatt for skade og slitasje. Dette kan føre til at bevegelige deler avdekkes, eller at objekter slynges gjennom luften. Kontroller komponentene regelmessig for slitasje og skader, og skift dem ut med produsentens anbefalte deler ved behov.
Fyll drivstofftanken på flat mark. Se Drivstoffanbefalinger i delen Spesifikasjoner for ekstra informasjon om bensin.
Ikke bland olje i bensinen.
Ikke fyll for mye i drivstofftanken. Fyll drivstoff på tanken til nivået når opp til bunnen av påfyllingshalsen. Tomrommet i tanken gir bensinen plass til å utvide seg. For full tank kan føre til drivstofflekkasje eller skade på motoren eller utslippssystemet.
Påse at du forstår kontrollene, deres plassering, deres funksjoner og sikkerhetskrav.
Se kapittelet Vedlikehold, og utfør alle nødvendige inspeksjons- og vedlikeholdstrinn.
Vær svært forsiktig når du håndterer drivstoff.
Under visse forhold er bensin meget brannfarlig og og bensindamp høyeksplosiv.
En brann eller eksplosjon kan gi deg og andre i nærheten brannskader og forårsake skade på eiendom.
Fyll opp drivstofftanken på plan bakke utendørs på et åpent område når motoren er nedkjølt. Tørk opp eventuelt bensinsøl.
Fyll aldri på eller tøm drivstofftanken innendørs eller inni en lukket tilhenger.
Tanken må ikke fylles helt opp. Fyll drivstoff på tanken til nivået når opp til bunnen av påfyllingshalsen. Tomrommet i tanken gir bensinen plass til å utvide seg. For full tank kan føre til drivstofflekkasje eller skade på motoren eller utslippssystemet.
Røyk aldri mens du håndterer bensin, og hold deg unna åpen ild eller steder der bensingassen kan antennes av gnister.
Bensin må oppbevares på en godkjent kanne, utenfor barns rekkevidde.
Fyll på drivstoff før du starter motoren. Ta aldri lokket av drivstofftanken eller fyll drivstoff mens motoren går eller er varm.
Hvis du søler drivstoff, må du ikke prøve å starte motoren. Gå bort fra området med sølet, og unngå alle antenningskilder til all drivstoffdampen er forsvunnet.
Må ikke brukes uten at hele eksossystemet er på plass og i korrekt arbeidstilstand.
Under enkelte forhold ved fylling av drivstoff kan statisk elektrisitet utløses og føre til at gnister antenner bensindamp. En brann eller eksplosjon som er forårsaket av bensin kan brenne deg og andre og forårsake skade på eiendom.
Sett alltid bensinkannen på bakken i god avstand fra kjøretøyet før du fyller bensin.
Fyll ikke opp bensinkannen inne i et kjøretøy eller på en lastebil eller tilhenger, fordi tepper eller presenninger kan isolere kannen og hemme utladning av eventuell statisk elektrisitet.
Når dette lar seg gjøre, skal drivstoffdrevet utstyr tas ut av lastebilen eller tilhengeren og fylles med drivstoff mens hjulene står på bakken.
Hvis dette ikke lar seg gjøre, og maskinen må fylles med bensin mens den står på lastebilen, bør du bruke en bensinkanne til å fylle bensin i stedet for å fylle direkte fra bensinpumpen.
Hvis det er nødvendig å fylle bensin direkte fra pumpen, må påfyllingstuten være i kontakt med kanten på drivstofftanken eller kannens åpning helt til du er ferdig med å fylle. Bruk ikke påfyllingsanordningen som ikke er utstyrt med automatisk avbryterfunksjon.
Bensin kan føre til skader eller dødsfall hvis den svelges. Langvarig utsettelse for bensindamp har forårsaket kreft i forsøksdyr. Hvis du ikke er forsiktig, kan det føre til alvorlig skade eller sykdom.
Unngå innånding av damp fra drivstoff over lengre tid.
Hold ansiktet unna dyse og drivstofftank-/kanneåpning.
Hold unna øyne og hud.
Bruk aldri munnen for å heve bensin.
For å forhindre brann:
Hold motoren og motorområdet fritt for oppsamling av gress, løv, for mye fett eller olje og andre gjenstander som kan samle seg opp på disse områdene.
Tørk opp olje- eller drivstoffsøl, og fjern rester som er tilsølt av drivstoff.
La maskinen bli kald før den settes på et lukket sted. Ikke oppbevar nær åpen ild eller et innestengt område der det finnes åpne pilotflammer eller varmeapparater.
For best resultat bør du kun bruke ren, fersk (mindre enn 30 dager gammel) og blyfri bensin med oktankvalitet på 87 eller høyere (vurderingsmetode (R+M)/2).
Etanol: Bensin med opptil 10 % etanol (alkoholbensin) eller 15 % MTBE (metyltertiærbutyleter) i volum er akseptabelt. Etanol og MTBE er ikke det samme. Bensin med 15 % etanol (E15) i volum er ikke godkjent for bruk. Ikke bruk bensin som inneholder mer enn 10 % etanol i volum, som f.eks. E15 (inneholder 15 % etanol), E20 (inneholder 20 % etanol) eller E85 (inneholder opptil 85 % etanol). Bruk av bensin som ikke er godkjent kan forårsake problemer og/eller motorskade som kanskje ikke dekkes av garanti.
Ikke bruk metanolholdig bensin.
Ikke oppbevar drivstoff i drivstofftanken eller i drivstoffbeholdere over vinteren, med mindre du bruker drivstoffstabilisator.
Ikke bland olje i bensinen.
Bruk drivstoffstabiliserings-/kondisjoneringsmiddel i maskinen til enhver tid for å holde drivstoffet ferskt lenger under bruk, som anvist av produsenten for drivstoffstabiliseringsmiddelet.
Important: Ikke bruk tilsettingsmidler som inneholder metanol eller etanol i drivstoffet.
Tilsett mengden drivstoffstabiliserings-/kondisjoneringsmiddel i ferskt drivstoff som anvist av produsenten for drivstoffstabiliseringsmiddelet.
Parker maskinen på en jevn flate.
Sett på parkeringsbremsen.
Slå av motoren og ta ut nøkkelen.
Rengjør rundt drivstofflokket.
Fyll drivstofftanken til drivstoffmåleren vises ved Full-merket (Figur 8).
Note: Tanken må ikke fylles helt opp. Dette tomrommet i tanken gir drivstoffet plass til å utvide seg.

Før du starter maskinen hver dag, må du utføre prosedyrene for hver bruk / daglige prosedyrer, som angitt i .
Nye motorer trenger tid til å utvikle full styrke. Klippeenheter og drivverk har høyere friksjon når de er nye, som fører til ekstra belastning på motoren. Beregn 40 til 50 timers innkjøringstid slik at nye maskiner kan utvikle full styrke og best mulig ytelse.
Hvis sikkerhetssperrebryterne blir frakoblet eller skadet, kan det hende at maskinen virker på en uventet måte som forårsaker personskader.
Ikke rør sperrebryterne.
Sjekk sperrebryterne daglig, og bytt ut ødelagte brytere før du bruker maskinen.
Sikkerhetssperresystemet er konstruert slik at det forhindrer motoren i å starte, hvis ikke:
Knivkontrollbryteren (kraftoverføring) er utkoblet.
Bevegelseskontrollspakene står i NøYTRAL, LåST stilling.
Parkeringsbremsen er tilkoblet.
Sikkerhetssperresystemet stanser også motoren når kontrollspakene ikke står i NøYTRAL, LåST stilling og du reiser deg fra setet.
| Vedlikeholdsintervall | Vedlikeholdsprosedyre |
|---|---|
| For hver bruk eller daglig |
|
Sikkerhetssperresystemet må testes hver gang maskinen skal brukes. Hvis systemet ikke fungerer slik som beskrevet nedenfor, må du be et autorisert forhandlerverksted om å reparere det omgående.
Sitt på setet, aktiver parkeringsbremsen og flytt knivkontrollbryteren (kraftuttak) til På-stillingen. Prøv å starte motoren – motoren skal ikke starte.
Sitt på setet, aktiver parkeringsbremsen og flytt knivkontrollbryteren (kraftuttak) til AV-stillingen. Flytt en av bevegelseskontrollspakene (ut av NøYTRAL, LåST posisjon). Prøv å starte motoren – motoren skal ikke sveiv. Gjenta for den andre kontrollspaken.
Sitt på setet, aktiver parkeringsbremsen, flytt knivkontrollbryteren (kraftuttak) til stillingen AV, og lås bevegelseskontrollspakene i NøYTRAL, LåST stilling. Start motoren. Frigjør parkeringsbremsen, aktiver knivkontrollbryteren (kraftuttak) og reis deg litt opp fra setet mens motoren er i gang. Motoren skal stoppe.
Sitt på setet, aktiver parkeringsbremsen, flytt knivkontrollbryteren (kraftuttak) til stillingen AV, og lås bevegelseskontrollspakene i NøYTRAL, LåST stilling. Start motoren. Flytt bevegelseskontrollspakene til den midtre, frie stillingen og beveg én av dem forover eller bakover mens motoren går. Motoren skal stoppe. Gjenta for den andre bevegelseskontrollspaken.
Sitt på setet, deaktiver parkeringsbremsen, flytt knivkontrollbryteren (kraftuttak) til stillingen AV, og lås bevegelseskontrollspakene i NøYTRAL, LåST stilling. Prøv å starte motoren – motoren skal ikke starte.
Setet kan beveges både forover og bakover. Juster setet til en stilling som er behagelig for deg, og som gir deg best mulig kontroll over maskinen (Figur 9).

MyRide™-opphengssystemet kan justeres slik at kjøreturen er jevn og komfortabel. Du kan justere de to bakre støtdemperenhetene for å endre opphengsystemet på en rask og enkel måte. Plasser opphengsystemet der du er mest komfortabel.
Sporene for de bakre støtdemperenhetene har stoppeposisjoner for referanse. Du kan plassere de bakre støtdemperenhetene hvor som helst i sporet, ikke bare i stoppeposisjonene.
Illustrasjonen under viser posisjonen for myk eller hard kjøring og ulike stoppeposisjoner (Figur 10).

Note: Påse at venstre og høyre bakre støtdemperenhet alltid er justert til samme posisjoner.
Juster de bakre støtdemperenhetene (Figur 11).


Du kan justere bevegelseskontrollspakene høyere eller lavere for maksimal komfort (Figur 12).

Du kan justere bevegelseskontrollspakene fremover eller bakover slik at de er behagelig plassert.
Løsne den øvre bolten som fester kontrollspaken til kontrollarmstaget.
Løsne den nedre bolten akkurat nok til å dreie kontrollspaken frem- eller bakover (Figur 12).
Stram til begge boltene for å sikre kontrollspaken i den nye posisjonen.
Gjenta justeringen for den andre kontrollspaken.
Klippeenheten og knivene som leveres med maskinen, ble utformet for optimal kvern- og sideutslippytelse.
Monter festene i samme hull i klippeenheten som de opprinnelig ble fjernet fra. Dette sikrer at ingen hull står åpne når du bruker klippeenheten.
Åpne hull på gressklipperen utsetter deg og andre for utslynging av gjenstander som kan føre til alvorlige skader.
Bruk aldri maskinen uten at delene er montert i alle hullene i klippeenheten.
Monter delene i monteringshullene når du fjerner kvernskjermen.
Parker maskinen på en jevn overflate, koble fra knivkontrollbryteren, og sett på parkeringsbremsen.
Før du forlater førerplassen må du slå av motoren, ta ut nøkkelen og vente til alle bevegelige deler står stille.
Fjern klippeenheten. Se Demontere klippeenheten.
Fjern de to låsemutterne (5/16 tomme) som er festet til de sveisede tappene på den venstre skjermen oppå klippeenheten i midtre og til venstre for midtre,stilling (Figur 13).

Fjern låseskruen og låsemutteren på sideveggen av gressklipperen som fester den venstre skjermen til klippeenheten.
Fjern den venstre skjermen fra klippeenheten som vist i Figur 13.
Fjern de to låseboltene (5/16 x ¾ tomme) og to låsemutterne (5/16 tomme) som fester den høyre skjermen og skjermvernet til klippeenheten (Figur 14).

Fjern de to låsemutterne (5/16 tomme) som fester de sveisede tappene på den høyre skjermen til toppen av klippeenheten i midtre og høyre for midtre stilling (Figur 15).
Note: Fjern den høyre skjermen fra klippeenheten.

Finn kantskjermen i monteringssettposen, og fjern festene i de bakre hullene på utslippsplaten (Figur 16).

Monter skjermen på sideutslippsåpningen på klippeenheten.
Bruk festene du fjernet tidligere, for å feste kantskjermen til klippeenheten.
Monter klippeenheten. Se Montere klippeenheten.
Parker maskinen på en jevn overflate, koble fra knivkontrollbryteren, og sett på parkeringsbremsen.
Før du forlater førerplassen må du slå av motoren, ta ut nøkkelen og vente til alle bevegelige deler står stille.
Fjern klippeenheten. Se Demontere klippeenheten.
Fjern de tre låsemutterne (5/16 tomme) som er festet til de sveisede tappene på den venstre skjermen oppå klippeenheten i midtre, til venstre for midtre og venstre stilling (Figur 17).

Fjern låseskruen og låsemutteren på sideveggen av gressklipperen som fester den venstre skjermen til klippeenheten (Figur 17).
Fjern den venstre skjermen fra klippeenheten (Figur 17).
Finn de to boltene i monteringssettet og bruk de eksisterende låsemutterne til å montere disse festene i hullene som vist i Figur 17 på klippeenheten, for å forhindre at rusk slynges ut.
Note: Monter bolten oppover, gjennom undersiden av klippeenheten, og bruk en eksisterende låsemutter til å feste den fra oversiden.
Fjern låsebolten (5/16 x ¾ tomme) og låsemutteren (5/16 tomme) på bakveggen av klippeenheten som fester skjermen til klippeenheten (Figur 18).

Finn skjermvernet på den fremre kanten av sideutslippsåpningen (Figur 18).
Fjern festene som fester skjermvernet og den høyre skjermen til klippeenheten (Figur 18).
Note: Fjern skjermvernet, og behold alle festene.
Fjern de to låsemutterne (5/16 tomme) som fester de sveisede tappene på den høyre skjermen til toppen av klippeenheten i midtre og høyre for midtre stilling (Figur 19).

Fjern låseskruen og låsemutteren som fester den høyre skjermen til toppen av klippeenheten, og fjern den høyre skjermen fra klippeenheten (Figur 19).
Monter festene du fjernet tidligere i de fremre hullene i utslippsplaten og fremover hull i klippeenheten (Figur 18).
Finn kantskjermen i monteringssettposen, fjern festene i de bakre hullene på utslippsplaten og monter skjermen på åpningen på sideutslippet på klippeenheten (Figur 20).

Bruk festene du fjernet tidligere, for å feste kantskjermen til klippeenheten.
Monter klippeenheten. Se Montere klippeenheten.
Operatøren må være fullt oppmerksom når maskinen er i bruk. Ikke hold på med i aktiviteter som forårsaker distraksjoner, da dette kan føre til personskade eller materiell skade.
Under driften blir motordeler, særlig lyddemperen, svært varme. Det kan oppstå alvorlig forbrenning ved kontakt, og rusk, som løv, gress, børsterester osv., kan ta fyr.
La motordeler, særlig lyddemperen, kjøle seg ned før du rører den.
Fjern oppsamlet rusk fra lyddemperen og motorområdet.
Motoreksos inneholder karbonmonoksid, som er en dødelig gift uten lukt.
Ikke kjør motoren innendørs eller i et lite avlukket område der giftig kullos kan samle seg.
Eieren/brukeren kan forhindre og er ansvarlig for ulykker eller skader som han/hun, andre personer eller eiendom utsettes for.
Denne gressklipperen ble utformet kun for én operatør. Ikke ta med passasjerer, og hold alle andre på avstand fra maskinen under drift.
Ikke bruk maskinen når du er syk, trett eller påvirket av alkohol eller andre rusmidler.
Kjøretøyet må bare brukes i dagslys eller der det er god kunstig belysning.
Lynnedslag kan forårsake alvorlige personskader eller dødsfall. Hvis du ser/hører at lyn og tordenvær nærmer seg der du er, må du ikke bruke maskinen. Søk tilflukt!
Vær svært forsiktig når du bruker maskinen med tilbehør eller ekstrautstyr, som for eksempel gressoppsamlingssystemer. Disse kan endre maskinens stabilitet og føre til tap av kontroll. Følg anvisningene for motvekter om nødvendig.
Styr unna hull, hjulspor, ujevnheter, steiner og andre skjulte farer. Vær forsiktig når du nærmer deg hjørner, busker, trær eller annet som kan skjule gjenstander eller reduserer synsfeltet. Ujevnt terreng kan velte maskinen eller forårsake at føreren miste balansen eller fotfestet.
Påse at alle drev står i nøytral og at parkeringsbremsen er aktivert før du starter motoren.
Start motoren forsiktig i henhold til instruksjonene og med føttene i god avstand fra kniven(e).
Gressklipperen må ikke brukes hvis verneplater, skydd eller deksler er defekte. Sikkerhetsvern, skydd, brytere og andre anordninger må alltid være på plass og i korrekt fungerende stand.
Hold deg unna åpningen på utløpssjakten til enhver tid. Klipp aldri med utløpsluken hevet, fjernet eller endret uten at det er en gressoppsamler eller løvkvernesett på plass og at det fungerer korrekt.
Hold hender og føtter borte fra bevegelige deler. Du må aldri foreta justeringer mens motoren går hvis du kan unngå det.
Hender, føtter, hår, klær, eller tilbehør kan bli viklet inn i roterende deler. Kontakt med roterende deler kan forårsake traumatisk amputasjon eller alvorlige sårskader.
Ikke bruk maskinen uten at vern, deksler og sikkerhetsanordninger er på plass og fungerer korrekt.
Hold hender, føtter, hår, smykker eller klær borte fra roterende deler.
Du må aldri heve klippeenhetene mens knivene går rundt.
Vær oppmerksom på banen til gressklipperens utløpsområde og rett utslipp bort fra andre. Unngå utslipp av materiale mot en vegg eller hindring, da materialet kan rikosjettere tilbake mot operatøren. Stopp kniven, sakk farten og utvis forsiktighet når du krysser andre overflater enn gress, og ved transport av gressklipperen til og fra området som skal klippes.
Vær oppmerksom, sett ned farten og vær forsiktig når du svinger. Se bakover og til siden før du skifter retning. Bruk aldri gressklipperen under rygging hvis det ikke er absolutt nødvendig.
Innstillingen av motorregulatoren må ikke forandres, og motoren må ikke ruses.
Parker maskinen på en jevn flate. Stopp motoren, vent til alle bevegelige deler stanser og fjern tennpluggledning(e).
før du sjekker, rengjør eller utfører arbeid på gressklipperen
hvis du har truffet en gjenstand eller det oppstår unormal vibrasjon (undersøk om gressklipperen ble skadet, og reparer den før du starter og bruker utstyret)
før du fjerner eventuelle tilstoppinger
når du går ifra gressklipperen La aldri maskinen stå uten tilsyn når den er i gang.
Vent til alle bevegelige deler har stanset:
før du fyller drivstoff
før du tar av gressoppsamleren
før du foretar høydejusteringer
Det kan oppstå tragiske ulykker hvis brukeren ikke er oppmerksom på barn som er i nærheten. Barn blir ofte nysgjerrige på maskinen og klippingen. Ikke anta at barn blir værende der du så dem sist.
Hold barn borte fra området som klippes, og under oppsyn av en annen ansvarlig voksen (ikke føreren).
Vær oppmerksom på omgivelsene, og slå av maskinen hvis barn kommer inn på området.
Se alltid bakover, ned og til hver side før og mens du rygger eller svinger for å kontrollere at det ikke er barn i veien.
Utstyret er ikke tillatt for barn.
Ikke frakt barn på maskinen, selv om knivene er stoppet. Barn kan falle ned og bli påført alvorlige skader eller være til hinder for trygg drift av maskinen. Barn som har fått lov til å sitte på tidligere, kan plutselig komme inn på området der du arbeider for å sitte på, og kan bli overkjørt eller rygget over av maskinen.
Skråninger er en ledende årsak til tap av kontroll og velting. Dette kan føre til alvorlige skader eller dødsfall. Føreren har ansvar for sikker bruk i skråninger. Bruk av maskinen i skråninger krever ekstra forsiktighet. Før maskinen brukes i en skråning, må operatøren:
Les og forstå instruksjonene for bruk i skråninger i denne brukerhåndboken og på maskinen.
Bruk en vinkelindikator til å fastslå den omtrentlige helningsvinkelen på området.
Kjøretøyet må ikke brukes i skråninger på mer enn 15 grader.
Vurder forholdene på stedet på dagen for å avgjøre om det er trygt å bruke maskinen i skråningen. Bruk alltid sunn fornuft og god dømmekraft når du utfører denne kontrollen. Endringer i terrenget, som for eksempel fuktighet, kan påvirke bruken av maskinen i skråninger.
Identifiser farer ved bunnen av skråningen. Maskinen må ikke brukes ved kanter, grøfter, voller, vann eller andre farer. Maskinen kan velte hvis et hjul går over kanten eller hvis kanten gir etter. Hold en sikker avstand (to ganger maskinens bredde) mellom maskinen og eventuelle farer. Bruk en skyvegressklipper eller en håndtrimmer for å klippe gresset i disse områdene.

Unngå å starte, stoppe eller snu maskinen i skråninger. Ikke foreta brå endringer i hastighet eller retning. Sving forsiktig og gradvis.
Ikke bruk en maskin i omstendigheter hvor trekkraften, styringen eller stabiliteten er i tvil. Vær oppmerksom på at maskinen kan den begynne å gli dersom den brukes på vått gress, på tvers av skråninger eller i nedoverbakker. Hvis drivhjulene mister taket, kan det føre til at maskinen sklir og at bremse- og styringsevnen reduseres. Maskinen kan gli selv om drivhjulene er stanset.
Fjern eller marker hindringer som grøfter, hull, hjulspor, ujevnheter, steiner eller andre skjulte gjenstander. Gjenstander kan ligge skjult i høyt gress. Maskinen kan velte i ujevnt terreng.
Vær svært forsiktig når du bruker maskinen med tilbehør eller ekstrautstyr, som for eksempel gressoppsamlingssystemer. Disse kan endre maskinens stabilitet og føre til tap av kontroll. Følg anvisningene for motvekter.
Hvis det lar seg gjøre, hold klippeenheten senket til bakken mens du bruker maskinen i skråninger. Hvis du hever klippeenheten mens du kjører i skråninger, kan det føre til at maskinen blir ustabil.
Bruk klippeenheten som et trinn for å ta plass i førersetet (Figur 22).

Parkeringsbremsen må alltid settes på når du stopper eller forlater maskinen.
Parker maskinen på en jevn flate.

Du kobler ut parkeringsbremsen ved å dra spaken ut av sperresporet og mot deg, og deretter trykke den ned (Figur 24).


Du kan flytte gasskontrollen mellom HURTIG- og LANGSOM-stillingene (Figur 28).
Bruk alltid HURTIG-stillingen når du aktiverer kraftuttaket.

Bruk choken til å starte en kald motor.
Vri nøkkelen til START-stillingen (Figur 30).
Note: Slipp nøkkelen straks motoren starter.
Important: Ikke aktiver startmotoren i mer enn 5 sekunder om gangen. Hvis motoren ikke vil starte, vent 10 sekunder mellom startforsøkene. Hvis du ikke følger disse instruksjonene, kan startmotoren bli ødelagt.
Note: Det kan være nødvendig med flere forsøk før du kan starte motoren igjen første gang etter at drivstoffsystemet har vært helt tomt for drivstoff.

Stopp motoren ved å vri nøkkelen til STOPP-stilling.
Note: En varm motor trenger kanskje ikke choke.
Important: Ikke hold tenningsnøkkelen vridd rundt i mer enn 5 sekunder om gangen. Hvis du starter startmotoren i mer enn fem sekunder, kan det føre til skade på startmotoren. Hvis motoren ikke starter, må du vente i ti sekunder før du bruker motorstarteren igjen.

Deaktiver knivene ved å flytte knivkontrollbryteren til AV-stillingen (Figur 27).
Sett på parkeringsbremsen. Se (Sette på parkeringsbremsen).
Sett gasspaken i HURTIG-stillingen.
Vri tenningsnøkkelen til AV-posisjonen, og ta ut nøkkelen.
Barn og andre personer kan skades hvis de flytter på eller prøver å kjøre maskinen uten oppsyn.
Ta alltid ut tenningsnøkkelen og sett på parkeringsbremsen når du forlater maskinen.

Hjulene ruller uavhengig av hverandre, drevet av hydraulikkmotorer på hver aksel. Du kan sette én side i revers mens du kjører hjulene på den andre siden forover, noe som gjør at maskinen begynner å rotere i stedet for å snu. Dette gjør maskinen langt bedre å manøvrere, men det kan kreve litt tid å bli vant til hvordan den beveger seg.
Gasskontrollen regulerer omdreiningstallet (o/min – omdreininger per minutt). Sett gasskontrollen i HURTIG-stillingen for best ytelse. Arbeid alltid med maksimal gass.
Maskinen kan rotere svært hurtig. Du kan miste kontroll over maskinen og forårsake personskade eller skade på maskinen.
Vær forsiktig når du svinger.
Reduser hastigheten før du foretar skarpe svinger.
Note: Motoren stenges av dersom bevegelseskontrollspakene beveges når parkeringsbremsen er på.
Du kan stoppe maskinen ved å sette bevegelseskontrollspakene i FRI-stillingen.
Koble fra parkeringsbremsen. Se Koble fra parkeringsbremsen.
Flytt spakene til den midtre, frie stillingen.
Skyv bevegelsekontrollspakene forsiktig forover for å gå fremover (Figur 33).

Flytt spakene til den midtre, frie stillingen.
Skyv bevegelseskontrollspakene forsiktig bakover for å gå bakover (Figur 34).

Spaken i Smart SpeedTM-kontrollsystemet, som befinner seg under driftsposisjon (Figur 35), gir føreren valget mellom tre bakkehastigheter å kjøre maskinen i – trimme, taue og klippe.

Slik endrer du hastigheten:
Sett bevegelseskontrollspakene i fri og utover til NøYTRAL, LåST stilling.
Koble fra knivkontrollbryteren.
Sett spaken i ønsket stilling.
Det følgende er kun anbefalinger for bruk. Justeringene varierer etter gresstype, fuktinnhold og høyde på gresset.
| Anbefalt bruk: | Stykke | Taue | Klipping |
| Parkering | X | ||
| Tungt, vått gress | X | ||
| Opplæring | X | ||
| Oppsamling | X | ||
| Kverning | X | ||
| Normal klipping | X | ||
| Flytte maskinen | X |
Stykke
Dette er den laveste hastigheten. Anbefalt bruk for denne hastigheten er som følger:
Parkering
Klippeforhold med tungt, vått gress
Opplæring
Taue
Dette er den mellomste hastigheten. Anbefalt bruk for denne hastigheten er som følger:
Oppsamling
Kverning
Klipping
Dette er den raskeste hastigheten. Anbefalt bruk for denne hastigheten er som følger:
Normal klipping
Flytte maskinen
Spaken i Smart SpeedTM-kontrollsystemet, som befinner seg under driftsposisjon (Figur 36), gir føreren valget mellom tre bakkehastigheter å kjøre maskinen i – trimme, taue og klippe.

Slik endrer du hastigheten:
Sett bevegelseskontrollspakene i fri og utover til PARKERINGSSTILLINGEN.
Koble fra knivkontrollbryteren.
Sett spaken i ønsket stilling.
Det følgende er kun anbefalinger for bruk. Justeringene varierer etter gresstype, fuktinnhold og høyde på gresset.
| Anbefalt bruk: | Stykke | Taue | Klipping |
| Parkering | X | ||
| Tungt, vått gress | X | ||
| Opplæring | X | ||
| Trimme gress | X | ||
| Oppsamling | X | ||
| Kverning | X | ||
| Slepetilbehør | X | ||
| Normal klipping | X | ||
| Flytte maskinen | X |
Stykke
Dette er den laveste hastigheten. Anbefalt bruk for denne hastigheten er som følger:
Parkering
Klippeforhold med tungt, vått gress
Opplæring
Trimme gress
Taue
Dette er den mellomste hastigheten. Anbefalt bruk for denne hastigheten er som følger:
Oppsamling
Kverning
Slepetilbehør
Klipping
Dette er den raskeste hastigheten. Anbefalt bruk for denne hastigheten er som følger:
Normal klipping
Flytte maskinen
Gressklipperen har en gressavleder med hengsler som sprer det klipte gresset ut fra siden og ned mot bakken.
Hvis ikke gressavlederen, utslippsdekselet eller hele gressoppsamleren sitter på plass, vil du selv eller andre risikere å komme i kontakt med kniven eller gjenstander som blir slengt opp i luften. Kontakt med gressklipperkniver som roterer og gjenstander som slynges opp i luften, kan føre til at noen blir alvorlig skadet eller drept.
Fjern aldri gressavlederen fra klippeenheten fordi gressavlederen leder materiale ned mot bakken. Hvis gressavlederen blir skadet, må den skiftes ut omgående.
Hold hender og føtter borte fra undersiden av gressklipperenheten.
Prøv aldri å rengjøre utslippsområdet eller gressklipperknivene uten at du flytter knivkontrollbryteren (kraftuttaket) til AV-stillingen, vrir tenningsnøkkelen til AV-stillingen og tar ut nøkkelen.
Påse at gressavlederen er i den nedre stillingen.
Maskinen er utstyrt med et fotpedalløftesystem for klippeenhet. Du kan bruke fotpedalen til å løfte klippeenheten midlertidig for å unngå hindringer, eller låse klippeenheten i høyeste klippehøydestilling eller transportstilling. Du kan bruke klippehøydespaken sammen med fotpedalen for å låse klippeenheten i en spesifikk klippehøyde.
Du kan justere klippehøyden i trinn på 6 mm, fra 38 til 114 mm, ved å flytte klippehøydepinnen til forskjellige hull.
Trykk på løftepedalen for klippeenheten for å heve denne til transportstillingen (samme som klippehøydestilling 114 mm) som vist i Figur 38.
For å justere fjerner du bolten fra klippehøydebraketten (Figur 38).
Velg det hullet i klippehøydesystemet som svarer til ønsket klippehøyde, og sett inn pinnen (Figur 38).
Trykk på fotpedalen for å løfte klippeenheten og dra håndtaket bakover for å deaktivere transportlåsen (Figur 37).
Senk klippeenheten langsomt ned spaken kommer i kontakt med pinnen.

Når du endrer på klippehøyden, juster høyden på antiskalperingsvalsene.
Note: Juster antiskalperingsvalsene slik at valsene ikke berører bakken på normale, flate klippeområder.
Parker maskinen på en jevn overflate, koble fra knivkontrollbryteren, og sett på parkeringsbremsen. Se Sette på parkeringsbremsen.
Før du forlater førerplassen må du slå av motoren, ta ut nøkkelen og vente til alle bevegelige deler står stille.
Juster antiskalperingsvalsene som vist i Figur 39.

Bruk kun tilbehør og utstyr godkjent av Toro.
Hvis du fester en bøtte til motorvernet, må du bruke en stropp for å sikre den.
Important: Bøttens vekt kan endre stabiliteten til maskinen. Hvis du frakter mer enn vekten som er angitt nedenfor, i en bøtte festet til motorvernet, bør du utstyre maskinen med et bøttestøttesett.
Ta kontakt med en autorisert serviceforhandler.
| Modell | Maksimal vekt per bøtte uten bøttestøttesett |
| 122 cm klippeenhet | 1,1 kg |
| 137 cm klippeenhet | 1,1 kg |
| 152 cm klippeenhet | 4,5 kg |
For best plenklipping og maksimal luftsirkulasjon, kjører du motoren i HURTIGSTILLINGEN. Luft er nødvendig for at gresset skal klippes grundig. Klippehøyden må derfor ikke være så lav at klippeenheten er omgitt av uklippet gress. Forsøk alltid å holde den ene siden av klippeenheten unna uklippet gress. Luften kan da trekkes inn i klippeenheten.
Klipp gresset litt lengre enn vanlig for å sikre at klippeenheten ikke skalperer ujevne områder. Klippehøyden som ble brukt tidligere er som regel den beste å bruke. Hvis gresset som klippes er lengre enn 15 cm, kan det være lurt å klippe plenen to ganger for å få et bedre resultat.
Det er best å bare klippe en tredjedel av gressets lengde. Kortere klipping anbefales ikke, bortsett fra hvis gresset er glissent eller det er sent på høsten og gresset vokser saktere.
Dersom du veksler på klipperetningen, holder gresset seg oppreist. Dette bidrar også til å spre det klipte gresset, noe som gir bedre nedbryting og gjødsling.
Gress vokser med varierende hastighet til forskjellige tider på året. For å opprettholde samme klippehøyde, må du klippe gresset oftere tidlig på våren. Midt på sommeren begynner det å vokse saktere, derfor trenger du ikke å klippe det så ofte da. Hvis du er ute av stand til å klippe plenen i en lengre periode, klipper du først med en høy klippehøyde. Vent i 2 dager, og klipp deretter på nytt med en lavere høyde.
Hvis du ønsker forbedret klippekvalitet, kan du redusere bakkehastigheten.
Når du klipper ujevnt, hev klippehøyden for å unngå skalpering av gresset.
Hvis maskinens bevegelse forover må stoppes under klippingen, kan det falle en gressklump ned på plenen. Gå til et tidligere klippet område med knivene koblet inn eller koble ut klippeenheten mens du beveger deg framover for å unngå dette.
Fjern gressrester og skitt fra klippeenhetens underside etter hver bruk. Hvis det er et tykt belegg av gress og smuss under klippeenheten, vil klipperesultatet bli dårlig.
Sørg for å holde kniven skarp hele klippesesongen, fordi en skarp kniv klipper gresset uten å slite av eller frynse gresstråene. Gress som er blitt slitt av eller frynset, vil bli brunt i kantene, noe som vil sinke veksten og øke sykdomsfaren. Sjekk at knivene på klipperen er skarpe og ikke slitte eller ødelagte etter bruk. Fil ned eventuelle hakk og kvess knivene etter behov. Hvis en kniv er ødelagt eller slitt må du straks bytte den ut med en original Toro-kniv.
Parker maskinen på flat mark, koble fra drivverkene, sett på parkeringsbremsen, stopp motoren, ta ut nøkkelen eller koble fra tennpluggledningen. Vent til alle bevegelige deler har stoppet og la maskinen kjøle seg ned før du justerer, rengjør, setter den til oppbevaring eller reparerer den. La aldri personell uten opplæring vedlikeholde maskinen.
Rengjør maskinen som angitt i kapittelet Vedlikehold. Hold motoren og motorområdet fritt for oppsamling av gress, løv, for mye fett eller olje og andre gjenstander som kan samle seg opp på disse områdene. Disse stoffene kan bli brennbare og kan føre til brann.
Sjekk ofte for slitte eller forringede komponenter som kan utgjøre en risiko. Stram løse monteringsdeler godt til.
Bruk en kraftig tilhenger eller lastebil for å transportere maskinen. Sikre at tilhengeren eller lastebilen har all nødvendig opplysning og markering som kreves ved lov. Les alle sikkerhetsinstruksjoner nøye. Denne informasjonen kan hjelpe deg, din familie, kjæledyr eller andre i nærheten med å unngå ulykker.
For å transportere maskinen:
Aktiver parkeringsbremsen og blokker hjulene.
Påse at stengeventilen for drivstoffet er stengt.
Fest maskinen godt til tilhengeren eller lastebilen med stropper, kjetting, kabel eller tau. Bruk bare de fire angitte festepunktene på klippeenheten – to både på venstre og høyre side (Figur 40). Bruk disse stedene selv når du transporterer gressklipperen med et tilknyttet tilbehør. Bruk av andre steder enn de som er angitt, kan skade gressklipperen og/eller tilbehøret.

Sikre tilhengeren til tauingskjøretøyet med sikkerhetskjettinger.
Å kjøre i trafikken uten blinklys, lys, reflekser eller merking for saktegående kjøretøy er farlig og kan føre til ulykker som igjen forårsaker personskader.
Ikke bruk maskinen på offentlige veier.
Vær svært forsiktig når du laster på eller av maskinen på en tilhenger eller lastebil. Bruk en rampe som er bredere enn maskinen for denne prosedyren. Rygg opp på ramper og kjør forover ned ramper (Figur 41).

Important: Ikke bruk smale individuelle ramper for hver side av maskinen.
Sikre at rampen er lang nok slik at vinkelen med bakken ikke overskrider 15 grader (Figur 41). På flatt underlag krever dette at rampen er minst fire ganger (4x) så lang som høyden til tilhengeren eller lasteplanet i forhold til bakken. En brattere vinkel kan forårsake at deler på maskinen setter seg fast mens enheten beveges fra rampen til tilhengeren eller lastebilen. Brattere vinkler kan også føre til at maskinen velter eller mister kontrollen. Hvis du laster i nærheten av en skråning, plasser tilhengeren eller lastebilen nedover skråningen og rampen oppover. På denne måten minimeres rampevinkelen.
Lasting av maskinen på en tilhenger eller lastebil øker muligheten for at den velter og kan føre til alvorlig skader eller dødsulykker.
Vær svært forsiktig når du kjører maskinen på en rampe.
Bruk en rampe med full bredde. Ikke bruk individuelle ramper for hver side av maskinen.
Ikke overgå en 15 graders vinkel mellom rampen og bakken eller mellom rampen og tilhengeren eller lastbilen.
Påse at rampen er minst fire ganger (4x) så lang som høyden til tilhengeren eller lasteplanet i forhold til bakken. Dette sikrer at rampevinkelen ikke overskrider 15 grader på flatt underlag.
Rygg opp på ramper og kjør forover ned ramper.
Unngå plutselig akselerasjon eller bremsing mens du kjører maskinen på en rampe da det kan føre til tap av kontroll eller en situasjon der maskinen velter.

Ikke fest utstyr som skal taues i annet enn denne koblingen.
Følg anbefalingene fra tilbehørsprodusenten for vektgrenser for taueutstyr og tauing i skråninger. Tauet vekt må ikke overskride vekten til maskinen, føreren og ballasten, eller det kan oppstå svikt i det hydrostatiske drivverket. Bruk motvekter eller hjulvekter som beskrevet i vedlagte brukerhåndbok fra produsenten.
Ikke la barn eller andre få lov til å sitte i eller på utstyr som taues.
I skråninger kan vekten på utstyret som taues medføre økt risiko for velting, samt at man mister både trekkraft og kontroll. Redusert vekten som taues og reduser farten.
Bremseavstanden øker i takt med vekten til lasten som taues. Kjør sakte, og beregn ekstra avstand for å kunne stoppe.
Ta slake svinger for å holde tilbehøret klar av maskinen.
Important: Skyv alltid maskinen for hånd. Tau aldri maskinen, da dette kan føre til skade.
Denne maskinen har en elektrisk bremsemekanisme. For å skyve maskinen må tenningsnøkkelen stå i KJøR-stillingen. Batteriet må være oppladet og i god stand for at den elektriske bremsen skal kunne deaktiveres.
Sett maskinen på en jevn flate og koble fra knivkontrollbryteren.
Før du forlater førersetet, må du aktivere parkeringsbremsen, slå av motoren, og vente til alle bevegelige deler har sluttet å bevege seg.
Finn omløpsspakene på rammen på begge sidene av motoren.
Flytt omløpsspakene forover gjennom nøkkelhullet og ned for å låse dem i denne stillingen Figur 43.
Note: Gjenta dette for hver spak.
Koble fra parkeringsbremsen.
Note: Ikke start maskinen.

Sett på parkeringsbremsen når du er ferdig.
Flytt de to omløpsspakene bakover gjennom nøkkelhullet og ned for å låse dem i denne stillingen som vist i Figur 43.
Note: Gjenta dette for hver spak.
Note: Fastslå hva som er høyre og venstre side på maskinen ved å stå i normal arbeidsstilling.
Noen kan starte motoren ved utføring av vedlikehold eller justeringer. En motor som plutselig starter ved et uhell kan gi deg eller andre i nærheten alvorlige skader.
Fjern nøkkelen fra tenningen, sett på parkeringsbremsen og dra kabelen(e) av tennpluggen(e) før du utfører vedlikehold. Skyv også ledningen(e) til side slik at de(n) ikke tilfeldigvis kan komme i kontakt med tennpluggen(e).
Motoren kan bli veldig varm. Du kan få alvorlige brannskader av å ta på en varm motor.
La motoren kjøle seg helt ned før service eller reparasjoner rundt motorområdet.
Parker maskinen på flat mark, koble fra drivverkene, sett på parkeringsbremsen, stopp motoren, ta ut nøkkelen eller koble fra tennpluggledningen. Vent til alle bevegelige deler har stoppet og la maskinen kjøle seg ned før du justerer, rengjør eller reparerer den. La aldri personell uten opplæring vedlikeholde maskinen.
Koble fra batteriet, eller fjern ledningen fra tennpluggen, før du foretar reparasjoner. Koble kabelen fra den negative polen først, og deretter den andre kabelen fra den positive polen. Når du kobler kablene til igjen, kobler du først til den positive polen og deretter den negative.
Hold maskinen, vern, deksler og alle sikkerhetsanordninger på plass og i fungerende stand. Kontroller komponentene regelmessig for slitasje og skader, og skift dem ut med produsentens anbefalte deler ved behov.
Fjerning eller modifisering av originalutstyret, deler og/eller tilbehør, kan endre garantien, kontrollerbarheten og sikkerheten til maskinen. Uautoriserte endringer av originalutstyret eller feilaktig bruk av originale Toro-deler, kan føre til alvorlig personskade eller dødsfall. Uautoriserte endringer på maskinen, motoren, drivstoff- eller ventilasjonssystem, kan være i strid med gjeldende sikkerhetsstandarder, for eksempel: ANSI, OSHA OG NFPA og/eller offentlige forskrifter som EPA og CARB.
Vær forsiktig når du kontrollerer knivene. Legg noe rundt kniven(e), eller bruk hansker, og vær forsiktig når du vedlikeholder dem. Skadde kniver skal kun skiftes ut. Du må aldri rette eller sveise dem.
Bruk jekkstøtter for å støtte maskinen og/eller komponenter når det er nødvendig.
Heving av maskinen ved bare å bruke mekaniske eller hydrauliske jekker ved service eller vedlikehold, kan være farlig. Mekaniske og hydrauliske jekker gir kanskje ikke nok støtte eller kan svikte, noe som kan føre til at maskinen faller og forårsaker personskader.
Stol ikke bare på mekaniske og hydrauliske jekker for støtte. Bruk tilstrekkelige jekkstøtter eller liknende støtter.
Vær forsiktig når du slipper ut trykket i komponenter med lagret energi.
Hold hender og føtter borte fra bevegelige deler. Du må aldri foreta justeringer mens motoren går hvis du kan unngå det. Hvis vedlikeholds- eller justeringsprosedyren krever at motoren skal kjøre og komponenter være i bevegelse, vær svært forsiktig.
Kontakt med bevegelige deler eller varme overflater kan føre til personskade.
Hold fingre, hender og bekledning unna roterende komponenter og varme overflater.
Sjekk alle boltene ofte for å sikre at de er korrekt tilstrammet.
| Vedlikeholdsintervall | Vedlikeholdsprosedyre |
|---|---|
| Etter de 5 første timene |
|
| For hver bruk eller daglig |
|
| Etter hver bruk |
|
| Hver 25. driftstime |
|
| Hver 100. driftstime |
|
| Hver 200. driftstime |
|
| Før lagring |
|
Dersom du lar tenningsnøkkelen stå i bryteren, kan noen starte motoren uten at det er tilsiktet, noe som kan påføre deg eller personer i nærheten alvorlige skader.
Slå av motoren og ta ut nøkkelen av bryteren før du utfører vedlikehold.
Løsne de 2 nedre boltene på forhenget for å få tilgang til toppen på klippeenheten (Figur 44).

Note: Stram til boltene etter vedlikehold for feste forhenget.
Slå av motoren før du sjekker oljen eller tilsetter olje til veivhuset.
Hold hender, føtter, ansiktet, klær og andre kroppsdeler borte fra lyddemperen og andre varme overflater.
| Vedlikeholdsintervall | Vedlikeholdsprosedyre |
|---|---|
| For hver bruk eller daglig |
|
Note: Luftrenseren må renses oftere (med noen få timers mellomrom) hvis maskinen er utsatt for mye støv og sand.
Parker maskinen på en jevn overflate, koble fra knivkontrollbryteren (kraftuttak), og sett på parkeringsbremsen.
Før du forlater førerplassen må du slå av motoren, ta ut nøkkelen og vente til alle bevegelige deler står stille.
Rengjør rundt luftrenserdekselet for å unngå at det kommer smuss i motoren som kan forårsake skade.
Løft dekselet og vri luftrenseren ut av motoren (Figur 45).


Skill skum- og papirelementene (Figur 46).

| Vedlikeholdsintervall | Vedlikeholdsprosedyre |
|---|---|
| Hver 25. driftstime |
|
| Hver 100. driftstime |
|
Vask skumelementet i flytende såpe og varmt vann. Når elementet er rent, må det skylles grundig.
Tørk elementet ved å klemme det i en ren klut.
Important: Skumelementet må skiftes ut hvis det er skader eller slitasje på det.
| Vedlikeholdsintervall | Vedlikeholdsprosedyre |
|---|---|
| Hver 100. driftstime |
|
| Hver 200. driftstime |
|
Rengjør papirelementet ved å dunke det forsiktig slik at støvet faller av.
Note: Hvis papirelementet er veldig skittent, kan du erstatte det med et nytt.
Undersøk om elementet har skader, et oljet belegg eller om gummitetningen er skadet.
Papirelementet må skiftes ut hvis det er skadet.
Important: Ikke rengjør papirfilteret.
Monter skumelementet over papirelement.
Note: Påse at du ikke skader elementene.
Innrett hullene i filteret med manifoldportene.
Roter filteret ned i kammeret og plasser det mot manifolden (Figur 47).

Lukk dekselet.
Oljetype: Renseolje (API-klassifikasjon SF, SG, SH, SJ eller SL)
Veivhuskapasitet: 2,4 l med oljefilter
Viskositet: Se tabellen nedenfor.

| Vedlikeholdsintervall | Vedlikeholdsprosedyre |
|---|---|
| For hver bruk eller daglig |
|
Note: Sjekk oljen når motoren er kald.
Important: Hvis du fyller på for mye eller for lite olje i veivhuset og kjører motoren, kan dette føre til skade på motoren.
Parker maskinen på en jevn overflate, koble fra knivkontrollbryteren (kraftuttak), og sett på parkeringsbremsen.
Før du forlater førerplassen må du slå av motoren, ta ut nøkkelen og vente til alle bevegelige deler står stille.
Note: Påse at motoren er slått av, står på flat mark og er avkjølt, slik at oljen har hatt tid til å renne ned i bunnpannen.
For å holde smuss, gress osv. ute av motoren, rengjør området rundt oljelokket og peilestaven før den fjernes (Figur 49).

| Vedlikeholdsintervall | Vedlikeholdsprosedyre |
|---|---|
| Etter de 5 første timene |
|
| Hver 100. driftstime |
|
Parker gressklipperen på en jevn overflate for å sikre at oljen tømmes helt.
Koble fra knivkontrollbryteren (kraftuttaket), og aktiver parkeringsbremsen.
Før du forlater førerplassen må du stanse motoren, ta ut nøkkelen og vente til alle bevegelige deler står stille.
Tapp oljen fra motoren.


Skift motoroljefilteret (Figur 51).
Note: Pass på at oljefilterpakningen berører motoren, og drei deretter filteret en ekstra ¾ omdreining.

Slå langsomt cirka 80 % av den spesifiserte oljen ned i påfyllingsrøret, og tilfør sakte resten av oljen til den når Full-merket (Figur 52).

Den gamle oljen må kasseres eller gjenvinnes i henhold til lokale forskrifter.
| Vedlikeholdsintervall | Vedlikeholdsprosedyre |
|---|---|
| Hver 100. driftstime |
|
| Hver 200. driftstime |
|
Påse at elektrodeavstanden (avstanden mellom elektroden på midten og elektroden på siden) er korrekt før pluggen settes inn. Tennpluggen monteres/demonteres ved hjelp av en tennpluggnøkkel, og elektrodeavstanden justeres ved hjelp av et spesialverktøy eller følerblad. Monter en ny tennplugg dersom det er nødvendig.
Type: Champion® RN9YC eller NGK® BPR6ES
Luftgap: 0,76 mm
Parker maskinen på en jevn overflate, koble fra knivkontrollbryteren (kraftuttak), og sett på parkeringsbremsen.
Før du forlater førerplassen må du slå av motoren, ta ut nøkkelen og vente til alle bevegelige deler står stille.
Rengjør området rundt bunnen av tennpluggen for å holde skitt og rusk ute av motoren.
Fjern tennpluggen (Figur 53).

Important: Ikke rens tennpluggen(e). Kontroller alltid tennpluggen når den har et svart belegg, slitte elektroder, et oljebelegg eller sprekker.
Hvis du ser en lysebrun eller grå farge på isolatoren, fungerer motoren som den skal. Et svart belegg på isolatoren betyr som regel at luftfilteret er skittent.
Still avstanden til 0,76 mm.


| Vedlikeholdsintervall | Vedlikeholdsprosedyre |
|---|---|
| For hver bruk eller daglig |
|
Parker maskinen på en jevn overflate, koble fra knivkontrollbryteren (kraftuttak), og sett på parkeringsbremsen.
Før du forlater førerplassen må du slå av motoren, ta ut nøkkelen og vente til alle bevegelige deler står stille.
Fjern luftfilteret fra motoren.
Fjern motordekselet.
Monter luftfilteret til filterbasen for å hindre at rusk kommer inn i luftinntaket.
Fjern rusk og gress fra delene.
Fjern luftfilteret og monter motordekselet.
Monter luftfilteret.
Under visse forhold er drivstoff er meget brannfarlig og svært eksplosivt. Brann eller eksplosjon forårsaket av drivstoff kan påføre deg og andre brannskader samt ødelegge eiendom.
Se Fylle drivstoff for en fullstendig liste over drivstofftilknyttet forholdsregler.
| Vedlikeholdsintervall | Vedlikeholdsprosedyre |
|---|---|
| Hver 100. driftstime |
|
| Hver 200. driftstime |
|
Et skittent filter som er tatt av drivstoffslangen, må aldri monteres på nytt.
Parker maskinen på en jevn overflate, koble fra knivkontrollbryteren (kraftuttak), og sett på parkeringsbremsen.
Før du forlater førerplassen må du slå av motoren, ta ut nøkkelen og vente til alle bevegelige deler står stille.
Skift ut filteret (Figur 56).
Note: Merk: Påse at merkene på filteret følger drivstoffstrømmens retning.


Koble fra batteriet før du reparerer maskinen. Koble kabelen fra den negative polen først, og deretter den andre kabelen fra den positive polen. Koble til den positive polen først og den negative polen sist.
Lad opp batteriet på et åpent sted med god ventilasjon og borte fra gnister eller åpen ild. Koble laderen fra strømuttaket før du kobler den til eller fra batteriet. Ha på deg beskyttelsesklær og bruk verktøy som er isolert.
Feilaktig frakobling av batterikabler kan skade maskinen og kablene samt forårsake gnister. Gnistene kan føre til at batterigassene eksploderer, noe som kan forårsake personskade.
Koble alltid fra den negative (svarte) batterikabelen før du kobler fra den positive (røde) kabelen.
Koble alltid til den positive (røde) batterikabelen før du setter på den negative (svarte) kabelen.
Parker maskinen på en jevn overflate, koble fra knivkontrollbryteren (kraftuttak), og sett på parkeringsbremsen.
Før du forlater førerplassen må du slå av motoren, ta ut nøkkelen og vente til alle bevegelige deler står stille.
Løsne de to festene på batteridekslet mot klokken 1/4 omdreining, og fjern batteridekselet (Figur 57).

Koble den negative (svarte) grunnkabelen fra batteripolen (Figur 58).
Note: Behold alle festene.
Skyv gummihetten oppover på den positive (røde) kabelen.
Koble den positive (røde) grunnkabelen fra batteripolen (Figur 58).
Note: Behold alle festene.
Fjern batteriholderen (Figur 58) og ta ut batteriet.

| Vedlikeholdsintervall | Vedlikeholdsprosedyre |
|---|---|
| Før lagring |
|
Fjern batteriet fra chassiset, se Fjerne batteriet.
Lad batteriet i minst én time ved 6–10 A.
Note: Batteriet må ikke overopplades.
Når batteriet er helt oppladet, kobler du laderen fra strømuttaket, og deretter laderledningene fra batteripolene (Figur 59).

Still batteriet i holderen (Figur 58).
Koble den positive (røde) batterikabelen til den positive (+) batteriterminalen ved å bruke festene du fjernet tidligere.
Koble den negative batterikabelen til den negative (-) batteriterminalen ved å bruke festene du fjernet tidligere.
Skyv den røde polhetten over den positive (røde) batteripolen.
Fest batteriet med tilholderen (Figur 58).
Monter batteridekselet ved å trykke ned og stramme de to festene med klokken (Figur 57).
Det elektriske systemet er beskyttet av sikringer. Dette er vedlikeholdsfritt. Hvis en sikring går, kontrollerer du om det er kortslutning i en av ledningene.
Sikringstype:
Hoved – F1 (15 A, bladtype)
Ladekrets – F2 (25 A, bladtype)
For å bytte hovedsikringen (15 A) strekker du hånden inn i åpningen på siden av konsollen, trekker sikringen ut og monterer en ny 15 A-sikring (Figur 60).

For å bytte sikringen for ladekretsen (25 A) finner du sikringen til venstre for batteriet, trekker sikringen ut og monterer en ny 25 A-sikring (Figur 61).

| Vedlikeholdsintervall | Vedlikeholdsprosedyre |
|---|---|
| Hver 25. driftstime |
|
Oppretthold det lufttrykket som er spesifisert for for- og bakhjulene. Forskjellig trykk i hjulene kan føre til ujevn klipping. Sjekk trykket ved ventilstammen (Figur 62). Sjekk dekkene når de er kalde, for å få en mest mulig nøyaktig avlesning av trykket.
Se produsentens anbefalinger når det gjelder maks. trykk i dekkene. Dette finner du på siden av styrehjulene.
Pump luft inn i dekkene til de fremre styrehjulene til 1,03 bar.
Pump luft inn i dekkene til de bakre drivhjulene til 0,9 bar.

| Vedlikeholdsintervall | Vedlikeholdsprosedyre |
|---|---|
| Hver 25. driftstime |
|
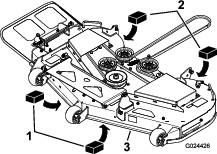
Skift ut remmen hvis den er slitt. Tegn på en slitt rem omfatter kvining mens remmen roterer, knivene sklir ved klipping av gress og slitte kanter, brente merker og sprekker på/i remmen.
Tegn på en slitt rem omfatter kvining mens remmen roterer, knivene sklir ved klipping av gress og slitte kanter, brennmerker og sprekker på remmen. Skift remmen hvis noen av disse problemene oppstår.
Parker maskinen på en jevn overflate, koble fra knivkontrollbryteren (kraftuttak), og sett på parkeringsbremsen.
Før du forlater førerplassen må du slå av motoren, ta ut nøkkelen og vente til alle bevegelige deler står stille.
Senk gressklipperen til en klippehøyde på 76 mm.
Fjern klippeenhetsforhenget. Se Frigjøre klippeenhetsforhenget.
For hvert remdeksel løsner du de to boltene uten å fjerne dem.
Skyv dekselet helt til det er fritt for bolter, og løft det opp og ut for å fjerne det.
Bruk et fjærfjerningsverktøy (Toro-delenr. 92-5771) til å fjerne ledefjæren fra klippeenhetstappen for å fjerne spenningen på lederullen (Figur 63).

Senk gressklipperen til laveste klippehøyde og plasser klippehøydepinnen i låsestillingen for laveste klippehøyde.
Fjern remmen fra klippeenhetens remskiver og fjern den eksisterende remmen.
Monter den nye remmen rundt knivremskivene og clutchremskiven under motoren (Figur 63).
Fjæren er under spenning når den monteres og den kan forårsake personskade.
Vær forsiktig når du fjerner remmen.
Bruke et fjærfjerningsverktøy (Toro-delenr. 92-5771) til å montere ledefjæren over klippeenhetstappen og tilføre spenningen til lederullen og klipperremmen (Figur 63).
Påse at remmen er godt festet i alle remskiver.
For å montere remdekslene setter du tappene på hvert deksel inn i korresponderende slisse på klippeenhetsbraketten og sjekker at de sitter i.
Vri dekselet på klippeenheten, og skyv hakkene under de løsnede boltene helt til de sitter på.
Stram til boltene for å feste dekselet til klippeenheten.
Monter klippeenhetsforhenget. Se Frigjøre klippeenhetsforhenget.
En slitt eller skadet kniv kan brekke, og en del av kniven kan slynges ut mot deg eller andre og føre til alvorlige personskader eller en dødsulykke. Hvis man prøver å reparere en skadet kniv, kan det føre til at produktets sikkerhetssertifisering opphører å gjelde.
Inspiser knivene regelmessig for slitasje eller skade.
Vær forsiktig når du kontrollerer knivene. Legg noe rundt knivene eller bruk hansker, og vær svært forsiktig når du håndterer knivene. Bare skift ut eller slip knivene. Du må aldri rette eller sveise dem.
Vær forsiktig hvis maskinen har flere knivblader, da resten av knivene kan begynne å rotere når det ene knivbladet roteres.
Sørg for å få best mulig klipperesultat ved å holde knivene skarpe. For å kunne bytte ut knivblader når de ikke lenger er skarpe nok, bør du ha ekstra knivblader tilgjengelig.
Parker maskinen på en jevn overflate, koble fra knivkontrollbryteren (kraftuttak), og sett på parkeringsbremsen.
Slå av motoren, ta ut nøkkelen, og koble tennpluggkablene fra tennpluggene.
| Vedlikeholdsintervall | Vedlikeholdsprosedyre |
|---|---|
| For hver bruk eller daglig |
|
Undersøk kniveggene (Figur 64).
Hvis kniven er sløv eller hvis det er hakk i den, må den tas av og slipes. Se Slipe knivbladene.
Undersøk knivbladene, spesielt buen.
Hvis du finner sprekker, slitasje eller ser at det begynner å dannes spor i denne delen av kniven, må den skiftes ut øyeblikkelig (Figur 64).

Note: Maskinen må stå på en plan overflate for den følgende prosedyren.
Hev klippeenheten til høyeste klippehøydeinnstilling.
Ta på tykke arbeidshansker eller annet hensiktsmessig håndvern og sakte roter kniven som skal måles, til en stilling som gjør det mulig å måle avstanden mellom kniveggen og den plane overflaten maskinen står på (Figur 65).

Mål fra knivtuppen til den flate overflaten (Figur 66).

Roter den samme kniven 180 grader så den motsatte kniveggen nå er i samme stilling (Figur 67).

Mål fra knivtuppen til den flate overflaten (Figur 68).
Note: Avviket skal ikke være større enn 3 mm.

Hvis forskjellen mellom A og B er større enn 3 mm, skift ut kniven med en ny, se Fjerne knivbladene og Montere knivbladene.
Note: Hvis en bøyd kniv skiftes ut med en ny kniv og forskjellen fortsatt overstiger 3 mm, kan det være at knivspindelen er bøyd. Ta kontakt med en autorisert Toro-forhandler for service.
Hvis avviket er innenfor grensene, fortsett til neste kniv.
Gjenta prosedyren for alle knivene.
Bytt ut knivene hvis de treffer en hard gjenstand, eller hvis de er ute av balanse eller bøyd.
Hold knivenden med en fille eller en tykk hanske.
Fjern knivbolten, bueskiven og kniven fra spindelakselen (Figur 69).

Bruk en fil til å slipe eggen i begge ender av kniven (Figur 70).
Note: Oppretthold den opprinnelige vinkelen.
Note: Kniven opprettholder balansen hvis like mye materiale fjernes fra begge kniveggene.

Sjekk knivens balanse ved å legge den på en balanseringsinnretning (Figur 71).
Note: Hvis kniven holder seg i horisontal stilling, har den riktig balanse og kan brukes.
Note: Hvis kniven ikke er i balanse, filer du bort litt av metallet på enden av vingeområdet (Figur 70).

Fortsett med dette helt til kniven er balansert.
Sjekk at klippeenheten er i vater hver gang du monterer klippeenheten eller du ser at plenen blir klippet ujevnt.
Klippeenheten må sjekkes for bøyde kniver før nivellering, og eventuelle bøyde kniver må fjernes og skiftes ut. SeSjekke om en kniv er bøyd før du fortsetter.
Rett opp klippeenheten på tvers først. Deretter kan du justere hellingsvinkel på langs.
Krav:
Maskinen på stå på plan overflate.
Alle dekk må ha korrekt trykk. Se Sjekke trykket i dekkene.
Parker maskinen på en jevn overflate, koble fra knivkontrollbryteren (kraftuttak), og sett på parkeringsbremsen.
Før du forlater førerplassen må du slå av motoren, ta ut nøkkelen og vente til alle bevegelige deler står stille.
Roter knivene forsiktig fra side til side.
Mål avstanden mellom de ytterste knivkantene og det flate underlaget (Figur 73).
Note: Hvis begge målene ikke er innenfor 5 mm, er det nødvendig med justering. Se Rette opp klippeenheten.

Knivens hellingsvinkel på langs må sjekkes hver gang klippeenheten monteres. Hvis den fremre delen av klippeenheten er mer enn 7,9 mm lavere enn den bakre delen av klippeenheten, må du justere knivnivået.
Parker maskinen på en jevn overflate, koble fra knivkontrollbryteren (kraftuttak), og sett på parkeringsbremsen.
Før du forlater førerplassen må du slå av motoren, ta ut nøkkelen og vente til alle bevegelige deler står stille.
Roter knivene forsiktig slik at de står på langs (Figur 74).
Mål fra tuppen på den fremre kniven til den flate overflaten, og tuppen på den bakre kniven til den flate overflaten (Figur 74).
Note: Fortsett til Rette opp klippeenheten-prosedyren hvis den fremre knivtuppen ikke er 1,6 til 7,9 mm lavere enn den bakre knivtuppen.

Still antiskalperingsvalsene til topphullene eller fjern dem fullstendig for denne prosedyren. Se Justere antiskalperingsvalsene.
Sett klippehøydespaken til 76 mm-posisjonen. Se Justere klippehøyden.
Plasser to blokker, med en tykkelse på 6,6 cm hver, under hver side av kanten foran på klippeenheten, men ikke under brakettene til antiskalperingsvalsene (Figur 75).
Plasser to blokker, med en tykkelse på 7,3 cm hver, under den bakre kanten på klippeenheten, én på hver side av klippeenheten (Figur 75).

Løsne på justeringsboltene på alle fire hjørnene slik at klippeenheten sitter trygt på alle fire blokkene (Figur 76).

Sikre at det er spenning i alle fire kjedene (Figur 76).
Stram de fire justeringsboltene (Figur 76).
Påse at blokkene passer godt under klippeenhetskanten og at alle boltene er stramme.
Bekreft at klippeenheten er plan ved å sjekke at kniven er rettet opp på tvers og knivens helling på langs. Gjenta prosedyren for oppretting av klippeenheten om nødvendig.
Parker maskinen på en jevn overflate, koble fra knivkontrollbryteren (kraftuttak), og sett på parkeringsbremsen.
Slå av motoren, ta ut nøkkelen, og koble tennpluggkablene fra tennpluggene.
Senk gressklipperen til en klippehøyde på 76 mm.
Løsne på de to nedre boltene som fester klippeenhetsforhenget til klippeenheten. Se Frigjøre klippeenhetsforhenget.
Fjern klipperremmen fra motorremskiven, se Skifte klipperremmen.
Fjern hårnålssplinten og skiven som sikrer leddtappen til rammen og klippeenheten, og fjern leddstangen (Figur 77).

Løft opp klippeenheten for å fjerne spenningen fra klippeenheten.
Fjern kjedene fra krokene på klippeenhetens løfterarmer (Figur 78).

Hev klippehøyden til transportstillingen.
Fjern remmen fra clutchremskiven på motoren.
Dytt klippeenheten ut under maskinen.
Note: Ta vare på alle deler for fremtidig montering.
Parker maskinen på en jevn overflate, koble fra knivkontrollbryteren (kraftuttak), og sett på parkeringsbremsen.
Slå av motoren, ta ut nøkkelen, og koble tennpluggkablene fra tennpluggene.
Skyv klippeenheten under maskinen.
Sett klippehøyden til den laveste posisjonen.
Plasser klippehøydepinnen i låsestillingen for laveste klippehøyde.
Løft bakre del av klippeenheten og fest kjedene til de bakre løftearmene (Figur 78).
Fest de fremre kjedene til de fremre løftearmene (Figur 78).
Monter den lange leddstangen gjennom rammehengeren og klippeenheten.
Fest leddtappen med hårnålssplintene og skivene du fjernet tidligere (Figur 77).
Monter klipperremmen på motorremskiven. Se Skifte klipperremmen.
Trekk til de to nedre boltene som fester klippeenhetsforhenget til klippeenheten. Se Frigjøre klippeenhetsforhenget.
| Vedlikeholdsintervall | Vedlikeholdsprosedyre |
|---|---|
| For hver bruk eller daglig |
|
En utildekket utslippsåpning kan føre til at maskinen slynger objekter mot deg eller tilskuere, noe som kan resultere i alvorlig skade. Det kan også oppstå kontakt med kniven.
Du må aldri bruke maskinen uten at du har montert en kvernplate, utslippsavleder eller gressoppsamler.
Sjekk om gressavlederen er skadet før bruk. Skift ut ødelagte deler før bruk.
Monter hårnålssplinten (Figur 79).
Koble fjæren fra hakket i avlederbraketten og før stangen ut av de sveisede klippeenhetsbrakettene, fjær og utslippsavlederen (Figur 79).

Fjern den skadde eller slitte utslippsavlederen.
Plasser den nye utslippsavlederen med brakettendene mellom de sveisede brakettene på klippeenheten som vist i Figur 80.
Monter fjæren på den rette enden av stangen.
Plasser fjæren på stangen som vist i Figur 80, slik at den kortere enden kommer fra under stangen før krummingen og går over stangen når den kommer tilbake fra krummingen.
Løft løkkeenden av fjæren, og plasser den i hakket på avlederbraketten (Figur 80).

Fest stang- og fjærenheten ved å vri den slik at den korte enden av stangen plasseres bak den fremre braketten sveiset til klippeenheten (Figur 80).
Important: Gressavlederen må være fjærbelastet i den nedre posisjonen. Løft avlederen for å teste at den smekker ned til den nederste posisjonen.
Monter hårnålssplinten (Figur 79).
| Vedlikeholdsintervall | Vedlikeholdsprosedyre |
|---|---|
| Etter hver bruk |
|
Important: Du kan vaske maskinen med skånsomt vaskemiddel og vann. Maskinen må ikke trykkvaskes. Unngå overdreven bruk av vann, spesielt nær kontrollpanelet, under setet, rundt motoren, de hydrauliske pumpene og motorene.
Etter bruk vasker du alltid undersiden av klippeenheten for å hindre oppsamling av gress. Slik oppnår du forbedret oppmaling og fordeling av gressrester.
Parker maskinen på en jevn overflate, koble fra knivkontrollbryteren (kraftuttak), og sett på parkeringsbremsen.
Før du forlater førerplassen må du slå av motoren, ta ut nøkkelen og vente til alle bevegelige deler står stille.
Fest slangekuplingen til enden av klippeenhetens vanninntaksnippel, og skru på vannet (Figur 81).
Note: Smør vaselin på vanninntaksnippelens o-ring for å gjøre det enklere å feste kuplingen og for å beskytte o-ringen.

Senk gressklipperen til laveste klippehøyde.
Sitt i setet når du starter motoren.
Koble inn knivkontrollbryteren, og la gressklipperen kjøre i ett til tre minutter.
Koble fra knivkontrollbryteren, stopp motoren, ta nøkkelen ut av tenningen, og vent til alle bevegelige deler har stoppet.
Skru av vannet og fjern koblingen fra vanninntaksnippelen.
Note: Hvis klippeenheten ikke er ren etter en vask, bløter du den og lar den stå i 30 minutter. Deretter gjentar du prosessen.
Kjør gressklipperen igjen i ett til tre minutter for å fjerne overflødig vann.
Hvis vanninntaksnippelen er skadet eller mangler, kan du selv eller andre i nærheten risikere å bli truffet av gjenstander som blir slengt gjennom luften, eller komme i kontakt med kniven. Kontakt med gjenstander som blir slengt gjennom luften, eller kontakt med kniven vil forårsake skader eller dødsulykker.
Hvis vanninntaksnippelen er skadet eller mangler, må det monteres en ny nippel øyeblikkelig, og før maskinen brukes igjen.
Stikk aldri hender eller føtter under klipperen eller gjennom åpninger i maskinen.
Note: Ikke rengjør støtdemperenhetene med trykkvann (Figur 82).

Motorolje, batterier, hydraulikkvæske og motorkjølemiddel er forurensende for miljøet. Avhend disse i henhold til nasjonale eller lokale regelverk.
La motoren bli kald før lagring av maskinen.
Ikke oppbevar maskinen eller drivstoff i nærheten av flammer eller tapp av drivstoff innendørs.
Koble fra knivkontrollbryteren (kraftuttaket), og aktiver parkeringsbremsen.
Før du forlater førerplassen må du slå av motoren, ta ut nøkkelen og vente til alle bevegelige deler står stille.
Rengjør hele alle utvendige deler på maskinen for gress, smuss og skitt, spesielt motoren og det hydrauliske systemet. Fjern utvendige gressrester og smuss på motorens sylindertoppribber og viftehus.
Important: Du kan vaske maskinen med skånsomt vaskemiddel og vann. Maskinen må ikke trykkvaskes. Unngå overdreven bruk av vann, spesielt nær kontrollpanelet, motoren og de hydrauliske pumpene og motorene.
Kontroller at parkeringsbremsen virker. Se Bruke parkeringsbremsen.
Vedlikehold luftrenseren, se Overhale luftrenseren.
Bytte veivhusolje, se Bytte motorolje og oljefilter.
Kontroller trykket i dekkene, se Sjekke trykket i dekkene.
Bytt ut batteriet, se Lade batteriet.
Skrap bort oppsamlet gress og skitt fra gressklipperens underside, og spyl den med en hageslange.
Note: Kjør maskinen med knivkontrollbryteren (kraftuttak) innkoblet og motoren på høy tomgang i 2 til 5 minutter etter vask.
Kontroller knivenes tilstand. Se Overhale gressklipperknivene.
Gjør maskinen klar for oppbevaring når det er flere enn 30 dager til du skal bruke den igjen. Slik gjør du maskinen klar for lagring:
Bland et stabiliserings-/kondisjoneringsmiddel med petroleumsbase i drivstoffet på tanken. Følg blandingsinstruksjonene fra produsenten av stabiliseringsmiddelet. Stabiliseringsmidler med alkoholbase (etanol eller metanol) må ikke brukes.
Note: Et stabiliserings-/kondisjoneringsmiddel er mest effektivt når det blandes med ferskt drivstoff og brukes til enhver tid.
Kjør motoren for å fordele det behandlede drivstoffet i drivstoffsystemet (fem minutter).
Slå av motoren, la den kjøles ned og tøm drivstofftanken.
Start motoren og kjør den til den stopper.
Drivstoff må kasseres i henhold til lokale forskrifter. Resirkuler drivstoffet i samsvar med lokale forskrifter.
Important: Drivstoff som inneholder et stabiliserings-/kondisjoneringsmiddel, må ikke oppbevares i flere enn 90 dager.
Fjern og sjekk tilstanden til tennpluggen(e). Se Overhale tennpluggen. Når tennpluggen(e) er tatt ut, heller du 30 ml (to spiseskjeer) med motorolje i tennplugghullet. Bruk starteren til å starte motoren og fordele oljen på innsiden av sylinderen. Monter tennpluggen(e). Ikke sett kabelen på tennpluggen(e).
Sjekk og stram til alle bolter, mutrer og skruer. Alle skadde eller defekte deler må repareres eller skiftes ut.
Reparer alle riper eller avskallinger i lakken. Du kan kjøpe maling hos ditt autoriserte forhandlerverksted.
Maskinen må oppbevares rent og tørt i en garasje eller på et lager. Ta nøkkelen ut av tenningen og hold den utenfor barns eller andre uautoriserte brukeres rekkevidde. Legg en presenning over maskinen for å beskytte den og holde den ren.
Lad batteriet helt opp.
La batteriet hvile i 24 timer, og kontroller deretter batterispenningen.
Note: Hvis batterispenningen er under 12,6 V, gjentar du trinn 1 og 2.
Koble kablene fra batteriet.
Sjekk spenningen regelmessig for å sikre at spenningen er 12,4 V eller høyere.
Note: Hvis batterispenningen er under 12,4 V, gjentar du trinn 1 og 2.
Lagre batteriet stående oppreist på et tørt og kjølig sted.
Batterier må ikke stables direkte oppå hverandre, med mindre de er i kartongene.
Batteriene må ikke stables mer enn tre i høyden (kun to hvis batteriet type er kommersielle).
Test våtbatterier hver fjerde til sjette måned, og lad dem ved behov.
Test og lad batteriet før det installeres.
| Problem | Possible Cause | Corrective Action |
|---|---|---|
| Drivstofftanken viser tegn på sammenbrudd, eller maskinen går stadig tom for drivstoff. |
|
|
| Motoren overopphetes. |
|
|
| Startmotoren kjører ikke. |
|
|
| Motoren vil ikke starte, er vanskelig å starte eller går ikke. |
|
|
| Motoren mister kraft. |
|
|
| Maskinen kjører ikke. |
|
|
| Maskinen vibrerer unormalt mye. |
|
|
| Klippehøyden er ujevn. |
|
|
| Knivene roterer ikke. |
|
|
