| Intervalo de assistência | Procedimento de manutenção |
|---|---|
| Em todas as utilizações ou diariamente |
|
Este cortador de lâmina rotativa destina-se a ser utilizado por proprietários em aplicações residenciais. Foi concebido sobretudo para cortar relva em relvados bem mantidos.
Leia estas informações cuidadosamente para saber como utilizar o produto, como efetuar a sua manutenção de forma adequada, evitar ferimentos pessoais e danos no produto. A utilização correta e segura do produto é da exclusiva responsabilidade do utilizador.
Visite www.Toro.com para obter informações sobre materiais de formação de operação e segurança dos produtos, informações sobre acessórios, para obter o contacto de um representante ou para registar o seu produto.
Sempre que necessitar de assistência, peças genuínas Toro ou informações adicionais, entre em contacto com um representante de assistência autorizado ou com a assistência ao cliente Toro, indicando os números de série e modelo do produto. A Figura 1 mostra onde se encontram os números de série e modelo do produto. Escreva os números no espaço fornecido.
Important: Com o seu dispositivo móvel, pode ler o código QR no autocolante do número de série (se equipado) para aceder à garantia, peças e outras informações do produto.

Escreva os números de modelo e de série do produto nos espaços indicados abaixo:
Neste manual são utilizados dois termos para identificar informações importantes. A palavra Importante chama a atenção para informações especiais de ordem mecânica e a palavra Nota sublinha informações gerais que requerem especial atenção.
Este produto cumpre todas as diretivas europeias relevantes. Para mais informações, consulte a folha de Declaração de conformidade em separado, específica do produto.
Binário bruto ou líquido: binário bruto ou líquido em cavalos deste motor foi classificada em laboratório pelo fabricante do motor em conformidade com a Society of Automotive Engineers (SAE) J1940 ou J2723. Com a configuração para obedecer aos requisitos de segurança, emissões e funcionamento, o binário de potência real do motor nesta classe de cortador será substancialmente inferior. Consulte as informações no Manual do fabricante do motor fornecido com a máquina.
Vá a www.Toro.com para ver especificações do seu modelo.
Important: Se estiver a utilizar uma máquina com um motor Toro acima dos 1 500 m durante um período continuado, certifique-se de que foi instalado um kit de altitude elevada para que o motor cumpra as regulações de emissões CARB/EPA. O kit de altitude elevada aumenta o desempenho do motor, evitando a sujidade das velas de ignição, arranque difícil e aumento de emissões. Assim que tiver instalado o kit, coloque a etiqueta de altitude elevada junto do autocolante de número de série na máquina. Contacte o seu distribuidor autorizado Toro para obter o kit de altitude elevada e etiqueta de altitude elevada adequados para a sua máquina. Para encontrar um distribuidor perto de si, aceda ao nosso website em www.Toro.com ou contacte o Departamento de apoio ao cliente da Toro (Toro Customer Care Department) nos números indicados na nossa declaração de garantia de controlo de emissões.Retire o kit do motor e volte a colocar o motor na sua configuração de fábrica original quando trabalhar abaixo dos 1 500 m. Não opere um motor que tenha sido convertido para altitude elevada em altitudes mais baixas, caso contrário pode sobreaquecer e danificar o motor.Se não tiver a certeza se o seu motor foi convertido ou não para utilização em altitude elevada, procure a etiqueta seguinte.

Esta máquina foi concebida de acordo com a norma EN ISO 5395:2013.
Este símbolo de alerta de segurança (Figura 3) é utilizado neste manual e na máquina para identificar mensagens de segurança importantes que têm de ser seguidas para evitar acidentes.
Este símbolo significa: ATENÇÃO! FIQUE ALERTA! A SUA SEGURANÇA ESTÁ EM JOGO!

Este símbolo de alerta de segurança surge acima de informações que o alertam para ações ou situações inseguras e será seguido pela palavra PERIGO, AVISO ou CUIDADO.
PERIGO: indica uma situação de risco eminente que, se não for evitada, irá resultar em morte ou ferimento grave.
AVISO: indica uma situação de risco potencial que, se não for evitada, pode resultar em morte ou ferimento grave.
CUIDADO: indica uma situação de risco potencial que, se não for evitada, poderá resultar em ferimento leve ou moderado.
Neste manual são ainda utilizados dois termos para identificar informações importantes. A palavra Importante chama a atenção para informações especiais de ordem mecânica e a palavra Nota sublinha informações gerais que requerem especial atenção.
Esta máquina é capaz de amputar mãos e pés e projetar objetos. A Toro concebeu e testou este cortador de relva para oferecer um serviço razoavelmente seguro. No entanto, o não cumprimento das instruções de segurança pode resultar em ferimentos ou morte.
Leia, compreenda e siga todas as instruções e avisos no Manual do utilizador e outros materiais de formação na máquina, motor e acessórios. Todos os utilizadores e mecânicos devem receber formação adequada. Se o(s) operador(es) ou mecânico(s) não puder(em) ler este manual, é responsabilidade do proprietário explicar-lhes este material: podem estar disponíveis outros idiomas no nosso website.
Permita apenas que operadores com formação, responsáveis e fisicamente capazes que estejam familiarizados com a operação segura, controlos do operador e sinais e instruções de segurança operem a máquina. Nunca permita que crianças ou funcionários não qualificados utilizem ou procedam à assistência técnica do equipamento. Os regulamentos locais podem determinar restrições relativamente à idade do utilizador.
Não opere a máquina perto de depressões, valas, diques, água ou outros perigos nem em declives superiores a 15 graus.
Não coloque as mãos ou os pés perto de componentes em movimento da máquina.
Nunca opere a máquina com proteções, resguardos ou coberturas danificados. Tenha sempre as proteções, resguardos, interruptores e outros dispositivos de segurança instalados e em boas condições de funcionamento.
Pare a máquina, desligue o motor e retire a chave antes de prestar assistência, atestar ou desobstruir a máquina.

![]() |
Os autocolantes de segurança e instruções estão facilmente visíveis para o operador e situam-se próximo das zonas de potencial perigo. Substitua todos os autocolantes danificados ou perdidos. |




















Familiarize-se primeiro com todos os comandos em Figura 6 e Figura 7 antes de ligar o motor e utilizar a máquina.

O indicador de combustível mostra a quantidade de combustível no depósito (Figura 7).

O acelerador controla a velocidade do motor e tem uma engrenagem de variação contínua da posição LENTA para RáPIDA (Figura 6).
Utilize a alavanca do ar para arrancar um motor frio.
O contador de horas regista o número de horas que o motor operou. Funciona quando o motor está a trabalhar. Utilize estes tempos para agendar a manutenção regular (Figura 6).
Utilize as alavancas de controlo de movimento para deslocar a máquina para a frente e para trás, bem como para virar em qualquer sentido (Figura 5).
Empurre as alavancas de controlo de movimento do centro para fora para a posição de BLOQUEIO EM PONTO MORTO sempre que sair da máquina (Figura 32). Posicione sempre as alavancas de controlo de movimento na posição de BLOQUEIO EM PONTO MORTO quando para a máquina ou a deixa sem vigilância.
A alavanca do travão de estacionamento está localizada no lado esquerdo da consola (Figura 5). A alavanca de travão engata o travão de estacionamento nas rodas.
Para engatar o travão de estacionamento, puxe a alavanca do travão de estacionamento para cima até que engate na ranhura.
Para desengatar o travão de estacionamento, empurre a alavanca do travão de estacionamento para fora da ranhura e na sua direção e, em seguida, empurre o travão para baixo.
O sistema de elevação de plataforma por pedal permite-lhe subir e descer a plataforma a partir da posição sentada. Pode utilizar o pedal para elevar rapidamente a plataforma para evitar obstáculos ou bloquear a plataforma na altura de corte mais alta ou posição de transporte (Figura 5).
A alavanca do sistema de controlo Smart Speed™, que se encontra abaixo da posição de operação, dá-lhe a opção de conduzir a máquina a 3 velocidades – aparar, rebocar e cortar (Figura 5).
Utilize o ponto de alimentação de 12 V para ligar acessórios de 12 volts (Figura 6).
Important: Quando não estiver a utilizar o ponto de alimentação de 12 V, insira o tampão de borracha para evitar danos no ponto de alimentação.
A ignição, utilizada para ligar e desligar o motor, tem 3 posições: DESLIGAR, FUNCIONAMENTO e ARRANQUE. Consulte Ligação do motor.
O interruptor de controlo das lâminas, representado por um símbolo de tomada de força (PTO), ativa e desativa a potência das lâminas do cortador (Figura 6).
A alavanca de altura de corte funciona através do pedal para bloquear a plataforma numa altura de corte específica. Ajuste a altura de corte só quando a máquina não estiver a mover-se (Figura 5).
Está disponível uma seleção de engates e acessórios aprovados pela Toro para utilização com a máquina, para melhorar e expandir as suas capacidades. Contacte o seu representante ou distribuidor de assistência autorizado ou vá a www.Toro.com para obter uma lista de todos os engates e acessórios aprovados.
Para se certificar do máximo desempenho e da continuação da certificação de segurança da máquina, utilize apenas acessórios e peças sobressalentes genuínos da Toro. Os acessórios e peças sobressalentes produzidos por outros fabricantes poderão tornar-se perigosos e a sua utilização pode anular a garantia do produto.
Note: Determine os lados direito e esquerdo da máquina a partir da posição normal de utilização.
Verifique o estado do terreno para determinar quais os acessórios e engates necessários para executar a tarefa de forma adequada e segura. Utilize apenas acessórios e engates aprovados pela Toro.
Examine a área onde irá utilizar o equipamento, retirando quaisquer pedras, brinquedos, paus, arames, ossos e outros objetos estranhos. Estes podem ser projetados ou interferir com o funcionamento da máquina e podem causar ferimentos pessoais ao operador ou pessoas na área.
Utilize equipamento de proteção pessoal adequado como, por exemplo, óculos de segurança, calçado antiderrapante resistente e proteção auditiva. Prenda cabelo comprido e evite roupas largas e jóias soltas que possam ficar presas nas partes em movimento.
Esta máquina produz níveis de ruído da ordem dos 85 dBA ao nível do ouvido do utilizador, pelo que poderá provocar perda de audição caso este utilize a máquina durante longos períodos de operação.
Deverá utilizar proteções para os ouvidos quando utilizar este máquina.
Verifique se os comandos de presença do operador, os interruptores de segurança e os resguardos estão corretamente montados e a funcionar corretamente. Não utilize a máquina se estes componentes não estiverem a funcionar corretamente.
Não utilize o cortador quando as pessoas, especialmente as crianças, ou animais estiverem na área. Pare a máquina e os acessórios se alguém entrar na área.
Não opere a máquina sem que todo o sistema de recolha de relva, defletor de descarga ou outros dispositivos de segurança estejam no sítio e em boas condições de funcionamento. Os componentes do recetor de relva estão sujeitos a desgaste, danos e deterioração, o que pode expor as partes móveis ou permitir a projeção de objetos. Verifique frequentemente se os componentes estão gastos ou deteriorados e substitua-os pelas peças recomendadas pelo fabricante, quando necessário.
Encha o depósito de combustível numa superfície nivelada. Consulte as Recomendações de combustível na secção Especificações para obter informações adicionais sobre a gasolina.
Não adicionar petróleo à gasolina.
Não encha demasiado o depósito de combustível. Encha o depósito de combustível até à extremidade inferior do tubo de enchimento. O espaço vazio no depósito permitirá que a gasolina se expanda. Encher demasiado pode provocar fugas de combustível para o motor ou sistema de emissão.
Certifique-se de que compreende os comandos, respetivas localizações, funções e requisitos de segurança.
Consulte a secção de Manutenção e realize todos os passos necessários de inspeção e manutenção.
Tenha muito cuidado quando manusear combustível.
Em determinadas circunstâncias, a gasolina é extremamente inflamável e os vapores são explosivos.
Um incêndio ou explosão da gasolina poderá provocar queimaduras a si ou a outros e causar danos materiais.
Encha o depósito de combustível no exterior, numa superfície plana, num espaço aberto, quando o motor estiver frio. Remova toda a gasolina que, eventualmente, se tenha derramado.
Nunca ateste um depósito de combustível nem drene a máquina no interior nem dentro de um atrelado fechado.
Não encha completamente o depósito de combustível. Encha o depósito de combustível até à extremidade inferior do tubo de enchimento. O espaço vazio no depósito permitirá que a gasolina se expanda. Encher demasiado pode provocar fugas de combustível para o motor ou sistema de emissão.
Nunca fume quando estiver manusear gasolina e mantenha-se afastado de todas as fontes de fogo ou faíscas que possam inflamar os vapores de gasolina.
Guarde a gasolina num recipiente aprovado e mantenha-a longe do alcance das crianças.
Adicione o combustível antes de pôr o motor em funcionamento. Nunca tire o tampão do depósito de combustível nem adicione combustível se o motor estiver a funcionar ou quente.
Se derramar combustível, não tente ligar o motor. Afaste-se da área do combustível derramado e evite criar qualquer fonte de ignição até que os vapores do combustível se tenham dissipado.
Não opere a máquina sem que todos os componentes do sistema de escape estejam corretamente montados e em boas condições de funcionamento.
Em determinadas condições durante o abastecimento, pode ser libertada eletricidade estática que provoca uma faísca que pode inflamar os vapores da gasolina. Um incêndio ou explosão da gasolina poderá provocar queimaduras a si ou a outros e causar danos materiais.
Coloque sempre os recipientes de gasolina no chão, longe do veículo, antes de os encher.
Não encha os recipientes de gasolina no interior de uma carrinha, outro veículo ou um atrelado porque os revestimentos do interior ou a cobertura plástica podem isolar o recipiente e abrandar a perda de energia estática do mesmo.
Sempre que possível, retire a máquina a abastecer do veículo ou do atrelado e encha o depósito da máquina com as respetivas rodas no chão.
Se tal não for possível, abasteça a máquina no veículo ou no atrelado a partir de um recipiente portátil e não do bico de abastecimento normal.
Se for necessário utilizar um bico de abastecimento, mantenha-o em contacto permanente com o anel exterior do depósito de combustível ou com a abertura do recipiente até concluir a operação. Não utilize um dispositivo de abertura do bico.
A gasolina pode ser prejudicial ou mesmo fatal quando ingerida. A exposição de longo prazo a vapores tem causado cancro em animais em laboratório. A falta de cuidado pode causar ferimentos graves ou doença.
Evite inalar vapores durante muito tempo.
Mantenha a cara afastada do bico e do depósito de combustível/abertura do recipiente.
Mantenha afastado dos olhos e da pele.
Nunca puxe o combustível com a boca.
Para ajudar a evitar incêndios:
Mantenha o motor e área do motor sem acumulação de relva, folhas e excesso de lubrificante e óleo e outros detritos que se possam acumular nestas áreas.
Limpe os salpicos de óleo e combustível e remova os detritos embebidos.
Espere que a máquina arrefeça antes de armazenar a máquina em ambiente fechado. Não guarde a máquina perto de chamas ou qualquer área fechada em que luzes piloto ou equipamentos quentes estejam presentes.
Para melhores resultados, utilize apenas gasolina limpa, fresca (com menos de 30 dias) e sem chumbo com uma classificação de octanas de 87 ou superior (método de classificação (R+M)/2).
Etanol: Gasolina com até 10% de etanol (gasool) ou 15% MTBE (éter-metil-tercio-butílico) por volume é aceitável. O etanol e MTBE não são a mesma coisa. Gasolina com 15% etanol (E15) por volume não é aprovada para utilização. Nunca utilize gasolina que contenha mais de 10% de etanol por volume como, por exemplo, E15 (contém 15% de etanol), E20 (contém 20% de etanol) ou E85 (contém até 85% de etanol). Utilizar gasolina não aprovada pode causar problemas de desempenho e/ou danos no motor, que poderão não ser abrangidos pela garantia.
Não utilizar gasolina que contenha metanol.
Não guarde combustível nem no depósito do combustível nem em recipientes de combustível durante o inverno, a não ser que seja utilizado um estabilizador de combustível.
Não adicionar petróleo à gasolina.
Utilize sempre estabilizador/condicionador de combustível na máquina para manter o combustível fresco mais tempo quando utilizado de acordo com as indicações do fabricante do estabilizador.
Important: Não utilize aditivos de combustível que contenham metanol ou etanol.
Adicione a quantidade correta de estabilizador/condicionador de combustível de acordo com as indicações do fabricante do estabilizador.
Estacione a máquina numa superfície plana.
Engate o travão de estacionamento.
Desligue o motor e retire a chave.
Limpe a zona em torno da tampa do depósito de combustível.
Encha o depósito de combustível até que o indicador de combustível mostre que se encontra na marca de cheio (Figura 8).
Note: Não encha completamente o depósito de combustível. O espaço no depósito permite a expansão do combustível.

Antes de ligar a máquina, todos os dias, execute os procedimentos de cada utilização/diários indicados em .
Os novos motores requerem tempo para desenvolver a potência máxima. As plataformas do cortador e os sistemas de transmissão têm um maior atrito enquanto novos, exercendo uma carga adicional sobre o motor. Permita um tempo de rodagem de 40 a 50 horas para que as máquinas novas desenvolvam a potência máxima e o melhor desempenho.
A máquina poderá arrancar inesperadamente, se os interruptores de segurança se encontrarem desligados ou danificados, e provocar lesões pessoais.
Não desative os interruptores de bloqueio.
Verifique o funcionamento dos interruptores de bloqueio diariamente e substitua todos os interruptores danificados antes de utilizar a máquina.
O sistema de bloqueio de segurança foi concebido para evitar o arranque do motor exceto se:
O interruptor de controlo das lâminas (PTO) está desengatado.
As alavancas de controlo do movimento encontram-se na posição de BLOQUEIO EM PONTO MORTO.
O travão de estacionamento está engatado.
O sistema de bloqueio de segurança foi concebido para desligar o motor sempre que as alavancas de controlo estiverem fora da posição de BLOQUEADAS EM PONTO-MORTO e o utilizador se levantar do banco.
| Intervalo de assistência | Procedimento de manutenção |
|---|---|
| Em todas as utilizações ou diariamente |
|
Teste o sistema de bloqueio de segurança sempre antes de utilizar a máquina. Se o sistema de segurança não funcionar como descrito a seguir, encaminhe o sistema de segurança para um centro de assistência autorizado para ser imediatamente reparado.
Sente-se no banco, engate o travão de estacionamento e empurre o interruptor de controlo da lâmina (PTO) para a posição LIGAR. Tente ligar o motor; o motor não deverá arrancar.
Sente-se no banco, engate o travão de estacionamento e empurre o interruptor de controlo da lâmina (PTO) para a posição DESLIGAR. Desloque uma das alavancas de controlo do movimento (para fora da posição de BLOQUEIO EM PONTO-MORTO). Tente ligar o motor; o motor não deverá arrancar. Repita para a outra alavanca de controlo.
Sente-se no banco, engate o travão de estacionamento, empurre o interruptor de controlo da lâmina (PTO) para a posição DESLIGAR e desloque a alavanca de controlo de movimento para a posição de BLOQUEIO EM PONTO-MORTO. Ligue o motor. Com o motor ligado, liberte o travão de estacionamento, ative o interruptor de controlo da lâmina (PTO) e eleve-se ligeiramente do banco; o motor deverá desligar.
Sente-se no banco, engate o travão de estacionamento, empurre o interruptor de controlo da lâmina (PTO) para a posição DESLIGAR e desloque a alavanca de controlo de movimento para a posição de BLOQUEIO EM PONTO-MORTO. Ligue o motor. Enquanto o motor estiver a trabalhar, centre a alavanca do controlo do movimento e desloque para a frente ou para trás; o motor deverá desligar. Repita para a outra alavanca de controlo do movimento.
Sente-se no banco, desengate o travão de estacionamento, empurre o interruptor de controlo da lâmina (PTO) para a posição DESLIGAR e desloque a alavanca de controlo de movimento para a posição de BLOQUEIO EM PONTO-MORTO. Tente ligar o motor; o motor não deverá arrancar.
O banco pode deslocar-se para a frente e para trás. Posicione o banco de forma a obter o melhor controlo possível da máquina e o maior conforto (Figura 9).

O sistema de suspensão MyRide™ pode ser ajustado para proporcionar uma condução suave e confortável. Pode ajustar os dois conjuntos traseiros de para-choques para alterar rápida e facilmente o sistema de suspensão. Posicione o sistema de suspensão de forma a ficar o mais confortável possível.
As ranhuras dos conjuntos de amortecedores traseiros possuem entalhes para referência. Pode posicionar os conjuntos de amortecedores traseiros em qualquer local da ranhura, não apenas nas posições de entalhe.
O gráfico seguinte mostra a posição para uma deslocação suave ou firme e as diferentes posições de entalhe (Figura 10).

Note: Certifique-se de que os conjuntos dos amortecedores traseiros esquerdo e direito estão sempre ajustados nas mesmas posições.
Ajuste dos conjuntos de amortecedores traseiros (Figura 11).


Pode ajustar as alavancas de controlo de movimento mais para cima ou mais para baixo para um maior conforto (Figura 12).

Pode ajustar as alavancas de controlo de movimento mais para cima ou mais para trás para um maior conforto do operador.
Desaperte o parafuso superior que prende a alavanca de controlo ao veio do braço de controlo.
Desaperte o parafuso inferior o suficiente para rodar a alavanca de controlo para a frente ou para trás (Figura 12).
Aperte ambos os parafusos para assegurar o controlo da alavanca na nova posição.
Repita o ajuste para a outra alavanca de controlo.
A plataforma do cortador e as lâminas de corte que vêm com esta máquina foram concebidas para um desempenho ótimo de cobertura (mulch) e descarga lateral.
Instale as fixações nos mesmos furos na plataforma dos quais foram originalmente removidas. Isto assegura que não são deixados furos abertos quando a plataforma está a ser operada.
Orifícios abertos na máquina expõem-no a si e aos outros à projeção de detritos, o que pode causar ferimentos graves.
Nunca opere a máquina sem as ferragens montadas em todos os orifícios no compartimento da máquina.
Instale o equipamento nos furos de montagem quando remover o abafador de cobertura.
Pare a máquina numa superfície nivelada, desengate o interruptor de controlo das lâminas e engate o travão de estacionamento.
Desligue o motor, retire a chave, espere até todas as peça móveis pararem e só depois saia da posição de operação.
Retire a plataforma do cortador; consulte Remoção da plataforma do cortador.
Remova as duas porcas de bloqueio (5/16 pol.) presas aos postes soldados do abafador esquerdo, na parte superior da plataforma do cortador, nas posições central e esquerda (Figura 13).

Remova o parafuso de carroçaria e porca de bloqueio na parede lateral da plataforma do cortador que prende o abafador esquerdo à plataforma.
Remova o abafador esquerdo da plataforma de corte como se mostra na Figura 13.
Remova os dois parafusos de carroçaria (5/16 x ¾ pol.) e as duas porcas de bloqueio (5/16 pol.) que prendem o abafador direito e a proteção do abafador à plataforma do cortador (Figura 14).

Remova as duas porcas de bloqueio (5/16 pol.) presas aos postes soldados do abafador direito, na parte superior da plataforma do cortador, nas posições central e direita (Figura 15).
Note: Retire o abafador direito da plataforma do cortador.

Localize o abafador de corte no saco das peças soltas e retire as fixações nos furos posteriores da placa de descarga (Figura 16).

Instale o abafador na abertura de descarga lateral na plataforma do cortador.
Utilize as fixações removidas para prender o abafador de corte à plataforma.
Instale a plataforma do cortador; consulte Instalar a plataforma do cortador.
Pare a máquina numa superfície nivelada, desengate o interruptor de controlo das lâminas e engate o travão de estacionamento.
Desligue o motor, retire a chave, espere até todas as peça móveis pararem e só depois saia da posição de operação.
Retire a plataforma do cortador; consulte Remoção da plataforma do cortador.
Remova as três porcas de bloqueio (5/16 pol.) presas aos postes soldados do abafador esquerdo, na parte superior da plataforma do cortador, nas posições central e esquerda (Figura 17).

Remova o parafuso de carroçaria e porca de bloqueio na parede lateral da plataforma do cortador que prende o abafador esquerdo à plataforma (Figura 17).
Retire o abafador esquerdo da plataforma do cortador (Figura 17).
Localize os 2 parafusos nas peças soltas e utilize as porcas de bloqueio existentes e instale as fixações nos orifícios mostrados na Figura 17 no cortador para evitar que os detritos saiam.
Note: Instale o parafuso para cima, através do lado inferior da plataforma e utilize uma porca existente para prender a partir do lado superior.
Remova o parafuso de carroçaria (5/16 x ¾ pol.) e porca de bloqueio (5/16 pol.) na parede lateral da plataforma do cortador que prende o abafador à plataforma (Figura 18).

Localize o resguardo do abafador na extremidade frontal da abertura de descarga lateral (Figura 18).
Remova as fixações que prendem o resguardo do abafador e abafador direito à plataforma do cortador (Figura 18).
Note: Remova o resguardo do abafador e guarde todas as fixações.
Remova as duas porcas de bloqueio (5/16 pol.) presas aos postes soldados do abafador direito, na parte superior da plataforma do cortador, nas posições central e direita (Figura 19).

Remova o parafuso de carroçaria e a porca de bloqueio que prendem o abafador direito na parte superior da plataforma do cortador e retire o abafador direito da plataforma do cortador (Figura 19).
Instale as fixações previamente removidas nos furos frontais na placa de descarga e furo frontal na plataforma (Figura 18).
Localize o abafador de corte no saco das peças soltas, retire as fixações nos furos posteriores da placa de descarga e instale o abafador na abertura de descarga lateral na plataforma do cortador (Figura 20).

Utilize as fixações removidas para prender o abafador de corte à plataforma.
Instale a plataforma do cortador; consulte Instalar a plataforma do cortador.
O operador tem de utilizar a máxima atenção ao operar a máquina. Não faça qualquer atividade que cause distrações; caso contrário, podem ocorrer ferimentos ou danos materiais.
Operar partes do motor, especialmente a panela de escape, é extremamente quente. Podem ocorrer queimaduras graves devido ao contacto e aos detritos como, por exemplo, folhas, relva, escova, etc. se incendiarem.
Deixe arrefecer as partes do motor, especialmente o escape, antes de lhe tocar.
Retire os detritos acumulados da panela de escape e área do motor.
Os gases de escape do motor contêm monóxido de carbono, um gás inodoro e tóxico que pode provocar a morte.
Nunca deixe o motor a trabalhar no interior ou numa pequena área confinada em que se possam acumular fumos de monóxido de carbono.
O proprietário/utilizador pode evitar e é responsável por acidentes ou lesões provocados em si próprio, em terceiros ou em propriedade alheia.
Este cortador foi concebido para apenas um operador. Não transporte passageiros e mantenha as outras pessoas afastadas da máquina durante o funcionamento.
Nunca utilize a máquina se se sentir cansado, doente ou sob o efeito de álcool ou drogas.
A utilização da máquina deve ser efetuada apenas com luz natural ou com iluminação artificial adequada.
Os raios podem causar ferimentos graves ou morte. Se forem vistos raios ou ouvidos trovões na área, não opere a máquina – procure abrigo.
Tenha cuidados redobrados quando utilizar a máquina com acessórios ou engates, como sistemas de recolha de relva. Estes poderão afetar a estabilidade da máquina e provocar a perda de controlo. Siga as indicações relativas a contrapesos, se necessário.
Mantenha-se afastado de buracos, raízes, elevações, pedras e outros riscos ocultos. Tenha cuidado quando se aproximar de esquinas sem visibilidade, arbustos, árvores, relva alta ou outros objetos que possam ocultar obstáculos ou obstruir o seu campo de visão. Terreno desnivelado pode fazer capotar a máquina ou fazer com que o operador perca o equilíbrio.
Antes de ligar o motor, certifique-se de que as transmissões estão na posição neutra e que engatou o travão de estacionamento.
Ligue cuidadosamente o motor de acordo com as instruções, com os pés bem afastados das lâminas.
Nunca opere o cortador com proteções, resguardos ou coberturas danificados. Tenha sempre as proteções, resguardos, interruptores e outros dispositivos de segurança instalados e em boas condições de funcionamento.
Mantenha-se sempre afastado da abertura de descarga. Nunca corte com a porta de descarga elevada, removida ou alterada, excepto se existir um sistema de recolha de relva ou kit de cobertura (mulch) instalado e a funcionar corretamente.
Mantenha as mãos e os pés longe de peças em movimento. Se possível, não efetue qualquer ajuste quando o motor se encontrar em funcionamento.
As mãos, pés, cabelo, vestuário ou acessórios podem ficar entalados nas peças rotativas. O contacto com as peças rotativas pode causar amputação traumática ou lacerações graves.
Não opere a máquina sem proteções, resguardos, interruptores e dispositivos de segurança instalados e em boas condições de funcionamento.
Mantenha as mãos, pés, cabelo, jóias ou vestuário longe de peças rotativas.
Nunca levante a plataforma quando as lâminas se encontrarem em funcionamento.
Esteja atento ao percurso de descarga do cortador e afaste a descarga longe das outras pessoas. Evite descarregar o material contra uma parede ou obstrução, uma vez que o material pode fazer ricochete em direção do operador. Pare as lâminas, abrande e tenha cuidado quando atravessar superfícies que não sejam relva e quando transportar o cortador de e para a área de corte.
Esteja alerta, abrande e tenha cuidado ao virar. Olhe para trás e para os lados antes de mudar de direção. Não efetue a operação de corte em marcha-atrás, exceto quando absolutamente necessário.
Não altere os valores do regulador do motor, nem acelere o motor excessivamente.
Estacione a máquina numa superfície nivelada. Pare o motor, aguarde que todas as partes em movimento parem e remova os fios das velas.
Antes de examinar, limpar ou trabalhar no cortador.
Depois de embater num objeto estranho ou sentir vibração anormal, inspecione o cortador a fim de encontrar danos e poder fazer as respetivas reparações antes de voltar a utilizar o cortador.
Antes de resolver as obstruções.
Sempre que abandonar o cortador de relva. Não deixe a máquina em funcionamento sem vigilância.
Pare o motor e espere que todas as peças em movimento parem:
Antes de reabastecer.
Antes de despejar o depósito de recolha de relva.
Antes de fazer ajustes da altura.
Acidentes trágicos podem ocorrer se o operador não estiver atento à presença de crianças. As crianças são muitas vezes atraídas pela presença de máquinas e atividades de corte. Nunca suponha que as crianças vão permanecer no local onde as viu pela última vez.
Mantenha as crianças afastadas do local a ser aparado e sob a vigilância atenta de outro adulto responsável, não do operador.
Esteja atento e desligue a máquina se entrarem crianças no local.
Antes e quando fizer marcha-atrás ou mudar de direção, olhe para trás, para baixo e para os lados para ver se existem crianças pequenas no local.
Nunca permita que crianças utilizem a máquina.
Não transporte crianças, mesmo com as lâminas desligadas. As crianças podem cair e sofrer ferimentos graves ou interferir com a operação segura da máquina. As crianças que já tiverem sido transportadas anteriormente poderão aparecer repentinamente no local de trabalho para um novo passeio e serem atropeladas ou apanhadas pela inversão de marcha da máquina.
Os declives são um dos principais fatores que contribuem para a perda de controlo e acidentes de capotamento que podem resultar em ferimentos graves ou morte. O operador é responsável pelo funcionamento seguro em declives. Operação da máquina em qualquer declive requer cuidado adicional. Antes de utilizar a máquina num declive, o operador tem de:
Ler e compreender as instruções relativas a declives no manual e na máquina.
Utilizar um indicador de ângulo para determinar o ângulo aproximado do declive na área.
Nunca utilizar em declives com inclinações superiores a 15 graus.
Avaliar as condições no local no próprio dia para determinar se o declive é seguro para o funcionamento da máquina. Utilizar o bom senso e capacidade crítica ao efetuar esta avaliação. Alterações no terreno, como humidade, podem afetar rapidamente o funcionamento da máquina num declive.
Identificar os perigos na base do declive. Não opere a máquina perto de depressões, valas, diques, água ou outros perigos. A máquina poderá capotar repentinamente, se uma roda resvalar ou se o piso ceder. Mantenha uma distância segura (duas vezes a largura da máquina) entre a máquina e qualquer perigo. Utilize uma máquina com operador apeado ou um aparador manual para cortar a relva nestas áreas.

Evite arrancar, parar ou virar em declives. Evite alterações súbitas na velocidade ou direção; vire lenta e gradualmente.
Não utilize a máquina em condições nas quais a tração, a viragem ou a estabilidade possam ser postas em causa. Esteja atento ao funcionamento da máquina em relva molhada, ao atravessar declives ou a descer - a máquina poderá perder tração. A perda de tração das rodas dianteiras pode resultar em derrapagem e da perda de capacidade de travagem e de controlo da direção. A máquina pode deslizar, mesmo que as rodas dianteiras estejam paradas.
Remova ou assinale obstáculos como valas, buracos, sulcos, lombas, pedras ou outros perigos escondidos. A relva alta pode esconder diversos obstáculos. O terreno desnivelado pode fazer capotar a máquina.
Tenha cuidados redobrados quando utilizar a máquina com acessórios ou engates, como sistemas de recolha de relva. Estes poderão afetar a estabilidade da máquina e provocar a perda de controlo. Siga as indicações relativas a contrapesos.
Se possível, mantenha a plataforma descida para o solo enquanto estiver em declives. Elevar a plataforma enquanto estiver a trabalhar em declives pode causar instabilidade da máquina.
Utilize a plataforma do cortador como degrau para entrar para a posição do operador (Figura 22).

Se parar a máquina ou se se afastar da mesma, engate sempre o travão de estacionamento.
Estacione a máquina numa superfície plana.

Para desengatar o travão de estacionamento, empurre a alavanca do travão de estacionamento para fora da ranhura e na sua direção e, em seguida, empurre o travão para baixo (Figura 24).


Pode deslocar a alavanca do acelerador até ao centro entre as posições RáPIDO e LENTO (Figura 28).
Utilize sempre a posição RáPIDO quando engatar a PTO.

Utilize a alavanca do ar para arrancar um motor frio.
Puxe a alavanca do ar para cima para engatar o ar antes de utilizar a ignição (Figura 29).
Note: Certifique-se de que ativa completamente a alavanca do ar. Pode ter de segurar o manípulo para cima quando utiliza o interruptor da ignição.
Empurre a alavanca para baixo para desengatar a alavanca do ar quando o motor estiver a funcionar (Figura 29).

Rode a chave da ignição para a posição ARRANQUE (Figura 30).
Note: Quando o motor arrancar, solte a chave.
Important: Não ative o motor de arranque durante mais de 5 segundos de cada vez. Se o motor não ligar, espere 10 segundos entre cada tentativa. Se não cumprir estas instruções, arrisca-se a queimar o motor de arranque.
Note: Podem ser necessárias várias tentativas para ligar o motor pela primeira vez depois de o sistema de combustível ter ficado sem qualquer combustível.

Rode a chave para a posição PARAR para desligar o motor.
Note: Um motor quente pode não necessitar da alavanca do ar.
Important: Não ative o motor de arranque durante mais de 5 segundos de cada vez. Engatar o motor de arranque durante mais de 5 segundos pode danificar o motor de arranque. Se o motor não arrancar, aguarde 10 segundos antes de ligar novamente o arrancador.

Desengate as lâminas através da deslocação do interruptor de controlo das lâminas na posição DESLIGAR (Figura 27).
Engate o travão de estacionamento; consulte Engate do travão de estacionamento.
Desloque a alavanca do acelerador para a posição RáPIDO.
Rode a chave para a posição DESLIGAR e retire a chave.
A utilização/deslocação da máquina por crianças ou outras pessoas que não o operador pode provocar acidentes pessoais.
Retire a chave e engate o travão de estacionamento sempre que se afastar da máquina.

Os pneus rodam de forma independente, movidos pelos motores hidráulicos em cada eixo. Pode girar um lado em marcha-atrás enquanto gira outro lado para a frente, fazendo com que a máquina rode em vez de virar. Isto melhora muito a capacidade de manobra da máquina, mas requer algum tempo para se adaptar à forma como se move.
O controlo do acelerador regula a velocidade do motor medida em rpm (rotações por minuto). Coloque o controlo do acelerador na posição RáPIDO para melhor desempenho. Opere sempre com o acelerador na posição Cheio (aceleração total) quando estiver a cortar.
A máquina pode virar muito rapidamente. O operador pode perder o controlo da máquina e provocar acidentes pessoais ou danos na máquina.
Tenha cuidado ao fazer curvas.
Desacelere a máquina antes de fazer curvas apertadas.
Note: O motor desliga-se quando move as alavancas de controlo de tração com o travão de estacionamento engatado.
Para parar a máquina, puxe a alavanca de controlo de tração para a posição de PONTO MORTO.
Desengate o travão de estacionamento; consulte Desengate do travão de estacionamento.
Desloque as alavancas para a posição central não bloqueada.
Para andar para frente empurre as alavancas de controlo do movimento lentamente para a frente (Figura 33).

Desloque as alavancas para a posição central não bloqueada.
Para andar para trás, puxe as alavancas de controlo do movimento lentamente para trás (Figura 34).

A alavanca do sistema de controlo Smart SpeedTM, que se encontra abaixo da posição de operação (Figura 35), dá-lhe a opção de conduzir a máquina a 3 velocidades – Aparar, Rebocar e Cortar.

Para alterar as velocidades, execute o seguinte:
Mova as alavancas de controlo do movimento para a posição de ponto-morto e para fora para a posição de BLOQUEADAS EM PONTO-MORTO.
Desengate o interruptor de controlo das lâminas.
Ajuste a alavanca na posição desejada.
O seguinte constitui apenas recomendações de utilização. Os ajustes variam consoante o tipo de relva, teor de humidade, e altura da relva.
| Utilizações sugeridas: | Aparar | Rebocar | Corte |
| Estacionar | X | ||
| Relva grossa, húmida | X | ||
| Formação | X | ||
| Recolha | X | ||
| Cobertura (mulch) | X | ||
| Corte normal | X | ||
| Mover a máquina | X |
Aparar
Esta é a velocidade mais lenta. As utilizações sugeridas para esta posição são as seguintes:
Estacionar
Condições de corte de relva grossa, húmida
Formação
Rebocar
Esta é a velocidade média. As utilizações sugeridas para esta posição são as seguintes:
Recolha
Monda
Corte
Esta é a velocidade mais rápida. As utilizações sugeridas para esta posição são as seguintes:
Corte normal
Mover a máquina
A alavanca do sistema de controlo Smart SpeedTM, que se encontra abaixo da posição de operação (Figura 36), dá ao operador a opção de conduzir a máquina a 3 velocidades – Aparar, Rebocar e Cortar.

Para alterar as velocidades, execute o seguinte:
Empurre as alavancas de controlo do movimento para a posição de ponto-morto e para fora para a posição de ESTACIONAMENTO.
Desengate o interruptor de controlo das lâminas.
Ajuste a alavanca na posição desejada.
O seguinte constitui apenas recomendações de utilização. Os ajustes variam consoante o tipo de relva, teor de humidade, e altura da relva.
| Utilizações sugeridas: | Aparar | Rebocar | Corte |
| Estacionar | X | ||
| Relva grossa, húmida | X | ||
| Formação | X | ||
| Aparação de relva | X | ||
| Recolha | X | ||
| Cobertura (mulch) | X | ||
| Reboque de acessórios | X | ||
| Corte normal | X | ||
| Mover a máquina | X |
Aparar
Esta é a velocidade mais lenta. As utilizações sugeridas para esta posição são as seguintes:
Estacionar
Condições de corte de relva grossa, húmida
Formação
Aparação de relva
Rebocar
Esta é a velocidade média. As utilizações sugeridas para esta posição são as seguintes:
Recolha
Monda
Reboque de acessórios
Corte
Esta é a velocidade mais rápida. As utilizações sugeridas para esta posição são as seguintes:
Corte normal
Mover a máquina
Este cortador dispõe de um defletor de relva articulado que dispersa as aparas para o lado e para baixo em direção à relva.
Sem um defletor de relva, cobertura de descarga ou uma estrutura completa do depósito de recolha de relva montados no lugar, o operador e as outras pessoas ficarão expostos ao contacto com a lâmina e aos detritos projetados. O contacto com a(s) lâmina(s) rotativa(s) do cortador e os detritos projetados causarão ferimentos ou até mesmo a morte.
Nunca remova o defletor de relva da plataforma do cortador porque encaminha os materiais para baixo, na direção da relva. Se o defletor de relva se danificar, substitua-o imediatamente.
Nunca coloque as mãos ou pés debaixo da plataforma do cortador.
Nunca tente limpar a área de descarga ou as lâminas do cortador sem colocar o interruptor de controlo das lâminas (PTO) na posição DESLIGAR, rodar a chave da ignição para a posição DESLIGAR e retirar a chave da ignição.
Certifique-se de que o defletor de relva está em baixo.
A máquina está equipada com um sistema de elevação da plataforma por pedal. Pode utilizar o pedal para elevar rapidamente a plataforma para evitar obstáculos ou bloquear a plataforma na altura de corte mais alta ou posição de transporte. Pode utilizar a alavanca de altura de corte através do pedal para bloquear a plataforma numa altura de corte específica.
Pressione o pedal de elevação da plataforma; continue a pressionar o pedal até que a plataforma esteja bloqueada na posição de transporte (Figura 37).
Carregue no pedal de elevação da plataforma com o pé e puxe a pega de bloqueio de transporte para trás para desengatar o bloqueio de transporte (Figura 37).

Pode ajustar a altura de corte de 38 a 114 mm em incrementos de 6 mm movendo o pino de altura de corte para diferentes orifícios.
Empurre o pedal de elevação da plataforma com o pé e suba a plataforma de corte até à posição de bloqueio de transporte (bem como a posição da altura de corte de 114 mm) como mostra a Figura 38.
Para ajustar, remova o pino do suporte da altura de corte (Figura 38).
Selecione um orifício no sistema da altura de corte que corresponda à altura de corte desejada e insira o pino (Figura 38).
Carregue no pedal de elevação da plataforma com o pé e puxe a pega para trás para desengatar o bloqueio de transporte (Figura 37).
Baixe lentamente a plataforma até que o pino entre em contacto com a alavanca.

Sempre que mudar a altura de corte, deve ajustar também a altura dos rolos antidanos.
Note: Ajuste os rolos antidanos de forma a que os rolos não toquem no solo nas áreas de corte planas normais.
Pare a máquina numa superfície nivelada, desengate o interruptor de controlo das lâminas e engate o travão de estacionamento; consulte Engate do travão de estacionamento.
Desligue o motor, retire a chave e espere até todas as partes em movimento pararem antes de sair da posição de funcionamento.
Ajuste os rolos antidanos como se mostra na Figura 39.

Utilize unicamente engates e acessórios aprovados pela Toro.
Se instalar um balde na proteção do motor, utilize uma fita de para o prender.
Important: O peso do balde pode afetar a estabilidade da máquina. Se transportar mais do que o peso indicado na tabela abaixo num balde instalado na proteção do motor, deve equipar a sua máquina com um kit de suporte de balde.
Contacte o seu serviço de assistência autorizado.
| Modelo | Peso máximo por balde sem o kit de suporte de balde |
| Plataformas de 122 cm | 1,1 kg |
| Plataformas de 137 cm | 1,1 kg |
| Plataformas de 152 cm | 4,5 kg |
Para um melhor corte e máxima circulação de ar, trabalhe com o motor na posição RáPIDO. É necessário ar para cortar cuidadosamente as aparas de relva, pelo que não deve ajustar a altura de corte demasiado baixa de forma a que a relva não cortada rodeie completamente a plataforma do cortador. Tente sempre ter 1 lado da plataforma do cortador livre de relva por cortar. Isto permite ao ar circular para a plataforma do cortador.
Corte a relva ligeiramente maior do que o normal para assegurar que a altura de corte da plataforma do cortador não danifica partes não niveladas do terreno. No entanto, a altura de corte usada no passado é, geralmente, a melhor a usar. Ao cortar a relva com uma altura superior a 15 cm, é aconselhado cortar a relva duas vezes para assegurar uma qualidade de corte aceitável.
Deve cortar com apenas cerca de um terço da lâmina de relva. Não se recomenda cortar mais que isso, exceto se a relva for dispersa ou for no final do outono quando a relva cresce mais lentamente.
Alterne a direção de corte para manter a relva na vertical. Isto também ajuda a dispersar as aparas de relva o que melhora a decomposição e a fertilização.
O crescimento da relva varia conforme a estação. Para manter a mesma altura de corte, corte mais frequentemente no início da primavera. À medida que o crescimento da relva diminui a meio do Verão, corte menos frequentemente. Se não conseguir cortar durante um longo período, corte primeiro a uma altura de corte elevada e, em seguida, corte novamente 2 dias depois a uma regulação mais baixa.
Para melhorar a qualidade do corte, utilize uma velocidade mais lenta em determinadas condições.
Quando cortar relva irregular, levante a altura de corte para evitar danificar a relva.
Se o movimento em frente da máquina tiver de ser parado durante o corte, pode cair um monte de aparas no relvado. Para o evitar, desloque-se para uma área cortada previamente com as lâminas engatadas ou pode desengatar a plataforma do cortador ao se mover para a frente.
Limpe as aparas e a sujidade da parte de baixo da plataforma do cortador após cada utilização. Se se acumularem relva e sujidade dentro da plataforma do cortador, a qualidade do corte fica insatisfatória.
Mantenha as lâminas afiadas em toda a época de corte porque uma lâmina afiada corta direito sem rasgar nem estragar as folhas da relva. Quando se rasga ou danifica a relva, esta fica castanha nas extremidades, cresce mais devagar e torna-se mais susceptível a doenças. Verifique as lâminas do cortador diariamente após cada utilização para ver se estão afiadas, se estão gastas ou danificadas. Lime qualquer amolgadela e afie as lâminas conforme o necessário. Se uma lâmina estiver danificada ou gasta, substitua-a imediatamente por uma lâmina sobressalente genuína da Toro.
Estacione a máquina numa superfície nivelada, desengate as transmissões, engate o travão de estacionamento, pare o motor, retire a chave ou desligue o fio da vela. Aguarde que todo o movimento pare e aguarde que a máquina arrefeça antes de a ajustar, limpar, reparar ou guardar. Nunca permita que funcionários não qualificados efetuem a manutenção da máquina.
Limpe a máquina como indicado na secção Manutenção. Mantenha o motor e área do motor sem acumulação de relva, folhas e excesso de lubrificante e óleo e outros detritos que se possam acumular nestas áreas. Estes materiais podem tornar-se combustíveis e resultar num incêndio.
Verifique frequentemente os componentes no que respeita a desgaste ou deterioração que possa criar um perigo. Aperte ferragens soltas.
Utilize um reboque para trabalhos pesados ou um camião para transportar a máquina. Verifique se o atrelado ou carrinha tem toda a iluminação e sinalização exigidas por lei. Leia atentamente todas as instruções de segurança. O conhecimento destas informações contribui para evitar acidentes ao operador, sua família, animais ou terceiros.
Para transportar a máquina:
Engate o travão e bloqueie as rodas.
Certifique-se de que a válvula de corte de combustível está fechada.
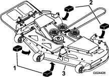
Prenda muito bem a máquina ao atrelado ou carrinha com tiras, correntes, cabos ou cordas. Utilize apenas os quatro pontos de reboque designados no cortador – dois no lado esquerdo e dois no lado direito (Figura 40). Utilize estes locais mesmo quando transportar o cortador com um acessório instalado. Utilizar locais não indicados pode causar danos ao cortador e/ou acessório.

Prenda um atrelado ao veículo que reboca com correias de segurança.
Conduzir na via pública sem sinais de viragem, luzes, sinais refletores ou um símbolo a indicar veículo lento é perigoso e pode provocar acidentes pessoais ao condutor ou a outras pessoas.
Não conduza a máquina na via pública.
Tenha muito cuidado durante as operações de carga ou descarga de máquinas de um atrelado ou camião. Utilize uma rampa de largura total que seja mais larga que a máquina para este procedimento. Retroceder ao subir e avançar ao descer rampas (Figura 41).

Important: Não utilize rampas individuais estreitas para cada lado da máquina.
Certifique-se de que a rampa é suficientemente comprida de modo a que o ângulo com o chão não exceda os 15 graus (Figura 41). Em chão plano, isto requer uma rampa que tenha, pelo menos, quatro vezes (4X) a altura do atrelado ou carrinha para o solo. Um ângulo mais acentuado pode fazer com que os componentes do cortador fiquem presos, à medida que a máquina se desloca da rampa para o atrelado ou camião. Os ângulos mais acentuados também podem fazer capotar ou perder o controlo da máquina. Se, quando colocar a máquina num atrelado/carrinha, estiver num declive ou próximo, posicione o atrelado/carrinha na parte inferior do declive e a rampa na parte superior. Este procedimento minimiza o ângulo da rampa.
Colocar uma máquina num atrelado ou camião aumenta a possibilidade de capotamento e pode provocar graves ferimentos ou morte.
Tome todas as precauções necessárias quando utilizar a máquina numa rampa.
Utilize uma única rampa com a largura total; Não utilize rampas individuais para cada lado da máquina.
Não ultrapasse um ângulo de 15 graus entre a rampa e o solo ou entre a rampa e o atrelado ou camião.
Certifique-se de que o comprimento da rampa tem, pelo menos, quatro vezes (4X) a altura do atrelado ou carrinha para o solo. Isto vai assegurar que o ângulo da rampa não excede 15 graus em solo plano.
Retroceder ao subir e avançar ao descer rampas.
Evite aceleração ou desaceleração súbita ao conduzir a máquina numa rampa, uma vez que isto pode causar perda de controlo ou capotamento.

Não engate equipamento rebocado, exceto no ponto de engate.
Siga as recomendações do fabricante do acessório em termos de limite de peso para reboque de equipamento e reboque em declives. O peso rebocado não pode exceder o peso da máquina, operador e carga; caso contrário, pode ocorrer falha da transmissão hidrostática. Utilize contrapesos ou pesos das rodas como descrito no Manual do fabricante do acessório.
Nunca permita que crianças ou outras pessoas estejam no equipamento rebocado.
Em declives, o peso do equipamento rebocado pode causar uma perda de tração, risco aumentado de capotamento e de perda de controlo. Reduza o peso rebocado e abrande.
A distância de paragem aumenta com o peso da carga rebocada. Desloque-se lentamente e deixe uma distância adicional para parar.
Faça curvas largas para manter o acessório afastado da máquina.
Important: Empurre sempre a máquina à mão. Não reboque a máquina para não ocorrerem danos.
Esta máquina tem um mecanismo de travão elétrico e, para empurrar a máquina, a chave da ignição tem de estar na posição FUNCIONAMENTO. A bateria tem de ser carregada e a funcionar para o travão elétrico ser desengatado.
Coloque a máquina numa superfície nivelada e desligue o interruptor de controlo da lâmina.
Engate o travão de estacionamento, desligue o motor e espere que todas as peças em movimento parem antes de se afastar.
Localize as alavancas de derivação na estrutura de ambos os lados do motor.
Mova as alavancas de derivação para frente através do orifício da chave e para baixo para as bloquear no lugar (Figura 43).
Note: Repita o procedimento para todas as alavancas.
Desengate o travão de estacionamento.
Note: Não ligue a máquina.

Quando concluir, engate o travão de estacionamento.
Mova as alavancas de derivação para trás através do orifício da chave e para baixo para as bloquear no lugar, como se mostra na Figura 43.
Note: Repita o procedimento para todas as alavancas.
Note: Determine os lados direito e esquerdo da máquina a partir da posição normal de utilização.
Enquanto a manutenção ou ajustes estiverem a ser feitos, alguém pode ligar o motor. O arranque inicial do motor poderia causar ferimentos graves a si ou outras pessoas na área.
Retire a chave da ignição, engate o travão de estacionamento e retire os fios das velas antes de efetuar qualquer manutenção. Adicionalmente, empurre os fios para o lado para que entrem em contacto acidental com a(s) vela(s).
O motor pode ficar muito quente. Tocar num motor quente pode causar queimaduras graves.
Deixe o motor arrefecer completamente antes de prestar assistência ou fazer reparações em volta da área do motor.
Estacione a máquina numa superfície nivelada, desengate as transmissões, engate o travão de estacionamento, pare o motor, retire a chave ou desligue o fio da vela. Aguarde que todo o movimento pare e aguarde que a máquina arrefeça antes de a ajustar, limpar ou reparar. Nunca permita que funcionários não qualificados efetuem a manutenção da máquina.
Desligue a bateria ou retire o cabo da vela antes de efetuar qualquer reparação. Desligue o terminal negativo em primeiro lugar e o terminal positivo no final. Volte a ligar o terminal positivo em primeiro lugar e o terminal negativo no final.
Mantenha a máquina, proteções, resguardos e todos os dispositivos de segurança instalados e em boas condições de funcionamento. Verifique frequentemente se os componentes estão gastos ou deteriorados e substitua-os pelas peças recomendadas pelo fabricante, quando necessário.
A remoção ou modificação do equipamento original, peças e/ou acessórios pode alterar a garantia, capacidade de controlo e segurança da máquina. As modificações não autorizadas ao equipamento original ou a não utilização de peças originais Toro podem levar a ferimentos graves ou morte. As modificações não autorizadas da máquina, motor, sistema de combustível ou ventilação pode violar as normas de segurança aplicáveis como, por exemplo: ANSI, OSHA e NFPA e/ou regulamentos governamentais como EPA e CARB.
Tenha cuidado quando efetuar a verificação das lâminas. Envolva as lâminas ou utilize luvas e tome todas as precauções necessárias quando efetuar a sua manutenção. Substitua apenas as lâminas danificadas. Nunca reparadas ou soldadas.
Utilize macacos para suportar a máquina e/ou os seus componentes sempre que necessário.
Levantar a máquina para assistência ou manutenção confiando apenas em macacos hidráulicos ou mecânicos pode ser perigoso. Os macacos hidráulicos ou mecânicos podem não ser suficientes para apoiar ou podem ter uma avaria permitindo que a máquina caia, o que pode causar ferimentos.
Não confie apenas em macacos hidráulicos ou mecânicos para suporte. Utilize bases de macaco adequadas ou suporte equivalente.
Cuidadosamente, liberte a pressão dos componentes com energia acumulada.
Mantenha as mãos e os pés longe de peças em movimento. Se possível, não efetue qualquer ajuste quando o motor se encontrar em funcionamento. Se o procedimento de manutenção ou ajuste requerer que o motor esteja a funcionar e os componentes estejam em movimento, tenha muito cuidado.
Tocar em peças em movimento ou quentes pode provocar lesões graves.
Mantenha os dedos, mãos e roupa afastados dos componentes rotativos e das superfícies quentes.
Verifique frequentemente todos os parafusos para os manter bem apertados.
| Intervalo de assistência | Procedimento de manutenção |
|---|---|
| Após as pimeiras 5 horas |
|
| Em todas as utilizações ou diariamente |
|
| Após cada utilização |
|
| A cada 25 horas |
|
| A cada 100 horas |
|
| A cada 200 horas |
|
| Antes do armazenamento |
|
Se deixar a chave na ignição, alguém pode ligar acidentalmente o motor e feri-lo a si ou às pessoas que se encontrarem próximo da máquina.
Desligue o motor e retire a chave do interruptor antes de realizar qualquer manutenção.
Desaperte os dois parafusos inferiores da cortina para aceder à parte superior da plataforma do cortador (Figura 44).

Note: Aperte sempre os parafusos para colocar a cortina depois da manutenção.
Desligue o motor antes de verificar ou adicionar óleo no cárter.
Mantenha as mãos, pés, cara, roupa e outras partes do corpo afastadas da panela de escape e de outras superfícies quentes.
| Intervalo de assistência | Procedimento de manutenção |
|---|---|
| Em todas as utilizações ou diariamente |
|
Note: A manutenção do filtro de ar deverá ser mais frequente (após algumas horas) quando a máquina for utilizada em condições de grande poeira ou muita areia.
Pare a máquina numa superfície nivelada, desengate o interruptor de controlo das lâminas (PTO) e engate o travão de estacionamento.
Desligue o motor, retire a chave, espere até todas as peça móveis pararem e só depois saia da posição de operação.
Para evitar qualquer dano, limpe à volta da cobertura do filtro de ar para impedir a entrada de impurezas para o interior do motor.
Eleve a cobertura e rode o conjunto do filtro de ar para fora do motor (Figura 45).


Separe os filtros de esponja e papel (Figura 46).

| Intervalo de assistência | Procedimento de manutenção |
|---|---|
| A cada 25 horas |
|
| A cada 100 horas |
|
Lave o filtro de esponja com sabão líquido e água morna. Depois do filtro estar limpo, passe bem por água.
Seque o filtro apertando-o dentro de um pano limpo.
Important: Substitua o filtro de esponja se estiver rasgado ou usado.
| Intervalo de assistência | Procedimento de manutenção |
|---|---|
| A cada 100 horas |
|
| A cada 200 horas |
|
Limpe o elemento de papel batendo suavemente para remover a sujidade.
Note: Se estiver muito sujo, substitua o elemento de papel por um novo.
Verifique se o filtro tem rasgões, película de óleo ou o vedante de borracha danificado.
Substitua o filtro de papel se estiver danificado.
Important: Não limpe o filtro de papel.
Instale o elemento de esponja sobre o elemento de papel.
Note: Certifique-se de que não danifica os elementos.
Alinhe os furos do filtro nas portas do coletor.
Rode o filtro para baixo para a câmara e encaixe completamente contra o coletor (Figura 47).

Feche a cobertura.
Tipo de óleo: Óleo detergente (API, classificação SF, SG, SH, SJ ou SL)
Capacidade do cárter: 2,4 litros com o filtro de óleo
Viscosidade: Consultar o gráfico seguinte.

| Intervalo de assistência | Procedimento de manutenção |
|---|---|
| Em todas as utilizações ou diariamente |
|
Note: Verifique o óleo quando o motor está frio.
Important: Não encha demasiado o cárter com óleo e ligue o motor; pode causar danos no motor.
Pare a máquina numa superfície nivelada, desengate o interruptor de controlo das lâminas (PTO) e engate o travão de estacionamento.
Desligue o motor, retire a chave, espere até todas as peça móveis pararem e só depois saia da posição de operação.
Note: Certifique-se de que o motor frio para que o óleo tenha tempo para drenar para o reservatório.
Para manter a sujidade, as aparas de relva, etc., fora do motor, limpe a área em torno da tampa de enchimento e vareta antes de a remover (Figura 49).

| Intervalo de assistência | Procedimento de manutenção |
|---|---|
| Após as pimeiras 5 horas |
|
| A cada 100 horas |
|
Coloque a máquina numa superfície nivelada para assegurar que o óleo é completamente drenado.
Desengate o interruptor de controlo das lâminas (PTO) e engate o travão de estacionamento.
Desligue o motor, retire a chave e espere até todas as partes em movimento pararem antes de sair da posição de funcionamento.
Purgue o óleo do motor.


Substitua o filtro do óleo do motor (Figura 51).
Note: Certifique-se de que a junta do filtro de óleo está em contacto com o motor e, em seguida, rode o filtro uma volta adicional de ¾.

Deite cerca de 80% do óleo especificado no tubo de enchimento e adicione lentamente o óleo adicional até chegar à marca Cheio (Figura 52).

O óleo usado deve ser tratado num centro de reciclagem.
| Intervalo de assistência | Procedimento de manutenção |
|---|---|
| A cada 100 horas |
|
| A cada 200 horas |
|
Antes de montar as velas de ignição, certifique-se de que foi aplicada a folga correta entre os elétrodos central e lateral. Utilize uma chave de velas para retirar e montar a vela de ignição e um calibre de lâminas ou apalpa-folgas para verificar e ajustar as folgas. Instale vela de ignição nova se necessário.
Tipo: Champion® RN9YC ou NGK® BPR6ES
Folga de ar: 0,76 mm
Pare a máquina numa superfície nivelada, desengate o interruptor de controlo das lâminas (PTO) e engate o travão de estacionamento.
Desligue o motor, retire a chave, espere até todas as peça móveis pararem e só depois saia da posição de operação.
Limpe a área em redor da base da vela para que não entre sujidade e detritos no motor.
Retire a vela de ignição (Figura 53).

Important: Não limpe a(s) vela(s) de ignição. Substitua sempre as velas que tiverem uma cobertura preta, os elétrodos gastos, uma película de óleo ou apresentarem fissuras.
Se verificar uma cobertura castanha ou cinzenta no isolante, o motor está a funcionar corretamente. Uma cobertura preta no isolante indica que o filtro de ar está sujo.
Ajuste a folga para 0,76 mm.


| Intervalo de assistência | Procedimento de manutenção |
|---|---|
| Em todas as utilizações ou diariamente |
|
Pare a máquina numa superfície nivelada, desengate o interruptor de controlo das lâminas (PTO) e engate o travão de estacionamento.
Desligue o motor, retire a chave, espere até todas as peça móveis pararem e só depois saia da posição de operação.
Retire o filtro de ar do motor.
Retire o resguardo do motor.
Para evitar a entrada de detritos na admissão de ar, instale o filtro de ar na base do filtro.
Limpe os detritos e relva das peças.
Retire o filtro de ar e instale o resguardo do motor.
Instale o filtro do ar.
Em determinadas circunstâncias, o combustível é extremamente inflamável e altamente explosivo. Um incêndio ou explosão de combustível pode resultar em queimaduras e danos materiais.
Consulte a Abastecimento de combustível para obter uma lista completa das precauções relacionadas com combustível.
| Intervalo de assistência | Procedimento de manutenção |
|---|---|
| A cada 100 horas |
|
| A cada 200 horas |
|
Nunca instale um filtro sujo depois de o retirar do tubo de combustível.
Pare a máquina numa superfície nivelada, desengate o interruptor de controlo das lâminas (PTO) e engate o travão de estacionamento.
Desligue o motor, retire a chave, espere até todas as peça móveis pararem e só depois saia da posição de operação.
Substitua o filtro (Figura 56).
Note: Nota: certifique-se de que as marcas no filtro seguem a direção do fluxo do combustível.


Desligue a bateria antes de reparar a máquina. Desligue o terminal negativo em primeiro lugar e o terminal positivo no final. Ligue o terminal positivo em primeiro lugar e o terminal negativo no final.
Carregue a bateria num espaço aberto e bem ventilado, longe de faíscas e chamas. Retire a ficha do carregador da tomada antes de o ligar ou desligar da bateria. Utilize roupas adequadas e ferramentas com isolamento.
Retirar incorretamente os cabos da bateria pode danificar a máquina e os cabos, produzindo faíscas. As faíscas podem provocar uma explosão dos gases da bateria, resultando em ferimentos pessoais.
Desligue sempre o cabo negativo (preto) da bateria antes de desligar o cabo positivo (vermelho).
Ligue sempre o cabo positivo (vermelho) da bateria antes de ligar o cabo negativo (preto).
Pare a máquina numa superfície nivelada, desengate o interruptor de controlo das lâminas (PTO) e engate o travão de estacionamento.
Desligue o motor, retire a chave, espere até todas as peça móveis pararem e só depois saia da posição de operação.
Desaperte as duas fixações na cobertura da bateria no sentido contrário ao dos ponteiros do relógio 1/4 de volta e retire a cobertura (Figura 57).

Desligue o cabo negativo (preto) do pólo da bateria (Figura 58).
Note: Guarde todos os parafusos e porcas.
Deslize a cobertura de borracha para cobrir o cabo positivo (vermelho).
Desligue o cabo positivo (vermelho) do pólo da bateria (Figura 58).
Note: Guarde todos os parafusos e porcas.
Retire o suporte da bateria (Figura 58) e levante a bateria para a retirar da respetiva plataforma.

| Intervalo de assistência | Procedimento de manutenção |
|---|---|
| Antes do armazenamento |
|
Retire a bateria do chassis; consulte Remoção da bateria.
Carregue a bateria no mínimo 1 hora a 6 a 10 amperes.
Note: Não carregue demasiado a bateria.
Quando a bateria estiver totalmente carregada, desligue o carregador da tomada elétrica e em seguida desligue os cabos do carregador dos bornes da bateria (Figura 59).

Posicione da bateria no tabuleiro (Figura 58).
Ligue o cabo positivo (vermelho) ao terminal positivo (+) da bateria utilizando os fixadores previamente removidos.
Ligue o cabo negativo ao terminal negativo (-) da bateria utilizando os fixadores previamente removidos.
Deslize a proteção do terminal vermelho para o terminal positivo (vermelho) da bateria.
Prenda a bateria ao suporte (Figura 58).
Instale a cobertura da bateria empurrando e apertando as duas fixações no sentido dos ponteiros do relógio (Figura 57).
O sistema elétrico está protegido por fusíveis. Não é necessária qualquer manutenção; no entanto, se um fusível queimar, verifique se há alguma avaria ou curto-circuito no componente/circuito.
Tipo de fusível:
Principal – F1 (15 A, tipo lâmina)
Circuito de carga – F2 (25 A, tipo lâmina)
Para substituir o fusível principal (15 A), alcance a abertura na lateral da consola, retire o fusível e instale um novo fusível de 15 A (Figura 60).

Para substituir o fusível de carga (25 A), localize o fusível à esquerda da bateria, retire o fusível e instale um novo fusível de 25 A (Figura 61).

| Intervalo de assistência | Procedimento de manutenção |
|---|---|
| A cada 25 horas |
|
Mantenha a pressão do ar dos pneus dianteiro e traseiros como especificado. Se a pressão não for idêntica em todos os pneus o corte pode ficar irregular. Verifique a pressão na haste da válvula (Figura 62). Verifique os pneus quando estiverem frios, para obter uma leitura exata da pressão.
Consulte a pressão máxima sugerida pelo fabricante dos pneus na parte lateral dos pneus.
Encha as rodas giratórias dianteiras com 1,03 bar.
Encha os pneus traseiros com 0,9 bar.

| Intervalo de assistência | Procedimento de manutenção |
|---|---|
| A cada 25 horas |
|
Substitua a correia se estiver gasta. Os sinais apresentados por uma correia gasta são: ruído durante a rotação da correia, perda de eficácia das lâminas quando cortam, extremidades desfiadas, marcas de queimaduras e rachas na correia.
Os sinais apresentados por uma correia desgastada são os seguintes: chiado durante a rotação da correia, deslocamento das lâminas durante o corte, extremidades puídas, marcas de queimadura e fissuras na correia. Substitua a correia do cortador assim que notar algum destes sinais.
Pare a máquina numa superfície nivelada, desengate o interruptor de controlo das lâminas (PTO) e engate o travão de estacionamento.
Desligue o motor, retire a chave, espere até todas as peça móveis pararem e só depois saia da posição de operação.
Baixe o cortador até à altura de corte de 76 mm.
Retire a cortina da plataforma do cortador; consulte Libertação da cortina da plataforma do cortador.
Em cada uma das coberturas da correia, desaperte os 2 parafusos, mas não os retire.
Deslize a cobertura até que fique afastada dos parafusos e eleve-a para a remover.
Utilizando um removedor de molas (peça Toro n.º 92-5771), retire a mola intermédia do poste da plataforma para eliminar tensão da polia intermédia (Figura 63).

Baixe o cortador até à altura de corte mais baixa e coloque o pino da altura de corte na posição de bloqueio na altura de corte mais baixa.
Retire a correia das polias da plataforma do cortador e retire a correia existente.
Instale a nova correia em torno das polias do cortador e da polia da embraiagem sob o motor (Figura 63).
A mola está sob tensão quando está instalada e pode causar ferimentos pessoais.
Cuidado quando remover a correia.
Utilize um removedor de molas (peça Toro n.º 92-5771), instale a mola intermédia por cima do poste da plataforma para colocar tensão na polia intermédia e na correia do cortador (Figura 63).
Certifique-se de que a correia está bem encaixada em todas as polias.
Para instalar as coberturas da correia, insira as patilhas em cada cobertura em cada ranhura correspondente no suporte da plataforma, assegurando que encaixam.
Rode a cobertura para a plataforma e deslize os entalhes sob os parafusos desapertados até que encaixem.
Aperte os parafusos para prender a cobertura à plataforma.
Instale a cortina da plataforma do cortador; consulte Libertação da cortina da plataforma do cortador.
Uma lâmina desgastada ou danificada pode partir-se, podendo levar à projeção de um fragmento contra o utilizador ou alguém que esteja por perto e provocar lesões graves ou até mesmo a morte. A tentativa de reparar uma lâmina pode implicar a perda de segurança e garantia deste produto.
Inspecione periodicamente se as lâminas apresentam sinais de desgaste ou danos.
Tome todas as precauções necessárias quando efetuar a verificação das lâminas. Envolva as lâminas ou utilize luvas e tome todas as precauções necessárias quando efetuar a manutenção das lâminas. Substitua ou afie apenas as lâminas, não as endireite ou solde.
Em máquinas multilâminas, esteja atento ao facto de que a rotação de uma lâmina pode provocar a rotação das restantes.
Para assegurar uma qualidade de corte superior, mantenha as lâminas afiadas. Para retificação e substituição convenientes, tenha lâminas extra.
Pare a máquina numa superfície nivelada, desengate o interruptor de controlo das lâminas (PTO) e engate o travão de estacionamento.
Desligue o motor, retire a chave e desligue os fios das velas de ignição.
| Intervalo de assistência | Procedimento de manutenção |
|---|---|
| Em todas as utilizações ou diariamente |
|
Inspecione as extremidades de corte (Figura 64).
Se as extremidades não estiverem afiadas ou estiverem amolgadas, retire e afie a lâmina; consulte Afiação das lâminas.
Inspecione as lâminas, especialmente a área em curva.
Se verificar quaisquer fissuras, desgaste, ou a formação de ranhuras nesta área instale imediatamente uma lâmina nova (Figura 64).

Note: A máquina tem de estar numa superfície nivelada para o seguinte procedimento.
Eleve a plataforma do cortador para a posição de altura de corte mais elevada.
Usando luvas almofadadas ou outra proteção adequada para as mãos, rode lentamente lâmina para uma posição que lhe permita uma medição da distância entre a extremidade de corte e a superfície nivelada onde a máquina está (Figura 65).

Meça da ponta da lâmina até à superfície plana (Figura 66).

Rode a mesma lâmina 180 graus para que a extremidade de corte oposta fique na mesma posição (Figura 67).

Meça da ponta da lâmina até à superfície plana (Figura 68).
Note: A variação não deve ser superior a 3 mm.

Se a diferença entre A e B for superior a 3 mm, substitua a lâmina por uma lâmina nova; consulte Retiração das lâminas e Instalação das lâminas.
Note: Se uma lâmina dobrada for substituída por uma nova e a dimensão obtida continuar a ser superior a 3 mm, o eixo da lâmina pode estar dobrado. Contacte o Representante de assistência autorizado Toro para obter assistência.
Se a variação estiver dentro dos limites, passe para a lâmina seguinte.
Repita este procedimento em cada lâmina.
Substitua as lâminas se estas atingirem um objeto sólido ou se se encontrarem desequilibradas ou deformadas.
Segure na extremidade da lâmina, utilizando um trapo ou uma luva grossa.
Retire a cavilha da lâmina, a anilha curva, e a lâmina do eixo (Figura 69).

Utilize uma lima para afiar aresta de corte em ambas as extremidades da lâmina (Figura 70).
Note: Mantenha o ângulo original.
Note: A lâmina manterá o equilíbrio se for retirada a mesma quantidade de material de ambas as extremidades de corte.

Verifique o equilíbrio da lâmina colocando-a num equilibrador de lâminas (Figura 71).
Note: Se a lâmina ficar na horizontal é porque está equilibrada e pode ser utilizada.
Note: Se lâmina não estiver equilibrada, lime algum metal da extremidade da aba apenas (Figura 70).

Repita este procedimento até a lâmina estar equilibrada.
Instale lâmina no eixo (Figura 69).
Important: A parte curva da lâmina tem que estar virada para cima para o interior do cortador para se assegurar uma capacidade de corte adequada.
Instale a anilha curva (lado oval virado para a lâmina) e o parafuso da lâmina (Figura 69).
Aperte o parafuso da lâmina com uma força de 135 a 150 N·m.

Certifique-se de que verifica se a plataforma de corte está nivelada antes de instalar o cortador ou quando observar um corte não uniforme no relvado.
Verifique a plataforma do cortador para ver se existem lâminas dobradas antes da nivelação e remova e substitua todas as lâminas que estiverem dobradas; consulte Deteção de lâminas dobradas antes de continuar.
Nivele a plataforma do cortador nos dois lados antes de ajustar a inclinação da parte da frente e da parte de trás.
Requisitos:
A máquina tem de estar numa superfície nivelada.
Todos os pneus têm de estar com o enchimento devido; consulte Verificação da pressão dos pneus.
Pare a máquina numa superfície nivelada, desengate o interruptor de controlo das lâminas (PTO) e engate o travão de estacionamento.
Desligue o motor, retire a chave, espere até todas as peça móveis pararem e só depois saia da posição de operação.
Rode cuidadosamente as lâminas de um lado para o outro.
Meça entre as extremidades de corte exteriores e a superfície plana (Figura 73).
Note: Se ambas as medições não se encontrarem dentro do intervalo de 5 mm, é necessário um ajuste; consulte Nivelação da plataforma do cortador.

Verifique o nível da lâmina da frente para trás sempre que instalar o cortador. Se a parte da frente do cortador estiver mais de 7,9 mm mais baixa que a traseira, ajuste o nível da lâmina.
Pare a máquina numa superfície nivelada, desengate o interruptor de controlo das lâminas (PTO) e engate o travão de estacionamento.
Desligue o motor, retire a chave, espere até todas as peça móveis pararem e só depois saia da posição de operação.
Rode cuidadosamente as lâminas para que estejam da frente para trás (Figura 74).
Meça da ponta da lâmina da frente até à superfície plana e da ponta da lâmina de trás até à superfície plana (Figura 74).
Note: Se a parte da frente da lâmina não estiver 1,6 a 7,9 mm mais baixa do que a ponta da lâmina de trás, avance para o procedimento Nivelação da plataforma do cortador.

Regule os rolos antidanos para os furos superiores ou retire-os completamente para este procedimento; consulte Ajuste dos rolos antidanos.
Regule a alavanca da altura de corte para a posição de 7,6 cm; consulte Ajustar a altura de corte.
Coloque dois calços de 6,6 cm de espessura cada debaixo de cada lado da extremidade frontal da plataforma, mas não debaixo dos suportes do rolo antidanos (Figura 75).
Coloque dois calços de 7,3 cm de espessura cada debaixo da extremidade traseira da aba da plataforma de corte, um em cada lado da plataforma de corte (Figura 75).

Desaperte os parafusos de ajuste nos 4 cantos de forma que a plataforma assente de forma segura nos quatro calços (Figura 76).

Certifique-se de que existe tensão nas quatro correias (Figura 76).
Aperte os quatro parafusos de ajuste (Figura 76).
Certifique-se de que os blocos encaixam firmemente sob a aba da plataforma e que os parafusos estão bem apertados.
Verifique se a plataforma está nivelada verificando o nivelamento lateral e a inclinação da lâmina da frente para trás; repita o processo de nivelamento se necessário.
Pare a máquina numa superfície nivelada, desengate o interruptor de controlo das lâminas (PTO) e engate o travão de estacionamento.
Desligue o motor, retire a chave e desligue os fios das velas de ignição.
Baixe o cortador até à altura de corte de 76 mm.
Desaperte os dois parafusos inferiores que prendem a cortina da plataforma do cortador à plataforma; consulte Libertação da cortina da plataforma do cortador.
Remova a correia do cortador da polia do motor; consulte Substituição da correia do cortador .
Remova o perno de ganho e anilha que prendem o pino de articulação à estrutura e plataforma e remova a barra de ligação (Figura 77).

Eleve a plataforma do cortador para aliviar a tensão.
Retire as correntes dos ganchos nos braços de elevação da plataforma (Figura 78).

Eleve a altura de corte para a posição de transporte.
Retire a correia da polia da transmissão do motor.
Deslize o cortador para fora da parte da baixo da máquina.
Note: Guarde todas as peças para instalar futuramente.
Pare a máquina numa superfície nivelada, desengate o interruptor de controlo das lâminas (PTO) e engate o travão de estacionamento.
Desligue o motor, retire a chave e desligue os fios das velas de ignição.
Deslize o cortador sob a máquina.
Baixe a alavanca da altura de corte até à posição mais baixa.
Coloque o pino da altura de corte na posição de bloqueio na altura de corte mais baixa.
Eleve a traseira da plataforma do cortador e instale as correntes nos braços de elevação traseiros (Figura 78).
Instale as correntes frontais nos braços de elevação frontais (Figura 78).
Instale a barra de ligação comprida através da suspensão da estrutura e plataforma.
Prenda o pino de articulação com os contrapinos e anilhas removidos previamente (Figura 77).
Instale a correia do cortador na polia do motor; consulte Substituição da correia do cortador .
Aperte os 2 parafusos inferiores que prendem a cortina da plataforma do cortador à plataforma; consulte Libertação da cortina da plataforma do cortador.
| Intervalo de assistência | Procedimento de manutenção |
|---|---|
| Em todas as utilizações ou diariamente |
|
Uma abertura de descarga sem proteção pode fazer com que a máquina projete objetos na direção do utilizador ou outras pessoas e provocar ferimentos graves. Além disso, há o risco de contacto com a lâmina.
Nunca utilize a máquina a não ser que monte uma placa de cobertura, um defletor de relva ou um sistema de recolha de relva.
Verifique se há danos no defletor de relva antes de cada utilização. Substitua todas as peças danificadas antes da utilização.
Instale o contrapino (Figura 79).
Desengate a mola da ranhura no suporte do defletor e deslize a barra para fora dos suportes soldados da plataforma, mola e defletor de descarga (Figura 79).

Retire o defletor de relva danificado ou gasto.
Posicione o novo defletor de descarga com as extremidades do suporte entre os postes soldados na plataforma como se mostra na Figura 80.
Instale a mola na extremidade reta da barra.
Posicione a mola na barra como se mostra na Figura 80 de forma a que a extremidade mais pequena da mola saia por baixo da barra antes da dobra e que passe por cima da barra quando regressa da dobra.
Eleve a extremidade com volta da mola e coloque-a no entalhe do suporte do defletor (Figura 80).

Prenda o conjunto da barra e mola rodando-o de forma a que a extremidade curta da barra esteja por detrás do suporte frontal soldado à plataforma (Figura 80).
Important: O defletor de relva tem de estar com mola na posição baixa. Suba o defletor para testá-lo e verificar se desce por completo.
Instale o contrapino (Figura 79).
| Intervalo de assistência | Procedimento de manutenção |
|---|---|
| Após cada utilização |
|
Important: Pode lavar a máquina com água e um detergente suave. Não lave a máquina com sistemas de lavagem de pressão. Evite a utilização excessiva de água, especialmente próximo da zona do painel de controlo, debaixo do banco, em torno do motor, bombas e motores.
Lave a parte inferior da plataforma do cortador após cada utilização para evitar a acumulação de relva para uma melhor ação de cobertura e dispersão de aparas.
Pare a máquina numa superfície nivelada, desengate o interruptor de controlo das lâminas (PTO) e engate o travão de estacionamento.
Desligue o motor, retire a chave, espere até todas as peça móveis pararem e só depois saia da posição de operação.
Coloque união da mangueira na extremidade de limpeza do cortador e ligue a água em elevado (Figura 81).
Note: Espalhe vaselina no anel de retenção da união de lavagem para facilitar o deslizar da união e proteger o anel de retenção.

Baixe o cortador até à altura de corte mais baixa.
Sente-se no banco e ligue o motor.
Engate o interruptor de controlo das lâminas e deixe o cortador funcionar durante um a três minutos.
Desengate o interruptor de controlo das lâminas (PTO), desligue o motor, retire a chave da ignição e espere até todas as peças em movimento pararem.
Desligue a água e retire a união da lavagem.
Note: Se o cortador não ficar limpo após uma lavagem, molhe-o e aguarde 30 minutos. Em seguida, repita o processo.
Ligue o cortador novamente durante um a três minutos para remover a água em excesso.
Uma união de lavagem partida ou em falta pode expô-lo a si e aos outros à projeção de objetos ou contacto com a lâmina. O contacto com as lâminas e detritos projetados provoca ferimentos graves ou até mesmo a morte.
Substitua a união de lavagem partida ou em falta imediatamente, antes de utilizar novamente a máquina.
Nunca coloque as mãos ou pés sob o cortador ou nas aberturas da máquina.
Note: Não limpe os conjuntos dos amortecedores com água sob pressão (Figura 82).

O óleo do motor, as baterias, o fluido hidráulico e o líquido de arrefecimento do motor são substâncias que poluem o ambiente. Elimine estes produtos de acordo com os regulamentos estatais e locais.
Deixe arrefecer o motor antes de guardar a máquina.
Não guarde a máquina ou o combustível perto de chamas nem drene combustível em espaços fechados.
Desengate o interruptor de controlo das lâminas (PTO) e engate o travão de estacionamento.
Desligue o motor, retire a chave, espere até todas as peça móveis pararem e só depois saia da posição de operação.
Retire as aparas de relva, sujidade e lamas das partes exteriores de toda a máquina, especialmente do motor e do sistema hidráulico. Limpe toda a sujidade e outras impurezas da parte exterior das aletas da cabeça do motor e do alojamento do ventilador.
Important: Pode lavar a máquina com água e um detergente suave. Não lave a máquina com sistemas de lavagem de pressão. Evite a utilização excessiva de água, especialmente próximo da zona do painel de controlo, motor de combustão, bombas hidráulicas e motores elétricos.
Verifique o funcionamento do travão de estacionamento; consulte Utilização do travão de estacionamento.
Efetue a manutenção do filtro de ar; consulte Manutenção do filtro de ar.
Substitua o óleo do cárter; consulte Substituição do óleo e filtro do motor.
Verifique a pressão dos pneus; consulte Verificação da pressão dos pneus.
Carregue a bateria, consulte Carregamento da bateria.
Raspe qualquer acumulação de relva e sujidade da parte inferior do cortador e, em seguida, lave o cortador com uma mangueira de jardim.
Note: Coloque a máquina a funcionar com o interruptor de controlo da lâmina (PTO) engatado e o motor ao ralenti alto durante 2 a 5 minutos após a lavagem.
Verifique o estado das lâminas, consulte Manutenção das lâminas de corte.
Prepare a máquina para armazenamento quando não for utilizada durante mais de 30 dias. Prepare a máquina para armazenamento da seguinte forma:
Adicione ao depósito um estabilizador/condicionador de combustível com base de petróleo. Siga as instruções de mistura do fabricante do estabilizador. Não utilize um estabilizador com base de álcool (etanol ou metanol).
Note: O estabilizador/condicionador de combustível é mais eficaz quando é misturado com combustível novo e é utilizado frequentemente.
Ligue o motor para distribuir o combustível condicionado pelo sistema de combustível (5 minutos).
Desligue o motor, deixe-o arrefecer e, a seguir, faça a drenagem do depósito de combustível.
Ligue o motor e deixe-o em funcionamento até parar.
O combustível deverá ser eliminado de forma adequada. Recicle o combustível de acordo com as normas locais.
Important: Não armazene combustível com estabilizador/condicionador durante mais de 90 dias.
Retire e verifique o estado da(s) vela(s) de ignição; consulte Manutenção da vela de ignição. Depois de retirar a(s) vela(s) de ignição do motor, coloque 30 ml (duas colheres de sopa) de óleo de motor no orifício da vela. Utilize o arranque para fazer girar o motor e distribuir o óleo pelo interior do cilindro. Instale a(s) vela(s) de ignição. Não coloque os cabos nas velas de ignição.
Verifique e aperte todos os pernos, porcas e parafusos. Repare ou substitua qualquer peça danificada.
Pinte todas as superfícies de metal arranhadas ou descascadas. O serviço de pintura é disponibilizado pelo representante de assistência autorizado.
Guarde a máquina numa garagem ou armazém limpo e seco. Retire a chave da ignição e guarde-a fora do alcance das crianças ou de utilizadores não autorizados. Tape a máquina para a proteger e mantê-la limpa.
Carregue totalmente a bateria.
Deixe a bateria descansar durante 24 horas; depois verifique a tensão da bateria.
Note: Se a tensão da bateria for inferior a 12,6 V, repita os passos 1 e 2.
Desligue os cabos da bateria.
Verifique periodicamente a tensão para se certificar de que esta está a 12,4 V ou mais.
Note: Se a tensão da bateria for inferior a 12,4 V, repita os passos 1 e 2.
Guarde a bateria numa área fresca e seca na vertical.
Não empilhe baterias diretamente umas em cima das outras, a não ser que estejam dentro de embalagens.
Não empilhe mais do que 3 baterias (só 2, se o tipo de bateria for comercial).
Teste uma bateria húmida a cada 4 a 6 meses e carregue-a, se necessário.
Teste sempre e carregue a bateria antes de a instalar.
| Problem | Possible Cause | Corrective Action |
|---|---|---|
| O depósito de combustível apresenta sinais de colapso ou a máquina apresenta frequentemente sinais de estar sem combustível. |
|
|
| Sobreaquecimento do motor. |
|
|
| O arranque elétrico não dá sinal. |
|
|
| O motor não arranca, arranca com dificuldade ou não permanece em funcionamento. |
|
|
| O motor perde potência. |
|
|
| A máquina não anda. |
|
|
| A máquina vibra de forma anormal. |
|
|
| A altura de corte não é uniforme. |
|
|
| As lâminas não rodam. |
|
|
