| Периодичность технического обслуживания | Порядок технического обслуживания |
|---|---|
| Перед каждым использованием или ежедневно |
|
Данная ездовая газонокосилка с плосковращательными ножами предназначена для использования владельцами жилых домов в личном хозяйстве. Она предназначена главным образом для регулярного скашивания травы на ухоженных газонах.
Внимательно прочтите данное Руководство, чтобы знать, как правильно использовать и обслуживать машину, не допуская ее повреждения и травмирования персонала. Вы несете ответственность за правильное и безопасное использование машины.
Посетите веб-сайт www.Toro.com для получения информации о технике безопасности при работе с изделием, обучающих материалов по эксплуатации изделия, информации о принадлежностях, а также для получения помощи в поисках дилера или для регистрации вашего изделия.
Для выполнения технического обслуживания, приобретения оригинальных запчастей Toro или получения дополнительной информации обращайтесь в сервисный центр официального дилера или в отдел технического обслуживания компании Toro. Не забудьте при этом указать модель и серийный номер изделия. На Рисунок 1 показано расположение номера модели и серийного номера. Запишите номера в предусмотренном для этого месте.
Important: С помощью мобильного устройства вы можете отсканировать QR-код на табличке с серийным номером (при наличии), чтобы получить информацию по гарантии и запчастям, а также другие сведения об изделии.

Запишите название модели и серийный номер в поля, отведенные для этой цели ниже:
Для выделения информации в данном руководстве используются два слова. Внимание — привлекает внимание к специальной информации, относящейся к механической части машины, и Примечание — выделяет общую информацию, требующую специального внимания.
Данное изделие удовлетворяет всем соответствующим европейским директивам; подробные сведения содержатся в документе «Декларация соответствия» на каждое отдельное изделие.
Максимальный полезный крутящий момент (нетто): максимальный полезный крутящий момент (нетто) данного двигателя установлен в лабораторных условиях производителем двигателя в соответствии с требованиями J1940 или J2723 Сообщества автомобильных инженеров (SAE). Так как конфигурация двигателя была изменена для удовлетворения требований по безопасности, составу выхлопа и эксплуатации, фактический крутящий момент двигателя газонокосилки этого класса будет значительно ниже. См. информацию производителя двигателя, прилагаемую к машине.
С техническими характеристиками данной модели можно ознакомиться на веб-сайте www.Toro.com.
Important: Если вы эксплуатируете машину c двигателем Toro на высоте более 1500 м в течение длительного времени, убедитесь, что на ней установлен высотный комплект, чтобы двигатель удовлетворял требованиям директив по токсичности выхлопа CARB/EPA. Высотный комплект увеличивает производительность двигателя, предотвращает засорение свечи зажигания, трудности с запуском и повышенный выброс вредных веществ. После установки комплекта прикрепите предупреждающую наклейку о высотном комплекте рядом с наклейкой с серийным номером на машине. Для приобретения подходящего высотного комплекта и предупреждающей наклейки для машины обратитесь в сервисный центр официального дилера Toro. Чтобы найти ближайшего дилера, посетите веб-сайт www.Toro.com или свяжитесь с отделом обслуживания заказчиков компании Toro по телефону (телефонам), указанному в ваших «Гарантийных обязательствах на системы снижения токсичности отработавших газов».При работе двигателя на высоте ниже 1500 м снимите комплект с двигателя и восстановите его исходную заводскую конфигурацию. Запрещается эксплуатация на малых высотах двигателя, переоборудованного для работы на большой высоте, так как это может вызвать перегрев и повреждение двигателя.В случае сомнения, переоборудована ли ваша машина для работы на большой высоте над уровнем моря, посмотрите, имеется ли следующая наклейка.

Данная машина была спроектирована в соответствии с требованиями стандарта EN ISO 5395:2013.
Данный символ предупреждения об опасности (Рисунок 3) используется как в этом руководстве, так и на машине, чтобы обозначить важные указания о безопасности, которые следует выполнять для предотвращения несчастных случаев.
Этот символ означает следующее: ВНИМАНИЕ! БУДЬТЕ ОСТОРОЖНЫ! РЕЧЬ ИДЕТ О ВАШЕЙ БЕЗОПАСНОСТИ!

Символ предупреждения об опасности расположен над текстом, который сообщает вам о небезопасных действиях или ситуациях, этот символ сопровождается словами: ОПАСНО!, ПРЕДУПРЕЖДЕНИЕ! или ОСТОРОЖНО!.
ОПАСНО!: указывает на неизбежную опасную ситуацию, которая, если ее не предотвратить, приведет к гибели или серьезным травмам людей.
ПРЕДУПРЕЖДЕНИЕ!: указывает на потенциально опасную ситуацию, которая, если ее не предотвратить, может привести к гибели или серьезным травмам людей.
ОСТОРОЖНО!: указывает на потенциально опасную ситуацию, которая, если ее не предотвратить, может привести к травмам легкой или средней тяжести.
Для выделения информации в данном руководстве используются два слова. Внимание — привлекает внимание к специальной информации, относящейся к механической части машины, и Примечание — выделяет общую информацию, требующую специального внимания.
Несоблюдение правил техники безопасности при эксплуатации данной машины может привести к травматической ампутации рук и ног, а также к выбросу посторонних предметов. Компания Toro спроектировала и испытала эту газонокосилку для обеспечения надлежащей безопасности при эксплуатации; однако несоблюдение инструкций по технике безопасности может привести к травме или гибели.
Прочитайте, изучите и соблюдайте все указания и предупреждения, которые имеются в «Руководстве оператора» и других учебных материалах, на машине, двигателе и навесном оборудовании. Все операторы и механики должны пройти профессиональную подготовку. Если оператор (операторы) или механик (механики) не могут прочитать данное руководство, владелец обязан объяснить им данный материал; на веб-сайте Toro можно найти руководства на других языках.
К эксплуатации данной машины разрешается допускать только обученных, ответственных и физически способных управлять машиной операторов, которые знают правила безопасной эксплуатации, знакомы с органами управления, знаками безопасности и инструкциями. Запрещается допускать детей и неподготовленных людей к эксплуатации и обслуживанию данного оборудования. Минимальный возраст оператора устанавливается местными правилами и нормами.
Запрещается эксплуатировать машину рядом с обрывами, канавами, насыпями, водоемами, другими опасностями или на склонах крутизной более 15 градусов.
Не помещайте руки и ноги рядом с движущимися компонентами машины.
Запрещается эксплуатировать машину с неисправными ограждениями, щитками и крышками. Защитные кожухи, ограждения, выключатели и другие устройства всегда должны быть установлены на штатных местах и находиться в исправном рабочем состоянии.
Прежде чем приступить к техническому обслуживанию, дозаправке топливом или очистке, остановите машину, выключите двигатель и извлеките ключ.

![]() |
Предупреждающие наклейки и инструкции по технике безопасности должны быть хорошо видны оператору и установлены во всех местах потенциальной опасности. При отсутствии или повреждении наклейки следует установить новую наклейку. |




















Прежде чем запустить двигатель и начать эксплуатацию машины, хорошо ознакомьтесь с функциями всех органов управления, показанных на Рисунок 6 и Рисунок 7.

Указатель уровня топлива показывает количество топлива в баке (Рисунок 7).

Рычаг дроссельной заслонки позволяет плавно регулировать частоту вращения двигателя от положения Медленно до положения Быстро (Рисунок 6).
Используйте воздушную заслонку для запуска холодного двигателя.
Счетчик моточасов показывает общую наработку двигателя в часах. Моточасы подсчитываются только при работающем двигателе. Используйте его показания для планирования регулярного технического обслуживания (Рисунок 6).
Рычаги управления движением предназначены для перемещения машины вперед/назад и выполнения поворотов в любом направлении (Рисунок 5).
Прежде чем покинуть машину переведите рычаги управления движением наружу, из центрального положения в нейтральное фиксированное положение (Рисунок 32). Всегда переводите рычаги управления движением в нейтральное фиксированное положение, когда вы останавливаете машину или оставляете ее без присмотра.
Рычаг стояночного тормоза расположен на левой стороне консоли (Рисунок 5). Рычаг тормоза включает стояночный тормоз на ведущих колесах.
Для включения стояночного тормоза потяните рычаг вверх до его фиксации в фиксирующем пазу.
Для выключения стояночного тормоза выведите рычаг из фиксирующего паза и на себя, затем нажмите на него вниз.
Система подъема деки ножной педалью позволит оператору опустить и поднять деку, находясь на сиденье. Ножную педаль можно использовать для кратковременного подъема деки во избежание столкновения с препятствиями или для фиксации деки на максимальной высоте скашивания или в транспортном положении (Рисунок 5).
Рычаг системы управления Smart Speed™, расположенный ниже сиденья оператора, дает возможность перемещать машину в 3 диапазонах скоростей: «подравнивание», «буксировка» и «скашивание» (Рисунок 5).
Используйте розетку питания 12 В для питания дополнительных 12-вольтовых принадлежностей (Рисунок 6).
Important: Когда вы не используете розетку питания 12 В, вставьте резиновую заглушку для предотвращения повреждения розетки.
Выключатель зажигания, используемый для пуска и останова двигателя, имеет три положения: ВЫКЛ, РАБОТА и ПУСК. См. Пуск двигателя.
Переключатель управления ножами, обозначенный символом механизма отбора мощности (PTO), включает и выключает подачу мощности на ножи газонокосилки (Рисунок 6).
Рычаг регулировки высоты скашивания используется вместе с ножной педалью для фиксации деки в заданном положении высоты скашивания. Регулируйте высоту скашивания, только когда машина не движется (Рисунок 5).
Для улучшения и расширения возможностей машины можно использовать ряд утвержденных компанией Toro вспомогательных приспособлений и навесного оборудования. Обратитесь в сервисный центр официального дилера, к официальному дистрибьютору компании Toro или посетите сайт www.Toro.com, на котором приведен список всего утвержденного навесного оборудования и принадлежностей.
Для поддержания оптимальных рабочих характеристик машины и регулярного прохождения сертификации безопасности всегда приобретайте только оригинальные запасные части и приспособления компании Toro. Использование запасных частей и приспособлений, изготовленных другими производителями, может быть опасным и привести к аннулированию гарантии на изделие.
Note: Определите левую и правую стороны машины относительно места оператора.
Осмотрите участок и определите, какие приспособления и навесные орудия понадобятся для правильного и безопасного выполнения работы. Используйте только принадлежности и навесное оборудование, утвержденные Toro.
Осмотрите площадку, на которой будет использоваться данное оборудование, и удалите из рабочей зоны все камни, игрушки, палки, провода, кости и другие посторонние предметы. Они могут быть отброшены машиной или препятствовать ее работе и стать причиной нанесения травм оператору и посторонним лицам.
Используйте подходящие средства индивидуальной защиты, такие как защитные очки, прочную нескользящую обувь, а также средства защиты органов слуха. Завяжите длинные волосы на затылке и не надевайте свободную одежду или висячие ювелирные украшения, которые могут быть затянутыми движущимися частями.
Производимый данной машиной уровень звукового давления на органы слуха оператора превышает 85 дБА и при длительном воздействии может привести к потере слуха.
При работе с данной машиной используйте средства защиты органов слуха.
Проверьте надежность крепления и исправность механизма контроля присутствия оператора, предохранительных выключателей и защитных кожухов. Не приступайте к эксплуатации оборудования, пока не убедитесь в правильной работе этих устройств.
Не эксплуатируйте газонокосилку, когда люди (особенно дети) или животные находятся в рабочей зоне. Останавливайте машину и навесное оборудование, когда кто-либо входит в рабочую зону.
Не допускается эксплуатировать машину без системы сбора травы в комплекте, отражателя выброса или других защитных устройств, установленных на штатных местах и находящихся в исправном рабочем состоянии. Компоненты подхватчика травы подвержены износу и повреждениям в процессе эксплуатации, что может привести к обнажению движущихся частей или выбросу предметов. Регулярно проверяйте машину на наличие изношенных компонентов или компонентов с ухудшенными эксплуатационными показателями и при необходимости заменяйте их, используя запчасти, рекомендованные изготовителем.
Заправьте топливный бак на ровной горизонтальной поверхности. Дополнительную информацию по заправке бензином см. в пункте Рекомендации по выбору топлива раздела «Технические характеристики».
Не добавляйте в бензин масло.
Не переполняйте топливный бак. Заполните топливный бак до нижней кромки заливной горловины. Это пустое пространство в баке позволит топливу расширяться. Переполнение бака может привести к утечке топлива и повреждению двигателя или системы выхлопа.
Вы должны хорошо знать все органы управления, их расположение, назначение и требования техники безопасности при работе с ними.
Обратитесь к разделу «Техническое обслуживание» и выполните все необходимые действия по проверке и обслуживанию машины.
Будьте особенно осторожны при обращении с топливом.
При определенных условиях бензин является чрезвычайно огнеопасным и взрывоопасным веществом.
Возгорание или взрыв бензина могут вызвать ожоги у вас или других лиц и повредить имущество.
Заправляйте топливный бак вне помещения на открытом воздухе, на ровной поверхности и при холодном двигателе. Сразу же вытирайте пролитый бензин.
Запрещается доливать топливо в бак и сливать топливо с машины, находящейся в помещении или внутри закрытого прицепа.
Не заправляйте топливный бак до предела. Заполните топливный бак до нижней кромки заливной горловины. Это пустое пространство в баке позволит топливу расширяться. Переполнение бака может привести к утечке топлива и повреждению двигателя или системы выхлопа.
Запрещается курить при работе с бензином. Держитесь вдали от источника открытого пламени и от мест, где бензин может воспламениться от искры.
Храните бензин в штатной емкости в месте, недоступном для детей.
Доливайте топливо перед пуском двигателя. Запрещается снимать крышку топливного бака и доливать топливо во время работы двигателя, а также при горячем двигателе.
В случае разлива топлива не пытайтесь запустить двигатель. Покиньте зону разлива и не допускайте появления какого-либо источника возгорания до тех пор, пока пары топлива не испарятся.
Не эксплуатируйте машину без исправной выхлопной системы.
При определенных условиях во время заправки может накопиться статическое электричество и возникнуть искра, что приведет к воспламенению паров бензина. Возгорание или взрыв топлива могут вызвать ожоги у вас или других лиц и повредить имущество.
Перед заполнением ставьте емкости на землю, в стороне от транспортного средства.
Запрещается заправлять топливные емкости, находящиеся внутри транспортного средства или на платформе грузовика или прицепа, так как внутреннее ковровое покрытие или пластмассовая облицовка платформы грузовика могут изолировать емкость и замедлить рассеяние статического заряда.
По возможности, снимайте оборудование, имеющее бензиновый двигатель, с грузовика или прицепа, и заправляйте его на земле.
При отсутствии такой возможности заправлять оборудование на прицепе следует из переносной емкости, а не с помощью заправочного пистолета.
При использовании бензозаправочного пистолета держите его прижатым к краю заливной горловины топливного бака или емкости до окончания заправки. Не используйте пистолет с фиксатором открытого положения.
Бензин опасен для здоровья или может привести к гибели при проглатывании. Продолжительное воздействие паров вызывало онкологические заболевания у лабораторных животных. Несоблюдение мер предосторожности может привести к серьезной травме или заболеванию.
Не вдыхать пары топлива.
Не приближайте лицо к патрубку и топливному баку или отверстию емкости.
Не допускайте попадания топлива в глаза и на кожу.
Запрещается засасывать топливо ртом.
Меры по предотвращению возгорания:
Не допускайте, чтобы на двигателе и вокруг него скапливались трава, листья, излишняя смазка, масло или другие загрязнения.
Удаляйте следы утечек масла или топлива, а также мусор, пропитанный топливом.
Дайте двигателю остыть перед постановкой машины на хранение в закрытом помещении. Запрещается хранить машину рядом с открытым пламенем или в любой закрытой зоне, где есть открытое пламя малых горелок или нагревательные приборы.
Для наилучших результатов используйте только чистый, свежий (полученный в течение последних 30 дней), неэтилированный бензин с октановым числом 87 или выше (метод оценки (R+M)/2).
Этиловый спирт: приемлемым считается бензин, содержащий по объему до 10% этилового спирта или 15% MTBE (метил-трет-бутилового эфира). Этиловый спирт и MTBE — это разные вещества. Запрещается использовать бензин с содержанием этилового спирта 15% (E15) по объему. Запрещается использовать бензин, содержащий более 10% этилового спирта по объему, такой как E15 (содержит 15% этилового спирта), E20 (содержит 20% этилового спирта) или E85 (содержит до 85% этилового спирта). Использование запрещенного к применению бензина может привести к нарушениям эксплуатационных характеристик и (или) повреждениям двигателя, которые не будут покрываться гарантией.
Запрещается использовать бензин, содержащий метанол.
Запрещается хранить топливо без стабилизирующей присадки в топливных баках или емкостях на протяжении всего зимнего периода.
Не добавляйте в бензин масло.
Чтобы сохранять топливо свежим в машине в течение более длительного времени, всегда добавляйте в него стабилизирующую (кондиционирующую) присадку в соответствии с указаниями изготовителя присадки.
Important: Не допускается использовать топливные присадки, содержащие метанол или этанол.
Добавьте надлежащее количество стабилизирующей (кондиционирующей) присадки в свежее топливо, следуя указаниям изготовителя присадки.
Установите машину на ровной поверхности.
Включите стояночный тормоз.
Выключите двигатель и извлеките ключ из замка зажигания.
Очистите поверхность вокруг крышки топливного бака.
Заполните топливный бак до отметки full (полный) на топливном указателе (Рисунок 8).
Note: Не заправляйте топливный бак до предела. Пустое пространство в баке позволит топливу расширяться.

Каждый день перед запуском машины необходимо выполнять «Процедуру ежедневного обслуживания», описанную в разделе .
Новым двигателям требуется определенное время, чтобы начать работать на полную мощность. В новых деках газонокосилок и системах привода трение деталей выше, поэтому на двигатель воздействует дополнительная нагрузка. Для достижения полной мощности и наилучших эксплуатационных характеристик выполняйте обкатку новых машин в течение 40–50 часов.
В случае отсоединения или повреждения защитных блокировочных выключателей возможно непредвиденное срабатывание машины, которое может привести к травмированию.
Не вмешивайтесь в работу блокировочных выключателей.
Ежедневно проверяйте работу блокировочных выключателей и заменяйте все поврежденные выключатели перед эксплуатацией машины.
Система защитных блокировок предотвращает запуск двигателя, если не выполнены следующие условия:
Переключатель управления ножами (PTO) выключен.
Рычаги управления движением находятся в нейтральном фиксированном положении.
Включен стояночный тормоз.
Система защитных блокировок предназначена также для останова двигателя, когда рычаги управления перемещаются из NEUTRAL-LOCK (Нейтрального фиксированного) положения и вы встаете с сиденья.
| Периодичность технического обслуживания | Порядок технического обслуживания |
|---|---|
| Перед каждым использованием или ежедневно |
|
Проверяйте систему защитных блокировок перед каждым использованием машины. Если система защиты не работает так, как описано ниже, немедленно отремонтируйте ее в сервисном центре официального дилера.
Сядьте на сиденье, включите стояночный тормоз и переведите переключатель управления ножами (РТО) в положение ON (Вкл.) Попробуйте запустить двигатель; двигатель не должен проворачиваться.
Сядьте на сиденье, включите стояночный тормоз и переведите переключатель управления ножами (РТО) в положение OFF (Выкл.) Переместите любой из рычагов управления движением (выведите его из NEUTRAL-LOCK (нейтрального фиксированного) положения). Попробуйте запустить двигатель; двигатель не должен проворачиваться. Повторите эти действия для другого рычага управления.
Сядьте на сиденье, включите стояночный тормоз, переведите переключатель управления ножами (PTO) в положение OFF (Выкл.) и переведите рычаги управления движением в NEUTRAL-LOCK (Нейтральное фиксированное) положение. Запустите двигатель. При работающем двигателе выключите стояночный тормоз, включите переключатель управления ножами (PTO) и привстаньте с сиденья; двигатель должен остановиться.
Сядьте на сиденье, включите стояночный тормоз, переведите переключатель управления ножами (PTO) в положение OFF (Выкл.) и переведите рычаги управления движением в NEUTRAL-LOCK (Нейтральное фиксированное) положение. Запустите двигатель. При работающем двигателе переведите в среднее положение любой из рычагов управления движением, затем переместите его вперед или назад; двигатель должен остановиться. Повторите эти действия для другого рычага управления движением.
Сядьте на сиденье, выключите стояночный тормоз, переведите переключатель управления ножами (PTO) в положение OFF (Выкл.) и переведите рычаги управления движением в NEUTRAL-LOCK (Нейтральное фиксированное положение. Попробуйте запустить двигатель; двигатель не должен проворачиваться.
Сиденье можно передвинуть вперед и назад. Установите сиденье в наиболее удобное положение для управления машиной (Рисунок 9).

Систему подвески MyRide™ можно отрегулировать для обеспечения плавной и удобной езды. Два узла задних амортизаторов можно отрегулировать, чтобы быстро и легко изменить настройки системы подвески. Установите систему подвески в наиболее удобное положение.
В пазах узлов задних амортизаторов есть положения с фиксацией для ориентации. Узлы задних амортизаторов можно установить в любые положения в пазах, не только в положения с фиксацией.
На следующем рисунке показаны положения для мягкого или жесткого хода и различные положения с фиксацией (Рисунок 10).

Note: Следите, чтобы левый и правый узлы амортизаторов всегда были установлены в одинаковые положения.
Отрегулируйте узлы задних амортизаторов (Рисунок 11).


Вы можете установить рычаги управления движением выше или ниже для максимального удобства (Рисунок 12).

Рычаги управления движением можно сместить вперед или назад для удобства оператора.
Ослабьте верхний болт, который крепит рычаг управления к валу рычага управления.
Ослабьте нижний болт только в такой степени, чтобы можно было наклонить рычаг управления вперед или назад (Рисунок 12).
Затяните оба болта, чтобы закрепить рычаг управления в новом положении.
Повторите эту регулировку для другого рычага управления.
Дека и ножи газонокосилки, поставляемые в комплекте с машиной, рассчитаны на оптимальное мульчирование и работу в режиме бокового выброса.
Установите крепежные детали в те же отверстия деки, из которых они были первоначально сняты. Благодаря этому ни одно из отверстий не останется открытым при работе деки газонокосилки.
Открытые отверстия в машине подвергают вас и других лиц опасности из-за выброса мусора, которые могут стать причиной серьезной травмы.
Эксплуатация машины разрешается только в том случае, если во все отверстия корпуса машины установлены крепежные детали.
Установите крепежные детали в монтажные отверстия, когда вы снимете дефлектор для мульчирования.
Припаркуйте машину на ровной горизонтальной поверхности, выключите переключатель управления ножами и включите стояночный тормоз.
Прежде чем покинуть рабочее место оператора, выключите двигатель, извлеките ключ и дождитесь остановки всех движущихся частей машины.
Снимите деку газонокосилки; см. раздел Демонтаж деки газонокосилки.
Отверните 2 контргайки (5/16 дюйма) от приваренных стержней левого дефлектора в верхней части деки газонокосилки в среднем положении и слева от среднего положения (Рисунок 13).

Отверните каретный болт и контргайку на боковой стенке деки газонокосилки, которые крепят левый дефлектор к деке.
Снимите левый дефлектор с деки газонокосилки, как показано на Рисунок 13.
Отверните 2 каретных болта (5/16 x ¾ дюйма) и 2 контргайки (5/16 дюйма), которые крепят собранный узел правого дефлектора с ограждением дефлектора к деке газонокосилки (Рисунок 14).

Отверните 2 контргайки (5/16 дюйма), которые крепят приваренные стержни правого дефлектора к верхней части деки газонокосилки в среднем положении и справа от среднего положения (Рисунок 15).
Note: Снимите правый дефлектор с деки газонокосилки.

Найдите отсекающий дефлектор в пакете с отдельными деталями и снимите крепежные детали в задних отверстиях пластины выброса (Рисунок 16).

Установите дефлектор в месте расположения отверстия бокового выброса деки газонокосилки.
Используйте снятые крепежные детали для крепления отсекающего дефлектора к деке.
Установите деку газонокосилки; см. раздел Установка деки газонокосилки.
Припаркуйте машину на ровной горизонтальной поверхности, выключите переключатель управления ножами и включите стояночный тормоз.
Прежде чем покинуть рабочее место оператора, выключите двигатель, извлеките ключ и дождитесь остановки всех движущихся частей машины.
Снимите деку газонокосилки; см. раздел Демонтаж деки газонокосилки.
Отверните 3 контргайки (5/16 дюйма) от приваренных стержней левого дефлектора в верхней части деки газонокосилки в среднем положении, слева от среднего положения и в левом положении (Рисунок 17).

Отверните каретный болт и контргайку на боковой стенке деки газонокосилки, который крепит левый дефлектор к деке (Рисунок 17).
Снимите левый дефлектор с деки газонокосилки (Рисунок 17).
Найдите 2 болта в наборе отдельных деталей и используйте имеющиеся контргайки, чтобы установить крепежные детали в отверстия деки газонокосилки, показанные на Рисунок 17, для предотвращения выброса мусора.
Note: Установите болт снизу вверх через нижнюю сторону деки и используйте имеющуюся контргайку для фиксации его сверху.
Отверните каретный болт (5/16 x ¾ дюйма) и контргайку (5/16 дюйма) на задней стенке деки газонокосилки, которые крепят дефлектор к деке (Рисунок 18).

Найдите ограждение дефлектора на передней кромке отверстия бокового выброса (Рисунок 18).
Снимите детали крепления ограждения дефлектора и правого дефлектора к деке газонокосилки (Рисунок 18).
Note: Снимите ограждение дефлектора и сохраните все крепежные детали.
Отверните 2 контргайки (5/16 дюйма), которые крепят приваренные стержни правого дефлектора к верхней части деки газонокосилки в среднем положении и справа от среднего положения (Рисунок 19).

Снимите каретный болт и контргайку, которые крепят правый дефлектор к верхней части деки газонокосилки, и снимите правый дефлектор с деки газонокосилки (Рисунок 19).
Используйте ранее снятые крепежные детали, установив их в передние отверстия пластины выброса и переднее отверстие деки (Рисунок 18).
Найдите отсекающий дефлектор в пакете с отдельными деталями, снимите крепежные детали в задних отверстиях пластины выброса и установите дефлектор в месте расположения отверстия бокового выброса деки газонокосилки (Рисунок 20).

Используйте снятые крепежные детали для крепления отсекающего дефлектора к деке.
Установите деку газонокосилки; см. раздел Установка деки газонокосилки.
Оператор должен быть предельно внимателен при работе на машине. Во избежание травмирования людей или повреждения имущества не отвлекайтесь во время работы.
Работающие части двигателя, особенно глушитель, сильно нагреваются. При контакте возможен сильный ожог, а мусор, такой как листья, трава, хворост и т.п., может загореться.
Прикасаться к горячему двигателю (в особенности к глушителю) запрещено. Дождитесь остывания узлов и деталей двигателя.
Удалите скопившийся мусор с глушителя и из зоны двигателя.
Выхлоп двигателя содержит ядовитый угарный газ, не имеющий запаха, который может привести к гибели оператора.
Запрещается запускать двигатель в помещении или небольшом ограниченном пространстве, где может скапливаться опасный угарный газ.
Владелец (пользователь) несет ответственность за несчастные случаи и травмы, нанесенные людям, а также за причинение ущерба имуществу, и должен принять меры по предотвращению таких случаев.
Данная газонокосилка рассчитана на работу только с одним оператором. Не перевозите пассажиров и не допускайте к машине посторонних лиц во время работы.
Запрещается управлять машиной в состоянии болезни, усталости, а также под воздействием алкоголя или сильнодействующих лекарственных препаратов.
Эксплуатируйте машину только при дневном свете или достаточном искусственном освещении.
Грозовой разряд может стать причиной тяжелых травм или гибели. При появлении признаков грозы (молния, гром) следует немедленно прекратить эксплуатацию машины и найти укрытие.
Будьте крайне осторожны при использовании принадлежностей или навесного оборудования. Они могут изменить устойчивость машины и привести к потере управления. Следуйте указаниям по установке противовесов, если это требуется.
Держитесь на безопасном расстоянии от ям, выбоин, ухабов, камней и других скрытых опасностей. Будьте осторожны, приближаясь к закрытым поворотам, деревьям, кустарнику, высокой траве или к другим объектам, которые могут ухудшать обзор. При движении по неровной поверхности машина может перевернуться, а оператор потерять равновесие или устойчивость.
Прежде чем запустить двигатель, убедитесь, что все приводы находятся в нейтральном положении и стояночный тормоз включен.
Запускайте двигатель осторожно, следуйте инструкциями, держите ноги достаточно далеко от ножей.
Запрещается эксплуатировать газонокосилку с поврежденными ограждениями, кожухом или крышками. Защитные кожухи, ограждения, выключатели и другие устройства всегда должны быть установлены на штатных местах и находиться в исправном рабочем состоянии.
Следует поддерживать безопасное расстояние до отверстия выброса. Запрещается косить, когда дверца выброса поднята, снята или ее конструкция изменена, кроме случаев, когда установлена исправная система сбора травы или комплект для мульчирования.
Необходимо поддерживать безопасное расстояние до движущихся частей машины. По возможности НЕ ВЫПОЛНЯЙТЕ регулировки при работающем двигателе.
Руки, ноги, волосы, одежда или аксессуары могут быть затянуты вращающимися компонентами. Контакт с вращающимися частями может привести к травматической ампутации или опасным рваным ранам.
ЗАПРЕЩАЕТСЯ эксплуатировать машину без установленных на штатных местах исправных ограждений, кожухов и защитных устройств.
Следите, чтобы руки, ноги, волосы, ювелирные украшения и одежда находились на безопасном расстоянии от вращающихся частей.
Запрещается поднимать деку с вращающимися ножами.
Следите за направлением выброса газонокосилки и направляйте выброс в сторону от других людей. Следите, чтобы отбрасываемый материал не попадал в стену или другое препятствие, поскольку он может отскочить рикошетом в вашу сторону. При пересечении участков, не имеющих травяного покрова, а также при транспортировке газонокосилки к зоне скашивания и обратно остановите ножи, снизьте скорость и соблюдайте меры предосторожности.
Будьте внимательны, при выполнении поворотов снижайте скорость и соблюдайте осторожность. Перед сменой направления движения посмотрите назад и по сторонам. Производите скашивание в обратном направлении только в случае крайней необходимости.
Не изменяйте настройку регулятора оборотов двигателя и не превышайте его допустимую частоту вращения.
Установите машину на ровной поверхности. Выключите двигатель, дождитесь остановки всех движущихся частей и отсоедините провод от свечи зажигания:
перед проверкой, очисткой и выполнением работ с газонокосилкой;
после удара о посторонний предмет или при появлении аномальной вибрации (проверьте газонокосилку на отсутствие повреждений и при необходимости отремонтируйте машину перед повторным запуском и возобновлением эксплуатации);
перед устранением засоров;
когда вы оставляете газонокосилку. НЕ оставляйте работающую машину без присмотра.
Выключите двигатель и дождитесь остановки всех движущихся частей:
перед заправкой топливом;
перед разгрузкой подхватчика травы;
перед регулировкой высоты скашивания.
Во избежание несчастных случаев оператор обязан следить, чтобы в рабочей зоне не было детей. Детям часто нравится наблюдать за работой машины и процессом скашивания травы. Никогда не исходите из предположения, что дети останутся в том месте, где вы видели их в последний раз.
Во время работы необходимо следить, чтобы дети находились за пределами зоны скашивания и под внимательным наблюдением другого ответственного взрослого человека (помимо оператора).
Будьте внимательны и всегда выключайте машину при появлении детей в рабочей зоне.
Прежде чем начать движение задним ходом или изменить направление движения, посмотрите назад, вниз и по сторонам в поперечном направлении, чтобы убедиться в отсутствии детей.
Запрещается допускать детей к эксплуатации машины.
ЗАПРЕЩАЕТСЯ перевозить детей, даже когда ножи выключены. Дети могут упасть и получить серьезную травму или помешать безопасной работе машины. Дети, которым уже ранее разрешали прокатиться, могут неожиданно появиться в рабочей зоне, чтобы попросить еще раз прокатиться, и машина может наехать на них передним или задним ходом.
Основная опасность при работе на склонах — потеря управляемости и опрокидывание машины, которое может привести к травме или гибели. Оператор несет ответственность за безопасную работу на склонах. Эксплуатация машины на любых склонах требует максимальной осторожности. Перед использованием машины на склоне оператор должен сделать следующее:
Прочитайте и изучите инструкции по работе на склонах, приведенные в руководстве и имеющиеся на машине.
Используйте индикатор угла, чтобы определить приблизительный угол наклона рабочей площадки.
Запрещается работать на склонах крутизной более 15 градусов.
Оцените условия на рабочей площадке, чтобы определить, безопасно ли эксплуатировать машину на склоне в этот день. При осмотре площадки всегда руководствуйтесь здравым смыслом и правильно оценивайте ситуацию. Изменения характера поверхности, например влага, могут мгновенно повлиять на работу машины на склоне.
Находясь у основания склона, оцените степень его опасности. Запрещается эксплуатировать машину рядом с обрывами, канавами, насыпями, водоемами или другими опасностями. Машина может внезапно опрокинуться, если колесо пройдет по кромке или кромка обрушится. Сохраняйте безопасное расстояние (в два раза больше ширины машины) между машиной и любыми опасностями. Для скашивания травы в таких зонах используйте машину, управляемую рядом идущим оператором, или ручной триммер.

Старайтесь не начинать движение, не останавливаться и не поворачивать на склоне. Не допускайте внезапного изменения скорости или направления движения; выполняйте повороты медленно и плавно.
НЕ эксплуатируйте машину в условиях, когда имеются сомнения относительно сцепления с грунтом, управляемости или устойчивости машины. Помните, что при работе на влажной траве, поперек крутых склонов или на спусках по склону машина может потерять сцепление с поверхностью. Потеря сцепления с поверхностью ведущих колес может привести к соскальзыванию и потере рулевого управления и возможности торможения. Машина может начать скользить, даже если ведущие колеса не вращаются.
Удалите или пометьте препятствия, такие как канавы, ямы, колеи, ухабы, камни или другие скрытые опасности. Высокая трава может скрывать различные препятствия. При движении по неровной поверхности машина может перевернуться.
Будьте крайне осторожны при использовании принадлежностей или навесного оборудования. Они могут изменить устойчивость машины и привести к потере управления. Выполните указания по установке противовесов.
Во время работы на склонах старайтесь держать деку опущенной на землю. Подъем деки во время работы на склонах может вызвать потерю устойчивости машины.
Используйте деку газонокосилки как подножку, чтобы забраться на рабочее место оператора (Рисунок 22).

Обязательно включайте стояночный тормоз, когда вы останавливаете машину или оставляете ее без присмотра.
Установите машину на ровной поверхности.

Для выключения стояночного тормоза выведите рычаг из фиксирующего паза и на себя, затем нажмите на него вниз (Рисунок 24).


Note: При включении ножей дроссельная заслонка всегда должна находиться в положении Быстро (Рисунок 26).


Рычаг дроссельной заслонки можно перемещать между положениями Быстро и Медленно (Рисунок 28).
При включении вала отбора мощности всегда используйте положение Быстро.

Используйте воздушную заслонку для запуска холодного двигателя.
Потяните вверх ручку воздушной заслонки, чтобы закрыть ее перед включением зажигания (Рисунок 29).
Note: Убедитесь, что вы полностью закрыли воздушную заслонку. Возможно, потребуется удерживать ручку в верхнем положении при повороте выключателя зажигания.
После запуска двигателя нажмите вниз на ручку воздушной заслонки, чтобы открыть ее (Рисунок 29).

Поверните ключ в положение START (Пуск) (Рисунок 30).
Note: После запуска двигателя отпустите ключ.
Important: Не включайте электродвигатель стартера более чем на 5 секунд за один раз. Если двигатель не запускается, подождите 10 секунд, прежде чем повторить попытку. Несоблюдение этих инструкций может привести к перегоранию электродвигателя стартера.
Note: При первом запуске двигателя после полного слива топливной системы может потребоваться несколько попыток запуска.

Поверните ключ в положение STOP (Останов), чтобы заглушить двигатель.
Note: На теплом или горячем двигателе использование воздушной заслонки не требуется.
Important: Не включайте стартер более чем на 5 секунд за один раз. Включение стартера более чем на 5 секунд может повредить электродвигатель стартера. Если двигатель не запускается, подождите 10 секунд, прежде чем снова включать стартер.

Выключите ножи, переместив переключатель управления ножами в положение ВЫКЛ (Рисунок 27).
Включите стояночный тормоз; см. раздел Включение стояночного тормоза.
Установите рычаг дроссельной заслонки в положение Быстро.
Поверните ключ в положение ВЫКЛ и извлеките его.
Дети и посторонние лица могут получить травмы при попытках двигать или включать машину, оставленную без присмотра.
Оставляя машину без присмотра, обязательно извлекайте ключ и включайте стояночный тормоз.

Ведущие колеса вращаются независимо, их приводят в действие гидромоторы на каждой полуоси. Вы можете вращать колесо на одной стороне назад, одновременно вращая колесо на другой стороне вперед, при этом машина может вращаться на месте, а не выполнять обычный поворот. Это значительно улучшает маневренность машины, но иногда оператору требуется время, чтобы привыкнуть к такому маневрированию.
Рычаг дроссельной заслонки регулирует частоту вращения двигателя, измеряемую в оборотах в минуту (об/мин). Для наиболее эффективной работы двигателя установите рычаг дроссельной заслонки в положение Быстро. При скашивании дроссельная заслонка всегда должна находиться в положении максимальной частоты вращения двигателя.
Машина может повернуть очень быстро. Вы можете потерять контроль над машиной, что может стать причиной травмы или привести к повреждению машины.
Будьте осторожны при выполнении поворотов.
Снижайте скорость машины перед крутыми поворотами.
Note: Двигатель остановится, если вы переместите рычаг управления движением, когда включен стояночный тормоз.
Чтобы остановить машину, переведите рычаги управления движением в нейтральное положение.
Выключите стояночный тормоз; см. раздел Выключение стояночного тормоза.
Переведите рычаги в среднее, нефиксированное положение.
Для перемещения вперед нажмите на рычаги управления движением вперед (Рисунок 33).

Переведите рычаги в среднее, нефиксированное положение.
Для перемещения назад медленно передвиньте рычаги управления движением назад (Рисунок 34).

Рычаг системы управления Smart Speed™, расположенный справа от рабочего места оператора (Рисунок 35), дает возможность перемещать машину в 3 диапазонах скоростей: подравнивание, буксировка и скашивание.

Для изменения скорости выполните следующие действия:
Переведите рычаги управления движением в нейтральное положение и затем наружу в NEUTRAL-LOCK (Нейтральное фиксированное) положение.
Установите переключатель управления ножами в положение ВЫКЛ.
Установите рычаг в нужное положение.
Приведенные ниже настройки носят рекомендательный характер. Регулировки отличаются в зависимости от типа травы, содержания влаги и высоты травяного покрова.
| Виды применения: | Стрижка | Буксировка | Скашивание |
| Парковка | X | ||
| Плотная влажная трава | X | ||
| Обучение | X | ||
| Сбор травы в травосборник | X | ||
| Мульчирование | X | ||
| Нормальное скашивание | X | ||
| Передвижение машины | X |
Стрижка
Это самая низкая скорость. Рекомендуется использовать эту скорость для следующих случаев:
Парковка
Скашивание плотной и влажной травы
Обучение
Буксировка
Это средняя скорость. Рекомендуется использовать эту скорость для следующих случаев:
Сбор травы в травосборник
Мульчирование
Скашивание
Это самая быстрая скорость. Рекомендуется использовать эту скорость для следующих случаев:
Нормальное скашивание
Передвижение машины
Рычаг системы управления Smart Speed™, расположенный ниже сиденья оператора (Рисунок 36), позволяет перемещать машину в трех диапазонах скоростей: «стрижка», «буксировка» и «скашивание».

Для изменения скорости выполните следующие действия:
Переведите рычаги управления движением в нейтральное положение и затем в положение ПАРКОВКА.
Установите переключатель управления ножами в положение ВЫКЛ.
Установите рычаг в нужное положение.
Приведенные ниже настройки носят рекомендательный характер. Регулировки отличаются в зависимости от типа травы, содержания влаги и высоты травяного покрова.
| Виды применения: | Стрижка | Буксировка | Скашивание |
| Парковка | X | ||
| Плотная влажная трава | X | ||
| Обучение | X | ||
| Стрижка травы | X | ||
| Сбор травы в травосборник | X | ||
| Мульчирование | X | ||
| Буксировка навесного оборудования | X | ||
| Нормальное скашивание | X | ||
| Передвижение машины | X |
Стрижка
Это самая низкая скорость. Рекомендуется использовать эту скорость для следующих случаев:
Парковка
Скашивание плотной и влажной травы
Обучение
Стрижка травы
Буксировка
Это средняя скорость. Рекомендуется использовать эту скорость для следующих случаев:
Сбор травы в травосборник
Мульчирование
Буксировка навесного оборудования
Скашивание
Это самая быстрая скорость. Рекомендуется использовать эту скорость для следующих случаев:
Нормальное скашивание
Передвижение машины
У данной газонокосилки имеется отражатель травы на шарнирах, направляющий скошенную траву в сторону и вниз на травяной покров.
Работая на машине без отражателя травы, крышки выброса или подхватчика травы в сборе, вы подвергаете себя и других людей опасности контакта с ножами и выброса в вашу сторону мусора. Контакт с вращающимися ножами газонокосилки или отброшенным мусором может привести к травме или гибели.
Запрещается снимать отражатель травы с деки газонокосилки, так как он направляет скошенную траву в сторону травяного покрова. Если отражатель травы поврежден, немедленно замените его.
Запрещается помещать руки или ноги под деку газонокосилки.
Прежде чем пытаться очистить зону выброса или ножи газонокосилки, установите переключатель управления ножами (РТО) в положение ВЫКЛ, поверните выключатель зажигания в положение ВЫКЛ и извлеките ключ из выключателя зажигания.
Убедитесь, что отражатель травы находится в нижнем положении.
Машина оснащена системой подъема деки с помощью ножной педали. Ножную педаль можно использовать для кратковременного подъема деки во избежание столкновения с препятствиями или для фиксации деки на максимальной высоте скашивания или в транспортном положении. Рычаг высоты скашивания можно использовать вместе с ножной педалью для фиксации деки в заданном положении высоты скашивания.
Вы можете отрегулировать высоту скашивания в диапазоне от 38 до 114 см с шагом 6 мм путем перемещения штифта регулировки высоты скашивания в различные отверстия.
Нажмите на педаль подъема деки ногой и поднимите деку газонокосилки в фиксированное транспортное положение (также соответствующее положению высоты скашивания 114 мм), как показано на Рисунок 38.
Для регулировки положения извлеките штифт из кронштейна регулировки высоты скашивания (Рисунок 38).
Выберите отверстие в системе регулировки высоты скашивания, соответствующее требуемой высоте скашивания, и вставьте штифт (Рисунок 38).
Нажмите на педаль подъема деки ногой и потяните рукоятку назад, чтобы выключить транспортный фиксатор (Рисунок 37).
Медленно опустите деку, пока рычаг не коснется штифта.

Каждый раз при изменении высоты скашивания регулируйте высоту защитных валиков.
Note: Отрегулируйте защитные валики таким образом, чтобы они не касались земли при работе на нормальных плоских участках скашивания.
Припаркуйте машину на ровной горизонтальной поверхности, выключите переключатель управления ножами и включите стояночный тормоз; см. раздел Включение стояночного тормоза.
Прежде чем покинуть рабочее место оператора, выключите двигатель, извлеките ключ и дождитесь остановки всех движущихся частей машины.
Отрегулируйте защитные валики, как показано на Рисунок 39.

Используйте только навесное оборудование и приспособления, утвержденные к применению компанией Toro.
Если вы установите корзину на ограждение двигателя, используйте хомут для ее крепления.
Important: Вес корзины влияет на устойчивость машины. Если в корзине, прикрепленной к ограждению двигателя, вы перевозите груз, вес которого превышает указанное в таблице ниже значение, вам необходимо установить на машину комплект опоры корзины.
Обратитесь в сервисный центр официального дилера.
| Модель | Максимальный вес груза в корзине без установленного комплекта опоры корзины |
| Дека 122 см | 1,1 кг |
| Дека 137 см | 1,1 кг |
| Дека 152 см | 4,5 кг |
Для наиболее эффективного скашивания и максимальной циркуляции воздуха двигатель должен работать с регулятором дроссельной заслонки в положении Быстро. Для тщательного среза травы необходим воздух, поэтому не устанавливайте высоту скашивания слишком низко, когда дека газонокосилки оказывается полностью окруженной нескошенной травой. Старайтесь, чтобы с одной стороны деки газонокосилки не было нескошенной травы, это позволит газонокосилке засасывать внутрь деки воздух.
При скашивании оставляйте траву чуть длиннее, чем обычно, чтобы газонокосилка не срезала грунт на неровной поверхности. Используемая в предыдущий раз высота скашивания, как правило, является оптимальной. При скашивании травы высотой более 15 см желательно скашивать газон за два прохода, чтобы получить приемлемое качество среза.
Лучше всего срезать только около одной трети высоты травы. Не рекомендуется срезать больше одной трети, кроме случаев, когда трава растет редко, или в конце осени, когда рост травы начинает замедляться.
Изменяйте направление движения при скашивании, чтобы трава осталась стоять прямо. Это также способствует более равномерному разбрасыванию скошенной травы, что ускоряет ее перегнивание и позволяет использовать в качестве удобрения.
Трава растет с разной скоростью в зависимости от времени года. Для поддержания одинаковой высоты скашивания косите чаще ранней весной. В середине лета косите реже, так как рост травы замедляется. Если трава не скашивалась длительное время, то первый проход сделайте с увеличенной высотой скашивания; а затем скосите траву через два дня, установив более низкую высоту скашивания.
Для повышения качества скашивания в определенных условиях необходимо двигаться на пониженной скорости.
При скашивании на неровном травяном покрове увеличьте высоту скашивания во избежание срезания поверхностного слоя почвы.
В случае вынужденной остановки газонокосилки во время движения вперед при скашивании на газоне может образоваться комок скошенной травы. Чтобы этого не произошло, перемещайте машину на ранее скошенный участок с включенными ножами или выключайте деку газонокосилки во время движения вперед.
После каждого использования очищайте нижнюю поверхность деки газонокосилки от скошенной травы и грязи. Если трава и грязь скапливаются внутри деки газонокосилки, качество скашивания со временем станет неудовлетворительным.
Остроту заточки ножей следует проверять в течение всего сезона скашивания, поскольку только остро заточенные ножи обеспечивают ровное срезание травы без разрывов и измельчения. При разрыве и измельчении трава становится коричневой по краям, что замедляет ее рост и увеличивает риск поражения болезнями. После каждого использования газонокосилки проверяйте остроту ножей, а также наличие износа или повреждений. При необходимости удалите зазубрины и заточите ножи. Если нож поврежден или изношен, немедленно замените его оригинальным сменным ножом компании Toro.
Установите машину на ровной горизонтальной поверхности, выключите приводы, включите стояночный тормоз, выключите двигатель, извлеките ключ или отсоедините провод свечи зажигания. Прежде чем приступать к регулировке, очистке, ремонту или хранению, дождитесь полной остановки всех движущихся частей и дайте машине остыть. Обслуживать машину должны только квалифицированные специалисты.
Очищайте машину, как описано в разделе «Техническое обслуживание». Не допускайте, чтобы на двигателе и вокруг него скапливались трава, листья, излишняя смазка, масло или другие загрязнения. Эти материалы могут стать воспламеняемыми и привести к пожару.
Регулярно проверяйте машину на наличие изношенных компонентов или компонентов с ухудшенными эксплуатационными показателями, которые могут представлять опасность. Затягивайте ослабленные крепежные детали.
Для перевозки машины используйте прицеп усиленной конструкции или грузовик. Проследите, чтобы прицеп или грузовик были оснащены осветительными приборами и маркировкой в соответствии с требованием законодательства. Внимательно прочитайте все инструкции по технике безопасности. Знание этой информации поможет предотвратить травмирование людей и домашних животных.
Для транспортировки машины:
Включите стояночный тормоз и заблокируйте колеса.
Убедитесь в том, что отсечной топливный клапан закрыт.
Надежно зафиксируйте машину на прицепе или грузовике с помощью стропов, цепей, троса или канатов. Используйте только четыре указанные точки крепления на газонокосилке – 2 на левой стороне и 2 на правой (Рисунок 40). Используйте эти точки крепления даже при транспортировке газонокосилки с присоединенным навесным оборудованием. Использование других точек крепления может привести к повреждению газонокосилки и/или навесного оборудования.

Прикрепляйте прицеп к буксирному транспортному средству предохранительными цепями.
Передвижение по улицам или дорогам без сигналов поворота, световых приборов, отражателей или знака «тихоходное транспортное средство» опасно и может привести к авариям и травмам.
Проезд машины по улице или дороге общего пользования запрещен.
Соблюдайте повышенную осторожность при погрузке машины на прицеп или грузовой автомобиль, а также при ее выгрузке. Для выполнения этой процедуры используйте полноразмерный наклонный въезд, ширина которого больше ширины машины. Перемещайте машину задним ходом при движении вверх и передним ходом при движении вниз по наклонному въезду (Рисунок 41).

Important: Запрещается использовать отдельные узкие наклонные въезды для каждой стороны машины.
Убедитесь, что наклонный въезд достаточно длинный, чтобы его угол наклона не превышал 15 градусов (Рисунок 41). На горизонтальной поверхности для этого требуется, чтобы длина наклонного въезда была по крайней мере в 4 (четыре) раза больше высоты платформы кузова прицепа или грузовика над землей. При более крутом угле компоненты машины могут зацепиться за перегиб при переходе с въезда на прицеп или грузовик. Если угол больше, машина может также опрокинуться или стать неуправляемой. В случае погрузки на склоне или вблизи склона установите прицеп или грузовик таким образом, чтобы он находился ниже по склону, а наклонный въезд был направлен сверху вниз. При этом уменьшается угол наклона въезда.
При погрузке машины на прицеп или грузовик повышается вероятность опрокидывания, что может привести к получению тяжелой травмы или гибели.
Будьте предельно внимательны при управлении машиной на наклонном въезде.
Используйте только один полноразмерный наклонный въезд; не используйте отдельные въезды с каждой стороны машины.
Угол между наклонным въездом и землей или между наклонным въездом и прицепом или грузовиком не должен превышать 15 градусов.
Убедитесь, что длина наклонного въезда по крайней мере в 4 (четыре) раза больше высоты платформы кузова прицепа или грузовика над землей. В этом случае угол наклонного въезда не превысит 15 градусов на ровной поверхности.
Перемещайте машину задним ходом при движении вверх и передним ходом при движении вниз по наклонному въезду.
При движении машины по наклонному въезду не допускайте резкого ускорения или замедления машины во избежание потери управления или опрокидывания.

Присоединяйте буксируемое оборудование только с помощью сцепного устройства.
Соблюдайте рекомендации изготовителя навесного оборудования по ограничению веса буксируемого оборудования и буксировке по склонам. Вес буксируемой машины не должен превышать вес машины, оператора и балласта; в ином случае возможно повреждение гидростатической трансмиссии. Используйте противовесы или колесные грузы, как описано в руководстве по навесному оборудованию, предоставленном его изготовителем.
Запрещается детям или другим посторонним лицам забираться в буксируемое оборудование или на него.
При движении на склонах масса буксируемого оборудования может привести к потере сцепления и управляемости машиной, а также к опрокидыванию машины. Снизьте массу буксируемого груза и скорость перемещения.
Тормозной путь увеличивается при увеличении массы буксируемого груза. Двигайтесь медленно и соблюдайте увеличенную дистанцию для остановки.
Делайте повороты большого радиуса, чтобы навесное оборудование не касалось машины.
Important: Всегда толкайте машину руками. Не буксируйте машину, так как это может привести к ее повреждению.
В данной машине имеется механизм электрического тормоза, поэтому, чтобы толкать машину, ключ зажигания должен быть установлен в положение RUN (работа). Для выключения электрического тормоза аккумулятор должен быть заряжен и работать.
Припаркуйте машину на ровной поверхности и выключите переключатель управления ножами.
Прежде чем покинуть рабочее место, включите стояночный тормоз, выключите двигатель и дождитесь остановки всех движущихся частей машины.
Найдите рычаги перепускных клапанов на раме c обеих сторон двигателя.
Вытяните рычаги перепускных клапанов вперед через профилированные отверстия и опустите вниз, чтобы зафиксировать их на месте (Рисунок 43).
Note: Выполните эти действия для каждого рычага.
Выключите стояночный тормоз.
Note: Не запускайте машину.

После завершения включите стояночный тормоз.
Переместите рычаги перепускных клапанов назад через профилированные отверстия и опустите вниз, чтобы зафиксировать их на месте, как показано на Рисунок 43.
Note: Выполните эти действия для каждого рычага.
Note: Определите левую и правую стороны машины относительно места оператора.
При обслуживании или регулировке возможен случайный запуск двигателя. Непреднамеренный запуск двигателя может нанести серьезные увечья вам или другим лицам, находящимся рядом.
Перед выполнением любого технического обслуживания извлеките ключ из замка зажигания, включите стояночный тормоз и отсоедините провод (провода) от свечи (свечей) зажигания. Кроме того, отведите провод (провода) в сторону, чтобы он не мог случайно коснуться свечи (свечей) зажигания.
Двигатель может нагреться до очень высокой температуры. Касание поверхности горячего двигателя может вызвать серьезные ожоги.
Дайте двигателю полностью остыть перед выполнением техобслуживания или ремонта в области двигателя.
Установите машину на ровной горизонтальной поверхности, выключите приводы, включите стояночный тормоз, выключите двигатель, извлеките ключ или отсоедините провод свечи зажигания. Прежде чем приступать к регулировке, очистке или ремонту, дождитесь полной остановки всех движущихся частей и дайте машине остыть. Обслуживать машину должны только квалифицированные специалисты.
Перед выполнением любого ремонта отсоедините аккумулятор или провод от свечи зажигания. Сначала отсоедините отрицательную клемму, затем положительную. При повторном подключении аккумулятора сначала присоедините положительную клемму, затем отрицательную.
Следите, чтобы все ограждения, кожухи и защитные устройства были установлены на штатных местах и находились в исправном рабочем состоянии. Регулярно проверяйте машину на наличие изношенных компонентов или компонентов с ухудшенными эксплуатационными показателями и при необходимости заменяйте их, используя запчасти, рекомендованные изготовителем.
Демонтаж оригинального оборудования, частей и/или принадлежностей или внесение в них изменений может изменить действие гарантии, нарушить управляемость и безопасность машины. Внесение неразрешенных изменений в оригинальное оборудование или несоблюдение требований по использованию оригинальных частей Toro может привести к серьезной травме или гибели. Внесение несанкционированных изменений в машину, двигатель, топливную или вентиляционную систему может нарушить действующие стандарты безопасности, такие как ANSI, OSHA и NFPA, и/или требования государственных органов, таких как Агентство по охране окружающей среды США (EPA) и Калифорнийский совет по охране воздушных ресурсов (CARB).
При проверке ножей будьте осторожны. При техническом обслуживании ножа (ножей) оберните их или используйте перчатки, а также принимайте меры предосторожности. Поврежденные ножи следует только заменять. Запрещается выпрямлять или сваривать ножи.
При необходимости используйте подъемные опоры для поддержки машины и/или компонентов.
Поднимать машину для техобслуживания или ремонта с использованием исключительно механических или гидравлических домкратов опасно. Механические или гидравлические домкраты могут оказаться недостаточно прочными или выйти из строя, машина может упасть и нанести серьезную травму.
Не рассчитывайте исключительно на механические или гидравлические домкраты для опоры машины. Используйте подходящие подъемные или эквивалентные опоры.
Осторожно сбрасывайте давление из компонентов с накопленной энергией.
Необходимо поддерживать безопасное расстояние до движущихся частей машины. По возможности НЕ ВЫПОЛНЯЙТЕ регулировки при работающем двигателе. Если для выполнения процедуры технического обслуживания или регулировки необходимо, чтобы двигатель работал и компоненты перемещались, будьте крайне осторожны.
Контакт с движущимися частями или горячими поверхностями может привести к травме.
Необходимо следить, чтобы пальцы, руки и одежда не оказались вблизи вращающихся компонентов и горячих поверхностей.
Часто проверяйте все болты, чтобы поддерживать надлежащее усилие затяжки.
| Периодичность технического обслуживания | Порядок технического обслуживания |
|---|---|
| Через первые 5 часа |
|
| Перед каждым использованием или ежедневно |
|
| После каждого использования |
|
| Через каждые 25 часов |
|
| Через каждые 100 часов |
|
| Через каждые 200 часов |
|
| Перед помещением на хранение |
|
Если вы оставите ключ в замке зажигания, кто-нибудь может случайно запустить двигатель и нанести серьезные травмы вам или окружающим.
Перед любым техническим обслуживанием выключите двигатель и извлеките ключ из замка зажигания.
Ослабьте два нижних болта экрана, чтобы получить доступ к верхней части деки газонокосилки (Рисунок 44).

Note: Всегда затягивайте болты, чтобы подсоединить экран после технического обслуживания.
Перед проверкой уровня масла или добавлением масла в картер выключите двигатель.
Следите, чтобы руки, ноги и другие части тела, а также одежда находились на безопасном расстоянии от глушителя и других горячих поверхностей.
| Периодичность технического обслуживания | Порядок технического обслуживания |
|---|---|
| Перед каждым использованием или ежедневно |
|
Note: Чаще обслуживайте воздухоочиститель (каждые несколько часов), если приходится работать в условиях высокой запыленности или в песке.
Припаркуйте машину на ровной горизонтальной поверхности, выключите переключатель управления ножами (PTO) и включите стояночный тормоз.
Прежде чем покинуть рабочее место оператора, выключите двигатель, извлеките ключ и дождитесь остановки всех движущихся частей машины.
Очистите зону вокруг крышки воздухоочистителя для предотвращения попадания загрязнений в двигатель, что может вызвать его повреждение.
Поднимите крышку и поверните воздухоочиститель в сборе, чтобы снять его с двигателя (Рисунок 45).


Отделите друг от друга элементы из пеноматериала и бумаги (Рисунок 46).

| Периодичность технического обслуживания | Порядок технического обслуживания |
|---|---|
| Через каждые 25 часов |
|
| Через каждые 100 часов |
|
Промойте элемент из пеноматериала в теплой воде с жидким мылом. Когда элемент будет чистым, тщательно ополосните его.
Просушите элемент с помощью чистой салфетки.
Important: Замените элемент из пеноматериала в случае его повреждения или износа.
| Периодичность технического обслуживания | Порядок технического обслуживания |
|---|---|
| Через каждые 100 часов |
|
| Через каждые 200 часов |
|
Легким постукиванием очистите бумажный элемент от пыли.
Note: Если он очень грязный, замените бумажный элемент новым.
Осмотрите элемент на наличие разрывов, масляной пленки или повреждений на резиновом уплотнении.
Если бумажный элемент поврежден, замените его.
Important: Не следует чистить бумажный фильтр.
Установите элемент из пеноматериала поверх бумажного элемента.
Note: Будьте внимательны, чтобы не повредить элементы.
Совместите отверстия в фильтре с отверстиями в коллекторе.
Поверните фильтр вниз в камеру и прижмите его к коллектору так, чтобы он полностью сел на место (Рисунок 47).

Закройте крышку.
Тип масла: Масло с моющими свойствами (эксплуатационный класс SF, SG, SH, SJ или SL по API)
Вместимость картера двигателя: 2,4 л с масляным фильтром
Вязкость: См. таблицу ниже.

| Периодичность технического обслуживания | Порядок технического обслуживания |
|---|---|
| Перед каждым использованием или ежедневно |
|
Note: Проверяйте масло на холодном двигателе.
Important: Если вы переполните или недостаточно заполните картер двигателя маслом и запустите двигатель, это может привести к его повреждению.
Припаркуйте машину на ровной горизонтальной поверхности, переведите переключатель управления ножами (ВОМ) в положение ВЫКЛ и включите стояночный тормоз.
Прежде чем покинуть рабочее место оператора, выключите двигатель, извлеките ключ и дождитесь остановки всех движущихся частей машины.
Note: Убедитесь, что двигатель остыл и прошло достаточно времени, чтобы масло стекло в поддон.
Чтобы не допустить попадание грязи, скошенной травы и т.п. в двигатель, очистите поверхность вокруг крышки маслозаливной горловины и масломерного щупа, прежде чем снимать их (Рисунок 49).

| Периодичность технического обслуживания | Порядок технического обслуживания |
|---|---|
| Через первые 5 часа |
|
| Через каждые 100 часов |
|
Чтобы полностью слить масло, припаркуйте машину на ровной горизонтальной поверхности.
Выключите переключатель управления ножами (механизма отбора мощности) и включите стояночный тормоз.
Прежде чем покинуть рабочее место оператора, выключите двигатель, извлеките ключ и дождитесь остановки всех движущихся частей машины.
Слейте масло из двигателя.


Замените масляный фильтр двигателя (Рисунок 51).
Note: Убедитесь, что прокладка масляного фильтра коснулась двигателя, затем доверните фильтр еще на 3/4 оборота.

Медленно залейте приблизительно 80% масла указанного типа в заливную горловину и затем медленно добавляйте масло, чтобы довести его уровень до отметки «Полный» (Рисунок 52).

Утилизируйте использованное масло в центре вторичной переработки отходов.
| Периодичность технического обслуживания | Порядок технического обслуживания |
|---|---|
| Через каждые 100 часов |
|
| Через каждые 200 часов |
|
Перед установкой свечи зажигания убедитесь, что зазор между центральным и боковым электродами свечи правильный. Для извлечения и установки свечи зажигания используйте свечной ключ, а для проверки и регулировки зазора — калибр. При необходимости установите новую свечу зажигания.
Тип: Champion® RN9YC или NGK® BPR6ES
Зазор: 0,76 мм
Припаркуйте машину на ровной горизонтальной поверхности, переведите переключатель управления ножами (ВОМ) в положение ВЫКЛ и включите стояночный тормоз.
Прежде чем покинуть рабочее место оператора, выключите двигатель, извлеките ключ и дождитесь остановки всех движущихся частей машины.
Очистите зону вокруг основания свечи, чтобы не допустить попадания грязи и мусора в двигатель.
Снимите свечу зажигания (Рисунок 53).

Important: Не очищайте свечи зажигания. При обнаружении черного налета, изношенных электродов, маслянистой пленки или трещин, обязательно замените свечу (свечи) зажигания.
Если на изоляторе заметен светло-коричневый или серый налет, то двигатель работает должным образом. Черный налет на изоляторе обычно означает, что загрязнен воздухоочиститель.
Выставьте на свече зазор в 0,75 мм.


| Периодичность технического обслуживания | Порядок технического обслуживания |
|---|---|
| Перед каждым использованием или ежедневно |
|
Припаркуйте машину на ровной горизонтальной поверхности, выключите переключатель управления ножами (PTO) и включите стояночный тормоз.
Прежде чем покинуть рабочее место оператора, выключите двигатель, извлеките ключ и дождитесь остановки всех движущихся частей машины.
Снимите воздушный фильтр с двигателя.
Снимите кожух двигателя.
Для предотвращения попадания загрязнений в воздухозаборник установите воздушный фильтр на основание воздушного фильтра.
Удалите мусор и обрезки травы с компонентов.
Снимите воздушный фильтр и установите кожух двигателя.
Установите воздушный фильтр.
При определенных условиях топливо является чрезвычайно огнеопасным и взрывоопасным веществом. Возгорание или взрыв топлива могут вызвать ожоги у людей и повреждение имущества.
Полное описание мер предосторожности, связанных с топливом, см. в разделе Заправка топливом.
| Периодичность технического обслуживания | Порядок технического обслуживания |
|---|---|
| Через каждые 100 часов |
|
| Через каждые 200 часов |
|
Запрещается устанавливать загрязненный фильтр, снятый с топливного трубопровода.
Припаркуйте машину на ровной горизонтальной поверхности, выключите переключатель управления ножами (PTO) и включите стояночный тормоз.
Прежде чем покинуть рабочее место оператора, выключите двигатель, извлеките ключ и дождитесь остановки всех движущихся частей машины.
Замените фильтр (Рисунок 56).
Note: Примечание: убедитесь, что отметки на фильтре совпадают с направлением потока топлива.


Прежде чем приступать к ремонту машины, отсоедините аккумулятор. Сначала отсоедините отрицательную клемму, затем положительную. При повторном подключении аккумулятора сначала подсоедините положительную, затем отрицательную клемму.
Заряжайте аккумулятор в открытом, хорошо проветриваемом месте, вдали от искр и открытого огня. Отсоединяйте зарядное устройство перед подсоединением или отсоединением аккумулятора. Используйте защитную одежду и электроизолированный инструмент.
Неправильное отсоединение кабелей от аккумулятора может повредить машину и кабели, вызвав искрение. Искры могут вызвать взрыв аккумуляторных газов, что приведет к получению травмы.
Всегда отсоединяйте отрицательный (черный) кабель аккумулятора перед отсоединением положительного (красного) кабеля.
Всегда присоединяйте положительный (красный) кабель аккумулятора перед присоединением отрицательного (черного) кабеля.
Припаркуйте машину на ровной горизонтальной поверхности, переведите переключатель управления ножами (РТО) в положение ВЫКЛ и включите стояночный тормоз.
Прежде чем покинуть рабочее место оператора, выключите двигатель, извлеките ключ и дождитесь остановки всех движущихся частей машины.
Ослабьте 2 крепежных элемента на крышке аккумулятора, повернув их против часовой стрелки на 1/4 оборота, и снимите крышку аккумулятора (Рисунок 57)

Отсоедините отрицательный (черный) кабель от штыря аккумулятора (Рисунок 58).
Note: Сохраните все крепежные детали.
Снимите резиновую крышку с положительного (красного) кабеля, сдвинув ее вверх.
Отсоедините положительный (красный) кабель от штыря аккумулятора (Рисунок 58).
Note: Сохраните все крепежные детали.
Снимите прижим аккумулятора (Рисунок 58) и поднимите аккумулятор, чтобы снять его с поддона.

| Периодичность технического обслуживания | Порядок технического обслуживания |
|---|---|
| Перед помещением на хранение |
|
Извлеките аккумулятор из шасси; см. раздел Демонтаж аккумулятора.
Заряжайте аккумулятор током от 6 до 10 ампер в течение не менее 1 часа.
Note: Не допускайте избыточного заряда аккумулятора.
После полной зарядки аккумулятора отсоедините зарядное устройство от электророзетки, а затем отсоедините провода зарядного устройства от штырей аккумулятора (Рисунок 59).

Установите аккумулятор в поддон (Рисунок 58).
Используя ранее снятые крепежные детали, подсоедините положительный (красный) кабель к положительной (+) клемме аккумулятора.
Используя ранее снятые крепежные детали, подсоедините отрицательный кабель к отрицательной (-) клемме аккумулятора.
Наденьте красный колпачок клеммы на положительный (красный) штырь аккумулятора.
Закрепите аккумулятор с помощью прижима (Рисунок 58).
Установите крышку аккумулятора, нажав вниз и завернув по часовой стрелке 2 крепежных элемента (Рисунок 57).
Электрическая система защищена с помощью плавких предохранителей. Она не требует технического обслуживания, однако в случае перегорания предохранителя проверьте компонент/цепь на наличие неисправности или короткого замыкания.
Тип предохранителя:
Главный предохранитель – F1 (15 A, плоского типа)
Цепь зарядки – F2 (25 A, плоского типа)
Чтобы заменить главный предохранитель (15 А), вытяните предохранитель через в отверстие в боковой части консоли и установите новый предохранитель на 15 А (Рисунок 60).

Чтобы заменить предохранитель цепи зарядки (25 А), найдите предохранитель слева от аккумулятора, выньте предохранитель и установите новый предохранитель на 25 А (Рисунок 61).

| Периодичность технического обслуживания | Порядок технического обслуживания |
|---|---|
| Через каждые 25 часов |
|
Поддерживайте давление воздуха в передних и задних шинах, как указано в технических характеристиках. Неодинаковое давление в шинах приведет к неравномерному скашиванию. Проверьте давление на штоке клапана (Рисунок 62). Для получения наиболее точных показаний проверяйте шины в холодном состоянии.
См. значение максимального давления, указанное изготовителем шины на боковой поверхности шин поворотных колес.
Накачайте шины передних поворотных колес до давления 10,3 бар.
Накачайте шины задних ведущих колес до давления 0,90 бар.

| Периодичность технического обслуживания | Порядок технического обслуживания |
|---|---|
| Через каждые 25 часов |
|
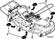
Замените ремень в случае его износа. Признаки износа ремня: визг при вращении ремня, проскальзывание ножей во время скашивания травы, бахрома по краям, следы подгорания и трещины на ремне.
К признакам износа ремня относятся визг при вращении ремня, проскальзывание ножей во время скашивания травы, бахрома по краям, следы подгорания и трещины на ремне. Замените ремень газонокосилки при появлении любого из этих признаков.
Припаркуйте машину на ровной горизонтальной поверхности, выключите переключатель управления ножами (PTO) и включите стояночный тормоз.
Прежде чем покинуть рабочее место оператора, выключите двигатель, извлеките ключ и дождитесь остановки всех движущихся частей машины.
Опустите газонокосилку в положение высоты скашивания 76 мм.
Снимите экран деки газонокосилки; см. раздел Освобождение экрана деки газонокосилки.
На каждом кожухе ремня ослабьте 2 болта, но не отворачивайте их полностью.
Сдвиньте кожух так, чтобы он отошел от болтов, и поднимите его вверх и наружу, чтобы снять.
Используя съемник пружин (№ 92-5771 по каталогу Toro), снимите пружину натяжного шкива со штыря деки, чтобы снять натяжение с натяжного шкива (Рисунок 63).

Опустите газонокосилку в положение самой низкой высоты скашивания и вставьте штифт регулировки высоты скашивания в фиксированное положение самой низкой высоты скашивания.
Снимите ремень со шкивов деки газонокосилки и снимите имеющийся ремень.
Проложите новый ремень вокруг шкивов газонокосилки и шкива муфты под двигателем (Рисунок 63).
Натяжение установленной пружины очень сильное и может стать причиной травмы.
Снимайте ремень очень осторожно.
Используя съемник пружин (№ 92-5771 по каталогу Toro), установите пружину натяжного шкива на штырь деки и создайте натяжение на натяжном шкиве и ремне газонокосилки (Рисунок 63).
Убедитесь в том, что ремень правильно установлен на все шкивы.
Чтобы установить кожухи ремней, вставьте выступы каждого кожуха в соответствующие пазы на кронштейне деки, убедившись в их полной посадке.
Поверните кожух к деке и сдвиньте выемки под ослабленными болтами так, чтобы они сели на свои места.
Затяните болты для крепления кожуха к деке.
Установите экран деки газонокосилки; см. раздел Освобождение экрана деки газонокосилки.
Износ или повреждение ножа может привести к его разрушению. Выброс фрагментов ножа в направлении оператора или находящихся поблизости людей может стать причиной серьезной травмы или гибели. Попытка отремонтировать поврежденный нож может привести к аннулированию сертификата безопасности изделия.
Периодически проверяйте ножи на наличие износа или повреждений.
При проверке ножей будьте внимательны. При техническом обслуживании ножей оберните их ветошью или наденьте перчатки и будьте внимательны. Допускается только замена или заточка ножей; запрещается выпрямлять или сваривать их.
При использовании газонокосилок с несколькими ножами будьте осторожны, поскольку вращение одного ножа может привести к вращению других ножей.
Чтобы качество скашивания было высоким, поддерживайте ножи в остром состоянии. Для удобства заточки и замены необходимо иметь под рукой дополнительные ножи.
Припаркуйте машину на ровной горизонтальной поверхности, переведите переключатель управления ножами (РТО) в положение ВЫКЛ и включите стояночный тормоз.
Выключите двигатель, извлеките ключ, отсоедините соответствующие провода от свечей зажигания.
| Периодичность технического обслуживания | Порядок технического обслуживания |
|---|---|
| Перед каждым использованием или ежедневно |
|
Осмотрите режущие кромки (Рисунок 64).
Если кромки не острые или имеют зазубрины, снимите нож и заточите его; см. раздел Заточка ножей.
Проверьте ножи, особенно изогнутую часть.
При обнаружении признаков повреждения, износа или образования зазора в этой области немедленно замените нож (Рисунок 64).

Note: Для выполнения следующей процедуры машина должна находиться на горизонтальной поверхности.
Поднимите деку газонокосилки на самую большую высоту скашивания.
Используя толстые перчатки или другие подходящие средства защиты рук, медленно поверните нож в положение, позволяющее измерить расстояние от режущей кромки до уровня горизонтальной поверхности, на которой стоит машина (Рисунок 65).

Измерьте расстояние от конца ножа до плоской поверхности (Рисунок 66).

Поверните тот же нож на 180 градусов, чтобы теперь его противоположная режущая кромка была в том же положении (Рисунок 67).

Измерьте расстояние от конца ножа до плоской поверхности (Рисунок 68).
Note: Разница между значениями измерений должна быть не более 3 мм.

Если разница между A и B превышает 3 мм, замените нож на новый; см. разделы Демонтаж ножей и Установка ножей.
Note: Если погнутый нож заменен на новый, а разница между значениями измерений по-прежнему превышает 3 мм, возможно, погнут шпиндель ножа. Для проведения технического обслуживания обратитесь в сервисный центр официального дилера.
Если разница измерений находится в пределах допустимого отклонения, перейдите к следующему ножу.
Повторите эту процедуру для каждого ножа.
Замените ножи, если произошел удар о твердый предмет, либо если ножи разбалансированы или погнуты.
Удерживайте конец ножа с помощью ветоши или толстой перчатки.
Отверните болт ножа, снимите изогнутую шайбу и нож с вала шпинделя (Рисунок 69).

Заточите напильником режущую кромку на обоих концах ножа (Рисунок 70).
Note: Сохраняйте исходный угол.
Note: Балансировка ножа не нарушается, если с обеих режущих кромок снимается одинаковое количество материала.

Проверьте балансировку ножа с помощью балансировочного устройства для ножей (Рисунок 71).
Note: Если нож остается в горизонтальном положении, значит он сбалансирован и его можно использовать.
Note: Если нож не сбалансирован, удалите некоторое количество металла только с конца области загиба (Рисунок 70).

Повторяйте эту процедуру до тех пор, пока нож не будет сбалансирован.
Установите нож на шпиндель (Рисунок 69).
Important: Для обеспечения правильного скашивания криволинейная часть ножа должна быть направлена вверх и внутрь газонокосилки.
Установите изогнутую шайбу (чашеобразной стороной в сторону ножа) и болт ножа (Рисунок 69).
Затяните болт ножа с моментом от 135 до 150 Н∙м.

Проверяйте горизонтальность деки газонокосилки каждый раз при установке газонокосилки или при неровном скашивании травяного покрытия.
Перед выравниванием проверьте деку газонокосилки на наличие погнутых ножей; снимите и замените любые погнутые ножи; см. раздел Проверка на наличие погнутых ножей, прежде чем продолжить работу.
Сначала выровняйте деку газонокосилки в поперечном направлении; после этого можно будет выровнять ее наклон в продольном направлении.
Требования:
Машина должна быть установлена на ровной горизонтальной поверхности.
Все шины должны быть накачаны надлежащим образом; см. раздел Проверка давления воздуха в шинах.
Припаркуйте машину на ровной горизонтальной поверхности, выключите переключатель управления ножами (PTO) и включите стояночный тормоз.
Прежде чем покинуть рабочее место оператора, выключите двигатель, извлеките ключ и дождитесь остановки всех движущихся частей машины.
Осторожно поверните ножи, чтобы расположить их в поперечном направлении.
Измерьте расстояние от наружных режущих кромок до плоской поверхности (Рисунок 73).
Note: Если результаты измерений отличаются более чем на 5 мм, требуется регулировка; см. раздел Выравнивание газонокосилки по горизонтали.

Проверяйте угол наклона ножей в продольном направлении при каждой установке положения газонокосилки. Если передняя часть газонокосилки ниже задней части более чем на 7,9 мм, отрегулируйте уровень ножей.
Припаркуйте машину на ровной горизонтальной поверхности, выключите переключатель управления ножами (PTO) и включите стояночный тормоз.
Прежде чем покинуть рабочее место оператора, выключите двигатель, извлеките ключ и дождитесь остановки всех движущихся частей машины.
Осторожно поверните ножи так, чтобы они были расположены в продольном направлении (Рисунок 74).
Измерьте расстояние от конца переднего ножа до плоской поверхности и от конца заднего ножа до плоской поверхности (Рисунок 74).
Note: Если конец переднего ножа не ниже конца заднего ножа на 1,6–7,9 мм, перейдите к процедуре, описанной в разделе Выравнивание газонокосилки по горизонтали.

Установите защитные валики в верхние отверстия или полностью снимите их для выполнения данной процедуры; см. раздел Регулировка защитных валиков.
Установите рычаг высоты скашивания в положение 76 мм; см. раздел Регулировка высоты скашивания.
Установите 2 подставки толщиной по 6,6 см под каждую сторону передней кромки деки, но не под кронштейны защитного валика (Рисунок 75).
Установите 2 подставки толщиной по 7,3 см под заднюю кромку фартука режущей деки, по одной на каждой стороне режущей деки (Рисунок 75).

Ослабьте регулировочные болты на всех 4 углах деки так, чтобы дека надежно опиралась на все 4 подставки (Рисунок 76).

Убедитесь в наличии натяжения всех 4 цепей (Рисунок 76).
Затяните все 4 регулировочных болта (Рисунок 76).
Убедитесь в том, что подставки плотно зафиксированы под фартуком деки и все болты затянуты.
Убедитесь в горизонтальном положении деки, проверив выравнивание в поперечном направлении и угол наклона ножа в продольном направлении; если необходимо, повторите процедуру выравнивания деки по горизонтали.
Припаркуйте машину на ровной горизонтальной поверхности, выключите переключатель управления ножами (PTO) и включите стояночный тормоз.
Выключите двигатель, извлеките ключ, отсоедините соответствующие провода от свечей зажигания.
Опустите газонокосилку в положение высоты скашивания 76 мм.
Ослабьте 2 нижних болта крепления экрана деки газонокосилки к деке газонокосилки; см. раздел Освобождение экрана деки газонокосилки.
Снимите ремень газонокосилки со шкива двигателя; см. раздел Замена ремня газонокосилки.
Снимите игольчатый шплинт и шайбу крепления соединительного пальца к раме и деке и снимите соединительную штангу (Рисунок 77).

Поднимите деку газонокосилки, чтобы снять натяжение с деки газонокосилки.
Снимите цепи с крюков на подъемных рычагах деки (Рисунок 78).

Поднимите высоту скашивания в транспортное положение.
Снимите ремень со шкива муфты на двигателе.
Откатите газонокосилку из-под нижней части машины.
Note: Сохраните все детали для последующей установки.
Припаркуйте машину на ровной горизонтальной поверхности, выключите переключатель управления ножами (PTO) и включите стояночный тормоз.
Выключите двигатель, извлеките ключ, отсоедините соответствующие провода от свечей зажигания.
Подкатите газонокосилку под машину.
Опустите рычаг высоты скашивания в самое нижнее положение.
Установите штифт регулировки высоты скашивания в фиксированное положение самой низкой высоты скашивания.
Поднимите заднюю часть деки газонокосилки и присоедините цепи к задним подъемным рычагам (Рисунок 78).
Подсоедините передние цепи к передним подъемным рычагам (Рисунок 78).
Вставьте длинную соединительную штангу через подвес рамы и деку.
Закрепите соединительный палец с помощью ранее снятых игольчатых шплинтов и шайб (Рисунок 77).
Установите ремень газонокосилки на шкив двигателя; см. раздел Замена ремня газонокосилки.
Затяните 2 нижних болта крепления экрана деки газонокосилки к деке газонокосилки; см. раздел Освобождение экрана деки газонокосилки.
| Периодичность технического обслуживания | Порядок технического обслуживания |
|---|---|
| Перед каждым использованием или ежедневно |
|
Через открытое отверстие для выброса травы газонокосилка может выбрасывать посторонние предметы в сторону оператора или стоящих поблизости людей, что может стать причиной серьезного травмирования. Кроме того, возможен контакт с ножами.
Запрещается эксплуатировать машину без установленной пластины мульчирования, отражателя выброса или системы сбора травы.
Проверяйте отражатель травы на наличие повреждений перед каждым использованием. Заменяйте все поврежденные детали перед использованием машины.
Снимите шплинт (Рисунок 79).
Освободите пружину из выемки в кронштейне отражателя и выдвиньте стержень из приваренных кронштейнов деки, пружины и отражателя выброса (Рисунок 79).

Снимите поврежденный или изношенный отражатель выброса.
Установите новый отражатель выброса так, чтобы концы кронштейнов находились между приварными кронштейнами на деке, как показано на Рисунок 80.
Установите пружину на прямой конец стержня.
Расположите пружину на стержне так, как показано на Рисунок 80, чтобы более короткий конец пружины выходил из-под стержня перед его изгибом и проходил над стержнем в месте выхода из изгиба.
Поднимите конец пружины, имеющий петлю, и поместите его в выемку на кронштейне отражателя (Рисунок 80).

Закрепите узел стержня и пружины, закрутив его таким образом, чтобы короткий конец стержня находился за передним кронштейном, приваренном к деке (Рисунок 80).
Important: Отражатель травы должен быть подпружинен в опущенном положении. Поднимите отражатель вверх, чтобы убедиться в том, что он опускается в крайнее нижнее положение с фиксацией.
Установите шплинт (Рисунок 79).
| Периодичность технического обслуживания | Порядок технического обслуживания |
|---|---|
| После каждого использования |
|
Important: Машину можно мыть мягким моющим средством с водой. Не мойте машину струей под давлением. Не допускайте излишнего увлажнения поверхностей, особенно вблизи панели управления, под сиденьем, вокруг двигателя, гидравлических насосов и гидромоторов.
Промывайте нижнюю сторону деки газонокосилки после каждого использования для предотвращения скопления травы и улучшения мульчирования и удаления обрезков травы.
Припаркуйте машину на ровной горизонтальной поверхности, выключите переключатель управления ножами (PTO) и включите стояночный тормоз.
Прежде чем покинуть рабочее место оператора, выключите двигатель, извлеките ключ и дождитесь остановки всех движущихся частей машины.
Подсоедините шланговую муфту к концу штуцера промывки газонокосилки и установите регулятор подачи воды в положение большого расхода (Рисунок 81).
Note: Нанесите технический вазелин на уплотнительное кольцо штуцера промывки, чтобы было легче надеть муфту и защитить уплотнительное кольцо.

Опустите газонокосилку на самую низкую высоту скашивания.
Сядьте на сиденье и запустите двигатель.
Переведите переключатель управления ножами в положение ВЫКЛ и дайте газонокосилке поработать от 1 до 3 минут.
Выключите переключатель управления ножами (PTO), заглушите двигатель, извлеките ключ из замка зажигания и дождитесь остановки всех движущихся частей.
Выключите подачу воды и отсоедините муфту от штуцера промывки.
Note: В случае обнаружения на газонокосилке остаточных загрязнений после одной мойки вновь увлажните очищаемые поверхности и подождите 30 минут. Затем повторите этот процесс.
Заново запустите газонокосилку и включите ножи на 1–3 минуты, чтобы удалить излишки воды.
Поломка или отсутствие штуцера промывки подвергает вас и находящихся поблизости людей опасности травмирования отброшенными предметами или работающими ножами. Контакт с ножом или отброшенным мусором может привести к травме или гибели.
Прежде чем возобновлять эксплуатацию машины, обязательно замените сломанный или отсутствующий штуцер.
Запрещается помещать руки или ноги под газонокосилку или в ее отверстия.
Note: Не очищайте узлы амортизаторов струей воды под давлением (Рисунок 82).

Моторное масло, аккумуляторы, гидравлическая жидкость и охлаждающая жидкость двигателя загрязняют окружающую среду. Утилизируйте такие компоненты в соответствии с местными и государственными нормами и правилами.
Перед размещением машины на хранение дайте двигателю остыть.
Не храните машину или топливо вблизи источника открытого огня, сливайте топливо только на открытом воздухе.
Переведите переключатель управления ножами (РТО) в положение ВЫКЛ и включите стояночный тормоз.
Прежде чем покинуть рабочее место оператора, выключите двигатель, извлеките ключ и дождитесь остановки всех движущихся частей машины.
Удалите скошенную траву, загрязнения и сажу с наружных частей всей машины, особенно с двигателя и гидросистемы. Удалите грязь и сухую траву с наружных поверхностей ребер головки цилиндров двигателя и корпуса вентилятора.
Important: Машину можно мыть мягким моющим средством с водой. Не мойте машину струей под давлением. Не допускайте излишнего увлажнения поверхностей, особенно вблизи панели управления, двигателя, гидронасосов и приводов.
Проверьте работу стояночного тормоза; см. раздел Использование стояночного тормоза.
Обслужите воздухоочиститель, см.Обслуживание воздухоочистителя
Замените масло в картере двигателя; см. раздел Замена моторного масла и масляного фильтра.
Проверьте давление воздуха в шинах, см. раздел Проверка давления воздуха в шинах.
Зарядите аккумуляторную батарею; см. Зарядка аккумулятора.
Удалите скребком все скопления травы и грязи из-под нижней части газонокосилки, затем промойте газонокосилку с помощью садового шланга.
Note: После мойки дайте машине поработать в течение 2–5 минут с переключателем управления ножами (ВОМ), установленным в положение ВКЛ, при высокой частоте холостого хода двигателя.
Проверьте состояние ножей, см. Техническое обслуживание ножей.
Подготовьте машину к хранению, если она не будет использоваться более 30 дней. Подготовьте машину к хранению следующим образом:
Добавьте в топливо, содержащееся в баке, стабилизатор/кондиционер на нефтяной основе. Выполняя смешивание, следуйте указаниям производителя стабилизатора. Не используйте стабилизатор на спиртовой основе (этанол или метанол).
Note: Стабилизатор (кондиционер) топлива наиболее эффективен при смешивании со свежим топливом и при постоянном использовании.
Для распределения кондиционированного топлива по топливной системе запустите двигатель на 5 минут.
Заглушите двигатель, дайте ему остыть и опорожните топливный бак.
Запустите двигатель и дайте ему проработать до остановки.
Утилизируйте надлежащим образом все неиспользованное топливо. Утилизируйте топливо в соответствии с местными нормами.
Important: Не храните топливо с добавленным стабилизатором/кондиционером более 90 дней.
Снимите свечу (свечи) зажигания и проверьте ее (их) состояние; см. раздел Обслуживание свечи (свечей) зажигания. После снятия свечи(свечей) зажигания с двигателя залейте 30 мл (две столовые ложки) моторного масла в отверстие каждой свечи зажигания. С помощью стартера проверните двигатель и распределите масло внутри цилиндра. Установите свечу (свечи) зажигания. Не присоединяйте провода к свечам зажигания.
Проверьте и затяните все болты, гайки и винты. Отремонтируйте или замените все поврежденные части.
Подкрасьте все поцарапанные или оголенные металлические поверхности. Краску можно приобрести в сервисном центре официального дилера.
Храните машину в чистом, сухом гараже или складском помещении. Извлеките ключ из замка зажигания и храните его в месте, недоступном для детей и других неправомочных пользователей. Накройте машину для ее защиты и сохранения в чистоте.
Полностью зарядите аккумулятор.
Дайте аккумулятору постоять 24 часа, затем проверьте его напряжение.
Note: Если напряжение аккумулятора ниже 12,6 В, повторите действия, описанные в пунктах 1 и 2.
Отсоедините кабели от аккумулятора.
Периодически проверяйте напряжение, чтобы оно было не ниже 12,4 В.
Note: Если напряжение аккумулятора ниже 12,4 В, повторите действия, описанные в пунктах 1 и 2.
Храните аккумулятор в чистом, сухом месте в вертикальном положении.
Не ставьте аккумуляторы один на другой, за исключением случаев, когда они находятся в упаковочных коробках.
Не ставьте более 3 аккумуляторов один поверх другого (допускается ставить только 2 аккумулятора, если это аккумуляторы коммерческого типа).
Проверяйте жидкостные аккумуляторы через каждые 4–6 месяцев и подзаряжайте их в случае необходимости.
Всегда проверяйте и заряжайте аккумулятор перед его установкой.
| Problem | Possible Cause | Corrective Action |
|---|---|---|
| Имеются признаки сжатия топливного бака, или в машине часто кончается топливо. |
|
|
| Двигатель перегревается. |
|
|
| Стартер не вращается. |
|
|
| Двигатель не запускается, запускается с трудом или глохнет. |
|
|
| Двигатель теряет мощность. |
|
|
| Машина не движется. |
|
|
| Необычная вибрация машины. |
|
|
| Высота скашивания неравномерная. |
|
|
| Ножи не вращаются. |
|
|
