| Maintenance Service Interval | Maintenance Procedure |
|---|---|
| Before each use or daily |
|
This rotary-blade, riding lawn mower is intended to be used by homeowners in residential applications. It is designed primarily for cutting grass on well-maintained lawns.
Read this information carefully to learn how to operate and maintain your product properly and to avoid injury and product damage. You are responsible for operating the product properly and safely.
Visit www.Toro.com for product safety and operation training materials, accessory information, help finding a dealer, or to register your product.
Whenever you need service, genuine Toro parts, or additional information, contact an Authorized Service Dealer or Toro Customer Service and have the model and serial numbers of your product ready. Figure 1 identifies the location of the model and serial numbers on the product. Write the numbers in the space provided.
Important: With your mobile device, you can scan the QR code on the serial number decal (if equipped) to access warranty, parts, and other product information.

Write the product model and serial numbers in the space below:
This manual uses 2 words to highlight information. Important calls attention to special mechanical information and Note emphasizes general information worthy of special attention.
This product complies with all relevant European directives; for details, please see the separate product specific Declaration of Conformity (DOC) sheet.
Gross or Net Torque: The gross or net torque of this engine was laboratory rated by the engine manufacturer in accordance with the Society of Automotive Engineers (SAE) J1940 or J2723. As configured to meet safety, emission, and operating requirements, the actual engine torque on this class of mower will be significantly lower. Please refer to the engine manufacturer’s information included with the machine.
Go to www.Toro.com to view specifications on your model.
Important: If you are using a machine with a Toro engine above 1500 m (5,000 ft) for a continuous period, ensure that the High Altitude Kit has been installed so that the engine meets CARB/EPA emission regulations. The High Altitude Kit increases engine performance while preventing spark-plug fouling, hard starting, and increased emissions. Once you have installed the kit, attach the high-altitude label next to the serial decal on the machine. Contact any Authorized Toro Service Dealer to obtain the proper High Altitude Kit and high-altitude label for your machine. To locate a dealer convenient to you, access our website at www.Toro.com or contact our Toro Customer Care Department at the number(s) listed in your Emission Control Warranty Statement.Remove the kit from the engine and restore the engine to its original factory configuration when running the engine under 1500 m (5,000 ft). Do not operate an engine that has been converted for high-altitude use at lower altitudes; otherwise, you could overheat and damage the engine.If you are unsure whether or not your machine has been converted for high-altitude use, look for the following label.

This machine has been designed in accordance with EN ISO 5395:2013.
This Safety Alert Symbol (Figure 3) is used both in this manual and on the machine to identify important safety messages which must be followed to avoid accidents.
This symbol means: ATTENTION! BECOME ALERT! YOUR SAFETY IS INVOLVED!

The safety alert symbol appears above information which alerts you to unsafe actions or situations and will be followed by the word DANGER, WARNING, or CAUTION.
DANGER: Indicates an imminently hazardous situation which, if not avoided, Will result in death or serious injury.
WARNING: Indicates a potentially hazardous situation which, if not avoided, Could result in death or serious injury.
CAUTION: Indicates a potentially hazardous situation which, if not avoided, May result in minor or moderate injury.
This manual uses two other words to highlight information. Important calls attention to special mechanical information and Note emphasizes general information worthy of special attention.
This machine is capable of amputating hands and feet and of throwing objects. Toro designed and tested this lawn mower to offer reasonably safe service; however, failure to comply with safety instructions may result in injury or death.
Read, understand, and follow all instructions and warnings in the Operator’s Manual and other training material, on the machine, engine, and attachments. All operators and mechanics should be trained. If the operator(s) or mechanic(s) can not read this manual, it is the owner’s responsibility to explain this material to them; other languages may be available on our website.
Only allow trained, responsible, and physically capable operators that are familiar with the safe operation, operator controls, and safety signs and instructions to operate the machine. Never let children or untrained people operate or service the equipment. Local regulations may restrict the age of the operator.
Do Not operate the machine near drop-offs, ditches, embankments, water, or other hazards, or on slopes greater than 15 degrees.
Do Not put your hands or feet near moving components of the machine.
Never operate the machine with damaged guards, shields, or covers. Always have safety shields, guards, switches and other devices in place and in proper working condition.
Stop the machine, shut off the engine, and remove the key before servicing, fueling, or unclogging the machine.

![]() |
Safety decals and instructions are easily visible to the operator and are located near any area of potential danger. Replace any decal that is damaged or missing. |




















Become familiar with all controls in Figure 6 and Figure 7 before you start the engine and operate the machine.

The fuel gauge displays the amount of fuel in the tank (Figure 7).

The throttle controls the engine speed, and it has a continuous-variable setting from the SLOW to FAST position (Figure 6).
Use the choke control to start a cold engine.
The hour meter records the number of hours the engine has operated. It operates when the engine is running. Use these times for scheduling regular maintenance (Figure 6).
Use the motion-control levers to drive the machine forward, reverse, and turn either direction (Figure 5).
Move the motion-control levers outward from the center to the NEUTRAL-LOCK position when exiting the machine (Figure 32). Always position the motion-control levers into the NEUTRAL-LOCK position when you stop the machine or leave it unattended.
The parking-brake lever is located on the left side of the console (Figure 5). The brake lever engages a parking brake on the drive wheels.
To engage the parking brake, pull up the lever until it latches into the detent slot.
To disengage the parking brake, pull the lever out of the detent slot and toward you, then push it down.
The foot pedal deck-lift system allows you to lower and raise the deck from the seated position. You can use the foot pedal to lift the deck briefly to avoid obstacles or lock the deck in the highest height of cut or transport position (Figure 5).
The Smart Speed™ Control-System lever, located below the operating position, gives you a choice to drive the machine at 3 speed ranges— trim, tow, and mow (Figure 5).
Use the power point to power 12 V accessories (Figure 6).
Important: When not using the 12 V power point, insert the rubber plug to prevent damage to the power point.
The key switch, used to start and shut off the engine, has 3 positions: OFF, RUN, and START. Refer to Starting the Engine.
The blade-control switch, represented by a power-takeoff (PTO) symbol, engages and disengages power to the mower blades (Figure 6).
The height-of-cut lever works with the foot pedal to lock the deck in a specific cutting height. Adjust the height of cut only when the machine is not moving (Figure 5).
A selection of Toro approved attachments and accessories is available for use with the machine to enhance and expand its capabilities. Contact your Authorized Service Dealer or authorized Toro distributor or go to www.Toro.com for a list of all approved attachments and accessories.
To ensure optimum performance and continued safety certification of the machine, use only genuine Toro replacement parts and accessories. Replacement parts and accessories made by other manufacturers could be dangerous, and such use could void the product warranty.
Note: Determine the left and right sides of the machine from the normal operating position.
Evaluate the terrain to determine what accessories and attachments are needed to properly and safely perform the job. Only use accessories and attachments approved by Toro.
Inspect the area where the equipment is to be used and remove all rocks, toys, sticks, wires, bones, and other foreign objects. These can be thrown or interfere with the operation of the machine and may cause personal injury to the operator or bystanders.
Wear appropriate personal protective equipment such as safety glasses, substantial slip-resistant footwear, and hearing protection. Tie back long hair and avoid loose clothing and loose jewelry which may get tangled in moving parts.
This machine produces sound levels in excess of 85 dBA at the operator’s ear and can cause hearing loss through extended periods of exposure.
Wear hearing protection when operating this machine.
Check that the operator presence controls, safety switches, and shields are attached and functioning properly. Do Not operate unless they are functioning properly.
Do Not operate the mower when people, especially children, or pets are in the area. Stop the machine and attachment(s) if anyone enters the area.
Do Not operate the machine without the entire grass collection system, discharge deflector, or other safety devices in place and in proper working condition. Grass catcher components are subject to wear, damage and deterioration, which could expose moving parts or allow objects to be thrown. Frequently check for worn or deteriorating components and replace them with the manufacturer’s recommended parts when necessary.
Fill fuel tank on level ground. See Fuel Recommendations in the Specifications section for additional gasoline information.
Do Not add oil to gasoline.
Do Not overfill fuel tank. Fill the fuel tank to the bottom of the filler neck. The empty space in the tank allows gasoline to expand. Overfilling may result in fuel leakage or damage to the engine or emission system.
Make sure you understand the controls, their locations, their functions, and their safety requirements.
Refer to the Maintenance section and perform all the necessary inspection and maintenance steps.
Use extreme care when handling fuel.
In certain conditions gasoline is extremely flammable and vapors are explosive.
A fire or explosion from gasoline can burn you, others, and cause property damage.
Fill the fuel tank outdoors on level ground, in an open area, when the engine is cold. Wipe up any gasoline that spills.
Never refill the fuel tank or drain the machine indoors or inside an enclosed trailer.
Do Not fill the fuel tank completely full. Fill the fuel tank to the bottom of the filler neck. The empty space in the tank allows gasoline to expand. Overfilling may result in fuel leakage or damage to the engine or emission system.
Never smoke when handling gasoline, and stay away from an open flame or where gasoline fumes may be ignited by spark.
Store gasoline in an approved container and keep it out of the reach of children.
Add fuel before starting the engine. Never remove the cap of the fuel tank or add fuel when engine is running or when the engine is hot.
If fuel is spilled, Do Not attempt to start the engine. Move away from the area of the spill and avoid creating any source of ignition until fuel vapors have dissipated.
Do Not operate without entire exhaust system in place and in proper working condition.
In certain conditions during fueling, static electricity can be released causing a spark which can ignite gasoline vapors. A fire or explosion from gasoline can burn you and others and cause property damage.
Always place gasoline containers on the ground away from your vehicle before filling.
Do Not fill gasoline containers inside a vehicle or on a truck or trailer bed because interior carpets or plastic truck bed liners may insulate the container and slow the loss of any static charge.
When practical, remove gas-powered equipment from the truck or trailer and refuel the equipment with its wheels on the ground.
If this is not possible, then refuel such equipment on a truck or trailer from a portable container, rather than from a gasoline dispenser nozzle.
If a gasoline dispenser nozzle must be used, keep the nozzle in contact with the rim of the fuel tank or container opening at all times until fueling is complete. Do Not use a nozzle lock open device.
Gasoline is harmful or fatal if swallowed. Long-term exposure to vapors has caused cancer in laboratory animals. Failure to use caution may cause serious injury or illness.
Avoid prolonged breathing of vapors.
Keep face away from nozzle and gas tank/container opening.
Keep away from eyes and skin.
Never siphon by mouth.
To help prevent fires:
Keep engine and engine area free from accumulation of grass, leaves, excessive grease or oil, and other debris which can accumulate in these areas.
Clean up oil and fuel spills and remove fuel soaked debris.
Allow the machine to cool before storing the machine in any enclosure. Do Not store near flame or any enclosed area where open pilot lights or heat appliances are present.
For best results, use only clean, fresh (less than 30 days old), unleaded gasoline with an octane rating of 87 or higher ((R+M)/2 rating method).
Ethanol: Gasoline with up to 10% ethanol (gasohol) or 15% MTBE (methyl tertiary butyl ether) by volume is acceptable. Ethanol and MTBE are not the same. Gasoline with 15% ethanol (E15) by volume is not approved for use. Never use gasoline that contains more than 10% ethanol by volume, such as E15 (contains 15% ethanol), E20 (contains 20% ethanol), or E85 (contains up to 85% ethanol). Using unapproved gasoline may cause performance problems and/or engine damage which may not be covered under warranty.
Do not use gasoline containing methanol.
Do not store fuel either in the fuel tank or fuel containers over the winter unless you use a fuel stabilizer.
Do not add oil to gasoline.
Use fuel stabilizer/conditioner in the machine at all times to keep the fuel fresh longer when used as directed by the fuel-stabilizer manufacturer.
Important: Do not use fuel additives containing methanol or ethanol.
Add the amount of fuel stabilizer/conditioner to fresh fuel as directed by the fuel-stabilizer manufacturer.
Park the machine on a level surface.
Engage the parking brake.
Shut off the engine and remove the key.
Clean around the fuel-tank cap.
Fill the fuel tank until the fuel gauge reads at the full mark (Figure 8).
Note: Do not fill the fuel tank completely full. The empty space in the tank allows the fuel to expand.

Before starting the machine each day, perform the Each Use/Daily procedures listed in .
New engines take time to develop full power. Mower decks and drive systems have higher friction when new, placing additional load on the engine. Allow 40 to 50 hours of break-in time for new machines to develop full power and best performance.
If the safety-interlock switches are disconnected or damaged, the machine could operate unexpectedly, causing personal injury.
Do not tamper with the interlock switches.
Check the operation of the interlock switches daily and replace any damaged switches before operating the machine.
The safety-interlock system is designed to prevent the engine from starting unless:
The blade-control switch (PTO) is disengaged.
The motion-control levers are in the NEUTRAL-LOCK position.
The parking brake is engaged.
The safety-interlock system also is designed to shut off the engine whenever the control levers are out of the NEUTRAL-LOCK position and you rise from the seat.
| Maintenance Service Interval | Maintenance Procedure |
|---|---|
| Before each use or daily |
|
Test the safety-interlock system before you use the machine each time. If the safety system does not operate as described below, have an Authorized Service Dealer repair the safety system immediately.
Sit on the seat, engage the parking brake, and move the blade-control switch (PTO) to the ON position. Try starting the engine; the engine should not crank.
Sit on the seat, engage the parking brake, and move the blade-control switch (PTO) to the OFF position. Move either motion-control lever (out of the NEUTRAL-LOCK position). Try starting the engine; the engine should not crank. Repeat for other control lever.
Sit on the seat, engage the parking brake, move the blade-control switch (PTO) to the OFF position, and move the motion-control levers to the NEUTRAL-LOCK position. Start the engine. While the engine is running, release the parking brake, engage the blade-control switch (PTO), and rise slightly from the seat; the engine should shut off.
Sit on the seat, engage the parking brake, move the blade-control switch (PTO) to the OFF position, and move the motion-control levers to NEUTRAL-LOCK position. Start the engine. While the engine is running, center either motion-control lever and move it forward or reverse; the engine should shut off. Repeat for other motion-control lever.
Sit on the seat, disengage the parking brake, move the blade-control switch (PTO) to the OFF position, and move the motion-control levers to NEUTRAL-LOCK position. Try starting the engine; the engine should not crank.
The seat can move forward and backward. Position the seat where you have the best control of the machine and are most comfortable (Figure 9).

The MyRide™ suspension system adjusts to provide a smooth and comfortable ride. You can adjust the rear 2-shock assemblies to quickly and easily change the suspension system. Position the suspension system where you are most comfortable.
The slots for the rear-shock assemblies have detent positions for reference. You can position the rear-shock assemblies anywhere in the slot, not just in the detent positions.
The following graphic shows the position for a soft or firm ride and the different detent positions (Figure 10).

Note: Ensure that the left and right rear-shock assemblies are always adjusted to the same positions.
Adjust the rear-shock assemblies (Figure 11).


You can adjust the motion-control levers higher or lower for maximum comfort (Figure 12).

You can adjust the motion-control levers forward or rearward for your comfort.
Loosen the upper bolt holding the control lever to the control-arm shaft.
Loosen the lower bolt just enough to pivot the control lever forward or rearward (Figure 12).
Tighten both bolts to secure the control lever in the new position.
Repeat the adjustment for the other control lever.
The mower deck and mower blades shipped with the machine were designed for optimum mulching and side-discharge performance.
Install the fasteners into the same holes in the deck from where they were originally removed. This ensures that no holes are left open when operating the mower deck.
Open holes in the machine expose you and others to thrown debris that can cause severe injury.
Never operate the machine without hardware mounted in all holes in the machine housing.
Install the hardware in the mounting holes when you remove the mulching baffle.
Park the machine on a level surface, disengage the blade-control switch, and engage the parking brake.
Shut off the engine, remove the key, and wait for all moving parts to stop before leaving the operating position.
Remove the mower deck; refer to Removing the Mower Deck.
Remove the 2 locknuts (5/16 inch) secured to the welded posts of the left baffle on the top of the mower deck at the center and left of center positions (Figure 13).

Remove the carriage bolt and locknut on the side wall of the mower deck securing the left baffle to the deck.
Remove the left baffle from the mower deck as shown in Figure 13.
Remove the 2 carriage bolts (5/16 x 3/4 inch) and 2 locknuts (5/16 inch) securing the assembled right baffle and baffle guard to the mower deck (Figure 14).

Remove the 2 locknuts (5/16 inch) to securing the welded posts of the right baffle to the top of the mower deck at the center and right of center positions (Figure 15).
Note: Remove the right baffle from the mower deck.

Locate the cutoff baffle in the loose parts bag and remove the fasteners at the rear holes of the discharge plate (Figure 16).

Install the baffle at the side discharge opening on the mower deck.
Use the fasteners removed to secure the cutoff baffle to the deck.
Install the mower deck; refer to Installing the Mower Deck.
Park the machine on a level surface, disengage the blade-control switch, and engage the parking brake.
Shut off the engine, remove the key, and wait for all moving parts to stop before leaving the operating position.
Remove the mower deck; refer to Removing the Mower Deck.
Remove the 3 locknuts (5/16 inch) secured to the welded posts of the left baffle on the top of the mower deck at the center, left of center, and left positions (Figure 17).

Remove the carriage bolt and locknut on the side wall of the mower deck securing the left baffle to the deck (Figure 17).
Remove the left baffle from the mower deck (Figure 17).
Locate the 2 bolts in loose parts and use the existing locknuts and install these fasteners into the holes shown in Figure 17 on the mower deck to prevent flying debris.
Note: Install the bolt upward, through the underside of the deck and use an existing locknut to secure from the topside.
Remove the carriage bolt (5/16 x 3/4 inch) and locknut (5/16 inch) on the rear wall of the mower deck securing the baffle to the deck (Figure 18).

Locate the baffle guard at the front edge of the side discharge opening (Figure 18).
Remove the fasteners securing the baffle guard and the right baffle to the mower deck (Figure 18).
Note: Remove the baffle guard and retain all fasteners.
Remove the 2 locknuts (5/16 inch) securing the welded posts of the right baffle to the top of the mower deck at center and right of center positions (Figure 19).

Remove the carriage bolt and locknut securing the right baffle to the top of the mower deck and remove the right baffle from the mower deck (Figure 19).
Install the fasteners removed previously at the front holes in the discharge plate and forward hole in the deck (Figure 18).
Locate the cutoff baffle in the loose parts bag, remove the fasteners at the rear holes of the discharge plate, and install the baffle at the side-discharge opening on the mower deck (Figure 20).

Use the fasteners removed to secure the cutoff baffle to the deck.
Install the mower deck; refer to Installing the Mower Deck.
The operator must use their full attention when operating the machine. Do Not engage in any activity that causes distractions; otherwise, injury or property damage may occur.
Operating engine parts, especially the muffler, become extremely hot. Severe burns can occur on contact and debris, such as leaves, grass, brush, etc. can catch fire.
Allow engine parts, especially the muffler, to cool before touching.
Remove accumulated debris from muffler and engine area.
Engine exhaust contains carbon monoxide, which is an odorless deadly poison that can kill you.
Do Not run engine indoors or in a small confined area where dangerous carbon monoxide fumes can collect.
The owner/user can prevent and is responsible for accidents or injuries occurring to himself or herself, other people or property.
This mower was designed for one operator only. Do not carry passengers and keep all others away from machine during operation.
Do not operate the machine while ill, tired, or under the influence of alcohol or drugs.
Operate only in daylight or good artificial light.
Lightning can cause severe injury or death. If lightning is seen or thunder is heard in the area, Do Not operate the machine; seek shelter.
Use extra care while operating with accessories or attachments, such as grass collection systems. These can change the stability of the machine and cause a loss of control. Follow directions for counter weights if required.
Keep away from holes, ruts, bumps, rocks, and other hidden hazards. Use care when approaching blind corners, shrubs, trees, tall grass or other objects that may hide obstacles or obscure vision. Uneven terrain could overturn the machine or cause the operator to lose their balance or footing.
Be sure all drives are in neutral and parking brake is engaged before starting engine.
Start the engine carefully according to instructions with feet well away from the blades.
Never operate the mower with damaged guards, shields, or covers. Always have safety shields, guards, switches and other devices in place and in proper working condition.
Keep clear of the discharge opening at all times. Never mow with the discharge door raised, removed or altered unless there is a grass collection system or mulch kit in place and working properly.
Keep hands and feet away from moving parts. If possible, Do Not make adjustments with the engine running.
Hands, feet, hair, clothing, or accessories can become entangled in rotating parts. Contact with the rotating parts can cause traumatic amputation or severe lacerations.
Do Not operate the machine without guards, shields, and safety devices in place and working properly.
Keep hands, feet, hair, jewelry, or clothing away from rotating parts.
Never raise the deck with blades running.
Be aware of the mower discharge path and direct discharge away from others. Avoid discharging material against a wall or obstruction as the material may ricochet back toward the operator. Stop the blades, slow down, and use caution when crossing surfaces other than grass and when transporting the mower to and from the area to be mowed.
Be alert, slow down and use caution when making turns. Look behind and to the side before changing directions. Do Not mow in reverse unless absolutely necessary.
Do Not change the engine governor setting or overspeed the engine.
Park the machine on level ground. Stop engine, wait for all moving parts to stop, and remove the spark plug wire(s).
Before checking, cleaning or working on the mower.
After striking a foreign object or abnormal vibration occurs (inspect the mower for damage and make repairs before restarting and operating the mower).
Before clearing blockages.
Whenever you leave the mower. Do Not leave a running machine unattended.
Stop engine, wait for all moving parts to stop:
Before refueling.
Before dumping the grass catcher.
Before making height adjustments.
Tragic accidents can occur if the operator is not alert to the presence of children. Children are often attracted to the machine and the mowing activity. Never assume that children will remain where you last saw them.
Keep children out of the mowing area and under the watchful care of another responsible adult, not the operator.
Be alert and turn the machine off if children enter the area.
Before and while backing or changing direction, look behind, down, and side-to-side for small children.
Never allow children to operate the machine.
Do Not carry children, even with the blades shut off. Children could fall off and be seriously injured or interfere with the safe operation of the machine. Children that have been given rides in the past could suddenly appear in the working area for another ride and be run over or backed over by the machine.
Slopes are a major factor related to loss of control and rollover accidents, which can result in severe injury or death. The operator is responsible for safe slope operation. Operating the machine on any slope requires extra caution. Before using the machine on a slope, the operator must:
Review and understand the slope instructions in the manual and on the machine.
Use an angle indicator to determine the approximate slope angle of the area.
Never operate on slopes greater than 15 degrees.
Evaluate the site conditions of the day to determine if the slope is safe for machine operation. Use common sense and good judgment when performing this evaluation. Changes in the terrain, such as moisture, can quickly affect the operation of the machine on a slope.
Identify hazards at the base of the slope. Do Not operate the machine near drop offs, ditches, embankments, water or other hazards. The machine could suddenly roll over if a wheel goes over the edge or the edge collapses. Keep a safe distance (twice the width of the machine) between the machine and any hazard. Use a walk behind machine or a hand trimmer to mow the grass in these areas.

Avoid starting, stopping or turning the machine on slopes. Avoid making sudden changes in speed or direction; turn slowly and gradually.
Do Not operate a machine under any conditions where traction, steering or stability is in question. Be aware that operating the machine on wet grass, across slopes or downhill may cause the machine to lose traction. Loss of traction to the drive wheels may result in sliding and a loss of braking and steering. The machine can slide even if the drive wheels are stopped.
Remove or mark obstacles such as ditches, holes, ruts, bumps, rocks or other hidden hazards. Tall grass can hide obstacles. Uneven terrain could overturn the machine.
Use extra care while operating with accessories or attachments, such as grass collection systems. These can change the stability of the machine and cause a loss of control. Follow directions for counter weights.
If possible, keep the deck lowered to the ground while operating on slopes. Raising the deck while operating on slopes can cause the machine to become unstable.
Use the mower deck as a step to get into the operator’s position (Figure 22).

Always engage the parking brake when you stop the machine or leave it unattended.
Park the machine on a level surface.

To disengage the parking brake, pull the lever out of the detent slot and toward you, then push it down (Figure 24).


You can move the throttle control between FAST and SLOW positions (Figure 28).
Always use the FAST position when engaging the PTO.

Use the choke to start a cold engine.
Turn the key to the START position (Figure 30).
Note: When the engine starts, release the key.
Important: Do not engage the starter motor for more than 5 seconds at a time. If the engine fails to start, wait 10 seconds between attempts. Failure to follow these instructions can burn out the starter motor.
Note: You may need multiple attempts to start the engine when you start it the first time after the fuel system has been without fuel completely.

Turn the key to the STOP position to shut off the engine.
Note: A warm or hot engine may not require choking.
Important: Do not engage the starter for more than 5 seconds at a time. Engaging the starter motor for more than 5 seconds can damage the starter motor. If the engine fails to start, wait 10 seconds before operating the engine starter again.

Disengage the blades by moving the blade-control switch to the OFF position (Figure 27).
Engage the parking brake; refer to Engaging the Parking Brake.
Move the throttle control to the FAST position.
Turn the key to the OFF position and remove the key.
Children or bystanders may be injured if they move or attempt to operate the machine while it is unattended.
Always remove the key and engage the parking brake when leaving the machine unattended.

The drive wheels turn independently, powered by hydraulic motors on each axle. You can turn 1 side in reverse while you turn the other forward, causing the machine to spin rather than turn. This greatly improves the machine maneuverability but may require some time for you to adapt to how it moves.
The throttle control regulates the engine speed as measured in rpm (revolutions per minute). Place the throttle control in the FAST position for best performance. Always operate in the full throttle position when mowing.
The machine can spin very rapidly. You may lose control of the machine and cause personal injury or damage to the machine.
Use caution when making turns.
Slow the machine down before making sharp turns.
Note: The engine shuts off when you move the traction-control with the parking brake engaged.
To stop the machine, pull the motion-control levers to the NEUTRAL position.
Disengage the parking brake; refer to Disengaging the Parking Brake.
Move the levers to the center, unlocked position.
To go forward, slowly push the motion-control levers forward (Figure 33).

Move the levers to the center, unlocked position.
To go backward, slowly pull the motion-control levers rearward (Figure 34).

The Smart Speed TM Control-System lever, located to the right of the operating position (Figure 35), gives you a choice to drive the machine at 3 ground speed ranges—trim, tow, and mow.

To change speeds, do the following:
Move the motion-control levers to neutral and outward to the NEUTRAL-LOCK position.
Disengage the blade-control switch.
Adjust the lever to the desired position.
The following are only recommendations for use. Adjustments vary by grass type, moisture content, and the height of the grass.
| Suggested uses: | Trim | Tow | Mow |
| Parking | X | ||
| Heavy, wet grass | X | ||
| Training | X | ||
| Bagging | X | ||
| Mulching | X | ||
| Normal mowing | X | ||
| Moving the machine | X |
Trim
This is the lowest speed. The suggested uses for this speed are as follows:
Parking
Heavy, wet grass mowing conditions
Training
Tow
This is the medium speed. The suggested uses for this speed are as follows:
Bagging
Mulching
Mow
This is the fastest speed. The suggested uses for this speed are as follows:
Normal mowing
Moving the machine
The Smart Speed TM Control-System lever, located below the operating position (Figure 36), gives the operator a choice to drive the machine at 3 ground speed ranges—trim, tow, and mow.

To change speeds, do the following:
Move the motion-control levers to neutral and outward to the PARK position.
Disengage the blade-control switch.
Adjust the lever to the desired position.
The following are only recommendations for use. Adjustments vary by grass type, moisture content, and the height of the grass.
| Suggested uses: | Trim | Tow | Mow |
| Parking | X | ||
| Heavy, wet grass | X | ||
| Training | X | ||
| Trimming grass | X | ||
| Bagging | X | ||
| Mulching | X | ||
| Towing attachments | X | ||
| Normal mowing | X | ||
| Moving the machine | X |
Trim
This is the lowest speed. The suggested uses for this speed are as follows:
Parking
Heavy, wet grass mowing conditions
Training
Trimming grass
Tow
This is the medium speed. The suggested uses for this speed are as follows:
Bagging
Mulching
Towing attachments
Mow
This is the fastest speed. The suggested uses for this speed are as follows:
Normal mowing
Moving the machine
The mower has a hinged grass deflector that disperses clippings to the side and down toward the turf.
Without a grass deflector, discharge cover, or a complete grass-catcher assembly mounted in place, you and others are exposed to blade contact and thrown debris. Contact with rotating mower blade(s) and thrown debris will cause injury or death.
Never remove the grass deflector from the mower deck because the grass deflector routes material down toward the turf. If the grass deflector is ever damaged, replace it immediately.
Never put your hands or feet under the mower deck.
Never try to clear the discharge area or mower blades unless you move the blade-control switch (PTO) to the OFF position, rotate the key switch to the OFF position, and remove the key from the key switch.
Make sure that the grass deflector is in the down position.
The machine is equipped with a foot pedal deck-lift system. You can use the foot pedal to lift the deck briefly to avoid obstacles or lock the deck in the highest height of cut or transport position. You can use the height-of-cut lever with the foot pedal to lock the deck in a specific cutting height.
You can adjust the height of cut from 38 to 114 mm (1-1/2 to 4-1/2 inches) in 6 mm (1/4 inch) increments by moving the height-of-cut pin into different hole locations.
Push on the deck-lift pedal with your foot and raise the mower deck to the transport-lock position (also the 114 mm (4-1/2 inch) cutting height position) as shown in Figure 38.
To adjust, remove the pin from the height-of-cut bracket (Figure 38).
Select a hole in the height-of-cut system corresponding to the desired height of cut and insert the pin (Figure 38).
Push on the deck-lift pedal with your foot and pull the handle rearward to disengage the transport lock (Figure 37).
Lower the deck slowly until the lever makes contact with the pin.

Whenever you change the height of cut, adjust the height of the anti-scalp rollers.
Note: Adjust the anti-scalp rollers so that the rollers do not touch the ground in normal, flat mowing areas.
Park the machine on a level surface, disengage the blade-control switch and engage the parking brake; refer to Engaging the Parking Brake.
Shut off the engine, remove the key, and wait for all moving parts to stop before leaving the operating position.
Adjust the anti-scalp rollers as shown in Figure 39.

Use only Toro approved attachments and accessories.
If you attach a bucket to the engine guard, use a strap to secure it.
Important: The bucket weight impacts the stability of the machine. If you are carrying more than the weight listed in the table below in a bucket attached to the engine guard, you must equip your machine with the Bucket-Support Kit.
Contact your Authorized Service Dealer.
| Model | Maximum weight per bucket without the Bucket-Support Kit |
| 48-inch deck | 1.1 kg (2.5 lb) |
| 54-inch deck | 1.1 kg (2.5 lb) |
| 60-inch deck | 4.5 kg (10 lb) |
For best mowing and maximum air circulation, operate the engine at the FAST position. Air is required to thoroughly cut grass clippings, so do not set the height-of-cut so low as to totally surround the mower deck in uncut grass. Always try to have 1 side of the mower deck free from uncut grass, which allows air to be drawn into the mower deck.
Cut grass slightly longer than normal to ensure that the cutting height of the mower deck does not scalp any uneven ground. However, the cutting height used in the past is generally the best one to use. When cutting grass longer than 15 cm (6 inches) tall, you may want to cut the lawn twice to ensure an acceptable quality of cut.
It is best to cut only about a third of the grass blade. Cutting more than that is not recommended unless grass is sparse, or it is late fall when grass grows more slowly.
Alternate the mowing direction to keep the grass standing straight. This also helps disperse clippings, which enhances decomposition and fertilization.
Grass grows at different rates at different times of the year. To maintain the same cutting height, mow more often in early spring. As the grass growth rate slows in mid summer, mow less frequently. If you cannot mow for an extended period, first mow at a high cutting height, then mow again 2 days later at a lower height setting.
To improve cut quality, use a slower ground speed in certain conditions.
When mowing uneven turf, raise the cutting height to avoid scalping the turf.
If you must stop the forward motion of the machine while mowing, a clump of grass clippings may drop onto your lawn. To avoid this, move onto a previously cut area with the blades engaged or you can disengage the mower deck while moving forward.
Clean clippings and dirt from the underside of the mower deck after each use. If grass and dirt build up inside the mower deck, cutting quality will eventually become unsatisfactory.
Maintain a sharp blade throughout the cutting season because a sharp blade cuts cleanly without tearing or shredding the grass blades. Tearing and shredding turns grass brown at the edges, which slows growth and increases the chance of disease. Check the mower blades after each use for sharpness, and for any wear or damage. File down any nicks and sharpen the blades as necessary. If a blade is damaged or worn, replace it immediately with a genuine Toro replacement blade.
Park machine on level ground, disengage drives, set parking brake, stop engine, remove key or disconnect spark plug wire. Wait for all movement to stop and allow the machine to cool before adjusting, cleaning, repairing, or storing. Never allow untrained personnel to service machine.
Clean the machine as stated in the Maintenance section. Keep engine and engine area free from accumulation of grass, leaves, excessive grease or oil, and other debris which can accumulate in these areas. These materials can become combustible and may result in a fire.
Frequently check for worn or deteriorating components that could create a hazard. Tighten loose hardware.
Use a heavy-duty trailer or truck to transport the machine. Ensure that the trailer or truck has all necessary lighting and marking as required by law. Thoroughly read all of the safety instructions. Knowing this information could help you, your family, pets, or bystanders avoid injury.
To transport the machine:
Lock the brake and block the wheels.
Be sure the fuel shut-off valve is closed.
Securely fasten the machine to the trailer or truck with straps, chains, cable, or ropes. Only use the four designated tie-down locations on the mower–2 on the left side and 2 on the right (Figure 40). Use these locations even when transporting the mower with an attached accessory. Using non-designated locations may cause damage to the mower and/or attachment.

Secure a trailer to the towing vehicle with safety chains.
Driving on the street or roadway without turn signals, lights, reflective markings, or a slow moving vehicle emblem is dangerous and can lead to accidents causing personal injury.
Do not drive machine on a public street or roadway.
Use extreme caution when loading or unloading machines onto a trailer or a truck. Use a full-width ramp that is wider than the machine for this procedure. Back up ramps and drive forward down ramps (Figure 41).

Important: Do not use narrow individual ramps for each side of the machine.
Ensure the ramp is long enough so that the angle with the ground does not exceed 15 degrees (Figure 41). On flat ground, this requires a ramp to be at least four times (4X) as long as the height of the trailer or truck bed to the ground. A steeper angle may cause mower components to get caught as the unit moves from the ramp to the trailer or truck. Steeper angles may also cause the machine to tip or lose control. If loading on or near a slope, position the trailer or truck so that it is on the down side of the slope and the ramp extends up the slope. This will minimize the ramp angle.
Loading a machine onto a trailer or truck increases the possibility of tip-over and could cause serious injury or death.
Use extreme caution when operating a machine on a ramp.
Use only a full-width ramp; do not use individual ramps for each side of the machine.
Do not exceed a 15-degree angle between the ramp and the ground or between the ramp and the trailer or truck.
Ensure the length of ramp is at least four times (4X) as long as the height of the trailer or truck bed to the ground. This will ensure that ramp angle does not exceed 15 degrees on flat ground.
Back up ramps and drive forward down ramps.
Avoid sudden acceleration or deceleration while driving the machine on a ramp as this could cause a loss of control or a tip-over situation.

Do not attach towed equipment except at the hitch point.
Follow the attachment manufacturer's recommendation for weight limits for towed equipment and towing on slopes. Towed weight must not exceed the weight of the machine, operator, and ballast; otherwise hydrostatic transmission failure may occur. Use counterweights or wheel weights as described in the attachment manufacturer's manual.
Never allow children or others in or on towed equipment.
On slopes, the weight of the towed equipment may cause loss of traction, increased risk of rollover, and loss of control. Reduce the towed weight and slow down.
Stopping distance increases with the weight of the towed load. Travel slowly and allow extra distance to stop.
Make wide turns to keep the attachment clear of the machine.
Important: Always push the machine by hand. Do not tow the machine, because damage may occur.
This machine has an electric-brake mechanism, and to push the machine, the ignition key must be in the RUN position. The battery needs to be charged and functioning for the electric brake to be disengaged.
Park the machine on a level surface, and disengage the blade-control switch.
Engage the parking brake, shut off the engine, and wait for all moving parts to stop before leaving the operating position.
Locate the bypass levers on the frame on both sides of the engine.
Move the bypass levers forward through the key hole and down to lock them in place (Figure 43).
Note: Do this for each lever.
Disengage the parking brake.
Note: Do not start the machine.

When finished, engage the parking brake.
Move the bypass levers rearward through the keyhole and down to lock them in place as shown in Figure 43.
Note: Do this for each lever.
Note: Determine the left and right sides of the machine from the normal operating position.
While maintenance or adjustments are being made, someone could start the engine. Accidental starting of the engine could seriously injure you or other bystanders.
Remove the key from the ignition switch, engage parking brake, and pull the wire(s) off the spark plug(s) before you do any maintenance. Also push the wire(s) aside so it does not accidentally contact the spark plug(s).
The engine can become very hot. Touching a hot engine can cause severe burns.
Allow the engine to cool completely before service or making repairs around the engine area.
Park machine on level ground, disengage drives, set parking brake, stop engine, remove key or disconnect spark plug wire. Wait for all movement to stop and allow the machine to cool before adjusting, cleaning or repairing. Never allow untrained personnel to service machine.
Disconnect battery or remove spark plug wire before making any repairs. Disconnect the negative terminal first and the positive last. Reconnect positive first and negative last.
Keep the machine, guards, shields and all safety devices in place and in safe working condition. Frequently check for worn or deteriorating components and replace them with the manufacturer’s recommended parts when necessary.
Removal or modification of original equipment, parts and/or accessories may alter the warranty, controllability, and safety of the machine. Unauthorized modifications to the original equipment or failure to use original Toro parts could lead to serious injury or death. Unauthorized changes to the machine, engine, fuel or venting system, may violate applicable safety standards such as: ANSI, OSHA and NFPA and/or government regulations such as EPA and CARB.
Use care when checking blades. Wrap the blade(s) or wear gloves, and use caution when servicing them. Only replace damaged blades. Never straighten or weld them.
Use jack stands to support the machine and/or components when required.
Raising the machine for service or maintenance relying solely on mechanical or hydraulic jacks could be dangerous. The mechanical or hydraulic jacks may not be enough support or may malfunction allowing the machine to fall, which could cause injury.
Do not rely solely on mechanical or hydraulic jacks for support. Use adequate jack stands or equivalent support.
Carefully release pressure from components with stored energy.
Keep hands and feet away from moving parts. If possible, Do Not make adjustments with the engine running. If the maintenance or adjustment procedure require the engine to be running and components moving, use extreme caution.
Contact with moving parts or hot surfaces may cause personal injury.
Keep your fingers, hands, and clothing clear of rotating components and hot surfaces.
Check all bolts frequently to maintain proper tightness.
| Maintenance Service Interval | Maintenance Procedure |
|---|---|
| After the first 5 hours |
|
| Before each use or daily |
|
| After each use |
|
| Every 25 hours |
|
| Every 100 hours |
|
| Every 200 hours |
|
| Before storage |
|
If you leave the key in the switch, someone could accidently start the engine and seriously injure you or other bystanders.
Shut off the engine and remove the key from the switch before you perform any maintenance.
Loosen the 2 bottom bolts of the curtain to access the top of the mower deck (Figure 44).

Note: Always tighten the bolts to connect the curtain after maintenance.
Shut off the engine before checking the oil or adding oil to the crankcase.
Keep your hands, feet, face, clothing, and other body parts away the muffler and other hot surfaces.
| Maintenance Service Interval | Maintenance Procedure |
|---|---|
| Before each use or daily |
|
Note: Service the air cleaner more frequently (every few hours) if operating conditions are extremely dusty or sandy.
Park the machine on a level surface, disengage the blade-control switch (PTO), and engage the parking brake.
Shut off the engine, remove the key, and wait for all moving parts to stop before leaving the operating position.
Clean around the air-cleaner cover to prevent dirt from getting into the engine and causing damage.
Lift the cover and rotate the air-cleaner assembly out of the engine (Figure 45).


Separate the foam and paper elements (Figure 46).

| Maintenance Service Interval | Maintenance Procedure |
|---|---|
| Every 25 hours |
|
| Every 100 hours |
|
Wash the foam element in liquid soap and warm water. When the element is clean, rinse it thoroughly.
Dry the element by squeezing it in a clean cloth.
Important: Replace the foam element if it is torn or worn.
| Maintenance Service Interval | Maintenance Procedure |
|---|---|
| Every 100 hours |
|
| Every 200 hours |
|
Clean the paper element by tapping it gently to remove dust.
Note: If it is very dirty, replace the paper element with a new one.
Inspect the element for tears, an oily film, or damage to the rubber seal.
Replace the paper element if it is damaged.
Important: Do not clean the paper filter.
Install the foam element over the paper element.
Note: Ensure that you do not damage the elements.
Align the holes of the filter into the manifold ports.
Rotate the filter down into the chamber and fully seat it against the manifold (Figure 47).

Close the cover.
Oil Type: Detergent oil (API service SF, SG, SH, SJ, or SL)
Crankcase Capacity: 2.4 L (81 fl oz) with oil filter
Viscosity: See the table below.

| Maintenance Service Interval | Maintenance Procedure |
|---|---|
| Before each use or daily |
|
Note: Check the oil when the engine is cold.
Important: If you overfill or underfill the engine crankcase with oil and run the engine, you may damage the engine.
Park the machine on a level surface, disengage the blade-control switch (PTO), and engage the parking brake.
Shut off the engine, remove the key, and wait for all moving parts to stop before leaving the operating position.
Note: Ensure that the engine is cool so that the oil has had time to drain into the sump.
To keep dirt, grass clippings, etc., out of the engine, clean the area around the oil-fill cap and dipstick before removing it (Figure 49).

| Maintenance Service Interval | Maintenance Procedure |
|---|---|
| After the first 5 hours |
|
| Every 100 hours |
|
Park the machine on a level surface to ensure that the oil drains completely.
Disengage the blade-control switch (PTO) and engage the parking brake.
Shut off the engine, remove the key, and wait for all moving parts to stop before leaving the operating position.
Drain the oil from the engine.


Change the engine-oil filter (Figure 51).
Note: Ensure that the oil-filter gasket touches the engine and then turn the filter an extra 3/4 turn.

Slowly pour approximately 80% of the specified oil into the filler tube and slowly add the additional oil to bring it to the Full mark (Figure 52).

Dispose of the used oil at a recycling center.
| Maintenance Service Interval | Maintenance Procedure |
|---|---|
| Every 100 hours |
|
| Every 200 hours |
|
Ensure that the air gap between the center and side electrodes is correct before installing the spark plug. Use a spark plug wrench for removing and installing the spark plug and a gapping tool or feeler gauge to check and adjust the air gap. Install a new spark plug if necessary.
Type: Champion® RN9YC or NGK® BPR6ES
Air gap: 0.76 mm (0.03 inch)
Park the machine on a level surface, disengage the blade-control switch (PTO), and engage the parking brake.
Shut off the engine, remove the key, and wait for all moving parts to stop before leaving the operating position.
Clean the area around the base of the plug to keep dirt and debris out of the engine.
Remove the spark plug (Figure 53).

Important: Do not clean the spark plug(s). Always replace the spark plug(s) when it has a black coating, worn electrodes, an oily film, or cracks.
If you see light brown or gray on the insulator, the engine is operating properly. A black coating on the insulator usually means the air cleaner is dirty.
Set the gap to 0.75 mm (0.03 inch).


| Maintenance Service Interval | Maintenance Procedure |
|---|---|
| Before each use or daily |
|
Park the machine on a level surface, disengage the blade-control switch (PTO), and engage the parking brake.
Shut off the engine, remove the key, and wait for all moving parts to stop before leaving the operating position.
Remove the air filter from the engine.
Remove the engine shroud.
To prevent debris entering the air intake, install the air filter to the filter base.
Clean debris and grass from the parts.
Remove the air filter and install the engine shroud.
Install the air filter.
In certain conditions, fuel is extremely flammable and highly explosive. A fire or explosion from fuel can burn you and others and can damage property.
Refer to Adding Fuel for a complete list of fuel related precautions.
| Maintenance Service Interval | Maintenance Procedure |
|---|---|
| Every 100 hours |
|
| Every 200 hours |
|
Never install a dirty filter after removing it from the fuel line.
Park the machine on a level surface, disengage the blade-control switch (PTO), and engage the parking brake.
Shut off the engine, remove the key, and wait for all moving parts to stop before leaving the operating position.
Replace the filter (Figure 56).
Note: Note: Ensure that the markings on the filter follow the fuel flow direction.


Disconnect the battery before repairing the machine. Disconnect the negative terminal first and the positive last. Connect the positive terminal first and the negative last.
Charge the battery in an open, well-ventilated area, away from sparks and flames. Unplug the charger before connecting or disconnecting the battery. Wear protective clothing and use insulated tools.
Incorrectly removing the cables from battery could damage the machine and cables, causing sparks. Sparks can cause the battery gasses to explode, resulting in personal injury.
Always disconnect the negative (black) battery cable before disconnecting the positive (red) cable.
Always connect the positive (red) battery cable before connecting the negative (black) cable.
Park the machine on a level surface, disengage the blade-control switch (PTO), and engage the parking brake.
Shut off the engine, remove the key, and wait for all moving parts to stop before leaving the operating position.
Loosen the 2 fasteners on the battery cover counterclockwise 1/4 turn, and remove the battery cover (Figure 57).

Disconnect the negative (black) ground cable from the battery post (Figure 58).
Note: Retain all fasteners.
Slide the rubber cover up the positive (red) cable.
Disconnect the positive (red) cable from the battery post (Figure 58).
Note: Retain all fasteners.
Remove the battery hold-down (Figure 58), and lift the battery from the battery tray.

| Maintenance Service Interval | Maintenance Procedure |
|---|---|
| Before storage |
|
Remove the battery from the chassis; refer to Removing the Battery.
Charge the battery for a minimum of 1 hour at 6 to 10 A.
Note: Do not overcharge the battery.
When the battery is fully charged, unplug the charger from the electrical outlet, then disconnect the charger leads from the battery posts (Figure 59).

Position the battery in the tray (Figure 58).
Using the fasteners previously removed, install the positive (red) battery cable to the positive (+) battery terminal.
Using the fasteners previously removed, install the negative battery cable to the negative (-) battery terminal.
Slide the red terminal boot onto the positive (red) battery post.
Secure the battery with the hold-down (Figure 58).
Install the battery cover by pushing down and tightening the 2 fasteners clockwise (Figure 57).
The electrical system is protected by fuses. It requires no maintenance; however, if a fuse blows, check the component/circuit for a malfunction or short.
Fuse type:
Main—F1 (15 A, blade-type)
Charge Circuit—F2 (25 A, blade-type)
To replace the Main (15 A) fuse, reach into the opening in the side of the console, pull out the fuse, and install a new 15 A fuse (Figure 60).

To replace the Charge Circuit (25 A) fuse, locate the fuse to the left of battery, pull out the fuse, and install a new 25 A fuse (Figure 61).

| Maintenance Service Interval | Maintenance Procedure |
|---|---|
| Every 25 hours |
|
Maintain the air pressure in the front and rear tires as specified. Uneven tire pressure can cause uneven cut. Check the pressure at the valve stem (Figure 62). Check the tires when they are cold to get the most accurate pressure reading.
Refer to the maximum pressure suggested by the tire manufacturer on the sidewall of the caster wheel tires.
Inflate the front caster wheel tires to 103 kPa (15 psi).
Inflate the rear drive wheel tires to 90 kPa (13 psi).

| Maintenance Service Interval | Maintenance Procedure |
|---|---|
| Every 25 hours |
|
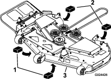
Replace the belt if it is worn. The signs of a worn belt include squealing while the belt is rotating; the blades slipping while cutting grass; and frayed edges, burn marks, and cracks on the belt.
The signs of a worn belt include squealing while the belt is rotating, blades slipping while cutting grass, and frayed edges, burn marks, and cracks on the belt. Replace the mower belt if any of these conditions are evident.
Park the machine on a level surface, disengage the blade-control switch (PTO), and engage the parking brake.
Shut off the engine, remove the key, and wait for all moving parts to stop before leaving the operating position.
Lower the mower to the 76 mm (3 inches) height-of-cut position.
Remove the mower-deck curtain; refer to Releasing the Mower-Deck Curtain.
For each of the belt covers, loosen the 2 bolts, but do not remove them.
Slide the cover until it is clear of the bolts and lift it up and out to remove it.
Using a spring removal tool, (Toro Part No. 92-5771), remove the idler spring from the deck post to remove tension on the idler pulley (Figure 63).

Lower the mower to the lowest height of cut and place the height-of-cut pin in the lock position for the lowest height-of-cut.
Remove the belt from the mower-deck pulleys and remove the existing belt.
Install the new belt around the mower pulleys and the clutch pulley under the engine (Figure 63).
The spring is under tension when installed and can cause personal injury.
Be careful when removing the belt.
Using a spring-removal tool, (Toro Part No. 92-5771), install the idler spring over the deck post and placing tension on the idler pulley and mower belt (Figure 63).
Ensure that the belt is properly seated in all pulleys.
To install the belt covers, insert the tabs on the each cover into the corresponding slots on the deck bracket, ensuring that they seat.
Rotate the cover to the deck and slide the notches under the loosened bolts until they are seated.
Tighten the bolts to secure the cover to the deck.
Install the mower-deck curtain; refer to Releasing the Mower-Deck Curtain.
A worn or damaged blade can break, and a piece of the blade could be thrown toward you or bystanders, resulting in serious personal injury or death. Trying to repair a damaged blade may result in discontinued safety certification of the product.
Inspect the blades periodically for wear or damage.
Use care when checking the blades. Wrap the blades or wear gloves, and use caution when servicing the blades. Only replace or sharpen the blades; never straighten or weld them.
On multi-bladed machines, take care as rotating 1 blade can cause other blades to rotate.
To ensure a superior quality of cut, keep the blades sharp. For convenient sharpening and replacement, keep extra blades on hand.
Park the machine on a level surface, disengage the blade-control switch (PTO), and engage the parking brake.
Shut off the engine, remove the key, and disconnect the spark-plug wires from the spark plugs.
| Maintenance Service Interval | Maintenance Procedure |
|---|---|
| Before each use or daily |
|
Inspect the cutting edges (Figure 64).
If the edges are not sharp or have nicks, remove and sharpen the blade; refer to Sharpening the Blades.
Inspect the blades, especially in the curved area.
If you notice any cracks, wear, or a slot forming in this area, immediately install a new blade (Figure 64).

Note: The machine must be on a level surface for the following procedure.
Raise the mower deck to the highest height-of-cut position.
While wearing thickly padded gloves, or other adequate hand protection, slowly rotate the blade into a position that allows you to measure the distance between the cutting edge and the level surface the machine is on (Figure 65).

Measure from the tip of the blade to the flat surface (Figure 66).

Rotate the same blade 180 degrees so that the opposing cutting edge is now in the same position (Figure 67).

Measure from the tip of the blade to the flat surface (Figure 68).
Note: The variance should be no more than 3 mm (1/8 inch).

If the difference between A and B is greater than 3 mm (1/8 inch), replace the blade with a new blade; refer to Removing the Blades and Installing the Blades.
Note: If a bent blade is replaced with a new blade, and the dimension obtained continues to exceed 3 mm (1/8 inch), the blade spindle could be bent. Contact an Authorized Service Dealer for service.
If the variance is within constraints, move to the next blade.
Repeat this procedure on each blade.
Replace the blades if they hit a solid object, or if the blade is out of balance or bent.
Hold the blade end using a rag or thickly padded glove.
Remove the blade bolt, curved washer, and blade from the spindle shaft (Figure 69).

Use a file to sharpen the cutting edge at both ends of the blade (Figure 70).
Note: Maintain the original angle.
Note: The blade retains its balance if the same amount of material is removed from both cutting edges.

Check the balance of the blade by putting it on a blade balancer (Figure 71).
Note: If the blade stays in a horizontal position, the blade is balanced and can be used.
Note: If the blade is not balanced, file some metal off the end of the sail area only (Figure 70).

Repeat this procedure until the blade is balanced.
Install the blade onto the spindle shaft (Figure 69).
Important: The curved part of the blade must be pointing upward toward the inside of the mower to ensure proper cutting.
Install the curved washer (cupped side toward the blade) and the blade bolt (Figure 69).
Torque the blade bolt to 135 to 150 N∙m (100 to 110 ft-lb).

Check to ensure that the mower deck is level any time you install the mower or when you see an uneven cut on your lawn.
Check the mower deck for bent blades prior to leveling, and remove and replace any bent blades; refer to Checking for Bent Blades before continuing.
Level the mower deck side-to-side first; then you can adjust the front-to-rear slope.
Requirements:
The machine must be on a level surface.
All tires must be properly inflated; refer to Checking the Tire Pressure.
Park the machine on a level surface, disengage the blade-control switch (PTO), and engage the parking brake.
Shut off the engine, remove the key, and wait for all moving parts to stop before leaving the operating position.
Carefully rotate the blades side to side.
Measure between the outside cutting edges and the flat surface (Figure 73).
Note: If both measurements are not within 5 mm (3/16 inch), an adjustment is required; refer to Leveling the Mower Deck.

Check the front-to-rear blade level any time you install the mower. If the front of the mower is more than 7.9 mm (5/16 inch) lower than the rear of the mower, adjust the blade level.
Park the machine on a level surface, disengage the blade-control switch (PTO), and engage the parking brake.
Shut off the engine, remove the key, and wait for all moving parts to stop before leaving the operating position.
Carefully rotate the blades so they are facing front to rear (Figure 74).
Measure from the tip of the front blade to the flat surface and the tip of the rear blade to the flat surface (Figure 74).
Note: If the front blade tip is not 1.6 to 7.9 mm (1/16 to 5/16 inch) lower than the rear blade tip, continue to the Leveling the Mower Deck procedure.

Set the anti-scalp rollers to the top holes or remove them completely for this procedure; refer to Adjusting the Anti-Scalp Rollers.
Set the height-of-cut lever to the 76 mm (3 inch) position; refer to Adjusting the Height of Cut.
Place 2 blocks, each having a thickness of 6.6 cm (2-5/8 inches), under each side of the front edge of the deck but not under the anti-scalp roller brackets (Figure 75).
Place 2 blocks, each having a thickness of 7.3 cm (2-7/8 inches), under the rear edge of the cutting deck skirt, 1 on each side of the cutting deck (Figure 75).

Loosen the adjustment bolts on all 4 corners so that the deck is sitting securely on all 4 blocks (Figure 76).

Ensure that there is tension on all 4 chains (Figure 76).
Tighten the 4 adjustment bolts (Figure 76).
Ensure that the blocks fit snugly under the deck skirt and that all bolts are tight.
Verify that the deck is level by checking the side-to-side level and front-to-rear blade slope; repeat the deck leveling procedure if necessary.
Park the machine on a level surface, disengage the blade-control switch (PTO), and engage the parking brake.
Shut off the engine, remove the key, and disconnect the spark-plug wires from the spark plugs.
Lower the mower to the 76 mm (3 inches) height-of-cut position.
Loosen the 2 bottom bolts holding the mower-deck curtain to the mower deck; refer to Releasing the Mower-Deck Curtain.
Remove the mower belt from the engine pulley; refer to Replacing the Mower Belt.
Remove the hairpin cotter and washer securing the link pin to the frame and deck, and remove the link bar (Figure 77).

Lift up the mower deck to relieve tension from the mower deck.
Remove the chains from the hooks on the deck-lift arms (Figure 78).

Raise the height of cut to the transport position.
Remove the belt from the clutch pulley on the engine.
Slide the mower out from underneath the machine.
Note: Retain all parts for future installation.
Park the machine on a level surface, disengage the blade-control switch (PTO), and engage the parking brake.
Shut off the engine, remove the key, and disconnect the spark-plug wires from the spark plugs.
Slide the mower under the machine.
Lower the height-of-cut lever to the lowest position.
Place the height-of-cut pin in the lock position for lowest height of cut.
Lift the rear of the mower deck and attach the chains to the rear lift arms (Figure 78).
Attach the front chains to the front lift arms (Figure 78).
Install the long link bar through the frame hanger and deck.
Secure the link pin with the hairpin cotters and washers removed previously (Figure 77).
Install the mower belt onto the engine pulley; refer to Replacing the Mower Belt.
Tighten the 2 bottom bolts holding the mower-deck curtain to the mower deck; refer to Releasing the Mower-Deck Curtain.
| Maintenance Service Interval | Maintenance Procedure |
|---|---|
| Before each use or daily |
|
An uncovered discharge opening could allow the machine to throw objects toward you or bystanders, resulting in serious injury. Also, contact with the blade could occur.
Never operate the machine unless you install a mulch plate, discharge deflector, or grass collection system.
Inspect the grass deflector for damage before each use. Replace any damaged parts before use.
Remove the cotter pin (Figure 79).
Disengage the spring from the notch in the deflector bracket and slide the rod out of the welded deck brackets, spring, and discharge deflector (Figure 79).

Remove the damaged or worn discharge deflector.
Position the new discharge deflector with the bracket ends between the welded brackets on the deck as shown in Figure 80.
Install the spring onto the straight end of the rod.
Position the spring on the rod as shown in Figure 80 so the shorter spring end is coming from under the rod before the bend and going over the rod as it returns from the bend.
Lift the loop end of the spring and place it into the notch on the deflector bracket (Figure 80).

Secure the rod and spring assembly by twisting it so the short end of the rod is placed behind the front bracket welded to the deck (Figure 80).
Important: The grass deflector must be spring loaded in the down position. Lift the deflector up to test that it snaps to the full down position.
Install the cotter pin (Figure 79).
| Maintenance Service Interval | Maintenance Procedure |
|---|---|
| After each use |
|
Important: You can wash the machine with a mild detergent and water. Do not pressure wash the machine. Avoid excessive use of water, especially near the control panel, under the seat, around the engine, hydraulic pumps, and motors.
Wash the underside of the mower deck after each use to prevent grass buildup for improved mulch action and clipping dispersal.
Park the machine on a level surface, disengage the blade-control switch (PTO), and engage the parking brake.
Shut off the engine, remove the key, and wait for all moving parts to stop before leaving the operating position.
Attach the hose coupling to the end of the mower washout fitting, and turn the water on high (Figure 81).
Note: Spread petroleum jelly on the washout fitting O-ring to make the coupling slide on easier and protect the O-ring.

Lower the mower to the lowest height of cut.
Sit on the seat and start the engine.
Engage the blade-control switch and let the mower run for 1 to 3 minutes.
Disengage the blade-control switch (PTO), shut off the engine, remove the key from the key switch, and wait for all moving parts to stop.
Turn the water off and remove the coupling from the washout fitting.
Note: If the mower is not clean after 1 washing, soak it and let it stand for 30 minutes. Then, repeat the process.
Run the mower again for 1 to 3 minutes to remove excess water.
A broken or missing washout fitting could expose you and others to thrown objects or blade contact. Contact with a blade or thrown debris can cause injury or death.
Replace broken or missing washout fitting immediately, before using machine again.
Never put your hands or feet under the mower or through openings in the machine.
Note: Do not clean the shock assemblies with pressurized water (Figure 82).

Engine oil, batteries, hydraulic fluid, and engine coolant are pollutants to the environment. Dispose of these according to your state and local regulations.
Let the engine cool before storing the machine.
Do not store the machine or fuel near flames or drain the fuel indoors.
Disengage the blade-control switch (PTO), and engage the parking brake.
Shut off the engine, remove the key, and wait for all moving parts to stop before leaving the operating position.
Remove grass clippings, dirt, and grime from the external parts of the entire machine, especially the engine and hydraulic system. Clean dirt and chaff from the outside of the engine cylinder head fins and blower housing.
Important: You can wash the machine with mild detergent and water. Do not pressure wash the machine. Avoid excessive use of water, especially near the control panel, engine, hydraulic pumps, and motors.
Check the parking brake operation; refer to Operating the Parking Brake.
Service the air cleaner; refer to Servicing the Air Cleaner.
Change the crankcase oil; refer to Changing the Engine Oil and Oil Filter.
Check the tire pressure; refer to Checking the Tire Pressure.
Charge the battery; refer to Charging the Battery.
Scrape any heavy buildup of grass and dirt from the underside of the mower, then wash the mower with a garden hose.
Note: Run the machine with the blade-control switch (PTO) engaged and the engine at high idle for 2 to 5 minutes after washing.
Check the condition of the blades; refer to Servicing the Cutting Blades.
Prepare the machine for storage when non-use occurs over 30 days. Prepare the machine for storage as follows:
Add a petroleum-based stabilizer/conditioner to fuel in the tank. Follow mixing instructions from the stabilizer manufacturer. Do not use an alcohol-based stabilizer (ethanol or methanol).
Note: A fuel stabilizer/conditioner is most effective when mixed with fresh fuel and used at all times.
Run the engine to distribute conditioned fuel through the fuel system (5 minutes).
Shut off the engine, allow it to cool, and drain the fuel tank.
Start the engine and run it until it stops.
Dispose of fuel properly. Recycle the fuel according to local codes.
Important: Do not store stabilizer/conditioned fuel over 90 days.
Remove and check the condition of the spark plug(s); refer to Servicing the Spark Plug. With the spark plug(s) removed from the engine, pour 30 ml (2 tablespoons) of engine oil into the spark plug hole. Use the starter to crank the engine and distribute the oil inside the cylinder. Install the spark plug(s). Do not install the wire on the spark plug(s).
Check and tighten all bolts, nuts, and screws. Repair or replace any part that is damaged.
Paint all scratched or bare metal surfaces. Paint is available from your Authorized Service Dealer.
Store the machine in a clean, dry garage or storage area. Remove the key from the switch and keep it out of reach of children or other unauthorized users. Cover the machine to protect it and keep it clean.
Fully charge the battery.
Let the battery rest for 24 hours, then check the battery voltage.
Note: If the battery voltage is below 12.6 V, repeat steps 1 and 2.
Disconnect the cables from the battery.
Check the voltage periodically to ensure that the voltage is 12.4 V or higher.
Note: If the battery voltage is below 12.4 V, repeat steps 1 and 2.
Store the battery in a cool, dry area in an upright position.
Do not stack batteries directly on top of each other, unless they are in cartons.
Do not stack more than 3 batteries (only 2 if the battery type is commercial).
Test a wet battery every 4 to 6 months and charge it, if necessary.
Always test and charge the battery before installation.
| Problem | Possible Cause | Corrective Action |
|---|---|---|
| The fuel tank is showing signs of collapsing or the machine is frequently showing signs of running out of fuel. |
|
|
| The engine overheats. |
|
|
| The starter does not crank. |
|
|
| The engine does not start, starts hard, or fails to keep running. |
|
|
| The engine loses power. |
|
|
| The machine does not drive. |
|
|
| The machine vibrates abnormally. |
|
|
| The cutting height is uneven. |
|
|
| The blades do not rotate. |
|
|
