Viðhald
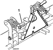
Smurning á millistykki tengitækisins
Ef lásstöngin á millistykki tengitækisins snýst ekki hindrunarlaust skal smyrja þunnu lagi af smurfeiti á svæðið sem sýnt er á Mynd 7.

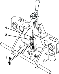
Stilling gorma hreyfistangarinnar
Gormarnir og hreyfistangirnar eru stillt í verksmiðju. Ef nýir hlutar eru settir upp eða gormar eru fjarlægðir þarf aftur á móti að stilla lengd gormsins í 133 mm, eins og sýnt er á Mynd 8.

Stilling hefiltannarinnar
Stilling tannarinnar út frá dráttarvélinni er framkvæmd þannig að dráttarvélinni er lagt með hefilinn á sléttu undirlagi (s.s. steyptri innkeyrslu) og loftþrýstingur í afturhjólbörðum stilltur eftir þörfum.
Hefiltönninni snúið við
Hægt er að snúa hefiltönninni (Mynd 9) við þegar fyrri brúnin er orðin það slitin að hún er komin yfir neðri brún heflunarkassans sem hún er fest á.

Aukabúnaður
| Slóðadragari | Hlutanúmer 140-0274 |
| Mótvægi (nauðsynlegt með 140-0274) | Hlutanúmer 100-6442 |
| Karbíðtindar (15 tindar) | Hlutanúmer 119-2152 |
| Illgresistindur (15 tindar á vinnuvél) | Hlutarnr. 110-0260-0P |
| Illgresistönn (5 tennur á vinnuvél) | Hlutarnr. 132-4427-0P |







