Note: Installez ce kit avant d'installer tout accessoire frontal ou retirez tout accessoire frontal avant l'installation.
Note: Avant d'installer ce kit, installez l'un des suivants : Kit de commande d'accessoire, Kit d'éclairage de route pour l'Amérique du Nord ou Kit d'éclairage de route UE.
Garez la machine sur une surface plane et horizontale.
Sélectionnez le POINT MORT.
Abaissez tous les accessoires (selon l'équipement).
Serrez le frein de stationnement.
Coupez le moteur et enlevez la clé.
Débranchez la batterie; voir le Manuel de l'utilisateur de la machine.
Pièces nécessaires pour cette opération:
| Collecteur | 1 |
| Interrupteur | 2 |
| Boulon de carrosserie (5/16 x 1 po) | 2 |
| Contre-écrou (5/16 po) | 2 |
| Coupleur mâle | 1 |
| Coupleur femelle | 1 |
| Boulon (5/16 x ¾ po) | 3 |
| Prise 12 V | 1 |
| Tube hydraulique | 1 |
Montez les raccords hydrauliques mâle et femelle sur le collecteur (Figure 1).
Retirez l'écrou en plastique afin de vous en servir pour fixer la prise 12 V sur le support (Figure 1).
Fixez le support sur le collecteur à l'aide de 3 boulons (5/16 x ¾ po); voir Figure 1.

Fixez le support avec le collecteur sur la machine à l'aide de 2 boulons de carrosserie (5/16 x 1 po) et 2 contre-écrous (5/16 po), comme montré à la Figure 2.

Débranchez le flexible hydraulique existant de la pompe de direction (Figure 3).

Branchez le tube hydraulique sur la vanne de direction d'où vous avez retiré le flexible (Figure 4).
Raccordez le tube hydraulique au collecteur, comme montré à la Figure 4.
Raccordez le flexible hydraulique au collecteur, comme montré à la Figure 4.

Pièces nécessaires pour cette opération:
| Faisceau de câblage | 1 |
| Clip magnétique | 8 |
| Attache-câble | 2 |
Desserrez les boulons autour de la base de la colonne de direction (Figure 5).
Élevez la base et percez un trou de 22 mm (⅞ po) comme montré à la Figure 5.

Faites passer le faisceau par le trou dans la base.
Fixez la base sur la machine (Figure 5).
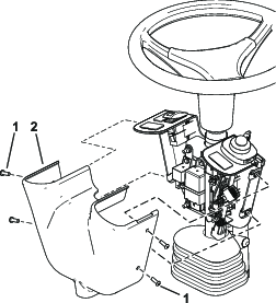
Déposez le couvercle de commande (Figure 6).

Installez les connecteurs des interrupteurs dans le support des interrupteurs sur la colonne de direction (Figure 7).
Installez les interrupteurs dans les connecteurs et le support (Figure 7).

Branchez le faisceau à la prise 12 V (Figure 8).
Reliez le fil bleu à la borne négative (–) de la batterie.
Reliez le fil blanc à la borne positive (+) de la batterie.
Reliez le faisceau de câblage aux connecteurs de solénoïdes du kit (Figure 8).
Acheminez le faisceau le long du cadre de la machine et fixez-le en place avec les clips magnétiques (Figure 8).
Reliez le connecteur d'alimentation du faisceau au connecteur d'alimentation de la cabine sur le faisceau principal de la machine, qui est situé près du montant droit de l'arceau de sécurité et adjacent à la poulie de la pompe (Figure 8).
Branchez le faisceau et les câbles de la batterie sur la batterie; voir le Manuel de l'utilisateur de la machine.
