Introduction

This product complies with all relevant European directives. For details, please see the Declaration of Incorporation (DOI) at the back of this publication.

This roller is designed for maintaining turf on greens and small fairways of golf courses. Using this product for purposes other than its intended use could prove dangerous to you and bystanders.

Read this information carefully to learn how to operate and maintain your product properly and to avoid injury and product damage. You are responsible for operating the product properly and safely.

Visit www.Toro.com for product safety and operation training materials, accessory information, help finding a dealer, or to register your product.

Whenever you need service, genuine Toro parts, or additional information, contact an authorized Toro distributor and have the model and serial numbers of your product ready. The model and serial numbers are located on a plate on the rear frame. Write the numbers in the space provided.

Important: With your mobile device, you can scan the QR code (if equipped) on the serial number decal to access warranty, parts, and other product information.

g279029

This manual identifies potential hazards and has safety messages identified by the safety-alert symbol (Figure 2), which signals a hazard that may cause serious injury or death if you do not follow the recommended precautions.

g000502

This manual uses 2 words to highlight information. Important calls attention to special mechanical information and Note emphasizes general information worthy of special attention.

Safety

General Safety

This product is capable of amputating hands and feet. Always follow all safety instructions to avoid serious personal injury.

  • Read and understand the contents of this Operator’s Manual before starting the engine.

  • Do not put your hands or feet near moving components of the machine.

  • Do not operate the machine without all guards and other safety protective devices in place and working on the machine.

  • Keep bystanders and pets away from the machine.

  • Keep children out of the operating area. Never allow children to operate the machine.

  • Park the machine on a level surface, lower the cutting units, disengage the drives, engage the parking brake (if provided), shut off the engine, and remove the key before leaving the operator's position for any reason.

Improperly using or maintaining this machine can result in injury. To reduce the potential for injury, comply with these safety instructions and always pay attention to the safety-alert symbol Graphic, which means Caution, Warning, or Danger—personal safety instruction. Failure to comply with these instructions may result in personal injury or death.

Roller Safety

  • The roller is only a part of a complete machine when installed on a traction unit. Read the traction unit Operator’s Manual carefully for complete instructions on the safe use of the machine.

  • Stop the machine, remove the key, and wait for all moving parts to stop before inspecting the attachment after striking an object or if there is an abnormal vibration in the machine. Make all necessary repairs before resuming operation.

  • Keep all parts in good working condition and all hardware tightened. Replace all worn or damaged decals.

  • Use only accessories, attachments, and replacement parts approved by Toro.

Setup

Installing the Tri-Roller Units

  1. Park the machine on a level surface, shut off the engine, engage the parking brake, and remove the key.

  2. Position the tri-roller unit under the suspension arm.

  3. With the latches on the suspension-arm bar pointing up (Figure 3), push the suspension arm down so that the bar fits over the bar across the top of the tri-roller unit (Figure 4).

    g018311
    g018312
  4. Close the latches down and around the tri-roller unit and lock them in place (Figure 3).

    Note: You will hear and feel a “click” when the latches are properly locked in place.

  5. Insert the motor into the left side of the tri-roller unit (as viewed from the operator’s position) and pull the motor retaining bar on the tri-roller unit toward the motor until you hear a “click” from both sides of the motor (Figure 5).

    g014690

Removing the Tri-Roller Unit

  1. Park the machine on a clean level surface, lower the tri-roller units to the ground until the suspension hydraulics are fully extended, shut off the engine, engage the parking brake, and remove the key from the ignition switch.

  2. Push the motor retaining bar out of the slots on the motor toward the tri-roller unit and remove the motor from the tri-roller unit.

    g014605
  3. Move the motor to the storage location on the front of the suspension arm.

    Note: Do not raise the suspension to the transport position when the reel motors are in the holders in the machine frame. Damage to the motors or hoses could result. If you must move the traction unit without the tri-roller units installed, secure them to the suspension arms using cable ties.

  4. Open the latches on the suspension-arm bar of the tri-roller unit you are removing.

  5. Disconnect the latches from the tri-roller unit bar.

  6. Roll the tri-roller unit out from under the suspension arm.

  7. Repeat steps 2 through 6 for the other tri-roller units as required.

Adding Rear Weight

Parts needed for this procedure:

Weight kit, 119-7129 (purchase separately)1

This machine complies with the ANSI B71.4-2017 and EN ISO 5395 Standards when equipped with the Weight Kit, Part No. 119-7129.

Operation

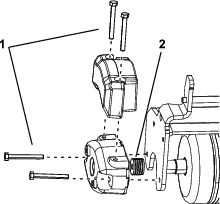
Installing the Electrical Counterweights

Note: If the tri-roller is installed on greens mower Models 04530 or 04540, you must use an additional hybrid counterweight.

  1. Remove and discard the counterweight bolts.

  2. Install 2 bolts (5/16-18 x 2 3/4 inch) as shown in Figure 7.

    Note: These bolts are not included with this kit; order Toro Part No. 322-33.

  3. Install 4 spacers (1/8 inch) per bolt between the counterweight and the tri-roller side plate (Figure 7).

    Note: These spacers are not included with this kit; order Toro Part No. 63-8410.

  4. Install the hybrid auxiliary weight provided with the traction unit with the provided bolts.

g254873

Training Period

Before rolling greens, find a clear area and practice starting, stopping, raising, lowering, and rolling with the tri-roller.

Operating Tips

Maintain a straight line when rolling. Do not turn when the tri-rollers are on the ground.

When the edge of the green has been reached, raise the tri-rollers before turning or stopping. You must completely raise the tri-rollers before making turns. Survey the green to determine if there are any obstacles that will be damaged or will result in damage to the rollers, such as sprinkler heads and protruding objects.

Maintenance

Preparing for Maintenance

Before starting on any maintenance procedure, do the following:

  1. Park the machine on a level surface.

  2. Lower the roller units fully to the ground so that the suspension hydraulics are fully extended.

  3. Engage the parking brake, shut off the engine, and remove the key.

Lubricating the Tri-Roller

Lubricate the 2 grease fittings (Figure 8) on each tri-roller unit after every 15 hours of operation, with No. 2 lithium grease. Use a hand-operated grease gun for best results.

  1. Wipe each grease fitting with a clean rag.

  2. Apply grease to the tri-roller shaft bearings until you feel pressure (Figure 8).

    g018317
  3. Wipe excess grease away.