Manutenção
Utilizar o apoio ao inclinar a unidade de corte
Se for necessário inclinar a unidade de corte para que a lâmina de corte e o cilindro fiquem expostos, coloque o apoio (fornecido com a unidade de tração) por baixo da traseira da unidade de corte para assegurar que as porcas na parte traseira dos parafusos de ajuste da barra de apoio não fiquem apoiadas sobre a superfície de trabalho (Figura 20).

Lubrificação das unidades de corte
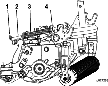
Lubrifique regularmente os cinco bocais de lubrificação em cada unidade de corte (Figura 21), com massa n.º 2 para utilizações gerais, à base de lítio.
Há dois pontos de lubrificação no rolo frontal, rolo traseiro e um na estria do motor do cilindro.
Note: Lubrificar as unidades de corte imediatamente após a lavagem ajuda a purgar a água dos rolamentos e aumenta a duração dos mesmos.
-
Limpe cada bocal de lubrificação com um trapo limpo.
-
Aplique lubrificação até que se veja lubrificante limpo a sair dos vedantes do rolo e da válvula de descarga do rolamento.
-
Elimine o excesso de massa lubrificante.

Amolação de retificação do cilindro
O novo cilindro tem uma largura de 1,3 a 1,5 mm e uma amolação de retificação de 30°.
Quando a dimensão da folga é superior a 3 mm de largura, faça o seguinte:
-
Aplique uma amolação de 30° em todas as lâminas do cilindro até a largura ser 1,3 mm (Figura 22 e Figura 23).


-
Amole o cilindro para obter uma deslocação do cilindro <0,025 mm.
Note: Isto causa que a folga aumente ligeiramente.
Note: Para aumentar a longevidade da afiação da extremidade do cilindro e lâmina – após a amolação do cilindro e/ou lâmina – verifique novamente o contacto entre cilindro e lâmina depois de cortar dois fairways, uma vez que qualquer rebarba é eliminada o que pode criar uma folga indevida entre cilindro e lâmina e acelerar, desta forma, o desgaste.
Assistência à lâmina
Os limites de assistência à lâmina encontram-se no quadro seguinte.
Important: O funcionamento da unidade de corte com a lâmina abaixo do “limite de assistência” pode causar um fraco aspecto após o corte e reduzir a integridade estrutural da lâmina para impactos.
| Quadro de limite de assistência à lâmina | ||||
| Lâmina de corte | Peça n.º | Altura do topo da lâmina* | Limite de assistência* | Ângulos de amolaçãoÂngulo superior/frontal |
| Baixa altura de corte (modelo 03624) | 110-4084 | 5,6 mm | 4,8 mm | 10/5 graus |
| Baixa altura de corte EdgeMax® (modelo 03623) | 137-0832 | 5,6 mm | 4,8 mm | 10/5 graus |
| Baixa altura extensível de corte (Opcional) | 120-1640 | 5,6 mm | 4,8 mm | 10/10 graus |
| Baixa altura EdgeMax® extensível de corte (Opcional) | 119-4280 | 5,6 mm | 4,8 mm | 10/10 graus |
| EdgeMax® (Modelo 03621) | 137-0833 | 6,9 mm | 4,8 mm | 10/5 graus |
| Standard (opcional) | 108-9096 | 6,9 mm | 4,8 mm | 10/5 graus |
| Pesados (opcional) | 110-4074 | 9,3 mm | 4,8 mm | 10/5 graus |
Recomendado para ângulos superiores e frontais da lâmina de corte (Figura 24)

Note: Todas as medidas dos limites de assistência da lâmina se referem à parte inferior da lâmina (Figura 25)

Verificar o ângulo de amolação superior
O ângulo que utiliza para amolar as lâminas de corte é muito importante.
Utilize o indicador de ângulo (peça Toro n.º 131-6828) e a montagem do indicador do ângulo (peça Toro n.º 131-6829) para verificar o ângulo que o seu amolador produz e depois corrija qualquer imprecisão no amolador.
-
Coloque o indicador de ângulo no lado inferior da lâmina de corte, como se ilustra na Figura 26.

-
Pressione o botão Alt Zero no indicador de ângulo.
-
Coloque a montagem do indicador de ângulo na extremidade da lâmina de corte para que a extremidade do íman fique alinhada com a extremidade da lâmina de corte (Figura 27).
Note: O ecrã digital deve ser visível do mesmo lado durante este passo como era no passo 1.

-
Coloque o indicador de ângulo na montagem, como se mostra na Figura 27.
Note: Este é o ângulo que o seu amolador produz e deve estar a 2 graus do ângulo de amolação superior recomendado.
Manutenção da barra de apoio
Remoção da barra de apoio
-
Rode os parafusos de ajuste da barra de apoio no sentido contrário ao dos ponteiros do relógio, para afastar a lâmina de corte do cilindro (Figura 28).

-
Faça recuar a porca da mola tensora até que a anilha deixe de estar sob tensão contra a barra de apoio (Figura 28).
-
Desaperte a porca de bloqueio que segura a cavilha da barra de apoio, em cada um dos lados da máquina (Figura 29).

-
Remova cada uma das cavilhas da barra de apoio, de modo permitir puxá-la e retirá-la da máquina (Figura 29).
Note: Guarde as duas anilhas de nylon e anilha de aço prensado de cada uma das extremidades da barra de apoio (Figura 30).

Montagem da barra de apoio
-
Instale a barra de apoio, posicionando as aletas de montagem entre a anilha e o ajustador da barra de apoio.
-
Fixe a barra de apoio a cada um dos lados da placa lateral com as cavilhas (porcas nas cavilhas) e com as 6 arruelas.
Note: Coloque uma anilha de nylon de cada lado da placa lateral. Coloque uma anilha de aço no exterior de cada uma das anilhas de nylon (Figura 30).
-
Aperte os parafusos da barra de apoio com uma força de 27 a 36 N·m.
-
Aperte as porcas de bloqueio de forma igual em cada lado até que não consiga rodar as anilhas de aço à mão. Em seguida, desaperte as porcas de bloqueio até que as arruelas de aço exteriores possam ser rodadas à mão, ainda não existir folga na barra de apoio. (Figura 31).
Note: Apertar em demasia as porcas de bloqueio pode fazer defletir as placas laterais e barra de apoio, o que pode afetar o contacto do cilindro/lâmina de corte.
Note: As anilhas podem ter uma folga interna.
Note: Não aperte demasiado as porcas, pois tal poderá danificar a mola.

Instalação da lâmina de corte
-
Elimine a ferrugem, escória e corrosão da superfície da barra de apoio e aplique uma fina camada de óleo na superfície da barra de apoio.
-
Limpe as roscas do parafuso.
-
Aplique composto antigripagem nos parafusos e instale a lâmina de corte na barra de apoio da seguinte forma (Figura 32):

-
Amole a lâmina de corte.
Assistência ao Ajuste de Dois Pontos HD (DPA)
-
Retire todas as peças (consulte as Instruções de instalação do Kit DPA HD e a Figura 34).
-
Aplique composto anti-gripagem no interior da área dos casquilhos na estrutura central da unidade de corte (Figura 34).
-
Alinhe as chaves nos casquilhos das flanges com as ranhuras na estrutura e instale os casquilhos (Figura 34).
-
Instale uma anilha ondulada no veio do ajustador e deslize o veio para os casquilhos da flange na estrutura da unidade de corte (Figura 34).
-
Prenda o veio ajustador com uma anilha plana e porca de bloqueio (Figura 34).
-
Aperte a porca de bloqueio com uma força de 20 a 27 N·m.
Note: O veio do ajustador da barra de apoio possui roscas esquerdas.

-
Aplique composto antigripagem nas roscas do parafuso do ajustador da barra de apoio que encaixa no veio do ajustador.
-
Enrosque o parafuso do ajustador da barra de apoio no veio do ajustador.
-
Instale sem apertar a anilha reforçada, mola e porca tensora da mola no parafuso do ajustador.
-
Instale a barra de apoio, posicionando as aletas de montagem entre a anilha e o ajustador da barra de apoio.
-
Fixe a barra de apoio a cada um dos lados da placa lateral com as cavilhas (porcas flangeadas nas cavilhas) e com as 6 arruelas.
Note: Coloque uma anilha de nylon de cada lado da placa lateral.
-
Coloque uma arruela de aço no exterior de cada uma das arruelas de nylon (Figura 34).
-
Aperte os parafusos da barra de apoio com uma força de 37 a 45 N·m.
-
Aperte as porcas até que a anilha de aço exterior pare de rodar e a folga seja removida, mas não aperte em demasiado nem desvie as placas laterais.
Note: As anilhas podem ter uma folga interna (Figura 34).
-
Aperte a porca em cada conjunto de ajustador da barra de apoio até que a mola de compressão esteja totalmente comprimida e, em seguida, desaperte a porca ½ volta (Figura 34).
-
Repita o procedimento no lado oposto da unidade de corte.
-
Ajuste a lâmina de corte ao cilindro; consulte a Ajuste da lâmina de corte ao cilindro.
Manutenção do rolo
O kit de remontagem do rolo, peça n.º 114-5430 e o kit de ferramentas de remontagem do rolo, peça n.º 115-0803 (Figura 35) estão disponíveis para fazer a manutenção do rolo. O kit do rolo inclui todos os rolamentos, porcas dos rolamentos, vedantes internos e externos necessários para remontar um rolo. O kit de ferramentas inclui todas as ferramentas e as instruções de instalação necessárias à remontagem de um rolo com o kit de remontagem de rolo. Consulte o catálogo de peças ou contacte o distribuidor Toro autorizado para obter ajuda.



O não cumprimento
destas instruções pode resultar em ferimentos pessoais
ou mesmo em morte.

















