តំហែទាំ
ប្រើជើងទម្រនៅពេលផ្អៀងផ្នែកកាត់
Note: នៅពេលណាម៉ាស៊ីនកាត់ស្មៅត្រូវបានផ្អៀងដើម្បីបង្ហាញស្លាបចក្ររបស់ម៉ាស៊ីនកាត់ស្មៅ សូមប្រើជើងទម្រ (ផ្គត់ផ្គង់មកជាមួយម៉ាស៊ីនកាត់ស្មៅសណ្ដោងបាន) (រូបភាព 12)។

ដាក់ប្រេងរំអិលម៉ាស៊ីនកាត់ស្មៅ
ម៉ាស៊ីនកាត់ស្មៅនីមួយៗមានគ្រឿងខ្ចៅដាក់ប្រេងរំអិលចំនួន 5 (រូបភាព 13) ដែលត្រូវតែបានដាក់ប្រេងរំអិលរៀងរាល់សប្ដាហ៍ដោយប្រើខ្លាញ់លីចូមលេខ 2។
ទីតាំងដាក់ប្រេងរំអិលគឺនៅត្រង់រ៉ូឡូខាងមុខ (2),រ៉ូឡូខាងក្រោយ (2) និងស្ពឺកងធ្មេញរបស់ម៉ូទ័រដុំរមូរ (1)។
Important: ការដាក់ប្រេងរំអិលគ្រឿងកាត់ភ្លាមៗ ក្រោយពីការលាងសម្អាតជួយបន្សុទ្ធទឹកចេញពីបាដាង ហើយបង្កើនអាយុកាលរបស់បាដាង។
-
ជូតសម្អាតគ្រឿងខ្ចៅដាក់ប្រេងរំអិលនីមួយៗដោយប្រើក្រណាត់ស្អាត។
-
លាបខាញ់រហូតទាល់តែអ្នកឃើញខ្លាញ់ស្អាតចេញពីទ្រនាប់ការពាររបស់រ៉ូឡូ និងវ៉ានសុវត្ថិភាពរបស់បាដាង។ (រូបភាព 13)។

-
ជូតសម្អាតខ្លាញ់ដែលលើសចេញ។
ដោះស្លាបចក្ររបស់ម៉ាស៊ីនកាត់ស្មៅចេញពីដង
-
រឹតភ្ជាប់ចុងដងរបស់ម៉ាស៊ីនកាត់ស្មៅ ដែលមានតែរ៉ង និងខ្ចៅមួយប៉ុណ្ណោះ នៅក្នុងវីស។
-
នៅលើចុងដងម្ខាងទៀត បង្វិលខ្ចៅបញ្ច្រាសទិសនាឡិកា ហើយដោះខ្ចៅចេញ។
ការប្រុងប្រយ័ត្ន
ស្លាបចក្រស្រួចខ្លាំងពេក ហើយអាចមានស្នាមប្រេះដែលនឹងមុតដៃរបស់អ្នក។
សូមពាក់ស្រោមដៃ និងប្រើការប្រុងប្រយ័ត្ននៅពេលដោះស្លាបចក្រចេញពីដង។
-
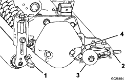
ដោះកំណល់តូច រ៉ង(សម្រាប់តែម៉ូដែល 03619 ប៉ុណ្ណោះ) ស្លាបចក្រ និងកំណល់ធំៗចេញ។ សម្អាត និងដាក់ប្រេងរំអិលដងរាងឆកោណ ឬការ៉េដោយប្រើជាតិខ្លាញ់ស្រាលៗ ដើម្បីងាយស្រួលក្នុងការរៀបផ្គុំ (រូបភាព 15 ឬ រូបភាព 14)។

Important: សណ្ដាប់ធ្នាប់នៃការរុះរើមានសារៈសំខាន់ណាស់។ កុំដាក់បញ្ច្រាសស្លាបចក្ររបស់ដុំរមូរម៉ាស៊ីនកាត់ស្មៅនៅពេលរុះរើ ឬត្រឡប់លំដាប់នៅពេលរៀបដំឡើងវា។ កត់សំគាល់រន្ធតូចនៅក្នុងស្លាបចក្ររបស់ម៉ាស៊ីនកាត់ស្មៅនីមួយៗ។ រន្ធតូចនោះត្រូវបានផ្ដល់ឲ្យសម្រាប់ការដំឡើងដើម្បីទទួលវីសសមស្របសម្រាប់ដុំរមូររបស់ឧបករណ៍កាត់ស្មាត់។

ការដំឡើងស្លាបចក្ររបស់ម៉ាស៊ីនកាត់ស្មៅ
-
ដំឡើងស្លាបចក្រ (រូបភាព 16)។
-
ដំឡើងជ័រទប់ធំ។
-
កុំដាក់បញ្ច្រាសស្លាបចក្ររបស់ម៉ាស៊ីនកាត់ស្មៅនៅពេលដំឡើងវានៅលើដងដុំរមូរ។
Note: បើអ្នកដាក់ស្លាបចក្របញ្ច្រាស នោះស្លាបចក្រដែលកំពុងប្រើ (វិល) នឹងចូលគ្នាជាមួយចុងស្រួចនៃស្លាបចក្រដែលមិនបានប្រើពីមុន ដែលបណ្ដាលឲ្យមានការកាត់ដែលមិនពេញចិត្ត។
-
ដំឡើងស្លាបចក្របន្ទាប់តាមទិសនាឡិកាដើម្បីឲ្យរន្ធវីស (រូបភាព 16) មិនត្រូវបានតម្រឹមជាមួយរន្ធស្លាបចក្រទីមួយដោយគែមសំប៉ែតនៃដងមួយ។

-
បន្តដំឡើងជ័រទប់ និងស្លាបចក្រតាមវិធីនេះរហូតដល់ស្លាបចក្រត្រូវបានដំឡើងគ្រប់ពេញលេញល្អ។
Note: នៅពេលបានដំឡើងត្រឹមត្រូវហើយ គេផ្គុំសុទ្ធតែស្លាបចក្រតាមវិធីនេះមើលទៅដូចជារាងខ្សែកោង ឬគូទខ្យង។
-
ដំឡើងជ័រទប់តូចទៅនឹងកង។
-
លាបប្រេង Blue Loctite 242 លើខ្ចៅ។ ដំឡើងខ្ចៅនៅលើដង (ផ្នែកម្ខាងនៃខ្ចៅទល់នឹងជ័រទប់ដែលដើរដោយម៉ាស៊ីន) ហើយរឹតវាដល់កម្រិតលេខ 109 ទៅ 135 N-m (80 ទៅ 100 ft-lb)។
គម្លាតស្លាបចក្រដែលអាចបន្ថែម
គម្លាតស្លាបចក្រ 0.50-អ៊ិញសម្រាប់ម៉ូដែល 03618
ដើម្បីផ្លាស់ប្ដូរការរៀបចំនៃម៉ាស៊ីនកាត់ស្មៅពីគម្លាតស្តង់ដារពី 0.75-អ៊ិញ ដល់ 0.50-អ៊ិញត្រូវការជ័រទប់ 34 បន្ថែម ដែលមានលេខសម្គាល់គ្រឿង 17-1580 និងដុំស្លាបចក្រ 10 បន្ថែមដែលមានលេខសម្គាល់គ្រឿង 106-6355 ឬស្លាបចក្រធម្មតា 10 បន្ថែម និងលេខសម្គាល់គ្រឿង 17-1590 (រូបភាព 17)។

គម្លាតស្លាបចក្រ 1.00-អ៊ិញសម្រាប់ម៉ូដែល 03619
ដើម្បីផ្លាស់ប្ដូរការរៀបចំនៃម៉ាស៊ីនកាត់ស្មៅពីគម្លាតស្តង់ដារពី 1.25-អ៊ិញ ដល់ 1.00-អ៊ិញត្រូវការជ័រទប់ថ្មី 19 ដែលមានលេខសម្គាល់គ្រឿង 140-5532 និងដុំស្លាបចក្រ 4 បន្ថែមដែលមានលេខសម្គាល់គ្រឿង 106-8625 ឬស្លាបចក្រធម្មតា 4 បន្ថែម និងលេខសម្គាល់គ្រឿង 93-3038-03 (រូបភាព 18)។

ការជួសជុលរ៉ូឡូ
កញ្ចប់ប្រដាប់ប្រដារបង្កើតរ៉ូឡូឡើងវិញ (គ្រឿងបន្លាស់លេខ 114-5430) និងកញ្ចប់ឧបករណ៍បង្កើតរ៉ូឡូឡើងវិញ (គ្រឿងបន្លាស់លេខ 115-0803) (រូបភាព 19) អាចរកបានសម្រាប់ការបម្រើសេវាកម្មរ៉ូឡូ។ កញ្ចប់ប្រដាប់ប្រដារបង្កើតរ៉ូឡូឡើងវិញដាក់បញ្ចូលនូវរាល់បាដាង ខ្ចៅបាដាង សៀលខាងក្នុង និងសៀលខាងក្រៅដើម្បីបង្កើតរ៉ូឡូឡើងវិញ។ កញ្ចប់ឧបករណ៍បង្កើតរ៉ូឡូឡើងវិញដាក់បញ្ចូលនូវរាល់ឧបករណ៍ និងសេចក្ដីណែនាំអំពីការដំឡើងតម្រូវឱ្យមានការបង្កើតរ៉ូឡូឡើងវិញដោយប្រើកញ្ចប់ប្រដាប់ប្រដារបង្កើតរ៉ូឡូឡើងវិញ។ សូមអានសៀវភៅរាយឈ្មោះគ្រឿងបន្លាស់របស់អ្នក ឬទាក់ទងអ្នកចែកចាយផលិតផល Toro ដែលមានការអនុញ្ញាតសម្រាប់ជំនួយ។



ទាំងនេះ និងយកចិត្តទុកដាក់ចំពោះនិមិត្តសញ្ញាសុវត្ថិភាពជានិច្ចដែលមានន័យថាការប្រុងប្រយ័ត្ន
ការព្រមាន ឬគ្រោះថ្នាក់—សេចក្ដីណែនាំអំពីសុវត្ថិភាពផ្ទាល់ខ្លួន។
ការមិនអនុវត្តតាមការណែនាំទាំងនេះអាចបណ្ដាលឲ្យមានរបួសរាងកាយ ឬការស្លាប់។









