Bakım
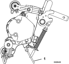
Kesim Ünitesi Yana Yatırılırken Destek Ayağının Kullanılması
Note: Dikey kesim ünitesi bıçaklarının ortaya çıkarılabilmesi için dikey kesim ünitesinin yana yatırılması gerekiyorsa destek ayağını (çekiş ünitesiyle birlikte verilir) kullanın (Şekil 12).

Dikey Kesim Ünitesinin Yağlanması
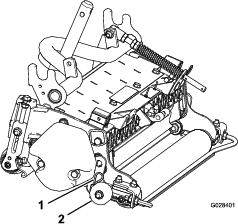
Her bir dikey kesim ünitesinde, 2 numara lityum gresle haftada bir kez yağlanması gereken 5 gresörlük (Şekil 13) vardır.
Yağlama noktaları ise ön tekerlek (2), arka tekerlek (2) ve silindir motoru milleridir (1).
Important: Kesim ünitelerinin yıkamadan hemen sonra yağlanması, yataklarda kalan suyun boşaltılmasına yardımcı olur ve yatak ömrünü uzatır.
-
Her gresörlüğü temiz bir bezle silin.
-
Silindir contalarından ve yatak tahliye valfinden gres taşana kadar gres uygulayın (Şekil 13).

-
Taşan gresi silerek giderin.
Dikey Kesim Ünitesi Bıçaklarının Milden Çıkarılması
-
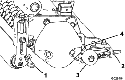
Dikey kesim ünitesi milinin sadece bir rondela ve somun bulunan ucunu bir mengenede sabitleyin.
-
Milin diğer ucunda, somunu saatin aksi yönünde döndürerek çıkarın.
Dikkat
Bıçaklar aşırı keskindir ve çapakları da ellerinizi kesebilir.
Bıçakları milden çıkarırken eldiven takın ve dikkatli çalışın.
-
Küçük ara parçaları, rondelayı (sadece 03619 modeli), bıçakları ve büyük ara parçaları yerlerinden çıkarın. Altıgen veya kare mili temizleyin ve montajı kolaylaştırmak için ince bir kat gres sürün (Şekil 15 veya Şekil 14).

Important: Sökme sırası son derece önemlidir. Sökme sırasında dikey kesim ünitesi silindir bıçaklarını ters çevirmeyin veya monte ederken izlenmesi gereken işlem sırasını değiştirmeyin. Her bir dikey kesim ünitesi bıçağındaki referans deliği not edin. Referans delik, montaj sırasında dikey kesim ünitesi silindiri için uygun sarmalın elde edilebilmesi amacıyla sağlanmıştır.

Dikey Kesim Ünitesi Bıçaklarının Takılması
-
Bir bıçak monte edin (Şekil 16).
-
Bir büyük ara parça monte edin.
-
Silindir miline monte ederken silindir bıçaklarını ters çevirmeyin.
Note: Bıçakları ters çevirirseniz kullanımda olan (uçları yuvarlanmış) bıçaklar ile daha önce kullanılmış bıçakların keskin uçları birbirine karışır, bu da kesim performansının düşmesine yol açar.
-
Bir sonraki bıçağı, referans delik (Şekil 16) ile birinci bıçak deliği milin bir katı kadar hizalanmayacak biçimde takın.

-
Bıçakların takılması tamamlanana kadar ara parçaları ve bıçakları bu şekilde takmaya devam edin.
Note: Düzgün monte edildikleri takdirde bıçaklar bir sarmal gibi görünecek biçimde sıralanırlar.
-
Küçük ara parçayı mile takın.
-
Somuna 242 Blue Loctite uygulayın. Somunu mile takın (somunun makinede işlenmiş tarafı ara parçaya doğru bakmalıdır) ve 109 ila 135 N∙m torkla sıkın.
İsteğe Bağlı Bıçak Aralığı
03618 Modeli için 0,50 inç Bıçak Aralığı
Dikey kesim ünitesinin konfigürasyonunu standart değer olan 0,75 inç aralıktan 0,50 inç aralığa değiştirebilmek için 34 adet ek ara parça (Parça No. 17-1580) ve 10 adet ek karbür bıçak (Parça No. 106-6355) veya 10 adet ek normal bıçak (Parça No. 17-1590) gerekir (Şekil 17).

03619 Modeli için 1,00 inç Bıçak Aralığı
Dikey kesim ünitesinin konfigürasyonunu standart değer olan 1,25 inç aralıktan 1,00 inç aralığa değiştirebilmek için 19 yeni ara parça (Parça No. 140-5532) ve 4 adet ek karbür bıçak (Parça No. 106-8625) veya 4 adet ek normal bıçak (Parça No. 93-3038-03) gerekir (Şekil 18).

Silindir Bakımı
Silindir bakımı için Silindir Onarım Seti (Parça No. 114-5430) ve Silindir Onarımı Alet Seti (Parça No. 115-0803) (Şekil 19) mevcuttur. Silindir Onarım Setinde, silindiri onarmak için gereken tüm yataklar, yatak somunları, iç contalar ve dış contalar vardır. Silindir Onarımı Alet Setinde ise silindir onarım setiyle bir silindiri onarmak için gereken tüm aletler ile montaj talimatları bulunur. Destek için parça kataloğuna bakın veya yetkili Toro distribütörünüze danışın.



çok dikkat edin.
Bu talimatlara uyulmaması, yaralanma veya ölümle
sonuçlanabilir.









