Onderhoud
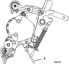
De kickstandaard gebruiken als u de maai-eenheid kantelt
Note: Als u de verticuteerset moet kantelen om bij de verticuteermessen te kunnen komen, moet u de kickstandaard (meegeleverd met de tractie-eenheid) gebruiken (Figuur 12).

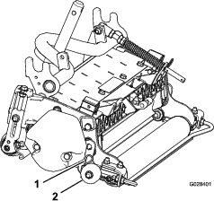
De verticuteerset smeren
Elke verticuteerset heeft 5 smeernippels (Figuur 13) die wekelijks moeten worden gesmeerd met nr. 2 lithiumvet.
De smeerpunten zijn de voorrol (2), de achterrol (2) en de spieën van de messenkooi (1).
Important: Smeer de maaidekken onmiddellijk nadat u deze hebt gewassen. Hierdoor wordt het water afgevoerd uit de lagers en wordt hun levensduur verlengd.
-
Veeg alle smeernippels af met een schone doek.
-
Breng smeervet aan totdat u schoon vet uit de afdichtingen van de rol en de ontlastklep van het lager ziet komen (Figuur 13).

-
Veeg eventueel overtollig vet weg.
De verticuteermessen van de as verwijderen
-
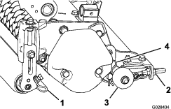
Bevestig het uiteinde van de verticuteeras (met maar één ring en moer) in een bakschroef.
-
Draai aan het andere uiteinde van de as de moer linksom en verwijder de moer.
Voorzichtig
De messen zijn extreem scherp en hebben mogelijk bramen waaraan u uw handen kunt snijden.
Draag handschoenen en wees voorzichtig bij het verwijderen van de messen van de as.
-
Verwijder het kleine afstandsstuk/de kleine afstandsstukken, de ring (enkel model 03619), de messen en de grote afstandsstukken. Reinig en smeer de zeskantige of vierkante as met een dunne laag smeervet om de montage te vergemakkelijken (Figuur 15 of Figuur 14).

Important: De volgorde waarin de messen worden verwijderd is zeer belangrijk. Keer de messen van de messenkooi niet om tijdens het verwijderen en verander ook de volgorde van de messen niet tijdens het monteren. Let op de indexopening in elk verticuteermes. De indexopening is bedoeld voor de montage om de juiste schroefgang van de verticuteermessenkooi te verkrijgen.

De verticuteermessen monteren
-
Monteer een mes (Figuur 16).
-
Monteer een groot afstandsstuk.
-
Keer de messen van de messenkooi niet om terwijl u deze aan de as monteert.
Note: Als u de messen omkeert, zullen de gebruikte (afgeronde) messen samen gebruikt worden met de scherpe randen van de ongebruikte messen, hetgeen zal resulteren in een onbevredigend maaibeeld.
-
Monteer het volgende mes rechtsom zodat de indexopening (Figuur 16) niet is uitgelijnd met de opening van het eerste mes, en één mesvlak van de as verschilt.

-
Ga verder met het monteren van afstandsstukken en messen op deze manier totdat alle messen zijn gemonteerd.
Note: Als alles juist is geplaatst, ziet de mesvolgorde eruit als een schroefgang.
-
Monteer het kleine afstandsstuk op de as.
-
Breng blauwe Loctite 242 aan op de moer. Monteer de moer op de as (aangedreven kant van de moer richting het afstandsstuk) en draai de moer vast met een torsie van 109 tot 135 N·m.
De mesafstand verkleinen (optioneel)
Mesafstand van 12,7 mm voor model 03618
Om de standaard mesafstand van de verticuteerset (19,1 mm) te verkleinen naar 12,7 mm hebt u 34 bijkomende afstandsstukken nodig, onderdeelnr. 17-1580, en 10 bijkomende hardmetalen messen, onderdeelnr. 106-6355, of 10 bijkomende gewone messen, onderdeelnr. 17-1590 (Figuur 17).

Mesafstand van 25,4 mm voor model 03619
Om de standaard mesafstand van de verticuteerset (31,8 mm) te verkleinen naar 25,4 mm, hebt u 19 nieuwe afstandsstukken nodig, onderdeelnr. 140-5532, en 4 bijkomende hardmetalen messen, onderdeelnr. 106-8625, of 4 bijkomende gewone messen en onderdeelnr. 93-3038-03 (Figuur 18).

Onderhoud van de rol
Er zijn een revisieset voor de rol (onderdeelnr. 114-5430) en een gereedschapsset voor revisie van de rol (onderdeelnr. 115-0803) (Figuur 19) verkrijgbaar om de rol een onderhoudsbeurt te geven. De revisieset omvat alle lagers, lagermoeren en binnen- en buitenpakkingen die nodig zijn om een rol te reviseren. De gereedschapsset bevat alle werktuigen en montage-instructies die nodig zijn om een rol te reviseren met de revisieset. Zie de onderdelencatalogus of neem contact op met uw erkende Toro distributeur als u hulp nodig heeft.



te letten, dat betekent Voorzichtig, Waarschuwing
of Gevaar – instructie voor persoonlijke veiligheid. Niet-naleving
van deze instructies kan leiden tot lichamelijk of dodelijk letsel.









