Bảo trì
Sử dụng Chân chống Khi Lật Dao xoắn
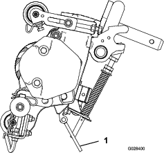
Note: Bất cứ khi nào cần nghiêng dao cắt đứng để các lưỡi cắt của dao cắt đứng lộ ra, hãy sử dụng chân chống (được cung cấp kèm theo bộ kéo) (Hình 12).

Bôi trơn Dao cắt đứng
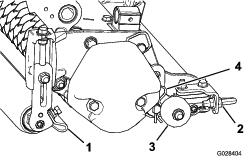
Mỗi dao cắt đứng có 5 núm tra mỡ (Hình 13) cần phải được bôi trơn hàng tuần bằng mỡ lithium số 2.
Các điểm bôi trơn là roller phía trước (2), roller phía sau (2) và các rãnh then của mô-tơ guồng xoắn (1).
Important: Bôi trơn các dao xoắn ngay sau quá trình rửa giúp lọc sạch nước ra khỏi vòng bi và tăng thời hạn sử dụng vòng bi.
-
Lau sạch từng núm tra mỡ bằng giẻ sạch.
-
Bôi mỡ cho đến khi bạn thấy mỡ sạch chảy ra khỏi phớt dầu của roller và van xả vòng bi (Hình 13).

-
Lau sạch mọi dầu mỡ thừa.
Tháo Lưỡi cắt của Dao cắt đứng ra khỏi Trục
-
Siết chặt đầu của trục dao cắt đứng, vốn chỉ có một vòng đệm và đai ốc, trong bàn kẹp.
-
Trên đầu kia của trục, xoay đai ốc ngược chiều kim đồng hồ và tháo đai ốc.
Thận trọng
Các lưỡi cắt cực kỳ sắc bén và có thể có các đường gờ có thể làm đứt tay.
Đeo găng tay và thận trọng khi tháo các lưỡi cắt ra khỏi trục.
-
Tháo (các) vòng chêm nhỏ, vòng đệm (chỉ dành cho mẫu 03619), lưỡi cắt và vòng chêm lớn. Làm sạch và bôi trơn trục hình lục giác hoặc trục hình vuông bằng một lớp mỡ mỏng để dễ lắp ráp (Hình 15hoặc Hình 14).

Important: Thứ tự tháo rời vô cùng quan trọng. Không đảo ngược các lưỡi cắt của guồng xoắn dao cắt đứng khi tháo rời hoặc đảo ngược thứ tự khi lắp ráp. Lưu ý lỗ đánh số thứ tự trên mỗi lưỡi cắt của dao cắt đứng. Lỗ đánh số thứ tự được cung cấp để lắp ráp nhằm có được đường xoắn phù hợp cho guồng xoắn dao cắt đứng.

Lắp Lưỡi cắt của Dao cắt đứng
-
Lắp ráp một lưỡi cắt (Hình 16).
-
Lắp ráp một vòng chêm lớn.
-
Không đảo ngược các lưỡi cắt của guồng xoắn khi lắp ráp chúng trên trục guồng xoắn.
Note: Nếu bạn đảo ngược các lưỡi cắt, các lưỡi cắt đang sử dụng (được mài tròn) sẽ trộn lẫn với các đầu sắc của các lưỡi cắt chưa sử dụng trước đó, dẫn đến hiệu suất cắt không đạt yêu cầu.
-
Lắp lưỡi cắt tiếp theo theo chiều kim đồng hồ sao cho lỗ tham chiếu đánh số thứ tự (Hình 16) không thẳng hàng với lỗ lưỡi cắt đầu tiên bằng một mặt phẳng của trục.

-
Tiếp tục lắp các vòng chêm và lưỡi cắt theo cách này cho đến khi đã lắp bổ sung đầy đủ các lưỡi cắt.
Note: Khi được lắp ráp đúng cách, các lưỡi cắt sẽ được đặt so le sao cho giống đường xoắn ốc.
-
Lắp vòng chêm nhỏ vào trục.
-
Bôi Blue Loctite 242 vào đai ốc. Lắp đai ốc vào trục (mặt được gia công của đai ốc hướng về phía vòng chêm) và siết chặt từ 109 đến 135 N-m.
Khoảng cách Lưỡi cắt Tùy chọn
Khoảng cách lưỡi cắt 0,50 inch cho mẫu 03618
Để thay đổi cấu hình của dao cắt đứng từ khoảng cách tiêu chuẩn 0,75 inch sang khoảng cách 0,50 inch, yêu cầu phải có thêm 34 vòng chêm, Số bộ phận 17-1580 và thêm 10 lưỡi cắt cacbua, Số bộ phận 106-6355, hoặc thêm 10 lưỡi cắt thông thường và Số bộ phận 17-1590 (Hình 17).

Khoảng cách Lưỡi cắt 1,00 inch cho mẫu 03619
Để thay đổi cấu hình của dao cắt đứng từ khoảng cách tiêu chuẩn 1,25 inch sang khoảng cách 1,00 inch, yêu cầu phải có 19 vòng chêm mới, Số bộ phận 140-5532 và thêm 4 lưỡi cắt cacbua, Số bộ phận 106-8625, hoặc thêm 4 lưỡi cắt thông thường và Số bộ phận 93-3038-03 (Hình 18).

Bảo dưỡng Roller
Bộ Sửa chữa Roller (Số Bộ phận 114-5430) và Bộ Dụng cụ Sửa chữa Roller (Số Bộ phận 115-0803) (Hình 19) đều có sẵn để bảo dưỡng roller. Bộ Sửa chữa Roller bao gồm tất cả các vòng bi, đai ốc vòng bi, phớt dầu trong và phớt dầu ngoài để dựng lại roller. Bộ Dụng cụ Sửa chữa Roller bao gồm tất cả các dụng cụ và hướng dẫn lắp đặt cần thiết để dựng lại roller bằng bộ sửa chữa roller. Tham khảo danh mục bộ phận của bạn hoặc liên hệ với nhà phân phối Toro được ủy quyền của bạn để được hỗ trợ.



, cụ thể là Thận trọng, Cảnh báo
hoặc Nguy hiểm - hướng dẫn an toàn cá nhân. Việc
không tuân thủ hướng dẫn này có thể dẫn
đến thương tích cá nhân hoặc tử vong.









