Wartung
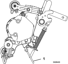
Verwenden des Ständers beim Kippen der Schneideinheit
Note: Wenn Sie den Vertikutierer kippen müssen, um an die Vertikutiermesser zu gelangen, sollten Sie den Ständer (der mit der Zugmaschine geliefert wurde) verwenden (Bild 12).

Einfetten des Vertikutierers
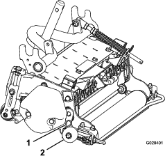
Jeder Vertikutierer hat fünf Schmiernippel (Bild 13), die wöchentlich mit Nr. 2 Schmierfett auf Lithiumbasis eingefettet werden müssen.
Die Schmierstellen befinden sich an der Frontrolle (2), der Heckrolle (2) und den Spindelmotorwelle (1).
Important: Fetten Sie die Mähwerke sofort nach dem Waschen ein, damit noch verbleibendes Wasser aus den Lagern entfernt wird. Auf diese Weise erhöht sich die Lebensdauer der Lager.
-
Wischen Sie jeden Schmiernippel mit einem sauberen Lappen ab.
-
Tragen Sie Fett auf, bis sauberes Fett aus den Dichtungen der Rolle und dem Überdruckventil des Lagers austritt (Bild 13).

-
Entfernen Sie überschüssiges Fett mit einem Tuch.
Entfernen der Vertikutiermesser von der Welle
-
Befestigen Sie das Ende der Vertikutiererwelle, die nur eine Scheibe und Mutter hat, in einem Schraubstock.
-
Drehen Sie die Mutter am anderen Ende der Welle nach links und nehmen die Mutter ab.
Achtung
Die Messer sind sehr scharf und haben ggf. Kerben, an denen Sie sich schneiden können.
Tragen Sie Handschuhe und gehen Sie vorsichtig vor, wenn Sie die Messer von der Welle entfernen.
-
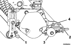
Entfernen Sie das/die kleine(n) Distanzstück(e), die Scheibe (nur Modell 03619), die Messer und die großen Distanzstücke. Reinigen und schmieren Sie die Sechskant- oder Vierkantwelle mit etwas Schmiermittel ein, um den Einbau zu erleichtern (Bild 15 oder Bild 14).

Important: Die Einbaureihenfolge ist sehr wichtig. Invertieren Sie die Vertikutiermesserspindeln nicht beim Ausbau oder Einbau. Achten Sie auf das Indexloch an jedem Vertikutiermesser. Das Indexloch wird für einen Einbau bereitgestellt, um die richtige Helix für die Vertikutierspindel zu erhalten.

Montieren der neuen Vertikutiermesser
-
Montieren Sie ein Messer (Bild 16).
-
Montieren Sie ein großes Distanzstück.
-
Invertieren Sie die Messerspindeln nicht beim Einbau auf der Spindelwelle.
Note: Wenn Sie die Messer umdrehen, vermischen sich die verwendeten Messer (abgerundet) mit den scharfen Enden der bisher unbenutzten Messer, was zu einer unbefriedigenden Schnittleistung führt.
-
Bild 16Bauen Sie das nächste Messer nach links ein, sodass das Indexreferenzloch nicht um ein Sechstel der Welle mit dem ersten Messerloch ausgerichtet ist.

-
Bauen Sie die anderen Distanzstücke und Messer genauso ein, bis alle Messer eingebaut sind.
Note: Wenn die Messer richtig eingebaut sind, sind sie versetzt und ergeben eine Helix.
-
Befestigen Sie das kleine Distanzstück an der Welle.
-
Schmieren die Mutter mit Blue Loctite 242 ein. Setzen Sie die Mutter auf die Welle (gefräste Seite der Mutter zeigt zum Distanzstück) und ziehen Sie sie mit 109-135 N∙m an.
Optionaler Messerabstand
Messerabstand von 12,7 mm für Modell 03618
Wenn Sie die Konfiguration des Vertikutierers vom Standardabstand von 19,1 mm auf 12,7 mm ändern möchten, benötigen Sie zusätzlich 34 Distanzstücke, Teilenummer 17-1580, und zusätzlich 10 Karbidmesser, Teilenummer 106-6355, oder zusätzlich 10 normale Messer und Teilenummer 17-1590 (Bild 17).

Messerabstand von 25,4 mm für Modell 03619
Wenn Sie die Konfiguration des Vertikutierers vom Standardabstand von 31,8 mm auf 25,4 mm ändern möchten, benötigen Sie zusätzlich 19 Distanzstücke, Teilenummer 140-5532, und zusätzlich 4 Karbidmesser, Teilenummer 106-8625, oder zusätzlich 4 normale Messer und Teilenummer 93-3038-03 (Bild 18).

Warten der Rolle
Für das Warten der Rolle ist ein Kit zum Überholen der Rolle, Bestellnummer 114-5430, und ein Werkzeugkasten, Bestellnummer 115-0803 (Bild 19) erhältlich. Das Kit zum Überholen der Rolle enthält alle Lager, Lagermuttern, inneren und äußeren Dichtungen, die für eine Überholung der Rolle benötigt werden. Der Werkzeugkasten zum Überholen der Rolle enthält alle Werkzeuge und die Installationsanweisungen, die für eine Überholung der Rollen mit dem Kit zum Überholen der Rollen benötigt werden. Weitere Informationen finden Sie im Ersatzteilkatalog oder wenden Sie sich an den Vertragshändler.



mit der Bedeutung Achtung, Warnung oder Gefahr
– Sicherheitsrisiko. Wenn diese Hinweise nicht beachtet werden,
kann es zu schweren bis tödlichen Verletzungen kommen.









