การบำรุงรักษา
การใช้ขาตั้งเมื่อเอียงชุดตัดหญ้า
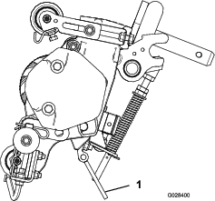
Note: เมื่อต้องเอียงชุดซอยหญ้าเพื่อเปิดใบมีดพรวนดิน ให้ใช้ขาตั้ง (ให้มากับชุดลากพ่วง) (รูป 12)

การหล่อลื่นชุดซอยหญ้า
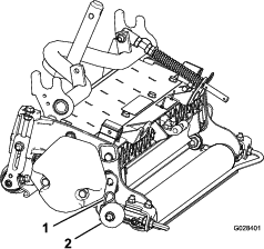
ชุดซอยหญ้าแต่ละชุดมีจุดอัดจาระบี 5 จุด (รูป 13) ซึ่งต้องอัดจาระบีทุกสัปดาห์ด้วยจาระบีลิเธียมหมายเลข 2
จุดหล่อลื่นอยู่ที่ลูกกลิ้งหน้า (2) ลูกกลิ้งหลัง (2) และร่องฟันของมอเตอร์ใบมีดพวง (1)
Important: การหล่อลื่นชุดตัดหญ้าทันทีหลังจากการล้างช่วยไล่น้ำออกจากแบริ่งและเพิ่มอายุการใช้งานของแบริ่ง
-
เช็ดจุดอัดจาระบีแต่ละจุดด้วยผ้าสะอาด
-
อัดจาระบีจนกว่าจาระบีที่สะอาดจะไหลออกจากซีลลูกกลิ้งและวาล์วระบายของแบริ่ง (รูป 13)

-
เช็ดจาระบีส่วนเกินออก
การถอดใบมีดชุดซอยหญ้าออกจากเพลา
-
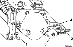
ยึดปลายของเพลาชุดซอยหญ้า ซึ่งมีน็อตหนึ่งตัวและแหวนหนึ่งวงที่แต่ละด้าน
-
ที่ปลายอีกด้านของเพลา หมุนน็อตทวนเข็มนาฬิกาและถอดน็อตออก
ข้อควรระวัง
ใบมีดคมมากและอาจมีรอยขูดที่บาดมือคุณได้
สวมใส่ถุงมือและใช้ความระมัดระวังเมื่อถอดใบมีดออกจากเพลา
-
ถอดตัวคั่นขนาดเล็ก แหวน (เฉพาะรุ่น 03619) ใบมีด และตัวคั่นขนาดใหญ่ออก ทำความสะอาดและหล่อลื่นเพลาหกเหลี่ยมหรือสี่เหลี่ยมด้วยการเคลือบจาระบีบางๆ เพื่อให้ประกอบได้ง่าย รูป 15 หรือ รูป 14)

Important: ลำดับการแยกชิ้นส่วนนั้นสำคัญอย่างยิ่ง อย่าสับเปลี่ยนตำแหน่งใบมีดของใบมีดพวงชุดซอยหญ้าขณะแยกชิ้นส่วนหรือย้อนลำดับตอนประกอบ สังเกตรูดัชนีบนใบมีดซอยหญ้าแต่ละเล่ม รูดัชนีใช้สำหรับการประกอบชิ้นส่วนเพื่อให้ได้เกลียวที่เหมาะสมสำหรับใบมีดพวงของชุดซอยหญ้า

การติดตั้งใบมีดของชุดซอยหญ้า
-
ประกอบใบมีด (รูป 16)
-
ประกอบตัวคั่นขนาดใหญ่
-
อย่าสับเปลี่ยนตำแหน่งใบมีดของใบมีดพวงขณะประกอบเข้าไปบนเพลาของพวงใบมีด
Note: หากใบมีดหันผิดทาง ใบมีดที่ใช้งาน (ที่หมุน) จะผสมกับฝั่งคมของใบมีดที่ไม่ได้ใช้งานก่อนหน้านี้ ทำให้ประสิทธิภาพการตัดไม่เป็นที่น่าพอใจ
-
ติดตั้งใบมีดอันถัดไปตามเข็มนาฬิกาเพื่อให้รูอ้างอิงดัชนี (รูป 16) ไม่อยู่ในแนวเดียวกับรูใบมีดอันแรกตามด้านเรียบของเพลา

-
ติดตั้งตัวคั่นและใบมีดต่อไปในลักษณะนี้จนกว่าจะติดตั้งใบมีดทั้งหมด
Note: เมื่อประกอบถูกต้อง ใบมีดจะเรียงเอียงกันในลักษณะคล้ายเกลียว
-
ติดตั้งตัวคั่นขนาดเล็กเข้ากับเพลา
-
ทา Blue Loctite 242 ที่น็อต ติดตั้งน็อตลงบนเพลา (หันด้านขึ้นรูปของน็อตเข้าหาตัวคั่น) จากนั้นขันจนได้แรงบิด 109 ถึง 135 นิวตันเมตร (80 ถึง 100 ฟุตปอนด์)
การคั่นใบมีดแบบทางเลือก
การคั่นใบมีด 0.50 นิ้วสำหรับรุ่น 03618
หากต้องการเปลี่ยนคุณลักษณะของชุดซอยหญ้าจากการคั่นมาตรฐาน 0.75 นิ้วเป็นการคั่น 0.50 นิ้วจะต้องใช้ตัวคั่นเพิ่มเติม 34 ชิ้น หมายเลขอะไหล่ 17-1580 และใบมีดคาร์ไบน์เพิ่มเติม 10 เล่ม หมายเลขอะไหล่ 106-6355 หรือใบมีดธรรมดาเพิ่มเติม 10 เล่ม หมายเลขอะไหล่ 17-1590 (รูป 17)

การคั่นใบมีด 1.00 นิ้วสำหรับรุ่น 03619
หากต้องการเปลี่ยนคุณลักษณะของชุดซอยหญ้าจากการคั่นมาตรฐาน 1.25 นิ้วเป็นการคั่น 1.00 นิ้วจะต้องใช้ตัวคั่นใหม่ 19 ชิ้น หมายเลขอะไหล่ 140-5532 และใบมีดคาร์ไบน์เพิ่มเติม 4 เล่ม หมายเลขอะไหล่ 106-8625 หรือใบมีดธรรมดาเพิ่มเติม 4 เล่ม หมายเลขอะไหล่ 93-3038-03 (รูป 18)

การซ่อมบำรุงลูกกลิ้ง
ชุดซ่อมลูกกลิ้ง (หมายเลขอะไหล่ 114-5430) และชุดเครื่องมือซ่อมลูกกลิ้ง (หมายเลขอะไหล่ 115-0803) (รูป 19) มีจัดจำหน่ายสำหรับการซ่อมบำรุงลูกกลิ้ง ชุดซ่อมลูกกลิ้งมาพร้อมแบริ่ง น็อตแบริ่ง ซีลด้านใน และซีลด้านนอกครบชุดสำหรับการซ่อมบำรุงลูกกลิ้ง ชุดเครื่องมือซ่อมลูกกลิ้งมาพร้อมเครื่องมือทั้งหมดและคำแนะนำในการติดตั้งที่จำเป็นสำหรับการซ่อมลูกกลิ้งด้วยชุดซ่อมลูกกลิ้ง โปรดดูแคตตาล็อกอะไหล่หรือติดต่อตัวแทนจำหน่ายที่ได้รับอนุญาตของ Toro เพื่อขอคำแนะนำ



ได้แก่ ข้อควรระวัง คำเตือน
หรืออันตราย ซึ่งเป็นคำแนะนำเพื่อความปลอดภัยส่วนบุคคล การไม่ปฏิบัติตามคำแนะนำเหล่านี้อาจส่งผลให้บาดเจ็บหรือเสียชีวิตได้









