ການບຳລຸງຮັກສາ
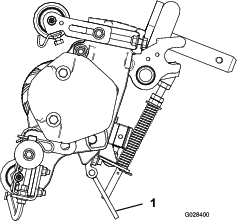
ການໃຊ້ຂາຄ້ຳໃນເວລາຍົກໜ່ວຍຕັດຂຶ້ນ
Note: ເມື່ອຕ້ອງໄດ້ອຽງເຄື່ອງຈັກລວງຕັ້ງເພື່ອໃຫ້ຖືກໃບມີດເຄື່ອງຕັດລວງຕັ້ງ, ໃຊ້ຂາຄ້ຳ (ໃຫ້ມາພ້ອມກັບເຄື່ອງຕັດຫຍ້າ) (ຮູບສະແດງ 12).

ໃສ່ນ້ຳມັນຫຼໍ່ມື່ນເຄື່ອງຕັດລວງຕັ້ງ
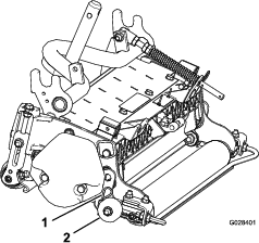
ເຄື່ອງຕັດລວງຕັ້ງແຕ່ລະເຄື່ອງມີສິ່ງຕິດຕັ້ງທີ່ມີກະແລັດ 5 ອັນ (ຮູບສະແດງ 13) ທີ່ມີກະແລັດທີ່ຕ້ອງໄດ້ຮັບການຫຼໍ່ມື່ນເປັນປະຈຳອາທິດກະແລັດຣີທຽມເບີ 2.
ຈຸດໃສ່ນ້ຳມັນຫຼໍ່ລື່ນແມ່ນກົງໝູນດ້ານໜ້າ (2), ກົງໝູນດ້ານຫຼັງ (2) ແລະ ສະຫຼັກມໍເຕີ້ກົງໝູນ (1).
Important: ການຫຼໍ່ລື່ນໜ່ວຍຕັດທັນທີຫຼັງຈາກລ້າງຈະຊ່ວຍຊັບນ້ຳອອກຈາກລູກບີ່ ແລະ ເພີ່ມອາຍຸການໃຊ້ງານຂອງລູກບີ່.
-
ເຊັດຊິ້ນສ່ວນນ້ຳມັນກະແລັດແຕ່ລະອັນດ້ວຍຜ້າທີ່ສະອາດ.
-
ທານ້ຳມັນກະແລັດໃສ່ຈົນກວ່າທ່ານເຫັນມີນ້ຳມັນກະແລັດທີ່ສະອາດອອກມາຈາກຕົວອັດລູກກິ້ງ ແລະ ວາວລະບາຍແຮງດັນລູກບີ່ (ຮູບສະແດງ 13).

-
ເຊັດນ້ຳມັນກະແລັດສ່ວນເກີນອອກ.
ການເອົາໃບມີດເຄື່ອງຕັດລວງຕັ້ງອອກຈາກຫົວເພົາ
-
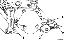
ຍຶດປາຍຂອງຫົວເພົາເຄື່ອງຈັກລວງຕັ້ງໃຫ້ແໜ້າ, ເຊິ່ງມີພຽງແຕ່ແຫວນຮອງອັນໜຶ່ງ ແລະ ຈັດຕົວແມ່ຢູ່ໃນຄີບໜີບ.
-
ຢູ່ປາຍດ້ານອື່ນຂອງຫົວເພົາ, ໝູນນັອດຕົວແມ່ໄປທິດທວນເຂັມໂມງ ແລະ ເອົານັອດອອກ.
ຂໍ້ຄວນລະວັງ
ໃບມີດຄົມຫຼາຍ ແລະ ອາດຈະມີສ້ຽນທີ່ຈະບາດມືຂອງທ່ານໄດ້.
ໃສ່ຖົງມື ແລະ ໃຊ້ຄວາມລະມັດລະວັງເມື່ອເອົາໃບມີອອກຈາກຫົວເພົາ.
-
ເອົາຕົວຈັດໄລຍະຫ່າງນ້ອຍອອກ, ແຫວນຮອງ (ລຸ້ນ 03619 ເທົ່ານັ້ນ), ໃບມີດ ແລະ ຕົວຈັດໄລຍະຫ່າງໃຫຍ່. ທຳຄວາມສະອາດ ແລະ ໃສ່ນ້ຳມັນຫຼໍ່ມື່ນຫົວເພົາຫົກຫຼ່ຽມ ແລະ ຈະຕຸລັດດ້ວຍການທານ້ຳມັນກະແລັດໃສ່ບາງໆເພື່ອໃຫ້ປະກອບໄດ້ງ່າຍ (ຮູບສະແດງ 15 ຫຼື ຮູບສະແດງ 14).

Important: ລຳດັບຂອງການມ້າງມີຄວາມສຳຄັນຫຼາຍທີ່ສຸດ. ຢ່າປີ້ນດ້ານໃບມີດກົງໝູນເຄື່ອງຕັດລວງຕັ້ງເມື່ອມ້າງ ຫຼື ປີ້ນລຳດັບເມື່ອກຳລັງປະກອບພວກມັນ. ບັນທຶກຮູດັດຊະນີຢູ່ໃນແຕ່ລະໃບມີດເຄື່ອງຕັດລວງຕັ້ງ. ຮູດັດຊະນີຖືກຈັດໃຫ້ສຳລັບອົງປະກອບເພື່ອໃຫ້ໄດ້ຮັບກົ້ນຫອຍທີ່ຖືກຕ້ອງສຳລັບກົງໝູນເຄື່ອງຕັດລວງຕັ້ງ.

ການຕິດຕັ້ງໃບມີດເຄື່ອງຕັດລວງຕັ້ງ
-
ປະກອບໃບມີດ (ຮູບສະແດງ 16).
-
ປະກອບຕົວຈັດໄລຍະຫ່າງໃຫຍ່.
-
ຢ່າປີ້ນດ້ານໃບມີດກົງໝູນເຄື່ອງຕັດລວງຕັ້ງເມື່ອປະກອບພວກມັນໃນຫົວເພົາກົງໝູນ.
Note: ຖ້າທ່ານປີ້ນດ້ານໃບມີດ, ໃບມີດໃຊ້ງານຢູ່ (ກົມ) ຈະປະສົງກັບປາຍທີ່ຄົມຂອງໃບມີດທີ່ບໍ່ໄດ້ໃຊ້ມາກ່ອນ, ເຮັດໃຫ້ໄດ້ຜົນການຕັດທີ່ບໍ່ໜ້າພໍໃຈ.
-
ຕິດຕັ້ງໃບມີດຖັດໄປຕາມທິດເຂັມໂມງເພື່ອໃຫ້ຮູອ້າງອີງດັດຊະນີ (ຮູບສະແດງ 16) ບໍ່ຖືກຈັດລຽງກັບຮູໃບມີດທຳອິດໂດຍໜ້າພຽງອັນໜຶ່ງຂອງຫົວເພົາ.

-
ສືບຕໍ່ຕິດຕັ້ງຕົວຈັດໄລຍະຫ່າງ ແລະ ໃບມີດຢູ່ໃນຮູບແບບນີ້ຈົນກວ່າອົງປະກອບເຕັມຂອງໃບມີດຖືກຕິດຕັ້ງ.
Note: ເມື່ອປະກອບຢ່າງຖືກຕ້ອງແລ້ວ, ໃບມີດຈະຖືກອຽງໃນຮູບແບບດັ່ງກ່າວເພື່ອໃຫ້ປາກົດຂຶ້ນຄືກັບກົ້ນຫອຍ.
-
ຕິດຕັ້ງຕົວຈັດໄລຍະຫ່າງນ້ອຍໃສ່ຫົວເພົາ.
-
ນຳໃຊ້ Blue Loctite 242 ໃສ່ນັອດ. ຕິດຕັ້ງນັອດຕົວແມ່ໃສ່ໃນຫົວເພົາ (ດ້ານຂ້າງຂອງເຄື່ອງຈັກຂອງນັອດໄປໃສ່ຕົວຈັດໄລຍະຫ່າງ) ແລະ ຮັດມັນໃຫ້ແໜ້ນໃຫ້ໄດ້ 109 ຫາ 135 N-m (80 ຫາ 100 ft-lb).
ຕົວຈັດໄລຍະຫ່າງໃບມີດທາງເລືອກ
ຕົວຈັດໄລຍະຫ່າງ 0.50 ນິ້ວສຳລັບລຸ້ນ 03618
ເພື່ອປ່ຽນການປັບຕັ້ງຂອງເຄື່ອງຕັດລວງຕັ້ງຈາກຕົວຈັດໄລຍະຫ່າງ 0.75 ນິ້ວມາດຕະຖານໃສ່ຕົວຈັດໄລຍະຫ່າງ 0.50 ນິ້ວຈຳເປັນຕ້ອງມີຕົວຈັດໄລຍະຫ່າງ 34 ຕົວເພີ່ມເຕີມ, ອາໄຫຼ່ເບີ 17-1580 ແລະໃບມີດຄາບອນ 10 ໃບ, ອາໄຫຼ່ເບີ 106-6355 ຫຼື ໃບມີດປົກກະຕິເພີ່ມເຕີມ 10 ໃບ ແລະ ອາໄຫຼ່ເບີ (ຮູບສະແດງ 17).

ຕົວຈັດໄລຍະຫ່າງ 1.00 ນິ້ວສຳລັບລຸ້ນ 03619
ເພື່ອປ່ຽນການປັບຕັ້ງຂອງເຄື່ອງຕັດລວງຕັ້ງຈາກຕົວຈັດໄລຍະຫ່າງ 1.25 ນິ້ວມາດຕະຖານໃສ່ຕົວຈັດໄລຍະຫ່າງ 1.00 ນິ້ວຈຳເປັນຕ້ອງມີຕົວຈັດໄລຍະຫ່າງ 19 ຕົວ, ອາໄຫຼ່ເບີ 140-5532 ແລະໃບມີດຄາບອນ 4 ໃບ, ອາໄຫຼ່ເບີ 106-8625 ຫຼື ໃບມີດປົກກະຕິເພີ່ມເຕີມ 4 ໃບ ແລະ ອາໄຫຼ່ເບີ 93-3038-03 (ຮູບສະແດງ 18).

ການບຳລຸງຮັກສາລູກກິ້ງ
ອຸປະກອນປະກອບລູກກິ້ງ (ອາໄຫຼ່ເລກທີ 114-5430) ແລະ ອຸປະກອນເຄື່ອງມືປະກອບລູກກິ້ງ (ອາໄຫຼ່ເລກທີ 115-0803) (ຮູບສະແດງ 19) ແມ່ນມີໃຫ້ສຳລັບການບຳລຸງຮັກສາລູກກິ້ງ. ອຸປະກອນປະກອບລູກກິ້ງລວມມີຝາຮອງ, ນັອດຝາຮອງ, ຕົວກັນຊຶມດ້ານໃນ ແລະ ດ້ານນອກທຸກຢ່າງເພື່ອປະກອບກົງໝູນ. ຊຸດອຸປະກອນເຄື່ອງມືປະກອບລູກກິ້ງລວມມີເຄື່ອງມືທັງໝົດ ແລະ ຄຳແນະນຳການຕິດຕັ້ງທີ່ຈຳເປັນຕໍ່ກັບການປະກອບກົງໝູນດ້ວຍຊຸດອຸປະກອນປະກອບກົງໝູນ. ເບິ່ງລາຍການອາໄຫຼ່ຂອງທ່ານ ຫຼື ຕິດຕໍ່ຫາຕົວແທນ Toro ທີ່ໄດ້ຮັບອະນຸຍາດຂອງທ່ານເພື່ອຂໍຄວາມຊ່ວຍເຫຼືອ.



, ເຊິ່ງໝາຍເຖິງຂໍ້ຄວນລະວັງ,
ຄຳເຕືອນ ຫຼື ອັນຕະລາຍ, ເຊິ່ງກໍ່ແມ່ນຄຳແນະນຳຄວາມປອດໄພສ່ວນບຸກຄົນ. ການບໍ່ປະຕິບັດຕາມຄຳແນະນຳເຫຼົ່ານີ້ອາດຈະເຮັດໃຫ້ມີການບາດເຈັບສ່ວນຕົວ
ຫຼື ເສຍຊີວິດ.









