Kunnossapito
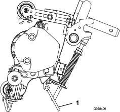
Tukitelineen käyttö leikkuuyksikköä kallistettaessa
Note: Jos pystyleikkuuyksikköä on kallistettava terien saamiseksi näkyviin, käytä tukitelinettä (toimitetaan ajoyksikön mukana) (Kuva 12).

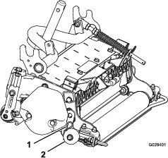
Pystyleikkuuyksikön voitelu
Jokaisessa pystyleikkuuyksikössä on viisi rasvanippaa (Kuva 13), jotka pitää voidella viikoittain litiumrasvalla nro 2.
Voitelukohdat ovat eturulla (2), takarulla (2) ja kelamoottorin urat (1).
Important: Kun leikkuuyksiköt rasvataan heti pesun jälkeen, vesi saadaan poistettua paremmin laakereista, mikä pidentää laakereiden käyttöikää.
-
Pyyhi kukin rasvanippa puhtaalla kankaalla.
-
Levitä rasvaa, kunnes puhdasta rasvaa alkaa tulla rullan tiivisteistä ja laakerin rajoitusventtiilistä (Kuva 13).

-
Pyyhi pois ylimääräinen rasva.
Pystyleikkuuyksikön terien irrotus akselista
-
Kiinnitä ruuvipenkkiin pystyleikkuuyksikön akselin pää, jossa on vain yksi aluslaatta ja mutteri.
-
Kierrä akselin toisen pään mutteria vastapäivään ja irrota mutteri.
Varoitus
Terät ovat erittäin teräviä, ja niissä oleva jäyste voi viiltää käsiä.
Käytä käsineitä ja irrota terät akselilta varovasti.
-
Irrota pienet välikappaleet, aluslaatta (vain malli 03619), terät ja suuret välikappaleet. Puhdista ja voitele kuusi- tai nelikulmainen akseli kevyesti rasvalla, jolloin kokoonpano on helpompaa (Kuva 15 tai Kuva 14).

Important: On erittäin tärkeää varmistaa oikea asennusjärjestys. Varmista, että pystyleikkuuyksikön kelaterien paikat eivät vaihdu purkamisen yhteydessä tai asennusjärjestys vaihdu kokoamisen yhteydessä. Kiinnitä huomiota merkkireikään kussakin pystyleikkuuyksikön terässä. Merkkireikien tarkoitus on varmistaa pystyleikkuuyksikön kelan oikea kierremuoto asennuksen yhteydessä.

Pystyleikkuuyksikön terien asennus
-
Asenna terä (Kuva 16).
-
Asenna suuri välikappale.
-
Varo, ettet vaihda kelaterien järjestystä kelan akselissa asennusprosessin aikana.
Note: Jos terien järjestys vaihdetaan, käytössä olevat (pyöristyneet) terät menevät sekaisin aiemmin käyttämättömien, terävien terien kanssa, mikä heikentää leikkuutulosta.
-
Asenna seuraava terä myötäpäivään varmistaen, että merkkireikä osuu akselissa eri tasasivulle kuin ensimmäisen terän merkkireikä (Kuva 16).

-
Asenna loput välikappaleet ja terät samalla tavalla.
Note: Jos terät on asennettu oikein, se asettuvat porrastetusti spiraalin muotoon.
-
Asenna pieni välikappale akseliin.
-
Levitä mutteriin sinistä Loctitea (nro 242). Asenna mutteri akseliin (mutterin työstetty puoli välikappaleen puolelle) ja kiristä se momenttiin 109–135 N·m.
Vaihtoehtoinen terien väli
13 mm:n terien väli, malli 03618
Pystyleikkuuyksikön terien välin muuttamiseen tavallisesta 19 mm:n välistä 13 mm:n väliin tarvitaan 34 välikappaletta (osanumero 17-1580) ja 10 kovametalliterää (osanumero 106-6355) tai 10 tavallista terää ja osanumero 17-1590 (Kuva 17).

Terien väli 25 mm mallissa 03619
Pystyleikkuuyksikön terien välin muuttamiseen tavallisesta 32 mm:n välistä 25 mm:n väliin tarvitaan 19 uutta välikappaletta (osanumero 140-5532) ja neljä kovametalliterää (osanumero 106-8625) lisää tai neljä tavallista terää (osanumero 93-3038-03) lisää (Kuva 18).

Rullan huolto
Rullan huoltoa varten on saatavana rullan korjaussarja (osanro 114-5430) ja rullan korjaussarjan työkalusarja (osanro 115-0803) (Kuva 19). Rullan korjaussarja sisältää kaikki rullan korjauksessa tarvittavat laakerit, laakerimutterit sekä sisä- ja ulkotiivisteet. Rullan korjaussarjan työkalusarja sisältää kaikki rullan korjaussarjan käytössä tarvittavat työkalut ja asennusohjeet. Lisätietoja saa osaluettelosta tai valtuutetulta Toro-jälleenmyyjältä.



, joka tarkoittaa varoitusta,
vaaraa tai hengenvaaraa – henkilöturvallisuusohjeet. Ohjeiden
laiminlyönti saattaa johtaa henkilövahinkoon tai kuolemaan.









