Mantenimiento
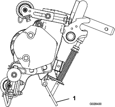
Uso del soporte para volcar la unidad de corte.
Note: Cuando sea necesario inclinar la unidad de verticorte y dejar expuestas las cuchillas, utilice el soporte de pie (suministrado con la unidad de tracción) (Figura 12).

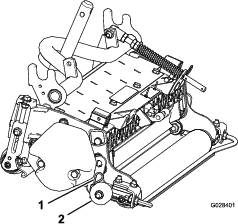
Lubricación de la unidad de verticorte
Cada unidad de verticorte tiene 5 engrasadores (Figura 13) que deben ser lubricados semanalmente con grasa de litio Nº 2.
Los puntos a lubricar son el rodillo delantero (2), el rodillo trasero (2) y las estrías del motor del molinete (1).
Important: El lubricar las unidades de corte inmediatamente después del lavado ayuda a purgar agua de los cojinetes y aumenta la vida de éstos.
-
Limpie cada engrasador con un trapo limpio.
-
Aplique grasa hasta que salga grasa limpia de las juntas del rodillo y la válvula de alivio del cojinete (Figura 13).

-
Limpie cualquier exceso de grasa.
Para retirar las cuchillas de la unidad de verticorte del eje
-
Sujete el extremo del eje de verticorte que tiene una sola arandela y una sola tuerca en una mordaza de banco.
-
En el otro extremo del eje, gire la tuerca en el sentido contrario a las agujas del reloj y retire la tuerca.
Cuidado
Las cuchillas están muy afiladas y pueden tener rebabas que cortarían las manos.
Lleve guantes y extreme la precaución al retirar las cuchillas del eje.
-
Retire el espaciador o los espaciadores pequeños, la arandela (modelo 03619 únicamente), las cuchillas y los espaciadores grandes. Limpie el eje hexagonal o cuadrado y lubríquelo con una capa ligera de grasa para simplificar el montaje (Figura 15 o Figura 14).

Important: El orden de desmontaje es extremadamente importante. No invierta las cuchillas del molinete de verticorte al desmontarlas ni invierta el orden al montarlas. Observe el taladro de posicionamiento de cada cuchilla de verticorte. El taladro de posicionamiento se utiliza durante el montaje para obtener una hélice correcta en el molinete de verticorte.

Instalación de las cuchillas de verticut
-
Monte una cuchilla (Figura 16).
-
Monte un espaciador grande.
-
No invierta las cuchillas del molinete al montarlas en el eje del molinete.
Note: Si invierte las cuchillas, las cuchillas en uso (redondeadas) se mezclarán con los extremos afilados de las cuchillas no utilizadas previamente y se obtendrá un rendimiento de corte deficiente.
-
Instale la cuchilla siguiente girándola en el sentido de las agujas del reloj para que el taladro de posicionamiento (Figura 16) quede desplazado 90 grados en el eje respecto al taladro de la primera cuchilla.

-
Continúe instalando espaciadores y filos de esta forma hasta que se haya instalado todo el juego de filos.
Note: Una vez montadas correctamente, las cuchillas estarán desplazadas entre sí formando una hélice.
-
Instale el espaciador pequeño en el eje.
-
Aplique Loctite 242 Azul a la tuerca. Instale la tuerca en el eje (con la cara mecanizada de la tuerca hacia el espaciador) y apriétela a 109–135 N·m.
Opciones de espaciado de las cuchillas
Espaciado entre cuchillas de 0,50" para el Modelo 03618
Para cambiar la configuración de la unidad de verticorte del espaciado de serie de 0,75" a un espaciado de 0,50", necesitará 34 espaciadores adicionales, pieza n.º 17-1580 y 10 cuchillas de carburo adicionales, pieza n.º 106-6355, o 10 cuchillas normales adicionales, pieza n.º 17-1590 (Figura 17).

Espaciado entre cuchillas de 1,00" para el Modelo 03619
Para cambiar la configuración de la unidad de verticorte del espaciado de serie de 1,25" a un espaciado de 1,00", necesitará 19 espaciadores adicionales, pieza n.º 140-5532 y 4 cuchillas de carburo adicionales, pieza n.º 106-8625 o 4 cuchillas normales adicionales, pieza n.º 93-3038-03 (Figura 18).

Mantenimiento del rodillo
Para facilitar el mantenimiento del rodillo están disponibles el kit de reacondicionamiento de rodillo, pieza N.º 114-5430 y el kit de herramientas para el reacondicionamiento de rodillo, pieza N.º 115-0803 (Figura 19). El Kit de reacondicionamiento de rodillo incluye todos los cojinetes, tuercas de cojinetes, juntas y retenes necesarios para reacondicionar un rodillo. El Kit de herramientas para el reacondicionamiento de rodillo incluye todas las herramientas y las instrucciones de instalación necesarias para reacondicionar un rodillo con el kit de reacondicionamiento de rodillo. Consulte el catálogo de piezas o póngase en contacto con su Distribuidor Autorizado Toro si necesita ayuda.



, que significa: Cuidado, Advertencia o Peligro
– instrucción relativa a la seguridad personal. El incumplimiento
de estas instrucciones puede dar lugar a lesiones personales o la
muerte.









