Note: Pentru modelele Sand Pro 08703 și 08705, comandați următoarele piese înainte de a instala acest kit:
| Descriere | Număr piesă | Cantitate |
| Jojă | 110-8162 | 1 |
| Placă supapă | 108-8460-01 | 1 |
| Șurub cu autofiletare (5/16 × ¾") | 32144-11 | 2 |
| Ulei hidraulic cu durată de viață extinsă Toro PX (5 galoane) | 133-8086 | 6,7 l |
Uleiul hidraulic scurs sub presiune poate pătrunde în piele și cauza răniri.
Asigurați-vă că toate furtunurile și conductele cu ulei hidraulic sunt în stare bună și toate racordurile și fitingurile hidraulice sunt etanșe înainte de a presuriza sistemul hidraulic.
Țineți mâinile și corpul la distanță de infiltrații sau duze care pulverizează ulei hidraulic sub presiune.
Utilizați carton sau hârtie pentru a detecta scurgerile de ulei hidraulic.
Depresurizați în siguranță sistemul hidraulic înainte de orice intervenție asupra acestuia.
Apelați imediat la un medic în cazul în care uleiul hidraulic intră în contact cu pielea.
De fiecare dată când aveţi nevoie de service, piese originale Toro sau informaţii suplimentare, contactaţi un centru de service autorizat sau departamentul Servicii Clienţi Toro şi pregătiţi numărul de model sau de serie al produsului. Figura 1 indică locaţia numărului de model sau de serie pe produs. Scrieţi numerele în spaţiul furnizat.

Note: Determinaţi partea stângă şi dreaptă a maşinii din poziţia de operare normală.
![]() |
Instrucţiunile şi autocolantele cu informaţii privind siguranţa sunt uşor vizibile pentru operator şi sunt amplasate lângă orice zonă cu potenţial risc. Înlocuiţi orice autocolant care este deteriorat sau lipseşte. |

Parcați maşina pe o suprafață uniformă.
Coborâți dispozitivele de atașare.
Cuplați frâna de parcare.
Opriţi motorul şi scoateţi cheia.
Curățați integral mașina. Îndepărtați toate reziduurile pentru a vă asigura că suporturile de montare se vor potrivi corect și că nu pătrund murdărie sau resturi în sistemul hidraulic.
Curățați bine zona din jurul filtrului de aer.
Slăbiți clema radiatorului din jurul furtunului și coborâți clema pe furtun.
Scoateți șurubul interior care fixează filtrul de aer în poziție.
Scoateți capacul filtrului de aer și filtrul (Figura 2).

Scoateți furtunul din recipientul filtrului de aer.
Desfășurați cureaua filtrului de aer și trageți-o peste capătul recipientului de unde a fost scos filtrul (Figura 3).

Acoperiți furtunul sau introduceți o cârpă în acesta, astfel încât să nu pătrundă murdărie sau reziduuri în timpul instalării acestui kit.
Scoateți șurubul opus care fixează cureaua filtrului de aer pe cadrul utilajului.
Goliți rezervorul hidraulic. Consultați Manualul operatorului utilajului.
Ridicați partea din spate a utilajului de la sol și blocați partea din spate a acestuia. Consultați Manualul operatorului utilajului, secțiunea Ridicarea utilajului.
Cricurile mecanice sau hidraulice pot să nu susțină mașina și să cauzeze vătămări corporale grave.
Folosiți suporturi tip capră pentru susținerea mașinii.
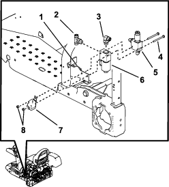
Scoateți anvelopa stângă spate.
Scoateți cele 4 șuruburi cu guler care fixează mantaua roții din stânga pe cadru (Figura 4). Scoateți și păstrați mantaua.

Scoateți cele 2 șuruburi cu guler care fixează sita din față stânga pe cadru. Scoateți și păstrați sita.

Scoateți cele 3 șuruburi care fixează scutul cuplajului din spate pe cadru.

Scoateți cele 2 șuruburi care fixează mantaua centrală de cadru (Figura 7). Scoateți și păstrați mantaua.

Deconectați conductele hidraulice care merg la rezervor.
Scoateți suportul superior al rezervorului hidraulic de pe cadrul utilajului și slăbiți cele 2 suporturi de pe partea laterală a cadrului (Figura 8). Scoateți rezervorul și păstrați componentele.

Piese solicitate pentru această procedură:
| Element mic în T la 90 de grade cu ștuț inelat | 1 |
| Cot mare de 90 de grade (filetat la ambele capete) | 1 |
| Sită | 1 |
Note: Asigurați-vă că toate inelele O sunt lubrifiate și poziționate corect pe toate fitingurile înainte de instalare.
Note: Instalați mai întâi toate fitingurile și conductele hidraulice fără a le strânge și apoi strângeți-le când totul este instalat. Instalați fitingurile la unghiurile prezentate în figuri.
Scoateți cele 2 dopuri ale rezervorului hidraulic de pe partea laterală a rezervorului.
Instalați sita în rezervorul hidraulic de la care a fost scos dopul mare.
Instalați cotul mare de 90 de grade în sită.
Instalați elementul mic în T de 90 de grade cu ștuț inelat în locul în care a fost scos dopul mic (Figura 9).

Piese solicitate pentru această procedură:
| Suport de fixare | 1 |
| Clemă tobă de eșapament | 2 |
| Suport de fixare a furtunului | 1 |
| Suport de cuplare | 1 |
Note: Instalați mai întâi toate conductele hidraulice și apoi strângeți-le când totul este instalat.
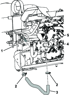
Poziționați clemele în jurul tubului rotund al cadrului din spate.
Montați suportul de fixare a furtunului și suportul de cuplare pe clemele tobei de eșapament.
Note: Nu strângeți piulițele în acest moment. Suportul de cuplare trebuie să fie slăbit pentru a instala conductele hidraulice (Figura 10).

Poziționați temporar suportul de cuplare pe cadrul tubular rotund; consultați Figura 11.
Note: Așezați suportul de cuplare acolo unde tubul începe să se îndoaie.

Piese solicitate pentru această procedură:
| Supapă | 1 |
| Șurub (¼ × 3") | 2 |
| Piuliţă (¼") | 2 |
| Cot mic de 90 de grade | 1 |
| Fiting în T | 1 |
| Releu | 1 |
Note: Asigurați-vă că toate inelele O sunt lubrifiate și poziționate corect pe toate fitingurile înainte de instalare.
Note: Instalați mai întâi toate fitingurile și conductele hidraulice fără a le strânge și apoi strângeți-le când totul este instalat. Instalați fitingurile la unghiurile prezentate în figuri.
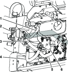
Instalați fitingurile la unghiurile prezentate în figuri. Instalați fitingul în T pe partea laterală a noii supape; consultați Figura 12.
Instalați un cot mic de 90 de grade în partea de sus a noii supape (Figura 12).
Scoateți supapa existentă din suportul supapei (Figura 12).
Instalați releul pe suportul supapei în același timp în care supapele sunt instalate pe suportul supapei.
Instalați supapele pe suportul supapei cu 2 șuruburi (1/4 x 3 inchi) și 2 piulițe (1/4 inch); consultați Figura 12.

Piese solicitate pentru această procedură:
| Conductă hidraulică numărul 1 | 1 |
| Conductă hidraulică numărul 2 | 1 |
| Conductă hidraulică (furtun) numărul 5 | 1 |
Utilizați Figura 13 pentru identificarea conductelor hidraulice corecte.

Note: Instalați mai întâi toate conductele hidraulice și apoi strângeți-le când totul este instalat.
Poziționați conducta hidraulică numărul 1 în utilaj așa cum se arată în Figura 14.
Instalați conducta hidraulică numărul 1 pe racordul în T asamblat pe partea laterală a supapei (Figura 14).
Instalați conducta hidraulică numărul 1 la cuplajul tată superior (Figura 14).

Poziționați conducta hidraulică numărul 2 în utilaj așa cum se arată în Figura 15.
Instalați conducta hidraulică numărul 2 la cotul de 90 de grade și în partea superioară a noii supape (Figura 15).
Instalați conducta hidraulică numărul 2 la cuplajul mamă superior (Figura 15).

Instalați, fără a strânge, conducta hidraulică (furtunul) numărul 5 la cuplajul tată inferior (Figura 16).
Note: Celălalt capăt al acestui furtun va fi instalat în Procedura 10.

Piese solicitate pentru această procedură:
| Pompă hidraulică | 1 |
| Fiting la 45 de grade (capete tată) | 1 |
| Ansamblu butuc | 1 |
| Cheie pătrată (¼ x 1") | 1 |
| Șurub de reglare (5/16 x ¾") | 4 |
| Suport pompă | 1 |
| Șurub (cu agent de blocare filet) (5/16 x ¾") | 2 |
| Şaibă(⅜") | 2 |
| Cot mare de 90 de grade (cu ștuț inelat al furtunului) | 1 |
Instalați cotul mare pătrat de 90 de grade pe partea laterală a pompei hidraulice.
Instalați cotul de 45 de grade pe partea laterală a pompei hidraulice (Figura 17).

Scoateți capacul existent care acoperă priza de putere a motorului (priza de putere).
Instalați suportul pompei la motor cu 2 șuruburi (5/16 x 3/4 inch) și 2 șaibe (3/8 inch). Consultați Figura 18 pentru poziția corectă de instalare a suportului pompei.

Aplicați agent anti-blocare pe arborele prizei de putere (priză de putere) a motorului și pe arborele motorului hidraulic.
Instalați cheia pătrată (¼ x 1") în fanta din arborele prizei de putere a motorului (Figura 19).
Aliniați ansamblul butucului cu cheia pătrată și instalați-l în arborele prizei de putere (priză de putere) a motorului (Figura 19).
Note: Asigurați-vă că ansamblul butucului este complet poziționat pe arbore.
Aplicați agent de blocare a filetului pe cele 2 șuruburi de reglare (5/16 x ¾") și instalați-le în ansamblul butucului pentru a-l fixa pe arborele prizei de putere (Figura 19).

Instalați știftul plăcii pompei în suportul pompei în timp ce instalați arborele pompei hidraulice în ansamblul butucului.
Note: Arborele pompei hidraulice va atinge capătul arborelui prizei de putere al motorului (Figura 20).

Ansamblul butucului trebuie să fie poziționat complet pe arbore.
Note: Verificați dacă există un spațiu între placa pompei și ansamblul butucului. Dacă nu există un spațiu liber, atunci ansamblul butucului nu este instalat corect și trebuie poziționat corect (Figura 21).

Aplicați agent de blocare a filetului pe cele 2 șuruburi de reglare (5/16 x ¾") și instalați-le în ansamblul butucului pentru a fixa arborele pompei hidraulice (Figura 20).
Piese solicitate pentru această procedură:
| Conductă hidraulică numărul 3 | 1 |
| Conductă hidraulică numărul 4 | 1 |
Note: Instalați mai întâi toate conductele hidraulice, fără a le strânge, și apoi strângeți-le când totul este instalat.
Utilizați Figura 22 ca o cheie pentru identificarea conductelor hidraulice corecte.

Instalați furtunurile existente înapoi pe rezervorul hidraulic.
Montați rezervorul hidraulic pe cadru și fixați-l cu cele 3 console scoase și slăbite anterior (Figura 23).

Instalați conducta hidraulică numărul 4 pe racordul în T asamblat pe partea laterală a supapei (Figura 24).

Poziționați conducta hidraulică numărul 3 în utilaj așa cum se arată în Figura 25.
Instalați linia hidraulică numărul 3 pe cotul mare de 90 de grade instalat pe sită și în rezervorul hidraulic (Figura 25).

Piese solicitate pentru această procedură:
| Furtun hidraulic mare | 1 |
| Furtun hidraulic cu fitinguri | 1 |
| Clemă pentru furtun mare | 2 |
| Clemă pentru furtun mic | 2 |
| Furtun hidraulic turnat mic | 1 |
| Clemă R | 1 |
| Șurub (5/16 x ⅞") | 1 |
| Piuliţă cu guler (5/16") | 1 |
Note: Asigurați-vă că nicio componentă nu se freacă de furtunuri.
Glisați cele 2 cleme mari de furtun pe furtunul hidraulic mare.
Instalați furtunul hidraulic mare pe cotul de 90 de grade instalat pe partea laterală a pompei hidraulice (Figura 26).
Strângeți o clemă de furtun în jurul furtunului și al cotului (Figura 26).
Instalați furtunul hidraulic mare pe conducta hidraulică numărul 3 (Figura 26).
Strângeți clema de furtun în jurul furtunului și al conductei hidraulice numărul 3 (Figura 26).

Instalați o clemă R pe furtunul hidraulic mare, așa cum se arată în Figura 27 și Figura 30.

Instalați clema R pe suportul de fixare cu un șurub (5/16 x ⅞") și o piuliță (5/16"); consultați Figura 27.
Montați furtunul hidraulic cu fitinguri la fitingul de pe conducta hidraulică numărul 2, așa cum se arată în Figura 28.

Instalați furtunul hidraulic cu fitinguri la cotul de 45 de grade atașat la pompa hidraulică (Figura 29 și Figura 30).
Note: Se va afla sub cilindrul hidraulic.

Consultați Figura 30 pentru locațiile corecte ale furtunurilor și conductelor hidraulice către pompa hidraulică.

Glisați cele 2 cleme mici de furtun pe furtunul hidraulic turnat mic (Figura 24 și Figura 31).
Instalați piciorul lung al furtunului turnat pe elementul în T la 90 de grade din rezervorul hidraulic (Figura 31).
Instalați piciorul scurt al furtunului turnat pe capătul cu ștuț inelat al conductei hidraulice numărul 4 (Figura 31).
Strângeți cele două mici cleme de furtun de la fiecare capăt al furtunului turnat.
Instalați, fără a strânge, conducta hidraulică (furtunul) numărul 5 pe elementul mic în T de 90 de grade (Figura 31).

Note: Asigurați-vă că furtunurile și conductele hidraulice sunt direcționate la distanță de componentele ascuțite, fierbinți sau în mișcare și nu se freacă de acestea.
Când toate conductele și furtunurile hidraulice sunt instalate, strângeți toate conexiunile.
Note: Utilizați o cheie de rezervă pentru toate fitingurile rezervorului.
Poziționați consola de cuplare cât mai aproape de anvelopa stângă și strângeți clemele.
Piese solicitate pentru această procedură:
| Cablaj | 1 |
| Comutator | 1 |
| Siguranță | 1 |
Îndepărtați panoul de comandă de la utilaj.
Scoateți dopul de plastic de pe panou și instalați comutatorul pe panou (Figura 34).
Direcționați cablajul de-a lungul balamalei scaunului de la comutator și la releul instalat anterior la supapă (Figura 32).

Instalați cablajul la comutatorul din panoul de comandă (Figura 34).
Scoateți firul de jumper de la cablajul principal de sub panoul de comandă (Figura 33).

Instalați conectorul cablajului principal la cablajul principal (Figura 34).
Instalați panoul de comandă pe utilaj.

Instalați siguranța în slotul din dreapta din blocul de siguranțe (Figura 32).
Instalați conectorul pătrat la releul instalat cu supapa (Figura 35).

Instalați conectorul mic la noua supapă (Figura 35).

Fixați cablajul de sârmă la supapă folosind o legătură de cablu.
Piese solicitate pentru această procedură:
| Ulei hidraulic | 6,6 l pentru modelele 08703 și 08705 |
Capacitatea sistemului hidraulic pentru modelele 08743 și 08745 este de 26,5 l și nu este necesar lichid suplimentar.
Pentru modelele 08703 și 08705, adăugați 6,6 l de lichid.
Consultați manualul operatorului pentru uleiul corect de utilizat.
Pentru modelele 08703 și 08705, scoateți joja veche din rezervorul hidraulic și eliminați-o.
Contactați distribuitorul autorizat Toro pentru joja corectă (Nr. piesă 110-8162).
Note: Pentru modelele 08743 și 08745, joja corectă este livrată cu utilajul.
Turnați încet aproximativ 80% din uleiul specificat în rezervor.
Introduceți joja și verificați nivelul uleiului hidraulic (Figura 37).
Adăugați încet ulei suplimentar până la marcajul Full (Plin).

Porniţi utilajul şi lăsați-l să funcționeze 5 minute.
Verificați dacă există scurgeri în sistem folosind o bucată de carton.
Uleiul hidraulic scurs sub presiune poate pătrunde în piele și cauza răniri.
În cazul în care uleiul hidraulic este injectat în piele trebuie să fie îndepărtat chirurgical în interval de câteva ore, de un medic specializat în acest tip de accidente. În caz contrar, se poate ajunge la cangrenă.
Țineți mâinile și corpul la distanță de infiltrații sau duze care pulverizează ulei hidraulic sub presiune.
Utilizați carton sau hârtie pentru a detecta scurgerile de ulei hidraulic.
Depresurizați în siguranță sistemul hidraulic înainte de orice intervenție asupra acestuia.
Asigurați-vă că toate furtunurile și conductele cu ulei hidraulic sunt în stare bună și toate racordurile și fitingurile hidraulice sunt etanșe înainte de a presuriza sistemul hidraulic.
Montați sita din față stânga la cadru.
Instalați mantaua frontală pe cadru folosind 4 șuruburi cu guler.
Montați cele 4 șuruburi cu guler care fixează mantaua roții din stânga pe cadru (Figura 38).
Montați anvelopa stângă spate (Figura 38).

Coborâți utilajul pe sol.
Instalați scutul de cuplare din spate.
Instalați ansamblul filtrului de aer.