Note: Za modele Sand Pro 08703 i 08705, poručite sledeće delove pre montiranja ovog kompleta:
| Opis | Broj dela | Količina |
| Šipka za merenje | 110-8162 | 1 |
| Ploča ventila | 108-8460-01 | 1 |
| Samourezni zavrtanj (5/16 x ¾") | 32144-11 | 2 |
| Hidraulična tečnost Toro PX sa produženim vekom trajanja (19 litara) | 133-8086 | 6,7 l |
Hidraulična tečnost koja izlazi pod pritiskom može da prodre kroz kožu i dovede do povrede.
Proverite da su sva creva i vodovi za hidrauličnu tečnost u dobrom stanju i da su svi hidraulički spojevi i priključci zategnuti pre nego što primenjujete pritisak na hidraulični sistem.
Držite telo i ruke dalje od rupa osigurača koje cure ili mlaznica koje izbacuju hidrauličnu tečnost pod visokim pritiskom.
Potražite mesta curenja hidraulične tečnosti pomoću kartona ili papira.
Bezbedno otpustite sav pritisak iz hidrauličnog sistema pre obavljanja bilo kakvog rada na njemu.
Ako se tečnost ubrizga u kožu, odmah potražite pomoć lekara.
Kad god su vam potrebni servis, originalni Toro delovi ili dodatne informacije, obratite se ovlašćenom serviseru ili Toro korisničkoj službi i pripremite broj modela i serijski broj svog proizvoda. Слика 1 pokazuje lokaciju broja modela i serijskog broja na proizvodu. Zapišite brojeve u za to predviđenom prostoru.

Note: Utvrdite levu i desnu stranu mašine sa uobičajenog položaja operatera.
![]() |
Bezbednosne nalepnice i uputstva lako su vidljivi operateru i nalaze se u blizini svake oblasti sa potencijalnom opasnošću. Zamenite svaku nalepnicu koja je oštećena ili nedostaje. |

Parkirajte mašinu na ravnoj površini.
Spustite priključke.
Aktivirajte parkirnu kočnicu.
Isključite motor i izvadite ključ.
Detaljno očistite mašinu. Uklonite svu prljavštinu da biste osigurali da bi nosači za montažu pravilno nalegli da prljavština i otpaci ne bi dospeli u hidraulični sistem.
Temeljno očistite prostor oko prečišćivača vazduha.
Otpustite stezaljku hladnjaka koja se nalazi oko creva i spustite stezaljku na crevo.
Uklonite unutrašnji zavrtanj koji drži prečišćivač vazduha na svom mestu.
Montirajte poklopac i filter prečišćivača vazduha (Слика 2).

Uklonite crevo sa kanistera prečišćivača vazduha.
Raširite držač prečišćivača vazduha i povucite ga preko kraja kanistera odakle je filter izvađen (Слика 3).

Prekrijte crevo ili umetnite krpu u njega da prljavština ili otpaci ne bi dospeli u njega prilikom instaliranja ovog kompleta.
Uklonite zavrtanj sa druge strane koji drži prečišćivač vazduha na ram mašine.
Ispraznite hidraulični rezervoar. Pogledajte Priručnik za operatera mašine.
Podignite zadnji deo mašine sa zemlje i blokirajte zadnji deo mašine. Pogledajte Priručnik za operatera u odeljku Podizanje mašine“.
Mehaničke ili hidraulične dizalice mogu da popuste pod težinom mašine i izazovu tešku povredu.
Koristite podupirače za podupiranje mašine.
Skinite zadnji levi pneumatik.
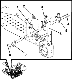
Uklonite 4 zavrtnja sa prirubnicom koji pričvršćuju oblogu točka za ram (Слика 4). Uklonite i zadržite oblogu.

Uklonite 2 zavrtnja sa prirubnicom koji pričvršćuju prednju levu rešetku za ram. Uklonite u zadržite rešetku.

Uklonite 3 zavrtnja koji pričvršćuju zadnju zaštitu kuke za ram.

Uklonite 2 zavrtnja koji učvršćuju centralnu oblogu za ram (Слика 7). Uklonite i zadržite oblogu.

Odvojite hidraulične vodove do rezervoara.
Uklonite nosač gornjeg rezervoara za hidrauličnu tečnost od rama mašine i otpustite 2 nosača na boku rama (Слика 8). Uklonite rezervoar za hidrauličnu tečnost i sačuvajte pričvršćivače.

Делови потребни за овај поступак:
| Mala kolenasta spojnica pod uglom od 90 stepeni sa grebenastim nastavkom | 1 |
| Velika kolenasta spojnica pod uglom od 90 stepeni (sa navojem na oba kraja) | 1 |
| Sito | 1 |
Note: Uverite se da su svi O-prsteni podmazani i pravilno postavljeni na svim spojnicama pre nego što ih montirate.
Note: Montirajte sve spojnice i hidraulične vodove, prvo labavo pričvrstite, a zatim ih pritegnite kada sve bude montirano. Montirajte spojnice pod uglovima prikazanim na slikama.
Uklonite 2 čepa rezervoara za hidrauličnu tečnost sa boka rezervoara.
Montirajte sito u rezervoar za hidrauličnu tečnost na mesto odakle je uklonjen veliki čep.
Montirajte veliku kolenastu spojnicu pod uglom od 90 stepeni na sito.
Montirajte malu kolenastu spojnicu pod uglom od 90 stepeni sa grebenastim nastavkom na mesto odakle je uklonjen mali čep (Слика 9).

Делови потребни за овај поступак:
| Nosač | 1 |
| Stezaljka izduvnog lonca | 2 |
| Nosač creva | 1 |
| Nosač spojnice | 1 |
Note: Montirajte hidraulične vodove, prvo labavo pričvrstite, a zatim ih pritegnite kada sve bude montirano.
Postavite stezaljke oko oble cevi zadnjem rama.
Postavite nosač creva i nosač spojnice na stezaljke izduvnog lonca.
Note: Nemojte još pritezati navrtke u ovom trenutku. Nosač spojnice treba da bude otpušten da bi se montirali hidraulični vodovi (Слика 10).

Privremeno pozicionirajte nosač spojnice na obloj cevi rama; pogledajte Слика 11.
Note: Postavite nosač spojnice na mesto gde cev počinje da se savija.

Делови потребни за овај поступак:
| Ventil | 1 |
| Zavrtanj (¼ x 3 cola) | 2 |
| Navrtka (¼") | 2 |
| Mala kolenasta spojnica pod uglom od 90 stepeni | 1 |
| T-spojnica | 1 |
| Relej | 1 |
Note: Uverite se da su svi O-prsteni podmazani i pravilno postavljeni na svim spojnicama pre nego što ih montirate.
Note: Montirajte sve spojnice i hidraulične vodove, prvo labavo pričvrstite, a zatim ih pritegnite kada sve bude montirano. Montirajte spojnice pod uglovima prikazanim na slikama.
Montirajte spojnice pod uglovima prikazanim na slikama. Montirajte T-spojnicu na stranu novog ventila; pogledajte Слика 12.
Montirajte malu kolenastu spojnicu pod uglom od 90 stepeni na gornju stranu novog ventila (Слика 12).
Uklonite postojeći ventil sa nosača ventila (Слика 12).
Montirajte relej na nosač ventila u isto vreme kada i ventile.
Montirajte ventile na nosač ventila pomoću 2 zavrtnja (1/4 × 3") i 2 navrtke(1/4"); pogledajte Слика 12.

Делови потребни за овај поступак:
| Hidraulični vod broj 1 | 1 |
| Hidraulični vod broj 2 | 1 |
| Hidraulični vod (crevo) broj 5 | 1 |
Koristite Слика 13 da biste identifikovali odgovarajući hidraulični vod.

Note: Montirajte hidraulične vodove, prvo labavo pričvrstite, a zatim ih pritegnite kada sve bude montirano.
Pozicionirajte hidraulični vod broj 1 na mašinu kao što je prikazano na Слика 14.
Montirajte hidraulični vod broj 1 na T-spojnicu montiranu na strani ventila (Слика 14).
Montirajte hidraulični vod broj 1 na gornju mušku spojnicu (Слика 14).

Pozicionirajte hidraulični vod broj 2 na mašinu kao što je prikazano na Слика 15.
Montirajte hidraulični vod broj 2 na kolenastu spojnicu na gornju stranu novog ventila (Слика 15).
Montirajte hidraulični vod broj 2 na gornju žensku spojnicu (Слика 15).

Labavo montirajte hidraulični vod broj 5 (crevo) na gornju žensku spojnicu (Слика 16).
Note: Drugi kraj ovog creva biće montiran u postupku 10.

Делови потребни за овај поступак:
| Hidraulična pumpa | 1 |
| Spojnica pod uglom od 45 stepeni (muški krajevi) | 1 |
| Sklop glavčine | 1 |
| Četvorougaoni ključ (¼ x 1") | 1 |
| Zavrtanj za podešavanje (5/16 x ¾") | 4 |
| Nosač pumpe | 1 |
| Zavrtanj (sa sredstvom za učvršćivanje navoja) (5/16 x ¾") | 2 |
| Podloška(⅜") | 2 |
| Velika kolenasta spojnica pod uglom od 90 stepeni (sa crevom sa grebenastim krajem) | 1 |
Montirajte veliku kolenastu spojnicu pod uglom od 90 stepeni na strani hidraulične pumpe.
Montirajte kolenastu spojnicu pod uglom od 45 stepeni na stranu hidraulične pumpe (Слика 17).

Uklonite montirani poklopac sa PTO motora (prenosnika snage).
Montirajte nosač pumpe na motor pomoću 2 zavrtnja (5/16 x ¾") i 2 podloške (⅜ "). Pogledajte Слика 18 za tačno mesto montaže nosača pumpe.

Nanesite sredstvo protiv zaglavljivanje na vratilo PTO motora (prenosnik snage) i vratilo hidrauličnog motora.
Montirajte četvorougaoni ključ (¼ x 1") u otvor u vratilu PTO motora (Слика 19).
Poravnajte sklop glavčine sa četvorougaonim ključem i montirajte je na vratilo PTO motora (prenosnik snage (Слика 19).
Note: Pobrinite se da sklop glavčine bude u potpunosti spušten na vratilo.
Nanesite uklonjivo sredstvo za učvršćivanje navoja na 2 zavrtnja za podešavanje (5/16 x ¾") i montirajte ih na sklop glavčine da biste pričvrstili vratilo PTO (Слика 19).

Montirajte brezon pumpe u nosač pumpe, dok montirate vratilo hidraulične pumpe u sklop glavčine.
Note: Vratilo hidraulične pumpe će dodirnuti kraj vratila PTO motora (Слика 20).

Sklop glavčine treba potpuno da nalegne na vratilo.
Note: Proverite da li postoji zazor između ploče pumpe i sklopa glavčine. Ako zazor ne postoji, onda sklop glavčine nije montiran pravilno i treba pravilo da nalegne (Слика 21).

Nanesite uklonjivo sredstvo za učvršćivanje navoja na 2 zavrtnja za podešavanje (5/16 x ¾") i montirajte ih na sklop glavčine da biste pričvrstili vratilo hidraulične pumpe (Слика 20).
Делови потребни за овај поступак:
| Hidraulični vod broj 3 | 1 |
| Hidraulični vod broj 4 | 1 |
Note: Montirajte hidraulične vodove, prvo labavo pričvrstite, a zatim ih pritegnite kada sve bude montirano.
Koristite Слика 22 kao ključ za identifikaciju odgovarajućih hidrauličnih vodova.

Montirajte postojeće crevo nazad na rezervoar za hidrauličnu tečnost.
Montirajte rezervoar za hidrauličnu tečnost na ram i pričvrstite ga pomoću 3 nosača koja ste prethodno uklonili i otpustili (Слика 23).

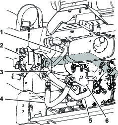
Montirajte hidraulični vod broj 4 na T-spojnicu montiranu na strani ventila (Слика 24).

Pozicionirajte hidraulični vod broj 3 na mašinu kao što je prikazano na Слика 25.
Montirajte hidraulični vod broj 3 na veliku kolenastu spojnicu postavljenu na sito i rezervoar za hidrauličnu tečnost (Слика 25).

Делови потребни за овај поступак:
| Veliko hidraulično crevo | 1 |
| Hidraulično crevo sa spojnicama | 1 |
| Velika stezaljka za crevo | 2 |
| Mala stezaljka za crevo | 2 |
| Malo izliveno hidraulično crevo | 1 |
| R-stezaljka | 1 |
| Zavrtanj (5/16 x 7/8") | 1 |
| Navrtka sa prirubnicom (5/16") | 1 |
Note: Pobrinite se da se ništa ne tare o creva.
Navucite dve velike stezaljke za crevo na veliko hidraulično crevo.
Montirajte veliko hidraulično crevo na kolenastu spojnicu pod uglom od 90 stepeni postavljenu na strani hidraulične pumpe (Слика 26).
Pritegnite stezaljku za crevo oko creva i kolena (Слика 26).
Montirajte veliko hidraulično crevo na hidraulični vod broj 3 (Слика 26).
Pritegnite stezaljke creva oko creva i hidrauličnog voda broj 3 (Слика 26).

Montirajte R-stezaljku na veliko hidraulično crevo kao što je prikazano na Слика 27 i Слика 30.

Montirajte R-stezaljku na nosač pomoću zavrtnja (5/16 x ⅞") i navrtke (5/16"); pogledajte Слика 27.
Montirajte hidraulično crevo sa spojnicama na spojnice hidrauličnog voda broj 2, kao što je prikazano na Слика 28.

Montirajte hidraulično crevo sa spojnicama na kolenastu spojnicu pod uglom od 45 stepeni postavljeno na hidrauličnu pumpu (Слика 29 i Слика 30).
Note: Biće ispod hidrauličnog cilindra.

Pogledajte Слика 30 za tačne lokacije creva i hidrauličnih vodova do hidraulične pumpe.

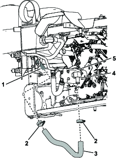
Navucite dve male stezaljke za crevo na malo izliveno hidraulično crevo (Слика 24 i Слика 31).
Montirajte duži kraj izlivenog creva na T-spojnicu pod uglom od 90 stepeni u rezervoaru za hidrauličnu tečnost (Слика 31).
Montirajte kraći kraj izlivenog creva na grebenasti kraj hidrauličnog voda 4 (Слика 31).
Pritegnite dve male stezaljka za crevo na oba kraja izlivenog creva.
Labavo montirajte hidraulični vod (crevo) broj 5 na malu T-spojnicu pod uglom od 90 stepeni (Слика 31).

Note: Pobrinite se da creva i hidraulični vodovi budu provučeni dalje od i da ne dolaze u kontakt sa oštrim, vrućim ili pokretnim komponentama.
Kada svi hidraulični vodovi i vreva budu montirani, pritegnite sve spojeve.
Note: Koristite ključ na svim spojnicama rezervoara.
Postavite nosač spojnice što bliže je moguće levom pneumatiku i pritegnite stezaljke.
Делови потребни за овај поступак:
| Snop kablova | 1 |
| Prekidač | 1 |
| Osigurač | 1 |
Uklonite kontrolnu tablu iz mašine.
Uklonite plastične čepove sa panela i montirajte prekidač na panel (Слика 34).
Provucite snop kablova duž šarki sedišta od prekidača i do releja prethodno montiranog ventila (Слика 32).

Montirajte snop kablova na prekidač na kontrolnoj tabli (Слика 34).
Uklonite spojni kabl iz glavnog snopa kablova ispod kontrolne table (Слика 33).

Montirajte konektor glavnog snopa kablova na glavni snop kablova (Слика 34).
Montirajte kontrolnu kablu na mašinu.

Montirajte osiguraču odgovarajući žleb u bloku osigurača (Слика 32).
Montirajte četvrtasti konektor na relej koji je montiran zajedno sa ventilom (Слика 35).

Montirajte mali konektor na novi ventil (Слика 35).

Pričvrstite snop kablova na za ventil pomoću vezice za kablove.
Делови потребни за овај поступак:
| Hidraulična tečnost | 6,6 l za modele 08703 i 08705 |
Kapacitet hidrauličnog sistema za modele 08743 i 08745 iznosi 26,5 l i dodatno dodavanje tečnosti nije potrebno.
Za modele 08703 i 08705, dodajte 6,6 l tečnosti.
Pogledajte Priručnik za operatera za informacije o tečnosti koja treba da se koristi.
Za modele 08703 i 08705, uklonite staru šipku za merenje ulja iz rezervoara za hidrauličnu tečnost.
Obratite se ovlašćenom distributeru kompanije Toro za informacije o odgovarajućoj šipki za merenje ulja (deo br. 110-8162).
Note: Za modele 08743 i 08745, odgovarajuća šipka za merenje ulja isporučuje se sa mašinom.
Polako sipajte približno 80% navedene tečnosti u rezervoar.
Umetnite šipku za merenje ulja i proverite nivo hidraulične tečnosti (Слика 37).
Polako dodajte preostalu tečnost dok nivo na meraču ne dođe do oznake za pun rezervoar.

Pokrenite mašinu i pustite je da radi 5 minuta.
Parčetom kartona proverite ima li curenja u sistemu.
Hidraulična tečnost koja izlazi pod pritiskom može da prodre kroz kožu i dovede do povrede.
Ako hidraulična tečnost dospe u kožu, u roku od nekoliko sati mora je hirurškim putem ukloniti lekar koji je stručan za ovu vrstu povrede. Ako se to ne uradi može doći do gangrene.
Držite telo i ruke dalje od rupica koje cure ili mlaznica koje izbacuju hidrauličnu tečnost pod visokim pritiskom.
Potražite mesta curenja hidraulične tečnosti pomoću kartona ili papira.
Bezbedno otpustite sav pritisak iz hidrauličnog sistema pre obavljanja bilo kakvog rada na njemu.
Proverite da li su sva creva i vodovi za hidrauličnu tečnost u dobrom stanju i da li su svi hidraulički spojevi i priključci zategnuti pre nego što stavite hidraulični sistem pod pritisak.
Montirajte prednju levu rešetku na ram.
Montirajte prednju oblogu na ram sa 4 zavrtnja sa prirubnicom.
Montirajte 4 zavrtnja sa prirubnicom koji pričvršćuju oblogu točka za ram (Слика 38).
Skinite zadnji levi pneumatik (Слика 38).

Spustite mašinu na zemlju.
Montirajte zaštitu zadnje kuke.
Montirajte sklop prečišćivača vazduha.