Important: Înainte de a instala sistemul de bară de instrumente cu montare pe mijloc, trebui să obțineți una dintre barele de instrumente disponibile pentru utilizare cu sistemul. Pentru mai multe informații, contactați un distribuitor autorizat Toro.
Note: Dacă instalați bara de instrumente 08733 sau 08736, instalați suporturile tubului pivotant furnizate cu aceste bare de instrumente în locul celor furnizate cu acest dispozitiv de atașare. Consultați instrucțiunile de instalare pentru 08733 sau 08736 pentru mai multe informații.
Note: Când instalați o lamă manuală frontală împreună cu un sistem de bară de instrumente cu montare pe mijloc, instalați mai întâi sistemul de bară de instrumente cu montare pe mijloc.
Parcați unitatea de tracțiune pe o suprafață plană și cuplați frâna de parcare.
Mutați comutatorul de accelerație în poziția de ralanti scăzut, coborâți dispozitivul de atașare și asigurați-vă că tracțiunea este în neutru.
Opriți motorul, scoateți cheia, așteptați ca toate piesele mobile să se oprească și lăsați toate componentele să se răcească.
Piese solicitate pentru această procedură:
| Șurub (5/16 x 2¼") | 2 |
| Piuliță (5/16") | 2 |
| Ansamblul mânerului de ridicare al scarificatorului | 1 |
| Şurub (½ x 3¼") | 2 |
| Contrapiuliță subțire (½") | 2 |
| Placă de blocare | 1 |
| Buton | 1 |
Ridicați partea din spate a mașinii pe suporturile cricului și scoateți roțile din spate; consultați Manualul operatorului mașinii dumneavoastră.
Note: Așezați suporturile cricului sub suporturile motorului la roțile din spate; consultați Manualul operatorului mașinii dumneavoastră.
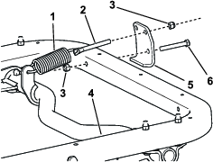
Scoateți cele 4 șuruburi cu guler care fixează suportul roții din dreapta pe cadru (Figura 1).

Scoateți și păstrați mantaua.
Note: Dacă pe mașină este instalată o lamă manuală (modelul 08714), îndepărtați suportul de montare al lamei din dreapta înainte de a instala ansamblul brațului de ridicare.
Scoateți cele 2 șuruburi, 2 bolțuri, 2 șaibe și 2 piulițe care fixează panoul sitei de cadru și păstrați șaibele pentru instalare ulterioară (Figura 1).
Note: Puteți elimina panoul de sită, șuruburile, bolțurile și piulițele.
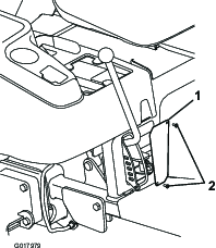
Instalați suportul de montare al ansamblului mânerului de ridicare al scarificatorului pe tuburile suport pentru picioare din dreapta cu 2 șuruburi (½ x 3¼") și contrapiulițe subțiri (½"), așa cum se arată în Figura 2.

Note: Asigurați-vă că toate capetele șuruburilor sunt poziționate spre exterior și că sunt utilizate contrapiulițe subțiri.
Important: Există atât contrapiulițe groase, cât și contrapiulițe subțiri în părțile libere. Utilizați contrapiulițe subțiri pentru acest pas. Contrapiulițele groase nu pot fi blocate aici și în cele din urmă vor cădea.
Note: Ansamblul mânerului este instalat prin partea inferioară a unității de tracțiune prin ghidarea mânerului în sus prin deschiderea făcută în urma îndepărtării panoului de sită.
Note: Nu dezasamblați ansamblul mânerului pentru a-l instala în unitatea de tracțiune.
Introduceți placa de blocare pe mânerul de ridicare al scarificatorului.
Note: Mânerul trebuie să treacă între placa de blocare și ghidajul mânerului (Figura 3).

Instalați placa de blocare în spatele tubului de cadru vertical din spate drept cu 2 șuruburi (5/16 x 2¼"), cele 2 șaibe îndepărtate la pasul 4 și 2 piulițe de blocare (5/16"). Poziționați piesele așa cum se arată în Figura 3.)
Introduceți butonul pe mânerul de ridicare (Figura 3).
Asigurați-vă că mânerul de ridicare se deplasează pe întreaga cursă prin placa de blocare și că se blochează în poziție în fiecare locație de blocare.
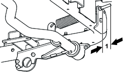
Note: Dacă mânerul de ridicare este prea slăbit sau prea strâns, strângeți sau slăbiți contrapiulițele de pe pivotul de ridicare a mânerului (Figura 4).

Verificați spațiul liber dintre ansamblul mânerului de ridicare și conductele hidraulice.
Note: Trebuie să existe un spațiu minim de 3 mm între conducta hidraulică și ansamblul mânerului de ridicare. Poziționați cu atenție conducta hidraulică, după cum este necesar (Figura 2).
Piese solicitate pentru această procedură:
| Tubul pivotant | 1 |
| Arc de extensie | 1 |
| Tija arcului | 1 |
| Suport pentru tub pivotant | 2 |
| Șurub (⅜ x 3") | 4 |
| Contrapiuliță (⅜") | 6 |
| Suport arc | 1 |
| Șurub (⅜ x 2¾") | 1 |
Note: Dacă instalați bara de instrumente 08733 sau 08736, instalați suporturile tubului pivotant furnizate cu aceste bare de instrumente în locul celor furnizate cu acest dispozitiv de atașare. Consultați instrucțiunile de instalare pentru 08733 sau 08736 pentru mai multe informații.
Conectați arcul de extensie la pârghia arcului de pe tubul pivotant și la tija arcului (Figura 5).

Instalați fără a strânge suportul tubului pivotant pe partea dreaptă (Figura 5).
Glisați partea dreaptă a tubului pivotant în suportul tubului pivotant din partea dreaptă (Figura 5).
Introduceți tija arcului în orificiul din suportul arcului și fixați-o fără a o strânge cu o contrapiuliță (⅜").
Note: Poziționați tija arcului așa cum se arată în Figura 6.

Ridicați partea stângă a tubului pivotant pe cadru și instalați-l cu un suport pentru tub pivotant, 2 șuruburi (⅜ x 3") și 2 contrapiulițe (⅜") (Figura 5).
Montați suportul arcului pe tubul cadrului frontal cu un șurub (⅜ x 2¾") și o contrapiuliță (⅜").
Note: Poziționați suportul arcului așa cum se arată în Figura 6.
Strângeți toate elementele de fixare, dar nu strângeți contrapiulița care fixează tija arcului în acest moment.
Piese solicitate pentru această procedură:
| Ansamblu tijă reglabilă | 1 |
| Șurub (½ x 1½") | 1 |
| Contrapiuliță (½") | 2 |
Poziționați articulația sferică a capătului scurt al ansamblului tijei reglabile în dreapta pârghiei tijei reglabile pe tubul pivotant (Figura 7).

Mutați mânerul de ridicare în cea de-a doua poziție de blocare de sus.
Așezați articulația sferică pe capătul lung al ansamblului tijei reglabile peste știftul din partea inferioară a ansamblului mânerului de ridicare și fixați-l ușor cu o contrapiuliță (½") (Figura 7).
Note: Puteți muta tubul pivotant în sus sau în jos în suporturile sale pentru a obține spațiu liber pentru montarea tijei reglabile.
Deplasați mânerul de ridicare complet în jos, până în poziția inferioară de blocare.
Deplasați articulația sferică de pe capătul scurt al tijei reglabile în jurul pârghiei tijei reglabile de pe tubul pivot până când se află pe partea stângă a pârghiei tijei.
Note: Puteți muta tubul pivotant în sus sau în jos în suporturile sale pentru a obține spațiu liber pentru montarea tijei reglabile.
Deplasați mânerul de ridicare până când orificiul din articulația sferică se aliniază cu orificiul din partea dreaptă a pârghiei tijei reglabile de pe tubul pivotant și fixați tija la pârghie cu un șurub (½ x 1½") și o contrapiuliță (½") așa cum se arată în Figura 8.

Strângeți elementele de fixare.
Piese solicitate pentru această procedură:
| Panou de sită | 1 |
| Șurub HWH (#10 x ½") | 2 |
| Ansamblu etrier pe partea dreaptă | 1 |
| Ansamblu etrier pe partea stângă | 1 |
| Șurub (5/16 x 1") | 4 |
| Contrapiuliță (5/16") | 4 |
Note: Dacă ați scos plugul manual, instalați-l în acest moment.
Instalați noul panou de sită în partea din spate a deschiderii cadrului cu 2 șuruburi HWH (#10 x ½") (Figura 9).

Atașați fără a strânge partea din spate a unui ansamblu de etrier la fiecare braț de ridicare cu un șurub (5/16 x 1") și o contrapiuliță (5/16").
Note: Știftul etrierului trebuie să fie îndreptat spre interior (Figura 10).
Note: Poziționați etrierele așa cum se arată în Figura 10.

Piese solicitate pentru această procedură:
| Bară de instrumente (comercializată separat) | 1 |
Important: Dacă instalați bara de instrumente 08733 sau 08736, omiteți această procedură și instalați-o urmând instrucțiunile furnizate cu bara de instrumente respectivă. Odată instalată, mergeți la Instalarea pedalei de ridicare a barei de instrumente din aceste instrucțiuni.
Note: Dacă bara de instrumente vine fără suportul pivotant instalat, instalați-l pe al patrulea dinte din stânga, așa cum se arată în Figura 11, și strângeți șurubul și piulița astfel încât suportul și dintele să fie sigure înainte de a continua.

Poziționați fiecare capăt al tubului de atașare pe etriere.
Note: Marginile ascuțite ale dinților trebuie să fie îndreptate înainte.
Mutați mânerul de ridicare în poziția de mijloc.
Fixați partea din față a fiecărui etrier de ansamblul tubului cu un șurub (5/16 x 1") și o contrapiuliță (5/16") (Figura 12)

Piese solicitate pentru această procedură:
| Ansamblu manetă | 1 |
| Șurub (5/16 x 2") | 1 |
| Contrapiuliță (5/16") | 3 |
| Capăt metalic pivotant | 1 |
| Articulație bară de instrumente | 1 |
| Șurub de fixare (⅜" x 1¼") | 1 |
| Distanțier | 1 |
| Șaibă(1") | 1 |
| Contrapiuliță (⅜") | 1 |
| Ansamblu pârghie pedală | 1 |
| Inel de fixare | 2 |
| Șaibă(⅞") | 1 |
| Șurub (5/16 x 1") | 1 |
| Șurub excentric | 1 |
Glisați stâlpul de pe ansamblul pârghiei în capătul stâng al tubului pivotant și fixați-l cu un șurub (5/16 x 2") și o contrapiuliță (5/16") prin tubul pivotant (Figura 13).
Note: Poate fi necesar să treceți șurubul prin tubul pivotant și ansamblul pârghiei.

Instalați fără a strânge orificiul central al capătului metalic pivotant pe suportul pivotant de pe bara de instrumente folosind un șurub (5/16 x 1") și o contrapiuliță (5/16") (Figura 14).

Glisați capătul articulației barei de instrumente peste stâlpul scurt de pe ansamblul pârghiei pedalei și fixați-l cu un inel de fixare (Figura 15).

Instalați stâlpul la celălalt capăt al ansamblului pârghiei pedalei prin partea de sus a ansamblului pârghiei și fixați-l folosind o șaibă (⅞") și un inel de reținere (Figura 15).
Cu cotul ansamblului pedalei de ridicare îndoit în sus, instalați orificiul pătrat pe capătul metalic pivotant până la capătul articulației barei de instrumente folosind un șurub de transport (⅜ x 1¼"), un distanțier, o șaibă (1"), o șaibă (13/16") și o contrapiuliță (⅜") așa cum se arată în Figura 16.

Instalați șurubul excentric prin partea inferioară a capătului metalic pivotant și a suportului pivotant și fixați-l folosind o contrapiuliță (5/16") așa cum se arată în Figura 17.

Poziționați mânerul de ridicare în poziția de blocare superioară.
Măsurați distanța dintre cadrul unității de tracțiune și tubul pivotant, așa cum se arată în Figura 18.

Dacă spațiul liber nu este între 0,152 cm și 0,45 cm, reglați tija reglabilă după cum urmează:
Scoateți șurubul și piulița care fixează tija de tubul pivotant (Figura 19).

Rotiți articulația sferică prezentată în Figura 19 pentru a modifica lungimea tijei după cum urmează:
Pentru a mări distanța, scurtați tija.
Pentru a reduce distanța, prelungiți tija.
Instalați tija cu șurubul și contrapiulița și testați din nou jocul.
Repetați această procedură până când distanța este corectă.
Strângeți contrapiulițele care fixează tija arcului până când se poate observa ¼ până la ½" (6 mm până la 13 mm) din filet, pentru a aplica tensiune arcului (Figura 20).

Note: Reglarea tijei arcului va varia efortul de ridicare al sistemului; cu cât șuruburile au o terminație mai lungă, cu atât va fi mai ușor să ridicați bara de instrumente. Reglați arcurile astfel încât forța de ridicare să fie confortabilă. Cu cât tensiunea arcului de asistență este mai mare, cu atât va fi mai puțină presiune pe bara de instrumente.
Instalați suportul roții din dreapta.
Instalați roțile din spate și scoateți suporturile cricului de sub partea din spate a mașinii; consultați Manualul de utilizare al mașinii dumneavoastră.
Poziționați mânerul de ridicare în poziția de transport (cea mai de sus).
Rotiți șurubul excentric în orice direcție până când dinții barei de instrumente sunt paraleli cu crestătura din brațul de ridicare (Figura 17 și Figura 21).
Important: Șurubul excentric nu se va roti la 360 de grade. Când acesta se oprește, nu încercați să îl forțați mai mult, în caz contrar îl veți deteriora. În loc de aceasta, rotiți-l înapoi în cealaltă direcție.

Strângeți șurubul de pivotare central (articolul 4 din Figura 13) la 20 până la 25 N·m.
Strângeți piulița care fixează șurubul excentric până când acesta este fixat sigur, dar fără a o strânge excesiv.
Testați funcționarea dispozitivului de atașare.
Piese solicitate pentru această procedură:
| Garnitură de reglare (Nr. piesă 110-7379) | 1 |
| Garnitură de reglare (Nr. piesă 110-7380) | 1 |
| Garnitură de reglare (Nr. piesă 110-7381) | 1 |
Odată ce bara de instrumente a fost instalată și elementele de fixare sunt strânse, utilizați următoarea procedură pentru a verifica dacă dinții barei de instrumente sunt la nivel:
Parcați mașina pe o suprafață plană.
Verificați presiunea tuturor anvelopelor și asigurați-vă că acestea sunt egale. Consultați manualul operatorului pentru mai multe informații despre verificarea presiunii în anvelope.
Coborâți bara de instrumente până când dinții încep să intre în contact cu solul.
Dacă dinții barei de instrumente au contact uniform cu solul, bara de instrumente este la nivel.
Note: Dacă dinții de pe o parte a barei de instrumente intră în contact cu solul înainte de cealaltă parte, nivelați bara de instrumente. Continuați nivelarea urmând restul acestei proceduri.
Măsurați distanța de la dinții barei de instrumente la sol pe partea care necesită nivelare, apoi utilizați următorul tabel pentru a determina ce șaibe de reglare trebuie instalate pe baza măsurării distanței:
| Pachet de șaibe de reglare (Grosime în cm) | Schimbare înălțime dinte (cm) pe marginea exterioară |
| 110-7379 (0,189 cm) | 0,317 cm |
| 110-7381 (0,341 cm) | 0,635 cm |
| 110-7379 și 110-7381 (0,531 cm) | 0,952 cm |
| 110-7380 (0,635 cm) | 1,111 cm |
| 110-7379 și 110-7380 (0,824 cm) | 1,428 cm |
Slăbiți șuruburile care fixează suportul tubului pivotant pentru a crea o deschidere între cadru și suportul tubului pivotant (Figura 22).

Note: Instalarea garniturii de reglare poate necesita să scoateți pedala de ridicare pentru a accesa suportul tubului pivotant. Consultați Instalarea pedalei de ridicare a barei de instrumente.
Instalați garniturile de reglare și strângeți toate elementele de fixare.
Verificați dacă bara de instrumente este acum la nivel. Dacă nu, ajustați după cum este necesar.
Citiți documentația.
Păstrați documentația într-un loc sigur.
Pentru a coborî bara de instrumente, mutați mânerul de ridicare la stânga, coborâți-l și apoi glisați-l spre dreapta în poziția de blocare dorită.
Pentru a ridica bara de instrumente, mutați mânerul de ridicare la stânga, ridicați-l și apoi glisați-l spre dreapta în poziția de blocare dorită.
Pentru a ridica și a bloca bara de instrumente în poziția de transport, mutați mânerul de ridicare în poziția cea mai înaltă și apăsați pedala de ridicare a barei de instrumente în jos.
Pentru a elibera bara de instrumente din poziția de transport, mutați mânerul de ridicare într-o poziție inferioară.
Note: Dacă utilizați bara de instrumente a scarificatorului, rotiți dinții pentru a crește durata de viață a dinților.
Note: Pentru a obține poziția de operare dorită, poate fi necesar să coborâți mai întâi bara de instrumente dincolo de poziția dorită, apoi să o ridicați înapoi.
În timpul funcționării, puteți coborî bara de instrumente în poziție, dând înapoi încet mașina în timp ce setați bara de instrumente la adâncimea dorită. Odată ce bara de instrumente este în poziția dorită, conduceți mașina înainte. Dinții vor intra în contact cu solul, trăgând bara de instrumente în poziția cuplată.
Pentru a regla presiunea în jos exercitată asupra solului de către unealtă, reglați tensiunea arcului tijei reglabile. Folosind o cheie de ¾", rotiți manșonul de arc de pe tija reglabilă în direcția filetului din dreapta pentru a crește presiunea în jos sau în direcția opusă pentru a reduce presiunea în jos (Figura 23).
Note: Acest lucru nu modifică setarea tijei reglabile efectuată în procedura Reglarea tensiunii arcului pivotant și Asamblarea tijei reglabile.

Utilizați următorul tabel și figura ca ghid pentru reglarea presiunii în jos a barei de instrumente (Figura 24).
| Diagramă forță arc | |
| Dimensiuni (cm) | Forță (Newtoni) |
| 7,62 | 1058,6 |
| 7,31 | 1490 |
| 6,98 | 1912,7 |
| 6,65 | 2339,7 |
| 6,35 | 2771,2 |

| Problem | Possible Cause | Corrective Action |
|---|---|---|
| Ridicarea dispozitivului de atașare necesită o forță excesivă. |
|
|
| Mânerul nu se blochează în fantele de blocare de pe placa de blocare. |
|
|
| Bara de instrumente nu se rotește suficient de sus. |
|
|
| Presiunea în jos a dispozitivului de atașare este prea mică. |
|
|
| Există un contact neuniform cu solul la întoarcerea mașinii. |
|
|
| Mașina se oprește atunci când lovește un obstacol. |
|
|
| Dinții barei de instrumente nu sunt la același nivel. |
|
|