Important: Pre montiranja sistema za montiranje alata za šipku na sredinu, treba da nabavite jednu od već dostupnih šipki za alate za korišćenje sa sistemom. Za više informacija, obratite se ovlašćenom distributeru kompanije Toro.
Note: Ako montirate šipku za alat 08733 ili 08736, montirajte nosače cevi rukavca koji su isporučeni sa tim šipkama za alat umesto onih koji su isporučeni sa ovim priključkom. Pogledajte uputstvo za instalaciju za 08733 ili 08736 za više informacija.
Note: Prilikom montiranja prednje manuelne lopate zajedno sa sistemom za montiranje šipke sa alatom na sredini, prvo montirajte sistem za montiranje šipke za alat na sredini.
Parkirajte vučnu jedinicu na ravnoj površini i aktivirajte parkirnu kočnicu.
Pomerite prekidač gasa u donji položaj praznog hoda, spustite priključak i osigurajte da je vuča u neutralnom položaju.
Isključite motor, uklonite ključ, sačekajte da se svi pokretni delovi zaustave i sačekajte da se sve komponente ohlade.
Делови потребни за овај поступак:
| Zavrtanj (5/16" x 2-¼") | 2 |
| Navrtka (5/16") | 2 |
| Sklop ručke za podizanje prozračivača | 1 |
| Zavrtanj (½" × 3-¼") | 2 |
| Tanka kontranavrtka (½") | 2 |
| Ploča za zaustavljanje | 1 |
| Ručica | 1 |
Podignite zadnji deo mašine na podupirače i uklonite zadnje točkove; pogledajte Priručnik za operatera vaše mašine.
Note: Postavite podupirače ispod priključaka motora zadnjih točkova; pogledajte Priručnik za operatera vaše mašine.
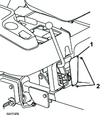
Uklonite 4 zavrtnja sa prirubnicom koji pričvršćuju oblogu desnog točka za ram (Слика 1).

Uklonite i zadržite oblogu.
Note: Ako je na mašinu montirana manuelna lopata (Model 08714), uklonite desni montažni nosač lopate pre nego što montirate ručku za podizanje.
Uklonite 2 vijka, 2 zavrtnja, 2 podloške i 2 navrtke koje pričvršćuju ploču otvora za ram i zadržite podloške za kasnije montiranje (Слика 1).
Note: Ploču otvora, zavrtnje, vijke i navrtke možete da odložite.
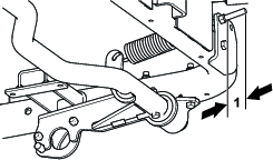
Montirajte montažni nosač sklopa ručke za podizanje prozračivača do desnih cevi oslonca za stopalo pomoću 2 zavrtnja (½" x 3-¼"), kao što je prikazano na Слика 2.

Note: Pobrinite se da glave zavrtnjeva budu u položaju sa spolja i da se koriste tanke kontranavrtke.
Important: Postoje i debele i tanke kontranavrtke kod odelova za slobodno montiranje. Koristite tanku kontranavrtku za ovaj korak. Debele kontranavrtke ne mogu da se zadrže na ovakvim mestima i vremenom će otpasti.
Note: Sklop ručke je montiran preko donjeg dela vučne jedinice vodeću ručku nagore kroz otvor napravljen uklanjanjem ploče otvora.
Note: Ne rasklapajte sklop ručke da biste je montirali na vučnu jedinicu.
Umetnite ploču za zaustavljanje na ručku za podizanje prozračivača.
Note: Ručka treba da prolazi između ploče za zaustavljanje i vođice ručke (Слика 3).

Montirajte ploča za zaustavljanje na zadnjem delu desnog dela cevi zadnjeg vertikalnog rama pomoću 2 zavrtnja(5/16" x 2-¼"), 2 podloške uklonjene u koraku 4 i 2 kontranavrtke (5/16"). Postavite delove kao što je prikazano na Слика 3.)
Navrnite dršku na ručku za podizanje (Слика 3).
Pobrinite se da ručka za podizanje pomera u punom opsegu preko ploče za zaustavljanje i da se zabravljuje na svako mesto gde treba.
Note: Ako je ručka za podizanje previše labava ili previše stegnuta, pritegnite ili otpustite kontranavrtke na obrtnoj tački ručice za podizanje (Слика 4).

Proverite odstojanje između sklopa ručke za podizanje i hidrauličnih vodova.
Note: Mora da postoji najmanje odstojanje od 3 mm između hidrauličnih vodova i sklopa ručke za podizanje. Polako postavite hidraulične vodove na mesto (Слика 2).
Делови потребни за овај поступак:
| Cev rukavca | 1 |
| Opruga za produženje | 1 |
| Opružna šipka | 1 |
| Nosač cevi rukavca | 2 |
| Zavrtanj (⅜" x 3") | 4 |
| Kontra navrtka (⅜") | 6 |
| Nosač opruge | 1 |
| Zavrtanj (⅜" x 2-¾") | 1 |
Note: Ako montirate šipku za alat 08733 ili 08736, montirajte nosače cevi rukavca koji su isporučeni sa tim šipkama za alat umesto onih koji su isporučeni sa ovim priključkom. Pogledajte uputstvo za instalaciju za 08733 ili 08736 za više informacija.
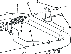
Povežite oprugu za produženje na polugu opruge da šipki rukavca i na šipku opruge (Слика 5).

Labavo montirajte nosač cevi rukavca sa desne strane (Слика 5).
Navucite desnu stranu cevi rukavca u desnu stranu oslonca (Слика 5).
Umetnite opružnu šipku u otvore na nosaču opruga i blago ih pričvrstite navrtkama (⅜").
Note: Postavite opružnu šipku kao što je prikazano na Слика 6.

Podignite levu stranu cevi rukavca na ram i montirajte je pomoću oslonca cevi rukavca, 2 zavrtnja (⅜" x 3") i 2 kontranavrtke (⅜") (Слика 5).
Montirajte nosač opruge na prednji deo cevi rama pomoću zavrtnja (⅜" x 2-¾") i kontranavrtke (⅜") .
Note: Postavite nosač opruge kao što je prikazano na Слика 6.
Pritegnite svi pričvršćivače, ali ovog puta ne pritežite kontranavrtke koje pričvršćuju opružnu šipku.
Делови потребни за овај поступак:
| Sklop podesive letve | 1 |
| Zavrtanj (½" x 1-½") | 1 |
| Kontra navrtka (½") | 2 |
Postavite loptasti zglob na kraći kraj sklopa podesive letve desno od poluge podesive letve na cevi rukavca (Слика 7).

Pomerite ručku za podizanje u drugi položaj za zaustavljanje odozgo.
Postavite loptasti zglob na duži kraj podesive letve i sklopite preko zavrtnja na donjoj strani sklopa ručke za podizanje i blago pričvrstite kontranavrtkom (½") (Слика 7).
Note: Možete da pomerite cev rukavca nagore ili nadole u svom nosaču da biste dobili odstojanje za montiranje podesive šipke.
Pomerite ručku za podizanje skroz dole u donji položaj za zaustavljanje.
Pomerite loptasti zglob na kraćem kraju podesive letve oko poluge podesive šipke na cev rukavca dok se ne nađe na levoj strani poluge letve.
Note: Možete da pomerite cev rukavca nagore ili nadole u svom nosaču da biste dobili odstojanje za montiranje podesive šipke.
Pomerajte ručku za podizanje dok otvor u loptastom zglobu ne poravna sa otvorom na desnoj strani poluge podesive letve na cevi rukavca i pričvrstite šipku za polugu pomoću zavrtnjeva (½" x 1- ½") i kontranavrtki (½") kao što je prikazano na Слика 8.

Pritegnite sve pričvršćivače.
Делови потребни за овај поступак:
| Ploča otvora | 1 |
| HWH zavrtanj (#10" x ½") | 2 |
| Sklop desne objumnice | 1 |
| Sklop leve objumnice | 1 |
| Zavrtanj (5/16 × 1") | 4 |
| Kontranavrtka (5/16") | 4 |
Note: Ako ste uklonili plug, sada ga montirajte.
Montirajte novu ploču otvora na zadnju stranu otvora rama pomoću 2 HWH zavrtnja (#10" x ½") (Слика 9).

Blago priključite zadnji deo sklopa objumnice za svaki krak za podizanje pomoću zavrtnja (5/16" x 1") i navrtke (5/16").
Note: Zavrtanj objumnice treba da bude okrenut ka unutra (Слика 10).
Note: Postavite objumnice kao što je prikazano na Слика 10.

Делови потребни за овај поступак:
| Šipka sa alatima (prodaje se zasebno) | 1 |
Important: Ako montirate šipku sa alatima modela 08733 ili 08736, preskočite ovu proceduru i montirajte je prateći uputstva isporučena sa tom šipkom za alate. Kada bude montirana, pogledajte poglavlje Montiranje papučice za podizanje šipke za alate“ u ovom priručniku.
Note: Ako šipka za alate bude isporučena bez montiranih nosača oslonaca, montirajte ih na mestu četvrtog zuba sa leve strane, kao što je pokazano na Слика 11 i pritegnite zavrtnje i navrtke tako da nosač i zubac budu pričvršćeni pre nastavka sa radom.

Postavite svaki kraj od priključne cevi u objumnice.
Note: Oštre ivice zubaca treba da budu okrenute ka napred.
Pomerite ručku za podizanje u srednji položaj.
Pričvrstite prednji deo svake objumnice za cev sklopa pomoću zavrtnja (5/16" x 1") i kontranavrtke (5/16") (Слика 12).

Делови потребни за овај поступак:
| Sklop poluge | 1 |
| Zavrtanj (5/16" x 2") | 1 |
| Kontranavrtka (5/16") | 3 |
| Žleb oslonca | 1 |
| Veza šipke za alate | 1 |
| Zavrtanj sa poluokruglom kapom (⅜ x 1-¼") | 1 |
| Raspinjač | 1 |
| Podloška(1") | 1 |
| Kontra navrtka (⅜") | 1 |
| Sklop poluge papučice | 1 |
| Sigurnosni prsten | 2 |
| Podloška(⅞") | 1 |
| Zavrtanj (5/16 × 1") | 1 |
| Ekscentrični vijak | 1 |
Navucite stub na sklopu poluge na levi kraj cevi rukavca i pričvrstite zavrtnjem (5/16" x 2") i kontranavrtku (5/16") kroz cev rukavca (Слика 13).
Note: Možda ćete morati da namotate zavrtanj kroz cev rukavca o sklop poluge.

Blago montirajte centralni otvor na žlebu oslonca za nosač oslonca na šipki za alate pomoću zavrtnja (5/16" x 1") i kontranavrtke (5/16") (Слика 14).

Navucite kraj veze šipke sa alatima preko kraćeg stuba na sklopu poluge papučice, i pričvrstite zatezni prsten (Слика 15).

Montirajte stub na drugi kraj sklopa poluge papučice kroz gornji deo sklopa poluge i pričvrstite ga podloškom (⅞") i zateznim prstenom (Слика 15).
Sa sklopom kolena papučice za podizanje savijenom nagore, montirajte četvrtast otvor na žleb oslonca za kraj veze šipke za alat pomoću zavrtnja sa poluokruglom glavom (⅜" x 1-¼"), odstojnikom, podloškom (1"), podloškom (13/16") i kontranavrtkom (⅜") kao što je prikazano na Слика 16.

Montirajte ekscentrični zavrtanj kroz donji deo žleba oslonca i nosača oslonca i pričvrstite pomoću kontranavrtke (5/16") kao što je prikazano na Слика 17.

Postavite ručku za podizanje u gornji položaj za zaustavljanje.
Izmerite rastojanje između rama vučne jedinice i cevi rukavca kao što je prikazano na Слика 18.

Rastojanje nije između 0,152 cm i 0,45 cm, podesite letvu za podešavanje kao što sledi:
Uklonite zavrtanj i navrtku koji pričvršćuju letvu za cev rukavca (Слика 19).

Okrećite loptasti zglob kao što je prikazano na Слика 19 da biste promenili dužinu letve kao što sledi:
Da biste povećali rastojanje, skratite letvu.
Da biste smanjili rastojanje, produžite letvu.
Montirajte letvu pomoću zavrtnjeva i kontranavrtki i ponovo testirajte rastojanje.
Ponovite postupak dok rastojanje ne bude odgovarajuće.
Pritegnite kontranavrtke koje pričvršćuju opružnu šipku dok od 6 mm do 13 mm navoja ne bude prikazano da vrši pritisak na oprugu (Слика 20).

Note: Podešavanje opružne šipke može a varira od napora za podizanje sistema; što su duži krajevi zavrtanja, to je lakše da se podigne šipka za alate. Podesite opruge tako da sila podizanja bude udobna za rad. Što je veća zategnutost pomoćne opruge, manje pritiska će biti na šipku sa alatima.
Montirajte oblogu desnog točka.
Montirajte zadnje točkove i uklonite podupirače. ispod mašine; pogledajte Priručnik za operatera vaše mašine.
Postavite ručicu za podizanje u položaj za transport (najviši urez).
Okrenite ekscentrični zavrtanj u bilo kom smeru dok šipka za alate ne bude paralelna sa urezom na ručici za podizanje (Слика 17 i Слика 21).
Important: Ekscentrični zavrtanj se neće okretati za 360 stepeni. Kada se zaustavi, ne primenjujte silu jer biste mogli da ga oštetite. Umesto toga, okrenite ga nazad u suprotnom pravcu.

Pritegnite centralni zavrtanj oslonca (stavka 4 u Слика 13) momentom od 20 do 25 N m.
Pritegnite navrtku koja pričvršćuje ekscentrični zavrtanj dok se ne pričvrsti, ali nemojte da pritegnete.
Testirajte rad ovog priključka.
Делови потребни за овај поступак:
| Regulaciona pločica (br. dela 110-7379) | 1 |
| Regulaciona pločica (br. dela 110-7380) | 1 |
| Regulaciona pločica (br. dela 110-7381) | 1 |
Kada šipka za alate bude postavljena i pričvršćivači pritegnuti, koristite sledeći postupak da potvrdite da li su zupci šipke za alate u ravni.
Parkirajte mašinu na ravnoj površini.
Proverite pritisak u svim pneumaticima i pobrinite se da bude jednak. Pogledajte Priručnik za operatera za više informacija i proveri pritiska u pneumaticima.
Spustite šipku za alate dok zupci ne dođu u dodir sa podlogom.
Ako zupci šipke za alat dođu u kontakt sa zemljom istovremeno, šipka za alat je u ravni.
Note: Ako zupci šipke za alat na jednoj strani dođu u kontakt sa zemljom pre druge strane, poravnajte šipku za alat. Nastavite da poravnavate sledeći podsetnik iz ove procedure.
Izmerite zazor između zubaca šipke za alate i zemlje na strani sa koje je potrebno poravnavanje, zatim upotrebite sledeću tabelu da biste utvrdili koju pločicu da montirate na osnovu merenja zazora:
| Pakovanje pločica (debljina je u cm) | Primena u visini zubaca (cm) na spoljašnjoj ivici |
| 110-7379 (0,189 cm) | 0,317 cm |
| 110-7381 (0,341 cm) | 0,635 cm |
| 110-7379 i 110-7381 (0,531 cm) | 0,952 cm |
| 110-7380 (0,635 cm) | 1,111 cm |
| 110-7379 i 110-7380 (0,824 cm) | 1,428 cm |
Otpustite zavrtnjeve i pričvrstite nosač cevi rukavca da biste napravili otvor između rama i nosača cevi rukavca (Слика 22).

Note: Montiranje regulacione pločice može da zahteva da uklonite papučicu za pristup nosaču cevi rukavca. Pogledajte odeljak Montiranje papučice za podizanje šipke za alate.
Montirajte regulacione pločice i pritegnite sve pričvršćivače.
Potvrdite da je šipka za alate dobro poravnata. Ako nije, podesite kako treba.
Pročitajte dokumentaciju.
Skladištite dokumentaciju na bezbednom mestu.
Da biste spustili šipku za alate, pomerite ručku za podizanje ulevo, spustite je i zatim navucite u željeni položaj za zaustavljanje.
Da biste podigli šipku za alate, pomerite ručku za podizanje ulevo, podignite je i zatim navucite u željeni položaj za zadržavanje.
Da biste podigli i zabravili šipku za alate u transportni položaj, pomerite ručicu za podizanje u najviši položaj i pritisnite papučicu za podizanje šipke za alate.
Da biste oslobodili šipku za podizanje iz položaja za transport, pomerite ručku za podizanje u niži položaj.
Note: Ako koristite šipku za prozračivač, okrenite zupce da biste im produžili radni vek.
Note: Da biste postigli željeni položaj za rad, morate da prvo spustite šipku za alate iza željenog položaja, a zatim ponovo podignete.
Tokom rada, možete da spustite šipku za alate u položaj rako što ćete pomerati mašinu unazad dok ne podesite željenu dubinu šipke za alate. Kada šipka za alate bude u željenom položaju, vozite napred. Zupci će doći u kontakt sa zemljom, izvlačenjem zuba u aktivan položaj.
Da Biste podesili količinu pritiska kojeg mašina usmerava na zemlju, podesite zategnutost opreme podesive letve. Pomoću ključa od ¾", okrenite rukavac opruga držeći letvu za podešavanje vrteći u smeru kretanja navoja desne ruke da biste povećali pritisak nadole ili u suprotnom smeru smanjili pritisak nadole (Слика 23).
Note: Ovo ne menja podešavanje podesive letve obavljeno u postupkuPodešavanje oslonca zatezne opruge i sklopa podesive letve.

Koristite sledeću tabelu kao vodič za podešavanje pritiska šipke za alate nadole (Слика 24).
| Tabela sile opruge | |
| Dimenzije (cm) | Sila (Njutn) |
| 7,62 | 1058,6 |
| 7,31 | 1490 |
| 6,98 | 1912,7 |
| 6,65 | 2339,7 |
| 6,35 | 2771,2 |

| Problem | Possible Cause | Corrective Action |
|---|---|---|
| Podizanje priključka zahteva dodatnu snagu. |
|
|
| Ručka se ne zadržava na urezu za zaustavljanje na ploči za zaustavljanje. |
|
|
| Šipka za alate se ne okreče dovoljno visoko. |
|
|
| Pritisak priključka nadole je prevelik. |
|
|
| Ima neravnomerni kontakt sa zemljištem prilikom skretanja. |
|
|
| Mašina se zaustavlja kada udari u prepreku. |
|
|
| Zupci šipke za alate nisu poravnati. |
|
|