Kunnossapito
Note: Koneen vasen ja oikea puoli määritellään normaalista käyttöasennosta käsin.
Vaara
Jos kone nostetaan pelkän tunkin avulla leikkuuyksikön alla työskentelyä varten, tunkki voi kaatua, jolloin koneen alla olevat henkilöt ovat vaarassa jäädä leikkuupöydän alle.
Tue kone aina vähintään kahdella pukilla, kun leikkuupöytä on nostettu.
Varoitus
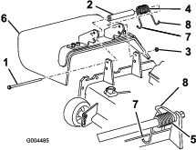
Leikkuuyksikön yläpuolella on kaksi tukea, joilla se on kiinnitetty runkoon. Tukiin on kiinnitetty jännitetyt vääntöjouset (Kuva 17). Jos tuki irrotetaan, vääntöjouseen varastoitunut energia voi vapautuessaan liikuttaa tukia, jolloin sormet tai kädet voivat vahingoittua.
Noudata varovaisuutta irrottaessasi leikkuuyksikkö rungosta ja kiinnitä tuet ennen niiden irrotusta rungosta.

Kunnossapitotaulukko
| Huoltoväli | Huoltotoimenpide |
|---|---|
| 50 ensimmäisen käyttötunnin jälkeen |
|
| Aina ennen käyttöä tai päivittäin |
|
| 50 käyttötunnin välein |
|
Päivittäisen huollon tarkastuslista
Ota tästä sivusta kopioita.
| Tarkistettavat kohdat | Viikolle: | ||||||
|---|---|---|---|---|---|---|---|
| Ma | Ti | Ke | To | Pe | La | Su | |
| Tarkista turvajärjestelmän toiminta | |||||||
| Tarkista suuntain ala-asennossa (jos on) | |||||||
| Tarkista seisontajarrun toiminta | |||||||
| Tarkista polttoaineen määrä | |||||||
| Rengaspaineen tarkistus | |||||||
| Tarkista mittareiden toiminta | |||||||
| Tarkista terien kunto | |||||||
| Voitele kaikki rasvanipat1 | |||||||
| Korjaa maalipinnan vauriot | |||||||
|
1. Välittömästi jokaisen pesun jälkeen, luettelon mukaisesta huoltovälistä riippumatta. |
|||||||
| Todetut viat | ||
| Tarkastuksen suoritti: | ||
| Vika | Päivämäärä | Huomio |
Varoitus
Jos jätät avaimen virtalukkoon, joku voi vahingossa käynnistää moottorin ja vahingoittaa vakavasti lähellä olijoita.
Irrota avain virtalukosta ennen huollon aloitusta.
Voitelu
Laakerien ja holkkien rasvaus
| Huoltoväli | Huoltotoimenpide |
|---|---|
| 50 käyttötunnin välein |
|
Koneessa on rasvanippoja, jotka on voideltava säännöllisesti litiumrasvalla nro 2. Laakerit ja holkit on voideltava päivittäin, jos käyttöolosuhteet ovat erittäin pölyiset ja likaiset. Pölyiset ja likaiset käyttöolosuhteet saattavat aiheuttaa lian tunkeutumisen laakereihin ja holkkeihin, mistä on seurauksena nopeaa kulumista. Voitele rasvanipat välittömästi jokaisen pesun jälkeen huolimatta luettelon mukaisesta huoltovälistä.
-
Pyyhi rasvanipat puhtaaksi, jotta laakeriin tai holkkiin ei pääse epäpuhtauksia.
-
Pumppaa rasvaa rasvanippoihin.
-
Pyyhi pois ylimääräinen rasva.


Note: Laakereiden käyttöikä saattaa lyhentyä väärien pesukäytäntöjen takia. Älä pese yksikköä sen ollessa vielä kuuma ja vältä laakereiden tai tiivisteiden suihkuttamista korkealla paineella tai suurella määrällä nestettä.
Terän käyttöhihnojen vaihto
| Huoltoväli | Huoltotoimenpide |
|---|---|
| 50 ensimmäisen käyttötunnin jälkeen |
|
Jousikuormitettujen hihnapyörien avulla kiristettävät terän käyttöhihnat ovat hyvin kestäviä. Hihnat kuitenkin kuluvat ajan mittaan. Kuluneen hihnan merkkejä ovat esimerkiksi vinkuminen hihnan pyöriessä, luistavat terät ruohoa leikattaessa, huono leikkuujälki, rispaantuneet reunat, palojäljet ja murtumat. Vaihda hihnat, jos jokin näistä tiloista ilmenee.
-
Laske leikkuuyksikkö 2,5 cm:n leikkuukorkeuden asentoon, siirrä kaasuvipu HIDAS-asentoon, sammuta moottori, kytke seisontajarru ja irrota virta-avain.
-
Irrota hihnasuojukset leikkuuyksikön päältä ja aseta ne syrjään.
-
Siirrä ylemmän hihnan (Kuva 20) kiristinpyörä t-vääntimen tai vastaavan työkalun avulla poispäin ylemmästä käyttöhihnasta, jotta löystynyt hihna voidaan irrottaa hihnapyöristä.

-
Vie uusi hihna vaihteiston hihnapyörän, alempien karapyörien ja kiristinpyöräkokoonpanon ympäri. Katso Kuva 20.
-
Vie uusi hihna ylempien karapyörien ja kiristinpyöräkokoonpanon ympäri. Katso Kuva 20.
-
Rasvaa kaikki leikkurin ja leikkuuyksikön käyttölaitteen rasvauskohdat.
-
Asenna hihnasuojukset.
Leikkuuterien huolto
Pidä terät terävinä koko leikkuukauden ajan. Terävät terät leikkaavat ruohon siistimmin ruohonkorsia repimättä. Repeytymien vuoksi ruohon reunat muuttuvat ruskeiksi, mikä heikentää kasvua ja altistaa kasvisairauksille.
Tarkista päivittäin, että terät ovat terävät ja että ne eivät ole kuluneet tai vaurioituneet. Teroita terät tarpeen vaatiessa. Jos terä on vaurioitunut tai kulunut, vaihda se aitoon Toro-vaihtoterään.
Terien turvallinen käyttö
Kulunut tai vaurioitunut terä voi rikkoutua ja terän pala voi sinkoutua käyttäjään tai ohikulkijaan päin, mikä voi aiheuttaa vakavan henkilövahingon tai kuoleman.
-
Terä on tarkistettava säännöllisesti kulumisen ja vaurioiden varalta.
-
Ole varovainen, kun tarkastat teriä. Kiedo terien ympärille esimerkiksi kangas tai käytä käsineitä ja noudata varovaisuutta teriä huoltaessasi. Terät saa ainoastaan vaihtaa tai teroittaa. Niitä ei saa suoristaa eikä hitsata.
-
Ole varovainen käsitellessäsi moniteräisiä koneita, sillä yhden terän kääntäminen saattaa kääntää myös muita teriä.
Terien tarkastus
| Huoltoväli | Huoltotoimenpide |
|---|---|
| Aina ennen käyttöä tai päivittäin |
|
-
Vapauta voimanulosotto, vapauta ajopoljin ja kytke seisontajarru.
-
Siirrä kaasuvipu HIDAS-asentoon, sammuta moottori, irrota avain ja odota, että kaikki liikkuvat osat pysähtyvät, ennen kuin poistut käyttäjän paikalta.
-
Tarkasta leikkuusärmät (Kuva 21). Jos särmät eivät ole terävät tai niissä on lovia, irrota terät ja teroita ne. Katso kohta Terien teroitus (Terien teroitus).
-
Tarkista terät, etenkin siipialue (Kuva 21). Jos havaitset vähäisiäkään vaurioitumisen, kulumisen tai urautumisen merkkejä tällä alueella (Kuva 21), asenna uusi terä välittömästi.
Hengenvaara
Jos terän annetaan kulua, siiven ja terän tasaisen osan väliin muodostuu ura. Terästä voi lopulta irrota pala, joka voi sinkoutua kotelon alta ja aiheuttaa vakavan loukkaantumisen.
-
Terä on tarkistettava säännöllisesti kulumisen ja vaurioiden varalta.
-
Älä yritä suoristaa taipunutta terää tai hitsata murtunutta tai lohjennutta terää.
-
Kulunut tai vaurioitunut terä on vaihdettava.

-
Taipuneiden terien tarkistus
-
Vapauta voimanulosotto, vapauta ajopoljin ja kytke seisontajarru.
-
Siirrä kaasuvipu HIDAS-asentoon, sammuta moottori, irrota avain ja odota, että kaikki liikkuvat osat pysähtyvät, ennen kuin poistut käyttäjän paikalta.
-
Käännä teriä, kunnes päät osoittavat eteen- ja taaksepäin (Kuva 22). Mittaa vaakasuorasta pinnasta leikkuuterän leikkuusärmään (kohta A) (Kuva 22). Merkitse mitta muistiin.

-
Käännä terien vastakkainen päät osoittamaan eteenpäin.
-
Mittaa väli vaakasuoralta pinnalta leikkuuterien leikkuusärmään samasta kohdasta kuin edellä vaiheessa 3. Vaiheiden 3 ja 4 välisten mittojen ero ei saa olla yli 3 mm. Jos ero on yli 3 mm, terä on vaihdettava, koska se on taipunut. Katso kohdat Terien irrotus ja Terien asennus.
Vaara
Taipunut tai vaurioitunut terä voi rikkoutua ja aiheuttaa vakavan loukkaantumisen tai kuoleman lähellä olijoille.
-
Taipunut tai vaurioitunut terä on aina vaihdettava uuteen.
-
Älä hio tai tee teräviä lovia terän särmiin tai pintoihin.
-
Terien irrotus
Terä on vaihdettava, jos se osunut kiinteään esineeseen, jos se on epätasapainossa tai jos se on taipunut. Käytä aina aitoja Toro-vaihtoteriä koneen parhaan suorituskyvyn ja turvallisuuden varmistamiseksi. Muiden valmistajien vaihtoterien käyttö saattaa aiheuttaa sen, että kone ei ole enää turvallisuusstandardien mukainen.
Vaara
Terävän terän koskettaminen voi aiheuttaa vakavan loukkaantumisen.
Käytä hansikkaita tai kääri terän terävät reunat liinaan.
-
Vapauta voimanulosotto, vapauta ajopoljin ja kytke seisontajarru.
-
Siirrä kaasuvipu HIDAS-asentoon, sammuta moottori, irrota avain ja odota, että kaikki liikkuvat osat pysähtyvät, ennen kuin poistut käyttäjän paikalta.
-
Tartu terän päähän liinan tai paksun hansikkaan avulla.
-
Irrota teräpultti, nurmisuojalevy ja terä kara-akselista. Katso Kuva 25 kohdassa Terien asennus.
Terien teroitus
Vaara
Terää teroitettaessa siitä saattaa sinkoutua palasia, jotka voivat aiheuttaa vakavan loukkaantumisen.
Käytä kunnollisia silmäsuojaimia, kun teroitat teriä.
-
Teroita leikkuusärmä terän molemmista päistä (Kuva 23). Säilytä alkuperäinen kulma. Terä säilyttää tasapainonsa, kun molemmista leikkuusärmistä poistetaan materiaalia yhtä paljon.

-
Tarkista terän tasapaino asettamalla se terän tasaimeen (Kuva 24). Jos terä pysyy vaaka-asennossa, se on tasapainossa ja sitä voidaan käyttää. Jos terä ei ole tasapainossa, viilaa sitä vähän vain siipialueelta (Kuva 25). Toista, kunnes terä on tasapainossa.

Terien asennus
Leikkuuyksikön epätasapainon korjaus
Jos leikkuujälki on epätasainen leikkuuyksikön kaistalla, se voidaan korjata seuraavasti:
-
Pysäköi kone tasaiselle alustalle.
-
Aseta leikkuuyksikkö haluttuun leikkuukorkeuteen, siirrä kaasuvipu HIDAS-asentoon, sammuta moottori, kytke seisontajarru ja irrota virta-avain.
-
Tarkista ja säädä ajoyksikön etu- ja takarenkaiden rengaspaineet. Katso ajoyksikön käyttöopas.
-
Tarkista, että terät eivät ole taipuneet.
-
Irrota leikkuuyksiköiden päällä olevat suojukset.
-
Käännä terää kullakin karalla, kunnes päät osoittavat eteen- ja taaksepäin.
-
Mittaa lattiasta leikkuuterän etukärkeen.
-
Säädä vastamuttereita, joilla leikkuuyksikön haarukkapäät/ketjut on kiinnitetty leikkuriin, kunnes leikkuuyksikkö on vaakasuorassa (Kuva 26).

Suuntaimen vaihto
Vaara
Jos heittoaukko ei ole peitossa, kone voi singota esineitä käyttäjän tai sivullisten suuntaan, mistä voi olla seurauksena vakava tapaturma. Seurauksena voi olla myös kosketus terään.
-
Älä käytä konetta ilman levityssarjaa tai suuntainta.
-
Varmista, että suuntain on laskettu alas.
-
Laske leikkuuyksikkö maahan, siirrä kaasuvipu HIDAS-asentoon, sammuta moottori, kytke seisontajarru ja irrota virta-avain.
-
Irrota lukkomutteri, pultti, jousi ja välikappale, jotka kiinnittävät suuntaimen kääntökannattimiin (Kuva 27). Irrota vaurioitunut tai kulunut suuntain.

-
Aseta välikappale ja jousi uuden suuntaimen kannakkeiden väliin (Kuva 27). Aseta jousen vasemmanpuoleinen J-koukkupää leikkuuyksikön reunan taakse.
Note: Varmista, että jousen vasemmanpuoleinen koukkupää on asennettu leikkuuyksikön reunan taakse ennen pultin asennusta kuvan mukaisesti (Kuva 27).
-
Asenna pultti ja mutteri. Aseta jousen oikeanpuoleinen koukkupää suuntaimen ympärille (Kuva 27).
Important: Suuntaimen on pystyttävä laskeutumaan asentoonsa. Nosta suuntain ylös ja testaa, että se on laskettavissa täysin alas.
Leikkuuyksikön alapuolen puhdistus
| Huoltoväli | Huoltotoimenpide |
|---|---|
| Aina ennen käyttöä tai päivittäin |
|
Poista ruohokertymät leikkuuyksikön alta päivittäin.
-
Vapauta voimanulosotto, vapauta ajopoljin Vapaa-asentoon ja kytke seisontajarru.
-
Siirrä kaasuvipu HIDAS-asentoon, sammuta moottori, irrota avain ja odota, että kaikki liikkuvat osat pysähtyvät, ennen kuin poistut käyttäjän paikalta.
-
Nosta leikkuuyksikkö KULJETUSASENTOON.
-
Nosta koneen etuosa tunkilla ja tue se pukeilla.
-
Puhdista leikkuuyksikön alapuoli huolellisesti vedellä.


, joka tarkoittaa varoitusta,
vaaraa tai hengenvaaraa – henkilöturvallisuusohjeet. Ohjeiden
laiminlyönti saattaa johtaa henkilövahinkoon tai kuolemaan.
























