Údržba
Note: Levá a pravá strana stroje se určuje z pohledu obsluhy při normální pracovní poloze.
Důležité upozornění
Pokud použijete k podepření stroje pouze jeden hever, když pracujete pod žací jednotkou, může se hever převrhnout, sekací plošina může spadnout a přimáčknout k zemi vás či poblíž stojící osoby.
Když je sekací plošina zvednutá, zajistěte stroj vždy alespoň 2 hevery.
Výstraha
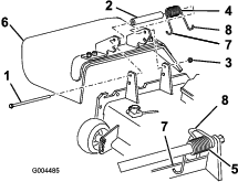
Na horní straně žací jednotky jsou 2 táhla, která slouží k připojení k rámu. K těmto táhlům jsou připojeny zkrutné pružiny, které jsou pod napětím (Obrázek 17). Pokud táhlo odpojíte, uvolní se energie ve zkrutné pružině a může dojít k pohybu táhel a zranění rukou či prstů.
Při demontáži žací jednotky z rámu si počínejte opatrně a táhla před odpojením od rámu zabezpečte.

Doporučený harmonogram údržby
| Servisní interval | Postup při údržbě |
|---|---|
| Po prvních 50 hodinách |
|
| Při každém použití nebo denně |
|
| Po každých 50 hodinách provozu |
|
Seznam denní údržby
Tuto stránku si zkopírujte pro každodenní použití.
| Úkon údržby | Pro týden: | ||||||
|---|---|---|---|---|---|---|---|
| Pondělí | Úterý | Středa | Čtvrtek | Pátek | Sobota | Neděle | |
| Kontrola činnosti bezpečnostního blokovacího systému | |||||||
| Kontrola deflektoru trávy v dolní poloze (je-li to relevantní) | |||||||
| Kontrola činnosti parkovací brzdy | |||||||
| Kontrola hladiny paliva | |||||||
| Kontrola tlaku vzduchu v pneumatikách | |||||||
| Kontrola správné funkce nástrojů | |||||||
| Kontrola stavu žacích nožů | |||||||
| Promazání všech maznic1 | |||||||
| Oprava poškozeného laku | |||||||
|
1. Okamžitě po každém mytí bez ohledu na uvedený interval. |
|||||||
| Zápis problematických oblastí | ||
| Kontrolu provedl(a): | ||
| Položka | Datum | Informace |
Výstraha
Jestliže ponecháte klíč ve spínači zapalování, může kdokoli náhodně spustit motor a způsobit vám nebo přihlížejícím osobám vážné zranění.
Před prováděním jakékoli údržby vyjměte klíč za zapalování.
Mazání
Mazání ložisek a pouzder
| Servisní interval | Postup při údržbě |
|---|---|
| Po každých 50 hodinách provozu |
|
Stroj je vybaven maznicemi, které je třeba pravidelně promazávat univerzálním mazivem č. 2 na bázi lithia. Mazání ložisek a pouzder je nutné provádět každý den, pokud jsou provozní podmínky výrazně prašné a se zvýšeným množstvím nečistot. Při provozu v prašných podmínkách se zvýšeným množstvím nečistot mohou nečistoty vniknout do ložisek a pouzder a způsobit rychlejší opotřebení. Maznice promažte okamžitě po každém mytí bez ohledu na uvedený interval.
-
Očistěte maznice, aby do ložiska ani pouzdra nemohly proniknout cizí částice.
-
Napumpujte mazivo do maznic.
-
Přebytečné mazivo otřete.


Note: Životnost ložisek může být negativně ovlivněna nesprávným způsobem mytí. Neumývejte jednotku, pokud je dosud zahřátá, a nestříkejte proudem vody pod vysokým tlakem přímo na ložiska či těsnění.
Výměna hnacích řemenů žacích nožů
| Servisní interval | Postup při údržbě |
|---|---|
| Po prvních 50 hodinách |
|
Hnací řemeny žacích nožů jsou napínány pružinovými napínacími řemenicemi a jsou velmi odolné. Po dlouhé době provozu však mohou vykazovat známky opotřebení. Mezi možné známky opotřebeného řemene patří vrzání při otáčení řemene, prokluz žacích nožů při sekání trávy, nízká kvalita sekání, roztřepené okraje, známky spálení a praskliny. Pokud zjistíte některý z uvedených stavů, řemeny vyměňte.
-
Spusťte žací jednotku do výšky sekání 2,5 cm, přesuňte páčku škrticí klapky do polohy pro POMALý CHOD, vypněte motor, zatáhněte parkovací brzdu a vyjměte klíč.
-
Odstraňte kryty řemenů z horní strany žací jednotky a uložte je stranou.
-
Pomocí páčidla či podobného nástroje přesuňte napínací řemenici horního řemene (Obrázek 20) mimo horní hnací řemen, aby se řemen uvolnil a bylo možné jej sejmout z řemenic.

-
Veďte nový řemen kolem řemenice převodovky, dolních řemenic vřetena a sestavy napínací řemenice podle znázornění (Obrázek 20).
-
Veďte nový řemen kolem horních řemenic vřetena a sestavy napínací řemenice podle znázornění (Obrázek 20).
-
Promažte všechna mazací místa pohonu sekačky a žací jednotky.
-
Nasaďte kryty řemenů.
Údržba žacích nožů
Žací nože udržujte ostré po celou sezónu, protože pouze ostrý nůž seká čistě a nedochází k trhání či třepení stébel trávy. Trhání a třepení trávy při sekání způsobuje, že travní stébla na řezu hnědnou, což zpomaluje růst trávy a zvyšuje její náchylnost k chorobám.
Každý den kontrolujte, zda jsou nože ostré a nedošlo k jejich opotřebení či poškození. Nože podle potřeby nabruste. Pokud je žací nůž poškozený nebo opotřebený, ihned jej nahraďte originálním žacím nožem Toro.
Bezpečnost týkající se používání řezných nožů
Opotřebený nebo poškozený řezný nůž může prasknout a jeho úlomek může sekačka odmrštit na obsluhu nebo osoby v okolí a způsobit vážné zranění nebo smrt.
-
Pravidelně kontrolujte, zda nedošlo k opotřebení či poškození nožů.
-
Při kontrole řezných nožů si počínejte opatrně. Před prováděním servisních prací řezné nože zabalte nebo použijte rukavice a postupujte se zvýšenou opatrností. Řezné nože pouze vyměňujte nebo ostřete – nikdy se je nepokoušejte rovnat nebo svařovat.
-
U strojů s několika řeznými noži buďte opatrní, neboť rotace jednoho nože může způsobit rotaci ostatních nožů.
Kontrola žacích nožů
| Servisní interval | Postup při údržbě |
|---|---|
| Při každém použití nebo denně |
|
-
Vypněte pohon žacích nožů (PTO), uvolněte ovládací pedál pojezdu a zatáhněte parkovací brzdu.
-
Než opustíte provozní pozici, přesuňte páčku škrticí klapky do polohy POMALý CHOD, zastavte motor, vytáhněte klíček ze zapalování a počkejte, až se všechny pohybující se části zastaví.
-
Zkontrolujte ostří žacích nožů (Obrázek 21). Jestliže ostří nejsou dostatečně naostřená nebo jsou nerovná, vyjměte žací nože a nabruste je. Viz ostření žacích nožů (Ostření žacích nožů).
-
Zkontrolujte nože, zejména jejich hřbetní část (Obrázek 21). Jestliže v této části zjistíte jakékoli poškození, opotřebení anebo průraz (Obrázek 21), okamžitě poškozený nůž vyměňte.
Nebezpečí
Dojde-li u žacího nože k opotřebení, vytvoří se mezi hřbetem a plochou částí nože drážka. Nakonec může dojít k odlomení části žacího nože a vymrštění této části ze skříně, což může způsobit vážné zranění vám či jiným osobám.
-
Pravidelně kontrolujte, zda nedošlo k opotřebení či poškození nožů.
-
Žací nůž, který je ohnutý, zlomený nebo prasklý, nikdy nenarovnávejte.
-
Opotřebený nebo poškozený nůž okamžitě vyměňte.

-
Kontrola ohnutých žacích nožů
-
Vypněte pohon žacích nožů (PTO), uvolněte ovládací pedál pojezdu a zatáhněte parkovací brzdu.
-
Než opustíte provozní pozici, přesuňte páčku škrticí klapky do polohy POMALý CHOD, zastavte motor, vytáhněte klíček ze zapalování a počkejte, až se všechny pohybující se části zastaví.
-
Otáčejte žacími noži, dokud konce nesměřují dopředu a dozadu (Obrázek 22). Proveďte měření od rovného povrchu k žacímu ostří, poloze A žacích nožů (Obrázek 22). Rozměr si poznamenejte.

-
Otočte opačné konce žacích nožů dopředu.
-
Změřte vzdálenost od rovného povrchu k řezné hraně žacích nožů ve stejné poloze jako v kroku 3 výše. Rozdíl mezi rozměry změřenými v kroku 3 a 4 nesmí být větší než 3 mm. Pokud rozdíl překračuje 3 mm, je žací nůž ohnutý a je nutné jej vyměnit; viz Vyjmutí žacích nožů a Montáž žacích nožů.
Důležité upozornění
Poškozený nebo ohnutý žací nůž se může rozlomit a způsobit vážné zranění nebo smrt.
-
Ohnutý nebo poškozený žací nůž vždy vyměňte za nový.
-
Nikdy nevybrušujte ani nevytvářejte ostré výřezy v ostří nebo povrchu žacího nože.
-
Vyjmutí žacích nožů
Žací nože je nutné vyměnit, pokud dojde k nárazu do pevného předmětu, žací nůž není vyvážený nebo je ohnutý. K zajištění optimální výkonnosti a dodržení požadavků na bezpečnost stroje je nutné používat pouze originální náhradní žací nože Toro. Náhradní žací nože jiných výrobců mohou zapříčinit nedodržení požadavků bezpečnostních norem.
Důležité upozornění
Kontakt s ostrým žacím nožem může způsobit vážné zranění.
Používejte rukavice a ostré okraje žacího nože obalte hadrem.
-
Vypněte pohon žacích nožů (PTO), uvolněte ovládací pedál pojezdu a zatáhněte parkovací brzdu.
-
Než opustíte provozní pozici, přesuňte páčku škrticí klapky do polohy POMALý CHOD, zastavte motor, vytáhněte klíček ze zapalování a počkejte, až se všechny pohybující se části zastaví.
-
Uchopte konec žacího nože pomocí hadru nebo silně polstrované rukavice.
-
Z dříku vřetena demontujte šroub žacího nože, ochranný kryt a žací nůž, viz Obrázek 25 v části Montáž žacích nožů.
Ostření žacích nožů
Důležité upozornění
Při ostření žacího nože může dojít k odmrštění kusů materiálu, které mohou způsobit vážné zranění.
Při ostření žacích nožů používejte vhodnou ochranu očí.
-
Nabruste řeznou hranu (ostří) žacího nože na obou koncích (Obrázek 23). Zachovejte původní úhel. Vyvážení nože neporušíte, pokud uberete z obou ostří stejné množství materiálu.

-
Zkontrolujte vyvážení nože tak, že jej vložíte na vyvažovačku (Obrázek 24). Jestliže se žací nůž ustálí ve vodorovné poloze, je vyvážen a lze jej použít. Jestliže nůž není vyvážen, odpilujte trochu materiálu pouze ze hřbetní části žacího nože (Obrázek 25). Tento postup opakujte, dokud žací nůž zcela nevyvážíte.

Montáž žacích nožů
Úprava nerovnoměrného záběru žací jednotky
Pokud je sekání v záběru žací jednotky nerovnoměrné, proveďte následující seřízení:
-
Zaparkujte stroj na rovném povrchu.
-
Nastavte žací jednotku do požadované výšky sekání, přesuňte páčku škrticí klapky do polohy pro POMALý CHOD, vypněte motor, zatáhněte parkovací brzdu a vyjměte klíč.
-
Zkontrolujte a upravte tlak v předních a zadních pneumatikách hnací jednotky; viz provozní příručka k hnací jednotce.
-
Zkontrolujte ohnutí žacích nožů.
-
Sejměte kryty z horní části žacích jednotek.
-
Otáčejte žacím nožem na jednotlivých vřetenech, dokud konce nesměřují dopředu a dozadu.
-
Změřte vzdálenost mezi podlahou a předním hrotem ostří.
-
Seřiďte pojistné matice upevňující třmeny/řetězy žací jednotky k sekačce tak, aby žací jednotka byla ve vodorovné poloze (Obrázek 26).

Výměna deflektoru trávy
Důležité upozornění
Nezakrytým vyhazovacím otvorem může stroj odhazovat předměty směrem k vám nebo poblíž stojícím osobám, což může vést k vážnému zranění. Může také dojít ke kontaktu s žacím nožem.
-
Nikdy se strojem nepracujte bez nainstalované mulčovací sady nebo deflektoru trávy.
-
Zkontrolujte, zda je deflektor trávy sklopený.
-
Spusťte žací jednotku k zemi, přesuňte páčku škrticí klapky do polohy pro POMALý CHOD, vypněte motor, zatáhněte parkovací brzdu a vyjměte klíč.
-
Demontujte pojistnou matici, šroub, pružinu a rozpěrku upevňující deflektor k otočným držákům (Obrázek 27). Poškozený nebo opotřebený deflektor trávy demontujte.

-
Umístěte rozpěrku a pružinu mezi náhradní držáky deflektoru trávy (Obrázek 27). Zahákněte levý koncový hák pružiny za okraj žací jednotky.
Note: Před montáží šroubu zahákněte levý koncový hák pružiny za okraj žací jednotky, viz Obrázek 27.
-
Našroubujte šroub a matici. Zahákněte pravý koncový hák pružiny za deflektor trávy (Obrázek 27).
Important: Deflektor trávy musí být sklopitelný do dolní polohy. Zvedněte deflektor nahoru a zkontrolujte, zda jej lze sklopit do krajní dolní polohy.
Čištění spodní části žací jednotky
| Servisní interval | Postup při údržbě |
|---|---|
| Při každém použití nebo denně |
|
Každý den odstraňujte trávu nahromaděnou pod žací jednotkou.
-
Vypněte pohon žacích nožů (PTO), uvolněním přesuňte ovládací pedál pojezdu do neutrální polohy a zatáhněte parkovací brzdu.
-
Než opustíte pozici obsluhy, přesuňte páčku škrticí klapky do polohy pro POMALý CHOD, vypněte motor, vyjměte klíč a počkejte, dokud se nezastaví všechny pohybující se části.
-
Zvedněte žací jednotku do PřEPRAVNí polohy.
-
Pomocí zvedáku zvedněte přední část stroje a podepřete ji montážními stolicemi.
-
Důkladně vyčistěte spodní stranu žací jednotky proudem vody.


, který znamená
Upozornění, Výstrahu nebo Nebezpečí
– pokyny k zajištění osobní
bezpečnosti. Nedodržení těchto pokynů
může mít za následek zranění
osob nebo jejich usmrcení.
























