Mantenimiento
Note: Los lados derecho e izquierdo de la máquina se determinan desde la posición normal del operador.
Advertencia
Si eleva la máquina usando solamente un gato para apoyarla mientras trabaja debajo de la unidad de corte, el gato podría volcar, haciendo que caiga la carcasa de corte y aplastándole a usted o a otras personas.
Asegure la máquina siempre con al menos 2 soportes fijos cuando la carcasa de corte está elevada.
Cuidado
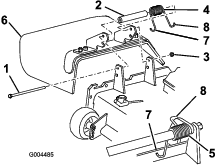
En la parte superior de la unidad de corte hay dos brazos que conectan la carcasa al bastidor. Estos brazos están conectados a muelles de torsión tensados (Figura 17). Si desconecta el brazo, la energía almacenada en el muelle de torsión será liberada y podría desplazar los brazos de acoplamiento, causándole lesiones en las manos o los dedos.
Tenga cuidado al retirar la unidad de corte del bastidor y asegure los brazos de acoplamiento antes de desconectarlos del bastidor.

Calendario recomendado de mantenimiento
| Intervalo de mantenimiento y servicio | Procedimiento de mantenimiento |
|---|---|
| Después de las primeras 50 horas |
|
| Cada vez que se utilice o diariamente |
|
| Cada 50 horas |
|
Lista de comprobación – mantenimiento diario
Duplique esta página para su uso rutinario.
| Elemento a comprobar | Para la semana de: | ||||||
|---|---|---|---|---|---|---|---|
| Lun. | Mar. | Miér. | Jue. | Vie. | Sáb. | Dom. | |
| Compruebe el funcionamiento de los interruptores de seguridad | |||||||
| Compruebe el deflector de hierba en posición bajada (en su caso) | |||||||
| Compruebe el funcionamiento del freno de estacionamiento | |||||||
| Compruebe el nivel de combustible | |||||||
| Compruebe la presión de los neumáticos | |||||||
| Compruebe el funcionamiento de los instrumentos | |||||||
| Compruebe la condición de las cuchillas | |||||||
| Lubricar todos los puntos de engrase1 | |||||||
| Retoque cualquier pintura dañada | |||||||
|
1. Inmediatamente después de cada lavado, aunque no corresponda a uno de los intervalos citados. |
|||||||
| Anotación para áreas problemáticas: | ||
| Inspección realizada por: | ||
| Elemento | Fecha | Información |
Cuidado
Si deja la llave en el interruptor de encendido, alguien podría arrancar el motor accidentalmente y causar lesiones graves a usted o a otras personas.
Retire la llave de contacto antes de realizar cualquier operación de mantenimiento.
Lubricación
Engrasado de cojinetes y casquillos
| Intervalo de mantenimiento y servicio | Procedimiento de mantenimiento |
|---|---|
| Cada 50 horas |
|
La máquina tiene engrasadores que deben ser lubricados regularmente con grasa de litio Nº 2. Los cojinetes y los casquillos deben lubricarse a diario en condiciones de polvo y suciedad extremos. En condiciones de polvo y suciedad, podría entrar suciedad en los cojinetes y casquillos, provocando un desgaste acelerado. Lubrique los puntos de engrase inmediatamente después de cada lavado, aunque no corresponda a los intervalos citados.
-
Limpie los puntos de engrase para evitar que penetre materia extraña en el cojinete o casquillo.
-
Bombee grasa en los puntos de engrase.
-
Limpie cualquier exceso de grasa.


Note: La vida de los cojinetes puede verse afectada negativamente por procedimientos de lavado inadecuados. No lave la unidad mientras está aún caliente y evite dirigir chorros de agua a alta presión o en grandes volúmenes a los cojinetes o las juntas.
Cómo cambiar las correas de transmisión de las cuchillas
| Intervalo de mantenimiento y servicio | Procedimiento de mantenimiento |
|---|---|
| Después de las primeras 50 horas |
|
Las correas de transmisión de las cuchillas, tensadas por la polea tensada con muelle, son muy resistentes. No obstante, después de muchas horas de uso, las correas mostrarán señales de desgaste. Entre las señales de desgaste de la correa se encuentran las siguientes: chirridos cuando la correa está en movimiento, las cuchillas resbalan durante la siega, baja calidad de corte, bordes deshilachados, quemaduras y grietas. Cambie las correas si existe cualquiera de estas condiciones.
-
Baje la unidad de corte a la altura de corte de 25 mm, mueva la palanca del acelerador a la posición de SLOW (LENTO), apague el motor, accione el freno de estacionamiento y retire la llave.
-
Retire las cubiertas de las correas de la parte superior de la unidad de corte y apártelas.
-
Usando una llave de carraca u otra herramienta similar, aleje la polea tensora de la correa superior (Figura 20) de la correa de transmisión superior para aliviar la tensión de la correa y permitir retirar la correa de las poleas.

-
Pase una correa nueva alrededor de la polea de la caja de engranajes, las poleas de eje inferiores y el conjunto de la polea tensora, según se muestra en Figura 20.
-
Pase una correa nueva alrededor de las poleas de eje superiores y el conjunto de la polea tensora, según se muestra en Figura 20.
-
Engrase todos los puntos de engrase del cortacésped y de la transmisión de la unidad de corte.
-
Instale las cubiertas de las correas.
Mantenimiento de las cuchillas de corte
Mantenga las cuchillas afiladas durante toda la temporada de corte, ya que una cuchilla afilada corta limpiamente y sin rasgar o deshilachar las hojas de hierba. Si se rasgan o se deshilachan, los bordes de las hojas se secarán, lo cual retardará su crecimiento y favorecerá la aparición de enfermedades.
Compruebe cada día que las cuchillas de corte están afiladas y que no están desgastadas o dañadas. Afile las cuchillas siempre que sea necesario. Si una cuchilla está desgastada o deteriorada, sustitúyala inmediatamente por una cuchilla nueva genuina Toro.
Seguridad de las cuchillas
Una cuchilla desgastada o dañada puede romperse, y un trozo de la cuchilla podría ser arrojado hacia usted u otra persona, provocando lesiones personales graves o la muerte.
-
Inspeccione periódicamente las cuchillas, para asegurarse de que no están desgastadas ni dañadas.
-
Tenga cuidado al comprobar las cuchillas. Envuelva las cuchillas o lleve guantes, y extreme las precauciones al manejar las cuchillas. Las cuchillas únicamente pueden ser cambiadas o afiladas; no las enderece ni las suelde nunca.
-
En máquinas con múltiples cuchillas, tenga cuidado puesto que girar una cuchilla puede hacer que giren otras cuchillas.
Inspección de las cuchillas
| Intervalo de mantenimiento y servicio | Procedimiento de mantenimiento |
|---|---|
| Cada vez que se utilice o diariamente |
|
-
Desengrane la TDF, suelte el pedal de tracción y ponga el freno de estacionamiento.
-
Mueva la palanca del acelerador a la posición de LENTO, pare el motor, retire la llave y espere a que se detengan todas las piezas en movimiento antes de abandonar el puesto del operador.
-
Inspeccione los filos de corte (Figura 21). Si los bordes no están afilados o tienen muescas, retire las cuchillas y afílelas. Consulte Afilado de las cuchillas (Afilado de las cuchillas).
-
Inspeccione las cuchillas, especialmente la parte de la vela (Figura 21). Si observa daños, desgaste o la formación de una ranura en esta zona (Figura 21), instale inmediatamente una cuchilla nueva.
Peligro
Si permite que se desgaste la cuchilla, se formará una ranura entre la vela y la parte plana de la cuchilla. Con el tiempo, una parte de la cuchilla puede desprenderse y ser arrojada desde debajo de la carcasa, posiblemente causando lesiones graves a usted o a otra persona.
-
Inspeccione periódicamente las cuchillas, para asegurarse de que no están desgastadas ni dañadas.
-
No intente enderezar una cuchilla doblada, y no suelde nunca una cuchilla rota o agrietada.
-
Sustituya cualquier cuchilla desgastada o dañada.

-
Verificación de la rectilinealidad de las cuchillas
-
Desengrane la TDF, suelte el pedal de tracción y ponga el freno de estacionamiento.
-
Mueva la palanca del acelerador a la posición de LENTO, pare el motor, retire la llave y espere a que se detengan todas las piezas en movimiento antes de abandonar el puesto del operador.
-
Gire las cuchillas hasta que los extremos estén orientados hacia adelante y hacia atrás (Figura 22). Mida desde una superficie nivelada hasta el filo de corte, posición A, de las cuchillas (Figura 22). Anote esta dimensión.

-
Gire hacia adelante los otros extremos de las cuchillas.
-
Mida desde una superficie nivelada hasta el filo de corte de las cuchillas en la misma posición que en el paso 3 anterior. La diferencia entre las dimensiones obtenidas en los pasos 3 y 4 no debe superar los 3 mm. Si esta dimensión es superior a 3 mm, la cuchilla está doblada y debe ser cambiada; consulte Cómo retirar las cuchillas y Cómo instalar las cuchillas.
Advertencia
Una cuchilla doblada o dañada podría romperse y podría causar graves lesiones o la muerte a usted o a otras personas.
-
Siempre sustituya una cuchilla doblada o dañada por una cuchilla nueva.
-
Nunca lime ni cree muescas afiladas en los bordes o en la superficie de la cuchilla.
-
Cómo retirar las cuchillas
Las cuchillas deben cambiarse si han golpeado un objeto sólido, si están desequilibradas o si están dobladas. Para asegurar un rendimiento óptimo y el continuado cumplimiento de las normas de seguridad de la máquina, utilice cuchillas de repuesto genuinas Toro. Las cuchillas de repuesto de otros fabricantes pueden hacer que se incumplan las normas de seguridad.
Advertencia
El contacto con una cuchilla afilada puede causar graves lesiones.
Lleve guantes, o envuelva los bordes cortantes de la cuchilla con un trapo.
-
Desengrane la TDF, suelte el pedal de tracción y ponga el freno de estacionamiento.
-
Mueva la palanca del acelerador a la posición de LENTO, pare el motor, retire la llave y espere a que se detengan todas las piezas en movimiento antes de abandonar el puesto del operador.
-
Sujete el extremo de la cuchilla usando un trapo o un guante grueso.
-
Retire del eje de la cuchilla el perno de la cuchilla, el protector de césped y la cuchilla; consulte la Figura 25en Cómo instalar las cuchillas.
Afilado de las cuchillas
Advertencia
Mientras se afilan las cuchillas, es posible que salgan despedidos trozos de las mismas, causando lesiones graves.
Lleve protección ocular adecuada mientras afila las cuchillas.
-
Afile el filo de corte en ambos extremos de la cuchilla (Figura 23). Mantenga el ángulo original. La cuchilla permanece equilibrada si se retira la misma cantidad de material de ambos bordes de corte.

-
Verifique el equilibrio de la cuchilla colocándola sobre un equilibrador de cuchillas (Figura 24). Si la cuchilla se mantiene horizontal, está equilibrada y puede utilizarse. Si la cuchilla no está equilibrada, rebaje algo el metal en la parte de la vela solamente (Figura 25). Repita este procedimiento hasta que la cuchilla esté equilibrada.

Cómo instalar las cuchillas
-
Instale la cuchilla en el eje (Figura 25).
Important: La parte curva de la cuchilla debe apuntar arriba hacia el interior de la unidad de corte para asegurar un corte correcto.
-
Instale la placa protectora de césped y el perno de la cuchilla (Figura 25).

-
Apriete el perno de la cuchilla a 115–149 N·m.
Corrección de desajustes entre unidades de corte
Si el corte no es uniforme en toda la anchura de la unidad de corte, corríjalo de la siguiente manera:
-
Coloque la máquina en una superficie nivelada.
-
Ajuste la unidad de corte a la altura de corte deseada, mueva la palanca del acelerador a la posición de LENTO, apague el motor, ponga el freno de estacionamiento y retire la llave.
-
Compruebe y ajuste la presión de los neumáticos delanteros y traseros de la unidad de tracción; consulte el Manual del operador de la unidad de tracción.
-
Compruebe la rectitud de las cuchillas.
-
Retire las cubiertas de la parte superior de las unidades de corte.
-
Gire la cuchilla de cada eje hasta que los extremos estén orientados hacia adelante y hacia atrás.
-
Mida desde el suelo hasta la punta delantera del filo de corte.
-
Ajuste las contratuercas que fijan las horquillas/cadenas de la unidad de corte al cortacésped hasta que la unidad de corte quede nivelada (Figura 26).

Cambio del deflector de hierba
Advertencia
Si el hueco de descarga se deja destapado, la máquina podría arrojar objetos hacia usted o hacia otras personas y causar lesiones graves. También podrían producirse contactos con la cuchilla.
-
No utilice la máquina nunca sin tener instalado un kit de mulching o el deflector de hierba.
-
Asegúrese de que el deflector de hierba está bajado.
-
Baje la unidad de corte al suelo, mueva la palanca del acelerador a la posición de SLOW (LENTO), apague el motor, accione el freno de estacionamiento y retire la llave.
-
Retire la contratuerca, el perno, el muelle y el espaciador que sujetan el deflector a los soportes de pivote (Figura 27). Retire el deflector de hierba dañado o desgastado.

-
Coloque el espaciador y el muelle entre los soportes del deflector de hierba nuevo (Figura 27). Coloque el extremo del gancho en J izquierdo del muelle detrás del borde de la unidad de corte.
Note: Asegúrese de que el extremo del gancho izquierdo del muelle se instala detrás del borde de la unidad de corte antes de instalar el perno, según se muestra en la Figura 27.
-
Instale el perno y la tuerca Coloque el extremo del gancho derecho del muelle alrededor del deflector de hierba (Figura 27).
Important: El deflector de hierba debe poder bajar a su posición. Levante el deflector para verificar que puede bajar del todo.
Limpieza debajo de la unidad de corte
| Intervalo de mantenimiento y servicio | Procedimiento de mantenimiento |
|---|---|
| Cada vez que se utilice o diariamente |
|
Retire a diario cualquier acumulación de hierba debajo de la unidad de corte.
-
Desengrane la toma de fuerza, suelte el pedal de tracción a la posición de punto muerto y accione el freno de estacionamiento.
-
Mueva la palanca del acelerador a la posición de LENTO, apague el motor, retire la llave y espere a que se detengan todas las piezas en movimiento antes de abandonar el puesto del operador.
-
Eleve la unidad de corte a la posición de TRANSPORTE.
-
Utilice un gato para levantar la parte delantera de la máquina y apóyela con soportes fijos.
-
Limpie a fondo los bajos de la unidad de corte con agua.


, que significa: Cuidado, Advertencia o Peligro
– instrucción relativa a la seguridad personal. El incumplimiento
de estas instrucciones puede dar lugar a lesiones personales o la
muerte.























