维护
更换齿轮箱润滑油
| 维护间隔 |
| 在首次使用 100 个小时后 |
| 每 500 个小时/年一次(以早到者为准) |
-
清洁疏草刀壳体的外表面。
Important: 确保疏草刀壳体的外表面没有任何污物或草屑;如果草屑进入疏草刀内部,则可能损坏齿轮箱。
-
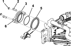
取出壳体底部的排油塞(图 28)。
-
取出壳体一侧的加油塞,并松开顶部的排气塞,以使空气通过(图 28)。
-
将合适的容器在排油口下方对齐,以接住排出的油。
-
将滚刀组向后倾斜到支撑架上,直至排油口转向底面,确保完全排净(图 26)。

-
前后摇动滚刀组,确保完全排净。油完全排净后,将滚刀组放到水平面上。
-
安装排油塞。
-
使用随附的注油器(零件号 137-0872)向驱动箱注入 80-90W 机油。12.7cm 滚刀注入 50ml,17.8cm 滚刀注入 90ml。

-
安装加油塞,紧固排气塞。
-
上紧所有栓塞扭矩至 3.62~4.75N·m。

拆下疏草刀驱动箱
Note: 保留所有拆下的零件以备随后的安装之用,除非另有说明。
Important: 如果您在拆卸疏草刀驱动箱时遇到任何问题,请参阅主机维修手册或联系 BOSS 授权经销商。
-
从疏草刀上取下盖子。
-
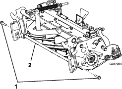
卸下将疏草刀连接到驱动箱的夹紧螺栓(图 16)。
-
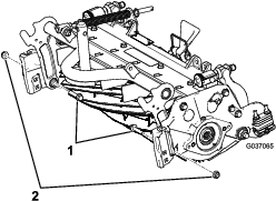
卸下将疏草刀驱动箱连接到调整臂的轴肩螺栓和硬化垫圈(图 29)。

-
固定滚刀以便拆卸;请参阅固定滚刀以卸下螺纹插入件。
-
如图 29所示,将加固螺丝(零件号 1-803022——单独出售)安装到疏草刀驱动六角头的内螺纹,并上紧扭矩至 13.5N⋅m。
-
转动疏草刀驱动六角头,将疏草刀驱动箱从剪草滚刀上卸下(图 29)。
Important: 如果疏草刀驱动箱安装在滚刀组的右侧,则逆时针(右旋螺纹)转动疏草刀驱动六角头,从滚刀组上卸下驱动箱轴。
Important: 如果疏草刀驱动箱安装在滚刀组的左侧,则顺时针(左旋螺纹)转动疏草刀驱动六角头,从滚刀组上卸下驱动箱轴。
Important: 您必须使用重壁 6 角套筒。
清洁疏草滚刀
| 维护间隔时间 | 维护程序 |
|---|---|
| 每次使用之后 |
使用之后用对疏草滚刀进行喷水冲洗。切勿直接用水流冲洗疏草刀轴承密封件。切勿将疏草滚刀放入水中,以免组件生锈。
检查刀片
| 维护间隔时间 | 维护程序 |
|---|---|
| 在每次使用之前或每日 |
经常检查疏草滚刀刀片是否磨损或损坏。使用钳子调直弯曲的刀片,并更换磨损的刀片。检查刀片时,请检查左右刀片轴端的螺母是否拧紧。

固定滚刀
警告
滚刀组刀片十分锋利,可切断手脚。
-
确保您的手脚远离滚刀。
-
进行维修之前应首先固定滚刀。
固定滚刀以卸下螺纹插入件
-
松开滚刀组左侧的屏蔽螺栓,抬起后护罩(图 31)。
-
将一根长柄撬棍(建议尺寸为 0.95cm x 30.48cm,带螺丝刀柄)插入滚刀组背面,最靠近需要扭转的滚刀组一侧(图 31)。
-
将撬棍靠着滚刀支撑板的焊接侧(图 31)。
Note: 将撬棍插入滚刀轴的顶部与 2 个滚刀刀片的背面之间,从而使滚刀固定不动。
Important: 切勿将撬棍接触任何刀片的刀刃;这可能会损坏刀刃和/或导致一个高刀片。
Important: 滚刀组左侧的插入件具有左旋螺纹。滚刀组右侧的插入件则具有右旋螺纹。

-
将撬棍的手柄放在后滚筒上。
-
在确保撬棍保留在原位的同时完成螺纹嵌入件的移除,然后取出撬棍。
-
放低后护罩并拧紧屏蔽螺栓。

























