Wartung
Wechseln des Getriebeschmiermittels
| Kundendienstintervall |
| Nach den ersten 100 Stunden |
| Alle 500 Betriebsstunden oder jährlich (je nach dem, was zuerst eintritt) |
-
Reinigen Sie die äußeren Oberflächen des Groomergehäuses.
Important: Stellen Sie sicher, dass die Außenseite des Groomergehäuses keinen Schmutz und kein Schnittgut aufweist; wenn Rückstände in die Innenseite des Groomers eindringen, kann das Getriebe beschädigt werden.
-
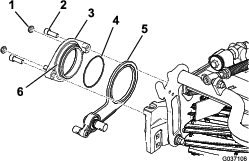
Entfernen Sie die Ablassschraube unten am Gehäuse (Bild 28).
-
Entfernen Sie die Füllschraube an der Seite des Gehäuses und lösen Sie die Entlüftungsschraube oben, damit Luft eindringen kann (Bild 28).
-
Stellen Sie einen geeigneten Behälter unter den Ölablassanschluss, um das abgelaufene Öl aufzufangen.
-
Kippen Sie die Schneideinheit nach hinten auf den Ständer, bis der Ablassanschluss unten ist, um ein komplettes Ablassen sicherzustellen (Bild 26).

-
Kippen Sie die Schneideinheit nach vorne und hinten, um ein komplettes Ablassen sicherzustellen. Stellen Sie die Schneideinheit auf eine ebene Fläche, wenn das Öl abgelassen ist.
-
Setzen Sie die Ablassschraube wieder ein.
-
Verwenden Sie die beiliegende eine Spritze (Bestellnr. 137-0872), um Öl (80-90W) in den Antrieb zu füllen. Füllen Sie 50 cc ein bei 12,7-cm Spindeln oder 90 cc bei 17,78-cm-Spindeln.

-
Setzen Sie die Füllschraube ein und ziehen Sie die Entlüftungsschraube an.
-
Ziehen Sie alle Schrauben auf 3,62-4,75 N∙m an.

Entfernen des Groomergetriebes
Note: Bewahren Sie alle entfernten Teile für den späteren Einbau auf, sofern nicht anders angegeben.
Important: Wenn Sie Probleme beim Entfernen des Groomergetriebes haben, lesen Sie bitte das Wartungshandbuch Ihrer Zugmaschine oder wenden Sie sich an Ihren autorisierten BOSS-Vertragshändler.
-
Nehmen Sie die Kappe vom Groomer ab.
-
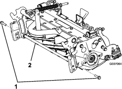
Entfernen Sie die Klemmschrauben, mit denen der Groomer am Getriebe befestigt ist (Bild 16).
-
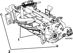
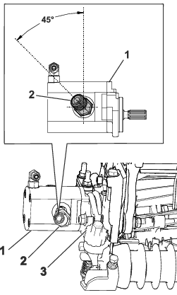
Entfernen Sie die Ansatzschraube und die gehärtete Scheibe, die den Groomerantrieb mit den Einstellarm verbindet (Bild 29).

-
Ziehen Sie die Spindel zum Entnehmen zurück; siehe Spindel zum Ausbau der Gewindeeinsätze zurückhalten.
-
Montieren Sie die Bewehrungsschraube (Teilenummer 1-803022 – separat erhältlich) an den Innengewinden des Sechskantkopfes des Groomerantriebs und ziehen Sie diese auf ein Drehmoment von 13,5 N∙m an, wie in Bild 29 dargestellt.
-
Entfernen Sie das Groomergetriebe von der Schneidspindel, indem Sie den Sechskantkopf des Groomerantriebs drehen (Bild 29).
Important: Wenn der Groomerantrieb auf der rechten Seite eines Mähwerks angebracht ist, drehen Sie den Sechskantkopf des Groomerantriebs gegen den Uhrzeigersinn (Rechtsgewinde), um die Antriebswelle aus dem Mähwerk zu entfernen.
Important: Wenn der Groomerantrieb auf der linken Seite eines Mähwerks angebracht ist, drehen Sie den Sechskantkopf des Groomerantriebs im Uhrzeigersinn (Linksgewinde), um die Antriebswelle aus dem Mähwerk zu entfernen
Important: Verwenden Sie einen Sechskant-Steckschlüssel mit stabiler Wandung.
Reinigen der Groomerspindel
| Wartungsintervall | Wartungsmaßnahmen |
|---|---|
| Nach jeder Verwendung |
Reinigen Sie die Groomerspindel nach der Verwendung mit Wasser (abspritzen). Richten Sie den Wasserstrahl nicht direkt auf die Lagerdichtungen am Groomer. Lassen Sie die Groomerspindel nicht in Wasser stehen, da die Teile sonst rosten.
Prüfen der Messer
| Wartungsintervall | Wartungsmaßnahmen |
|---|---|
| Bei jeder Verwendung oder täglich |
Prüfen Sie die Grooming-Messerspindeln oft auf Beschädigung oder Abnutzung. Begradigen Sie verbogene Messer mit einer Zange und tauschen Sie abgenutzte Messer aus. Achten Sie beim Prüfen der Messer darauf, dass die Muttern am rechten und linken Messerwellenende fest gezogen sind.

Zurückhalten der Spindel
Warnung:
Die Messer der Spindeln sind scharf und können Hände und Füße amputieren.
-
Berühren Sie die Spindeln nicht mit den Händen oder Füßen.
-
Vergewissern Sie sich vor der Wartung, dass die Spindel zurückgehalten ist.
Spindel zum Ausbau der Gewindeeinsätze zurückhalten
-
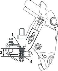
Lösen Sie die Schraube des Schutzblechs auf der linken Seite des Mähwerks und heben Sie das Heckschutzblech an (Bild 31).
-
Stecken Sie ein langes Hebeleisen (empfohlen 10 mm x 300 mm mit Schraubendrehergriff) durch die Rückseite der Spindel, nahe an der Seite der Schneideinheit, die Sie anziehen werden (Bild 31).
-
Setzen Sie das Hebeleisen gegen die Schweißseite der Spindelhalterung (Bild 31).
Note: Setzen Sie das Hebeleisen zwischen der Oberseite der Spindelwelle und den Rückseiten der beiden Spindelmessern ein, damit sich die Spindel nicht bewegt.
Important: Berühren Sie nicht die Schneidkanten der Messer mit dem Hebeleisen, da dies die Schneidkante beschädigen und/oder eine Anhebung der Schnittkante verursachen kann.
Important: Der Keileinsatz an der linken Seite des Mähwerks hat ein Linksgewinde. Der Keileinsatz an der rechten Seite des Mähwerks hat ein Rechtsgewinde.

-
Legen Sie den Griff des Hebeleisens gegen die hintere Spindel.
-
Schließen Sie den Ausbau des Gewindeeinsatzes ab, wobei darauf zu achten ist, dass das Hebeleisen an seiner Position bleibt, und entfernen Sie dann das Hebeleisen.
-
Senken Sie das Heckschutzblech ab und ziehen Sie die Schrauben des Schutzblechs an.
Spindel zum Einbau der Gewindeeinsätze zurückhalten
-
Stecken Sie ein langes Hebeleisen (empfohlen 10 mm x 300 mm mit Schraubendrehergriff) durch die Vorderseite der Spindel, nahe an der Seite des Mähwerks, die Sie anziehen werden (Bild 32).
-
Setzen Sie das Hebeleisen gegen die Schweißseite der innenliegenden Verstärkung der Schneidspindel (Bild 32).
Note: Das Hebeleisen sollte ein Messer an der Vorderseite, die Spindelwelle und ein Messer an der Hinterseite der Rückseite der Spindel berühren und einrasten.
Important: Berühren Sie nicht die Schneidkanten der Messer mit dem Hebeleisen, da dies die Schneidkante beschädigen und/oder eine Anhebung der Schnittkante verursachen kann.
Important: Der Keileinsatz an der linken Seite des Mähwerks hat ein Linksgewinde. Der Keileinsatz an der rechten Seite des Mähwerks hat ein Rechtsgewinde.

-
Legen Sie den Griff des Hebeleisens gegen die Spindel
-
Gemäß den Montageanweisungen und Drehmomentanforderungen des Einsatzes den Einbau des Gewindeeinsatzes abschließen und dabei darauf achten, dass das Hebeleisen an seinem Platz bleibt, anschließend das Hebeleisen entfernen.
























