Onderhoud
Smeerolie van tandwielkast verversen
| Onderhoudsinterval |
| Na de eerste 100 bedrijfsuren |
| Elke 500 bedrijfsuren of jaarlijks (hou de kortste periode aan) |
-
Maak de buitenoppervlakken van de groomer schoon.
Important: Zorg dat er geen vuil of maaisel op de buitenkant van de groomerbehuizing zit; als er vuil in de groomer komt, kan dit de tandwielkast beschadigen.
-
Verwijder de aftapplug onderaan de behuizing (Figuur 28).
-
Verwijder de vulplug aan de zijkant van de behuizing en zet de ontluchtingsplug bovenaan open zodat er lucht kan ontsnappen (Figuur 28).
-
Zet een geschikte opvangbak onder de olieaftapplug om de afgevoerde olie op te vangen.
-
Kantel de maai-eenheid naar achteren op de kick-standaard zodat de aftapopening onderaan is en de olie volledig afgetapt wordt (Figuur 26).

-
Schommel de maai-eenheid naar voren en naar achteren zodat de olie volledig afgetapt wordt. Als de olie volledig afgetapt is plaats de maai-eenheid dan op een vlakke ondergrond.
-
Plaats de aftapplug terug.
-
Gebruik de meegeleverde spuit (onderdeelnr. 137-0872) om de aandrijfkast te vullen met 80-90W olie. Vul met 50 cc voor messenkooien van 12,7 cm of 90 cc voor messenkooien van 17,8 cm.

-
Plaats de vulplug en zet de ontluchtingsplug vast.
-
Draai alle pluggen vast met een torsie van 3,62 tot 4,75 N·m.

De aandrijfkast van de groomer verwijderen
Note: Bewaar alle verwijderde onderdelen voor latere montage tenzij anders vermeld.
Important: Als u problemen ondervindt bij het verwijderen van de aandrijfkast van de groomer, moet u de Onderhoudshandleiding van uw tractie-eenheid raadplegen of contact opnemen met uw erkende BOSS verdeler.
-
Verwijder de dop van de groomer.
-
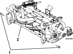
Verwijder de klembouten waarmee de groomer verbonden is met de aandrijfkast (Figuur 16).
-
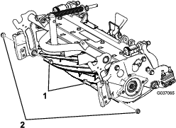
Verwijder de borstbout en de harde ring waarmee de aandrijfkast van de groomer verbonden is met de stelarm (Figuur 29).

-
Houd de messenkooi tegen om deze te verwijderen; zie De messenkooi tegenhouden om inzetstukken met schroefdraad te verwijderen.
-
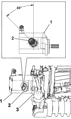
Monteer de versterkingsschroef (onderdeelnr. 1-803022 – afzonderlijk verkrijgbaar) op de binnenschroefdraad van de zeskantbout van de groomeraandrijving en draai vast met een torsie van 13,5 N·m zoals getoond in Figuur 29.
-
Verwijder de aandrijfkast van de groomer van de messenkooi door de zeskantbout van de groomeraandrijving te draaien (Figuur 29).
Important: Als de aandrijfkast van de groomer aan de rechterkant van een maai-eenheid is gemonteerd, moet u de zeskantbout van de groomeraandrijving linksom draaien (rechtse schroefdraad) om de as van de aandrijfkast te verwijderen van de maai-eenheid.
Important: Als de aandrijfkast van de groomer aan de linkerkant van een maai-eenheid is gemonteerd, moet u de zeskantbout van de groomeraandrijving rechtsom draaien (linkse schroefdraad) om de as van de aandrijfkast te verwijderen van de maai-eenheid.
Important: Gebruik hierbij een zware zeskant-dop.
De messenkooi van de groomer schoonmaken
| Onderhoudsinterval | Onderhoudsprocedure |
|---|---|
| Na elk gebruik |
Reinig de messenkooi van de groomer na gebruik door deze met water af te spoelen. Richt de waterstraal niet rechtstreeks op de lagerafdichtingen van de groomer. Laat de messenkooi van de groomer niet in water staan om te voorkomen dat de onderdelen gaan roesten.
De maaimessen controleren
| Onderhoudsinterval | Onderhoudsprocedure |
|---|---|
| Bij elk gebruik of dagelijks |
Controleer de messen van de groomermessenkooi regelmatig op beschadigingen en slijtage. Recht gebogen messen met een buigtang en vervang versleten messen. Als u de maaimessen controleert, moet u ook controleren of de moeren op het rechter en linker uiteinde van de messen goed vastzitten.

De messenkooi tegenhouden
Waarschuwing
De messen van de messenkooi zijn scherp en kunnen handen of voeten afsnijden.
-
Houd uw handen en voeten uit de messenkooi.
-
Zorg ervoor dat de messenkooi wordt tegengehouden voordat u er servicewerkzaamheden aan verricht.
De messenkooi tegenhouden om inzetstukken met schroefdraad te verwijderen
-
Maak de bout van het scherm aan de linkerzijde van de maai-eenheid los en breng het achterscherm omhoog (Figuur 31).
-
Steek een rolkoevoet met lange steel (⅜" x 12" met schroevendraaierhandgreep wordt aanbevolen) door de achterkant van de messenkooi, het dichtst bij de zijde van de maai-eenheid die u gaat vastdraaien (Figuur 31).
-
Plaats de rolkoevoet tegen de gelaste zijde van de steunplaat van de messenkooi (Figuur 31).
Note: Steek het breekijzer tussen de bovenkant van de as van de messenkooi en de achterkant van 2 messenkooimessen zodat de messenkooi niet kan bewegen.
Important: Raak de snijrand van de messen niet aan met het breekijzer; dit kan de snijrand beschadigen en/of ervoor zorgen dat het mes te hoog komt te zitten.
Important: Het inzetstuk aan de linkerkant van de maai-eenheid heeft een linkse schroefdraad. Het inzetstuk aan de rechterkant van de maai-eenheid heeft een rechtse schroefdraad.

-
Laat de handgreep van de rolkoevoet rusten tegen de achterol.
-
Voltooi de verwijdering van het inzetstuk met schroefdraad terwijl u ervoor zorgt dat de rolkoevoet op zijn plaats blijft zitten. Verwijder daarna de rolkoevoet.
-
Laat het achterscherm naar beneden en maak de bout van het scherm vast.
De messenkooi tegenhouden om inzetstukken met schroefdraad te monteren
-
Steek een rolkoevoet met lange steel (⅜" x 12" met schroevendraaierhandgreep wordt aanbevolen) door de voorkant van de messenkooi, het dichtst bij de zijde van de maai-eenheid die u gaat vastdraaien (Figuur 32).
-
Plaats de rolkoevoet tegen de gelaste zijde van de interne versterking van de messenkooi (Figuur 32).
Note: De rolkoevoet moet contact maken met een mes aan de voorkant, de as van de messenkooi en een mes aan de achterzijde van de messenkooi, waardoor deze op zijn plaats gehouden wordt.
Important: Raak de snijrand van de messen niet aan met de rolkoevoet; dit kan de snijrand beschadigen en/of ervoor zorgen dat het mes te hoog komt te zitten.
Important: Het inzetstuk aan de linkerkant van de maai-eenheid heeft een linkse schroefdraad. Het inzetstuk aan de rechterkant van de maai-eenheid heeft een rechtse schroefdraad.

-
Laat de handgreep van het breekijzer rusten tegen de rol
-
Voltooi de montage van het inzetstuk met schroefdraad volgens de montage-instructies van het inzetstuk en de vereiste torsie. Zorg er hierbij voor dat het breekijzer op zijn plaats blijft zitten. Verwijder daarna de rolkoevoet.
























