Vedligeholdelse
Skift af gearkasseolie
| Eftersynsinterval |
| Efter de første 100 timer |
| Efter hver 500 timer/årligt (alt efter, hvad der indtræffer først) |
-
Rens de ydre overflader på trimmerhuset.
Important: Sørg for, at der ikke er snavs eller afklippet græs på ydersiden af trimmerhuset. Hvis der trænger snavs ind i trimmeren, kan det skade gearkassen.
-
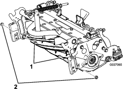
Fjern aftapningsproppen i bunden af huset (Figur 28).
-
Fjern påfyldningsproppen på siden af huset og løsn luftventilproppen på toppen, så luften kan passere gennem (Figur 28).
-
Placér en egnet beholder under olietankporten for at opsamle olien.
-
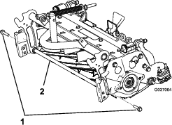
Vend klippeenheden om på støttebenet, indtil drænåbningen er i bunden, for at sikre fuldstændig aftømning (Figur 26).

-
Ryk klippeenheden frem og tilbage for at sikre fuldstændig aftømning. Når olien er helt aftappet, skal klippeenheden placeres på en plan overflade.
-
Monter aftapningsproppen.
-
Brug den medfølgende sprøjte (delnr. 137-0872) til at fylde drevboksen med 80-90W-olie. Fyld op med 50 ml for en knivcylinder på 12,7 cm eller 90 ml for en knivcylinder på 17,8 cm.

-
Monter påfyldningsproppen, og stram luftventilproppen.
-
Tilspænd alle propper med et moment på 3,62 til 4,75 Nm.

Afmontering af trimmerdrevboksen
Note: Gem alle afmonterede dele til senere montering, medmindre andet er anført.
Important: Se din traktionsenheds servicevejledning, eller kontakt din autoriserede BOSS-forhandler, hvis du har problemer med at afmontere trimmerdrevboksen.
-
Fjern hætten fra trimmeren.
-
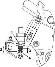
Fjern låseboltene, der forbinder trimmeren til drevboksen (Figur 16).
-
Fjern ansatsbolten og den hærdede spændeskive, der forbinder trimmerdrevboksen med justeringsarmen (Figur 29).

-
Indspænd knivcylinderen til afmontering. Se Indspænding af knivcylinderen med henblik på afmontering af gevindindsatser.
-
Monter forstærkningsskruen (delnr. 1-803022 – sælges separat) i det indvendige gevind på trimmerdrevets sekskantbolt, og tilspænd den med et moment på 13,5 Nm som vist i Figur 29.
-
Fjern trimmerdrevboksen fra knivcylinderen ved at dreje trimmerdrevets sekskantbolt (Figur 29).
Important: Hvis trimmerdrevboksen er monteret på højre side af klippeenheden, skal du dreje trimmerdrevets sekskantbolt mod uret (højregevind) for at fjerne trimmerdrevboksens aksel fra klippeenheden.
Important: Hvis trimmerdrevboksen er monteret på venstre side af klippeenheden, skal du dreje trimmerdrevets sekskantbolt med uret (venstregevind) for at fjerne trimmerdrevboksens aksel fra klippeenheden.
Important: Du skal bruge et 6-punktsstik med en tung væg.
Rengøring af trimmerknivcylinder
| Vedligeholdelsesintervaller | Vedligeholdelsesprocedure |
|---|---|
| Efter hver anvendelse |
Rengør trimmerknivcylinderen efter brug ved at sprøjte den med vand. Ret ikke vandstrålen direkte mod trimmerens lejetætninger. Lad ikke trimmerknivcylinderen stå i vand, så komponenterne ruster.
Besigtigelse af skæreknivene
| Vedligeholdelsesintervaller | Vedligeholdelsesprocedure |
|---|---|
| Hver anvendelse eller dagligt |
Inspicer trimmerens knivcylinderknive for beskadigelse og slid med jævne mellemrum. Ret bøjede skæreknive ud med en knibtang, og udskift slidte skæreknive. Ved besigtigelse af skæreknivene skal du kontrollere, at endemøtrikkerne på højre og venstre knivaksel er tilspændte.

Indspænding af knivcylinderen
Advarsel
Knivcylinderens skæreknive er skarpe og i stand til at afskære hænder og fødder.
-
Hold hænder og fødder uden for cylinderen.
-
Sørg for, at knivcylinderen er indspændt, inden der udføres service på den.
Indspænding af knivcylinderen med henblik på afmontering af gevindindsatser
-
Løsn bolten på afskærmningen på venstre side af klippeenheden, og hæv den bagerste afskærmning (Figur 31).
-
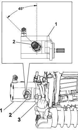
Sæt en langskaftet løftestang (anbefalet ⅜" x 12" med skruetrækkerhåndtag) gennem knivcylinderens bagende tættest på den side af klippeenheden, som du skal tilspænde (Figur 31).
-
Anbring løftestangen mod knivcylinderstøttepladens svejseside (Figur 31).
Note: Sæt løftestangen ind mellem knivcylinderakslens top og bagsiderne af knivcylinderens 2 skæreknive, så knivcylinderen ikke kan flytte sig.
Important: Lad ikke løftestangen komme i berøring med skæret på nogen af skæreknivene, da dette kan beskadige skæret og/eller medføre en høj skærekniv.
Important: Indsatsen i venstre side af klippeenheden har venstregevind. Indsatsen i højre side af klippeenheden har højregevind.

-
Lad løftestangens greb hvile mod den bageste rulle.
-
Færdiggør afmonteringen af gevindindsatsen, og sørg samtidig for, at løftestangen forbliver på plads, og fjern derpå løftestangen.
-
Sænk den bageste afskærmning, og stram bolten på afskærmningen.
Indspænding af knivcylinderen med henblik på montering af gevindindsatser
-
Sæt en langskaftet løftestang (anbefalet ⅜" x 12" med skruetrækkerhåndtag) gennem knivcylinderens forende tættest på den side af klippeenheden, som du skal tilspænde (Figur 32).
-
Anbring løftestangen mod den indvendige knivcylinderforstærknings svejseside (Figur 32).
Note: Løftestangen bør være i kontakt med en skærekniv på forenden, knivcylinderakslen og en skærekniv på bagsiden af cylinderen for derved at låse den på plads.
Important: Lad ikke løftestangen komme i berøring med skæret på nogen af skæreknivene, da dette kan beskadige skæret og/eller medføre en høj skærekniv.
Important: Indsatsen i venstre side af klippeenheden har venstregevind. Indsatsen i højre side af klippeenheden har højregevind.

-
Lad løftestangens greb hvile mod rullen
-
I henhold til indsatsens monteringsvejledning og tilspændingskrav færdiggøres monteringen af gevindindsatsen, mens der sørges for, at løftestangen forbliver på plads, hvorpå løftestangen fjernes.
























