この製品は、関連する全ての欧州指令に適合しています。詳細についてはこの冊子の末尾にあるDOI(適合宣誓書)をご覧ください。
Note: サンドプロ Models 08703 および 08705 では、このキットを取り付ける前に以下のパーツを入手してください:
| 内容 | パーツ番号 | 数量 |
| ディップスティック | 110-8162 | 1 |
| バルブプレート | 108-8460-01 | 1 |
| タップねじ(5/16 x ¾") | 32144-11 | 2 |
| Toro PX 長寿命油圧オイル(5 ガロン) | 133-8086 | 6.7 リットル |
高圧で噴出する作動油は皮膚を貫通し、身体に重大な損傷を引き起こす。
油圧を掛ける前に、油圧ラインやホースに傷や変形がないか接続部が確実に締まっているかを確認する。
油圧のピンホールリークやノズルからは作動油が高圧で噴出しているので、絶対に手などを近づけない。
リークの点検には新聞紙やボール紙を使う。
油圧関係の整備を行う時は、内部の圧力を確実に解放する。
万一、油圧オイルが体内に入ったら、直ちに専門医の治療を受ける。
整備について、また純正部品についてなど、分からないことはお気軽に弊社代理店またはカスタマーサービスにおたずねください。お問い合わせの際には、必ず製品のモデル番号とシリアル番号をお知らせください。図 1 にモデル番号とシリアル番号を刻印した銘板の取り付け位置を示します。いまのうちに番号をメモしておきましょう。

Note: 前後左右は運転位置からみた方向です。
![]() |
以下のラベルや指示は危険な個所の見やすい部分に貼付してあります。破損したりはがれたりした場合は新しいラベルを貼付してください。 |

平らな場所に駐車する。
アタッチメントを下げる。
駐車ブレーキを掛ける。
エンジンを止め、キーを抜き取る。
機体全体をていねいに洗浄する。取り付けブラケットが確実に嵌り、油圧システム内部にごみや異物が混入しないよう、汚れをすべて落とす。
タンク内部のオイルを抜き取る。手順についてはオペレーターズマニュアルを参照のこと。
機体後部を持ち上げ、サポートブロックを当てて後部を浮かした状態で支える。オペレーターズマニュアルの機体の持ち上げを参照のこと。
機械式や油圧式のジャッキが外れると重大な人身事故が発生する。
マシンをジャッキアップしたら、必ずジャッキスタンドで支えること。
左後ろのタイヤを取り外す。
左ホイール用のシュラウドをフレームに固定しているフランジヘッドねじ(4本)を外す(図 4)。シュラウドを外して保管する。

左前スクリーンをフレームに固定しているフランジヘッドねじ(2本)を外す。スクリーンを外して保管する。

リアヒッチのシールドをフレームに固定しているボルト(3本)を外す。

センターシュラウドをフレームに固定しているネジ(2本)を外す(図 7)。シュラウドを外して保管する。

タンクに入っていく油圧ラインを外す。
機体フレームから油圧オイルタンクの上部ブラケットを外し、フレーム側部についているブラケット(2つ)をゆるめる(図 8)。タンクを外し、金具類と共に保管する。

この作業に必要なパーツ
| 小さい 90 度 T 字フィッティング(バーブ付き) | 1 |
| 大きい 90 度エルボ(両端ともねじ) | 1 |
| ストレーナ | 1 |
Note: 全部のOリングをきちんと潤滑し、対応するフィッティングの正しい位置にセットしてから取り付けてください。
Note: 全部のフィッティングと油圧ラインをまず仮付けし、問題がないことを確認してから本締めしてください。各フィッティングを図に示されているように取り付ける。
タンク側部から油圧タンク用プラグ(2個)を取り外す。
大きい方のプラグを外したところのタンク内側にストレーナを取り付ける。
ストレーナに大きい 90 度エルボを取り付ける。
小さい方のプラグを取り外したところに、小さい 90 度 T 字フィッティング(バーブ付き)を取り付ける(図 9)。

この作業に必要なパーツ
| リテーナブラケット | 1 |
| マフラクランプ | 2 |
| ホースリテーナブラケット | 1 |
| カップラブラケット | 1 |
Note: 全部の油圧ラインを仮配線し、問題がないことを確認してから本締めしてください。
この作業に必要なパーツ
| バルブ | 1 |
| ボルト(¼ x 3") | 2 |
| ナット(¼") | 2 |
| 90度エルボ(小) | 1 |
| T字フィッティング | 1 |
| リレー | 1 |
Note: 全部のOリングをきちんと潤滑し、対応するフィッティングの正しい位置にセットしてから取り付けてください。
Note: 全部のフィッティングと油圧ラインをまず仮付けし、問題がないことを確認してから本締めしてください。各フィッティングを図に示されているように取り付ける。
この作業に必要なパーツ
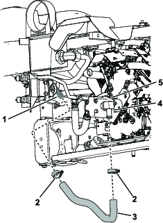
| 油圧ライン(1番) | 1 |
| 油圧ライン(2番) | 1 |
| 油圧ライン(ホース)(5番) | 1 |
油圧ラインの正しい配置については 図 13 を参照する。

Note: 全部の油圧ラインを仮配線し、問題がないことを確認してから本締めしてください。
この作業に必要なパーツ
| 油圧ポンプ | 1 |
| 45度フィッティング(オス側の端部) | 1 |
| ハブアセンブリ | 1 |
| 角キー(¼ x 1") | 1 |
| 固定ねじ(5/16 x ¾") | 4 |
| ポンプブラケット | 1 |
| ボルト(ねじゆるみ止め接着剤が塗布されたもの)、(5/16 x ¾") | 2 |
| ワッシャ(⅜") | 2 |
| 大きい 90 度エルボ(ホースのバーブ側端部) | 1 |
大きい90度の角エルボを油圧ポンプの側部に取り付ける。
45度の角エルボを油圧ポンプの側部に取り付ける(図 17)。

エンジンの PTO についているカバーを外す。
エンジンにポンプブラケットを取り付ける;ボルト2本(5/16 x ¾")とワッシャ2枚(⅜インチを使用する)。ポンプブラケットの正しい取り付け位置については 図 18 を参照のこと。

エンジンの PTO のシャフトと油圧モータのシャフトに焼付防止剤を塗る。
エンジンのPTOシャフトのスロットに角キー(¼ x 1")を取り付ける(図 19)。
ハブ・アセンブリを角キーに合わせ、エンジンの PTO シャフトに取り付ける(図 19)。
Note: ハブ・アセンブリをシャフトの一番奥までしっかり入れてください。
2本の固定ねじ (5/16 x ¾")にねじゆるみ止め接着剤(取り外し可能タイプ)を塗って、ハブアセンブリを PTO シャフトに固定する(図 19)。

油圧ポンプのシャフトをハブ・アセンブリに取り付ける時にポンププレート用スタッドをポンプブラケットに取り付ける。
Note: 油圧ポンプのシャフトがエンジンの PTO シャフトに接触する(図 20)。

ハブアセンブリがシャフトの一番奥に完全に入っている必要がある。
Note: ポンププレートとハブアセンブリとの間に隙間があることを確認する。隙間が全然ない場合は、ハブアセンブリが正しく取り付けられていないので取り付けを修正する(図 21)。

2本の固定ねじ (5/16 x ¾")にねじゆるみ止め接着剤(取り外し可能タイプ)を塗り、ハブアセンブリを油圧ポンプのシャフトに固定する(図 20)。
この作業に必要なパーツ
| 油圧ライン(3番) | 1 |
| 油圧ライン(4番) | 1 |
Note: 全部の油圧ラインを仮配線し、問題がないことを確認してから本締めしてください。
油圧ラインの正しい配置については 図 22 を参照する。

この作業に必要なパーツ
| 大きい油圧ホース | 1 |
| 油圧ホース(フィッティング付き) | 1 |
| 大きいホースクランプ | 2 |
| 小さいホース・クランプ | 2 |
| 細いモールドタイプの油圧ホース | 1 |
| R クランプ | 1 |
| ボルト(5/16 x ⅞") | 1 |
| フランジナット (5/16") | 1 |
Note: どのホースも摩れたり当たったりしていないことを確認してください。
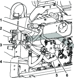
大きいホースクランプ(2 個)を太い油圧ホースに取り付ける。
この太い油圧ホースを、油圧オイルポンプの側部に取り付けた90度エルボに取り付ける(図 26)。
ホースとエルボにつけたホースクランプを締め付ける(図 26)。
太い油圧ホースを油圧ライン(3番)に取り付ける(図 26)。
ホースと油圧ライン(3番)のにつけたホースクランプを締め付ける(図 26)。

図 27と図 30に示すように、太い油圧ホースに R クランプを取り付ける。

リテーナブラケットにRクランプを取り付ける;ボルト1本(5/16 x ⅞")とナット(5/16")を使用する; 図 27を参照。
図 28に示すように、フィッティング付きの油圧ホースを油圧ライン(2番)のフィッティングに取り付ける。

フィッティング付きの油圧ホースを、油圧ポンプに取り付けた 45 度エルボに取り付ける(図 29 と 図 30)。
Note: 油圧シリンダの下側になる。

油圧ホースと油圧ラインと油圧ポンプとの位置関係については 図 30 を参照のこと。

モールドホースの長い方の端部を、油圧オイルタンクの 90 度 T 字フィッティングに取り付ける(図 31)。
モールドホースの短い方の脚を、油圧ライン(4番)のバーブ端部に取り付ける(図 31)。
モールドホースの両端につけてあるホースクランプを締め付ける。
油圧ライン(ホース)(5番)を、小さい 90 度 T 字フィッティングに仮止めする(図 31)。

Note: 取り付けたホースやラインが、鋭利な部分、高温部、可動部などに一切接触していないことを確認してください。
全部の油圧ラインとホースの取り付けができたら、各接続部の締め付けを行う。
Note: タンクのフィッティングの締め付けはレンチでバックアップする。
カップラブラケットを、左側タイヤにできるだけ近い位置に固定する。
この作業に必要なパーツ
| ハーネス | 1 |
| スイッチ | 1 |
| ヒューズ | 1 |
機体からコントロールパネルを外す。
パネルについているプラグを打ち抜いて、パネルにスイッチを取り付ける(図 34)。
ハーネスを、スイッチから運転席の蝶番部に沿って、先ほどバルブに取り付けたリレーまで配線する(図 32)。

コントロールパネルに取り付けたスイッチにハーネスを接続する(図 34)。
コントロールパネルの下のメインハーネス部からジャンパワイヤを外す(図 33)。

メインハーネスコネクタをメインハーネスに接続する(図 34)。
コントロールパネルを機体に取り付ける。

ヒューズボックスの右側スロットにヒュースを取り付ける(図 32)。
バルブの隣に取り付けたリレーにコネクタを接続する(図 35)。

新しいバルブに小さいコネクタを接続する(図 35)。

ケーブルタイを使って、ワイヤハーネスをバルブに縛り付ける。
この作業に必要なパーツ
| 油圧作動液 | 6.6 L(モデル 08703 と 08705) |
モデル 08743 と 08745 の油圧オイル量は 26.5 L です。これ以上のオイルは必要ありません。
モデル 08703 と 08705 では、オイル 6.6 L を追加してください。
使用に適したオイルの種類についてはオペレーターズマニュアルを参照のこと。
モデル 08703 と 08705 では、油圧オイルタンクについているディップスティックを外して廃棄する。
正しいディップスティック(P/N 110-8162)については、Toro ディストリビュータにお問い合わせください。
Note: モデル 08743 と 08745 の正しいディップスティックは、マシンに付属しているディップスティックです。
補給管から、必要量の約80%のオイルをゆっくり入れる。
ディップスティックを入れ、油圧オイルの量を点検する(図 37)。
Fullマークまで残りのオイルをゆっくり入れる。

エンジンを始動し、5 分間程度運転する。
ボール紙を使ってオイルもれがないかどうか点検する。
高圧で噴出する作動油は皮膚を貫通し、身体に重大な損傷を引き起こす。
万一、油圧オイルが体内に入った場合には、この種の労働災害に経験のある施設で数時間以内に外科手術を受ける必要がある。処置が遅れると傷口が壊疽を起こす危険がある。
油圧ノズルやのピンホール・リークからは作動油が高圧で噴出しているので、絶対に手などを近づけない。
リークの点検には新聞紙やボール紙を使う。
油圧関係の整備を行う時は、内部の圧力を確実に解放する。
油圧を掛ける前に、油圧ラインやホースに傷や変形がないか接続部が確実に締まっているかを確認する。
フレームに左前スクリーンを取り付ける。
フレームに前シュラウドを取り付ける;フランジヘッドねじ4本を使用する。
左ホイール用のシュラウドをフレームに固定するフランジヘッドねじ(4本)を取り付ける(図 38)。
左後ろのタイヤを取り付ける(図 38)。

機体を床面に降ろす。
リアヒッチシールドを取り付ける。
エアクリーナ・アセンブリを取り付ける。