Ce produit est conforme à toutes les directives européennes pertinentes. Pour plus de renseignements, reportez-vous à la Déclaration d'incorporation (DOI) à la fin de ce document.
Note: Pour les Sand Pro modèles 08703 et 08705, commandez les pièces suivantes avant d'installer ce kit :
| Description | Référence | Quantité |
| Jauge de niveau | 110-8162 | 1 |
| Plaque de distributeur | 108-8460-01 | 1 |
| Vis autotaraudeuse (5/16" x ¾") | 32144-11 | 2 |
| Liquide hydraulique longue durée Toro PX (19 litres) | 133-8086 | 6,7 litres |
Les fuites de liquide hydraulique sous pression peuvent transpercer la peau et causer des blessures graves.
Vérifiez l'état des flexibles et conduites hydrauliques, ainsi que le serrage de tous les raccords et branchements avant de mettre le système hydraulique sous pression.
N'approchez pas les mains ni aucune autre partie du corps des fuites en trou d'épingle ou des gicleurs d'où sort du liquide hydraulique sous haute pression.
Utilisez un morceau de papier ou de carton pour détecter les fuites.
Évacuez avec précaution toute la pression du système hydraulique avant toute intervention sur le système.
Consultez immédiatement un médecin en cas d'injection de liquide sous la peau.
Pour obtenir des prestations de service, des pièces d'origine Toro ou des renseignements complémentaires, munissez-vous des numéros de modèle et de série du produit et contactez un concessionnaire-réparateur agréé ou le service client Toro. La Figure 1 indique l'emplacement des numéros de modèle et de série sur le produit. Inscrivez les numéros dans l'espace réservé à cet effet.

Note: Les côtés gauche et droit de la machine sont déterminés d'après la position d'utilisation normale.
![]() |
Des autocollants de sécurité et des instructions bien visibles par l'utilisateur sont placés près de tous les endroits potentiellement dangereux. Remplacez tout autocollant endommagé ou manquant. |

Garez la machine sur une surface plane et horizontale.
Abaissez les accessoires.
Serrez le frein de stationnement.
Coupez le moteur et enlevez la clé.
Nettoyez soigneusement la machine. Éliminez tous les débris pour permettre le montage correct des supports de fixation et pour éviter que des impuretés ou des débris ne pénètrent dans le système hydraulique.
Nettoyez soigneusement la zone autour du filtre à air.
Desserrez le collier du radiateur sur le flexible et repoussez-le au bas du flexible.
Enlevez le boulon intérieur qui fixe le filtre à air en place.
Déposez le couvercle du filtre à air et le filtre (Figure 2).

Enlevez le flexible de la cartouche du filtre à air.
Ouvrez le collier du filtre à air et tirez-le au bout de la cartouche, là où vous venez d'enlever le filtre (Figure 3).

Couvrez le flexible ou insérez un chiffon à l'intérieur pour éviter de faire tomber des saletés ou des débris à l'intérieur pendant le montage du kit.
Enlevez le boulon opposé qui fixe le collier de filtre à air au cadre de la machine.
Vidangez le réservoir hydraulique. Reportez-vous au Manuel de l'utilisateur de la machine.
Soulevez l'arrière de la machine sur des blocs. Voir Levage de la machine dans le Manuel de l'utilisateur.
Les crics mécaniques ou hydrauliques peuvent céder sous le poids de la machine et causer des blessures graves.
Utilisez des chandelles pour soutenir la machine.
Déposez la roue arrière gauche.
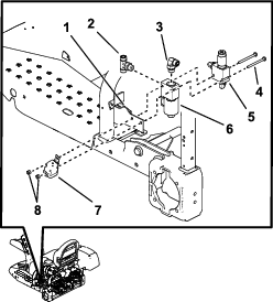
Retirez les 4 boulons à embase qui fixent la protection de la roue gauche au cadre (Figure 4). Déposez la protection centrale et mettez-la de côté.

Retirez les 2 boulons à embase qui fixent l'écran avant gauche au cadre. Enlevez l'écran et mettez-le de côté.

Enlevez les 3 boulons qui fixent le déflecteur d'attelage arrière au cadre.

Retirez les 2 vis qui fixent la protection centrale au cadre (Figure 7). Déposez la protection centrale et mettez-la de côté.

Débranchez les conduites hydrauliques qui arrivent au réservoir.
Déposez le support supérieur du réservoir hydraulique sur le cadre de la machine et desserrez les 2 supports sur le côté du cadre (Figure 8). Déposez le réservoir et mettez les fixations de côté.

Pièces nécessaires pour cette opération:
| Petit raccord en T à 90° avec cannelure | 1 |
| Grand raccord coudé à 90° (fileté aux deux bouts) | 1 |
| Crépine | 1 |
Note: Lubrifiez tous les joints toriques et positionnez-les correctement sur les raccords avant le montage.
Note: Montez tous les raccords et conduites hydrauliques sans les serrer pour commencer. Serrez-les lorsque tous les éléments sont en place. Montez les raccords aux angles indiqués sur les figures.
Enlevez les 2 bouchons du réservoir hydraulique sur le côté du réservoir.
Placez la crépine dans le réservoir hydraulique à la place du grand bouchon.
Montez le grand raccord coudé à 90° dans la crépine.
Montez le petit raccord en T à 90° avec cannelure à la place du petit bouchon (Figure 9).

Pièces nécessaires pour cette opération:
| Support de retenue | 1 |
| Collier de silencieux | 2 |
| Patte de retenue de flexible | 1 |
| Support de raccord | 1 |
Note: Montez toutes les conduites hydrauliques sans les serrer au départ. Serrez-les lorsque tous les éléments sont en place.
Placez le collier autour du tube rond du cadre arrière.
Montez la patte de retenue de flexible et le support de raccord sur les colliers du silencieux.
Note: Ne serrez pas les écrous à ce stade. Le support de raccord doit être desserré pour installer les conduites hydrauliques (Figure 10).

Reportez-vous à la Figure 11 pour positionner temporairement le support de raccord sur le tube rond du cadre.
Note: Placez le support de raccord au début de la courbe du tube.

Pièces nécessaires pour cette opération:
| Vanne | 1 |
| Boulon (¼" x 3") | 2 |
| Écrou (¼") | 2 |
| Petit raccord coudé à 90° | 1 |
| Raccord en T | 1 |
| Relais | 1 |
Note: Lubrifiez tous les joints toriques et positionnez-les correctement sur les raccords avant le montage.
Note: Montez tous les raccords et conduites hydrauliques sans les serrer pour commencer. Serrez-les lorsque tous les éléments sont en place. Montez les raccords aux angles indiqués sur les figures.
Montez les raccords aux angles indiqués sur les figures. Montez le raccord en T sur le côté de la nouvelle vanne ; voir Figure 12.
Montez un petit raccord coudé à 90° en haut de la nouvelle vanne (Figure 12).
Retirez la vanne existante de son support (Figure 12).
Montez le relais sur le support de la vanne en même temps que vous montez la vanne sur son support.
Montez la vanne sur son support avec 2 boulons (¼" x 3") et 2 écrous (¼") ; voir Figure 12.

Pièces nécessaires pour cette opération:
| Conduite hydraulique nº 1 | 1 |
| Conduite hydraulique nº 2 | 1 |
| Conduite hydraulique (flexible) nº 5 | 1 |
Reportez-vous à la Figure 13 pour identifier les conduites hydrauliques correctes.

Note: Montez toutes les conduites hydrauliques sans les serrer au départ. Serrez-les lorsque tous les éléments sont en place.
Placez la conduite hydraulique nº 1 dans la machine comme montré à la Figure 14.
Placez la conduite hydraulique nº 1 sur le raccord en T monté sur le côté de la vanne (Figure 14).
Placez la conduite hydraulique nº 1 sur le raccord mâle supérieur (Figure 14).

Placez la conduite hydraulique nº 2 dans la machine comme montré à la Figure 15.
Placez la conduite hydraulique nº 2 sur le raccord coudé à 90° et en haut de la nouvelle vanne (Figure 15).
Placez la conduite hydraulique n° 2 sur le raccord femelle supérieur (Figure 15).

Montez la conduite hydraulique (flexible) nº 5 sur le raccord mâle inférieur (Figure 16) sans la serrer.
Note: L'autre extrémité de ce flexible sera mise en place à l'opération 10.

Pièces nécessaires pour cette opération:
| Pompe hydraulique | 1 |
| Raccord à 45° (extrémités mâles) | 1 |
| Moyeu | 1 |
| Clavette carrée (¼" x 1") | 1 |
| Vis de maintien (5/16" x ¾") | 4 |
| Support de pompe | 1 |
| Boulon (avec frein-filet) (5/16" x ¾") | 2 |
| Rondelle (⅜") | 2 |
| Grand raccord coudé à 90° (avec embout cannelé pour flexible) | 1 |
Montez le grand raccord coudé à 90° sur le côté de la pompe hydraulique.
Montez le raccord coudé à 45° sur le côté de la pompe hydraulique (Figure 17).

Enlevez le couvercle existant qui protège la PDF (prise de force) du moteur.
Fixez le support de la pompe au moteur au moyen de 2 boulons (5/16" x ¾") et 2 rondelles (⅜"). Reportez-vous à la Figure 18 pour savoir comment installer correctement le support de pompe.

Appliquez du composé antigrippant sur l'arbre de PDF (prise de force) du moteur et sur l'arbre du moteur hydraulique.
Placez la clavette carrée (¼" x 1") dans la fente de l'arbre de PDF du moteur (Figure 19).
Alignez le moyeu sur la clavette carrée et posez-le sur l'arbre de PDF (prise de force) du moteur (Figure 19).
Note: Le moyeu doit arriver complètement en butée sur l'arbre.
Appliquez du frein-filet enlevable sur les 2 vis de maintien (5/16" x ¾") et vissez-les dans le moyeu pour le fixer à l'arbre de PDF (Figure 19).

Insérez le goujon de la plaque de pompe dans le support de pompe quand vous montez l'arbre de pompe hydraulique dans le moyeu.
Note: L'arbre de pompe hydraulique va toucher l'extrémité de l'arbre de PDF du moteur (Figure 20).

Le moyeu doit être totalement engagé sur l'arbre.
Note: Vérifiez qu'il existe un espace entre la plaque de pompe et le moyeu. Si ce n'est pas le cas, le moyeu est mal monté et doit être repositionné correctement (Figure 21).

Appliquez du frein-filet sur les 2 vis de maintien (5/16" x ¾") et insérez-les dans le moyeu pour le fixer à l'arbre de la pompe hydraulique (Figure 20).
Pièces nécessaires pour cette opération:
| Conduite hydraulique nº 3 | 1 |
| Conduite hydraulique nº 4 | 1 |
Note: Montez toutes les conduites hydrauliques sans les serrer au départ. Serrez-les lorsque tous les éléments sont en place.
Reportez-vous à la Figure 22 pour identifier les conduites hydrauliques correctes.

Rebranchez les flexibles existants au réservoir hydraulique.
Fixez le réservoir hydraulique au cadre au moyen des 3 supports déposés et desserrés précédemment (Figure 23).

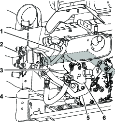
Placez la conduite hydraulique nº 4 sur le raccord en T monté sur le côté de la vanne (Figure 24).

Placez la conduite hydraulique nº 3 dans la machine comme montré à la Figure 25.
Raccordez la conduite hydraulique nº 3 au grand raccord coudé à 90° qui est monté sur la crépine et le réservoir hydraulique (Figure 25).

Pièces nécessaires pour cette opération:
| Grand flexible hydraulique | 1 |
| Flexible hydraulique avec raccords | 1 |
| Grand collier de flexible | 2 |
| Petit collier de flexible | 2 |
| Petit flexible hydraulique moulé | 1 |
| Collier en R | 1 |
| Boulon (5/16" x ⅞") | 1 |
| Écrou à embase (5/16") | 1 |
Note: Attention de ne rien faire frotter contre les flexibles.
Glissez les 2 grands colliers sur le grand flexible hydraulique.
Raccordez le grand flexible hydraulique au raccord coudé à 90° qui est monté sur le côté de la pompe hydraulique (Figure 26).
Serrez un collier sur le flexible autour du raccord coudé (Figure 26).
Raccordez le grand flexible hydraulique à la conduite hydraulique nº 3 (Figure 26).
Serrez le collier autour du flexible et de la conduite hydraulique nº 3 (Figure 26).

Placez un collier en R sur le grand flexible hydraulique, comme montré à la Figure 27 et la Figure 30.

Fixez le collier en R à la patte de retenue avec un boulon (5/16" x ⅞") et un écrou (5/16") ; voir Figure 27.
Montez le flexible hydraulique avec les raccords sur le raccord de la conduite hydraulique nº 2, comme montré à la Figure 28.

Branchez le flexible hydraulique muni de raccords au raccord coudé à 45° qui est fixé à la pompe hydraulique (Figure 29 et Figure 30).
Note: Il va se trouver en dessous du vérin hydraulique.

Reportez-vous à la Figure 30 pour positionner correctement les flexibles et les conduites hydrauliques sur la pompe hydraulique.

Glissez les 2 petits colliers sur le petit flexible hydraulique moulé (Figure 24 et Figure 31).
Raccordez le côté long du flexible moulé au raccord en T à 90° dans le réservoir hydraulique (Figure 31).
Raccordez le côté court du flexible moulé au bout cannelé de la conduite hydraulique nº 4 (Figure 31).
Serrez les deux petit colliers à chaque extrémité du flexible moulé.
Branchez la conduite hydraulique (flexible) nº 5 sur le petit raccord en T à 90 degrés (Figure 31) sans la serrer.

Note: Éloignez les flexibles et les conduites hydrauliques des pièces coupantes, chaudes ou mobiles et veillez à ce qu'ils ne frottent pas contre.
Lorsque les flexibles et les conduites hydrauliques sont en place, serrez les raccords.
Note: Utilisez une clé d'appui sur tous les raccords du réservoir.
Positionnez le support de raccord aussi près que possible de la roue gauche et serrez les colliers.
Pièces nécessaires pour cette opération:
| Faisceau de câblage | 1 |
| Interrupteur | 1 |
| Fusible | 1 |
Enlevez le panneau de commande de la machine.
Enlevez l'obturateur plastique du panneau et insérez l'interrupteur à sa place (Figure 34).
Acheminez le faisceau de câblage le long de la charnière du siège à partir de l'interrupteur et jusqu'au relais monté précédemment sur la vanne (Figure 32).

Connectez le faisceau à l'interrupteur dans le panneau de commande (Figure 34).
Enlevez le fil volant du faisceau de câblage principal sous le panneau de commande (Figure 33).

Montez le connecteur du faisceau principal sur le faisceau principal (Figure 34).
Remettez le panneau de commande sur la machine.

Insérez le fusible dans la fente droite du porte-fusibles (Figure 32).
Connectez le connecteur carré au relais situé près de la vanne (Figure 35).

Montez le petit connecteur sur la nouvelle vanne (Figure 35).

Attachez le faisceau de câblage à la vanne avec un attache-câble.
Pièces nécessaires pour cette opération:
| Liquide hydraulique | 6,6 litres pour les modèles 08703 et 08705 |
La capacité du système hydraulique des modèles 08743 et 08745 est de 26,5 litres ; aucun ajout d'autre liquide n'est nécessaire.
Pour les modèles 08703 et 08705, ajoutez 6,6 litres de liquide.
Consultez le Manuel de l'utilisateur pour savoir quel type de liquide à utiliser.
Pour les modèles 08703 et 08705, retirez l'ancienne jauge du réservoir hydraulique et mettez-la au rebut.
Procurez-vous la jauge correcte auprès de votre distributeur Toro agréé (réf. 110-8162).
Note: Les modèles 08743 et 08745 sont déjà équipés de la jauge correcte.
Versez avec précaution environ 80 % de la quantité de liquide spécifié dans le réservoir.
Insérez la nouvelle jauge et contrôlez le niveau de liquide hydraulique (Figure 37).
Faites l'appoint avec précaution pour atteindre le repère maximum.

Mettez le moteur en marche et laissez-le tourner pendant 5 minutes.
Recherchez d'éventuelles fuites du système avec un morceau de carton.
Les fuites de liquide hydraulique sous pression peuvent transpercer la peau et causer des blessures graves.
L'injection de liquide hydraulique sous la peau nécessite une intervention chirurgicale dans les heures qui suivent l'accident, réalisée par un médecin connaissant ce genre de blessure pour éviter le risque de gangrène.
N'approchez pas les mains ou autres parties du corps des fuites en trou d'épingle ou des gicleurs d'où sort du liquide hydraulique sous haute pression.
Utilisez un morceau de papier ou de carton pour détecter les fuites.
Évacuez avec précaution toute la pression du système hydraulique avant toute intervention sur le système.
Vérifiez l'état de tous les flexibles et toutes les conduites hydrauliques, ainsi que le serrage de tous les raccords et branchements avant de mettre le système sous pression.
Reposez l'écran avant gauche sur le cadre.
Reposez la protection avant sur le cadre avec 4 vis à embase.
Remettez les 4 vis à embase qui fixent la tôle de protection de roue gauche au cadre (Figure 38).
Reposez la roue arrière gauche (Figure 38).

Abaissez la machine sur le sol.
Montez le déflecteur d'attelage arrière.
Mettez le filtre à air complet en place.