Manutenzione
Programma di manutenzione raccomandato
| Cadenza di manutenzione | Procedura di manutenzione |
|---|---|
| Dopo le prime 2 ore |
|
| Dopo le prime 10 ore |
|
| Dopo le prime 50 ore |
|
| Prima di ogni utilizzo o quotidianamente |
|
| Dopo ogni utilizzo |
|
| Ogni 50 ore |
|
| Ogni 150 ore |
|
| Ogni 400 ore |
|
Lista di controllo della manutenzione quotidiana
Fotocopiate questa pagina e utilizzatela quando opportuno.
| Punto di verifica per la manutenzione | Per la settimana di: | ||||||
|---|---|---|---|---|---|---|---|
| Lun | Mar | Mer | Gio | Ven | Sab | Dom | |
| Controllate che il deflettore dell'erba sia abbassato (se pertinente) | |||||||
| Controllate la pressione dei pneumatici | |||||||
| Controllate la condizione delle lame | |||||||
| Lubrificate tutti i raccordi di ingrassaggio1 | |||||||
| Ritoccate la vernice danneggiata | |||||||
|
1. Subito dopo ogni lavaggio, a prescindere dall'intervallo indicato. |
|||||||
| Nota sulle aree problematiche | ||
| Ispezione eseguita da: | ||
| Art. | Data | Informazioni |
Attenzione
Se lasciate la chiave nell'interruttore di accensione, qualcuno potrebbe accidentalmente avviare il motore e ferire gravemente voi o altre persone.
Togliete la chiave dall'interruttore di accensione prima di eseguire qualsiasi intervento di manutenzione.
Avvertenza
Se sollevate la macchina con un cricchetto per sostenerla mentre lavorate sotto il piatto di taglio, il cricchetto potrebbe inclinarsi e far cadere il piatto di taglio, schiacciando voi o gli astanti.
Se dovete sollevate il piatto di taglio, sostenete sempre la macchina con un minimo di due cavalletti meccanici.
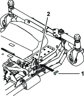
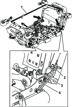
Lubrificazione
| Cadenza di manutenzione | Procedura di manutenzione |
|---|---|
| Prima di ogni utilizzo o quotidianamente |
|
| Ogni 50 ore |
|
La macchina è dotata di raccordi per ingrassaggio che devono essere lubrificati ad intervalli regolari con grasso n. 2 a base di litio.
Lubrificate le seguenti zone:
-
Boccole (4) dell'asse della forcella delle ruote orientabili (Figura 17)

-
Attacchi del piatto (5) (Figura 18)

-
Perni del braccio di rinvio (4) (Figura 19)

-
Cerniere del piatto laterale (10) (Figura 20)

-
Perno del braccio della ruota orientabile pieghevole (1) (Figura 21)

-
Albero di trasmissione PDF (2) (Figura 22)

-
Cuscinetti dell'asse del perno (5) (Figura 23)

Revisione del lubrificante per ingranaggi del piatto di taglio
Gli ingranaggi funzionano con lubrificante per ingranaggi SAE 80W-90. Sebbene gli ingranaggi vengano lubrificati in fabbrica, si consiglia di controllare il livello del lubrificante prima di utilizzare il piatto di taglio per la prima volta.
Controllo del lubrificante per ingranaggi del piatto di taglio
| Cadenza di manutenzione | Procedura di manutenzione |
|---|---|
| Ogni 150 ore |
|
-
Parcheggiate la macchina su terreno pianeggiante.
-
Abbassate il piatto di taglio all'altezza di taglio di 2,5 cm.
-
Disinnestate la PDF, rilasciate il pedale di trazione e inserite il freno di stazionamento.
-
Portate la leva dell'acceleratore in posizione SLOW, spegnete il motore, togliete la chiave di accensione e prima di scendere dalla postazione di guida attendete che le parti in movimento si siano fermate.
-
Alzate il poggiapiedi per esporre la parte superiore del piatto di taglio.
-
Togliete il tappo di riempimento/asta di livello da sopra gli ingranaggi (Figura 24) e verificate che il lubrificante si trovi tra i segni riportati sull'asta.

-
Se il lubrificante è insufficiente, rabboccate fino a raggiungere i segni di pieno sull'asta di livello.
Important: Non riempite troppo gli ingranaggi e azionate il piatto del tosaerba; altrimenti potreste danneggiare gli ingranaggi.
Cambio del lubrificante per ingranaggi del piatto di taglio
| Cadenza di manutenzione | Procedura di manutenzione |
|---|---|
| Dopo le prime 50 ore |
|
| Ogni 400 ore |
|
-
Parcheggiate la macchina e l'apparato di taglio su una superficie pianeggiante.
-
Abbassate il piatto di taglio all'altezza di taglio di 2,5 cm.
-
Disinnestate la PDF, rilasciate il pedale di trazione e inserite il freno di stazionamento.
-
Portate la leva dell'acceleratore in posizione di MINIMA, spegnete il motore, togliete la chiave di accensione e prima di scendere dalla postazione di guida attendete che le parti in movimento si siano fermate.
-
Sollevate il poggiapiedi per esporre la parte superiore del piatto di taglio.
-
Togliete l'asta di livello/tappo di riempimento da sopra gli ingranaggi (Figura 24).
-
Mettete una bacinella sotto il tappo di spurgo situato sotto la parte anteriore degli ingranaggi e togliete il tappo per scaricare il lubrificante nella bacinella.
-
Montate il tappo di spurgo.
-
Rabboccate con circa 414 ml di lubrificante, finché il livello non raggiunge i segni di pieno sull'asta.
Important: Non riempite troppo gli ingranaggi e azionate il piatto del tosaerba; altrimenti potreste danneggiare gli ingranaggi.
Manutenzione delle cinghie
| Cadenza di manutenzione | Procedura di manutenzione |
|---|---|
| Ogni 50 ore |
|
Le cinghie, tese dalla puleggia tendicinghia a molla, hanno una lunga durata. Tuttavia, dopo molte ore di funzionamento, presenteranno segni di usura. Questi sono: stridio durante la rotazione della cinghia, slittamento delle lame durante il taglio dell’erba, bordi sfilacciati, segni di bruciatura e spaccature. Sostituite la cinghia se si verifica una delle seguenti situazioni:
-
Abbassate al suolo l'apparato di taglio. Togliete i copricinghia dalla parte superiore dell’apparato di taglio e metteteli da parte.
-
Con una chiave a brugola nei fori del braccio di rinvio, allontanate la puleggia tendicinghia dalla cinghia di trasmissione per allentare la tensione della cinghia e staccarla dalla puleggia (Figura 25).

-
Togliete la vecchia cinghia dalle pulegge e dalla puleggia tendicinghia.
-
Montate la nuova cinghia attorno alle pulegge e alla puleggia tendicinghia, come illustrato nella Figura 26.
-
Montate i copricinghia.

Manutenzione delle boccole dei bracci delle ruote orientabili
I bracci orientabili sono dotati di boccole pressate nella parte superiore e inferiore del tubo e, dopo diverse ore di funzionamento, le boccole si usurano. Per controllare le boccole, spostate la forcella della ruota orientabile avanti e indietro e da un lato all'altro. Se il fusello delle ruote orientabili è lento all'interno delle boccole, le boccole sono usurate; sostituitele.
-
Alzate l'apparato di taglio, in modo che le ruote siano sollevate da terra. Bloccate l'apparato di taglio per impedire che cada accidentalmente.
-
Togliete il cappuccio di tensione, il distanziale (o distanziali) e la rondella di spinta dalla parte superiore del perno della ruota orientabile.
-
Estraete il perno della ruota orientabile dal tubo di fissaggio. Lasciate la rondella di spinta e il distanziale (o distanziali) sulla base del perno.
-
Inserite un punteruolo nella parte superiore o inferiore del tubo di fissaggio, e spingete la boccola fuori del tubo (Figura 27).

-
Estraete dal tubo l'altra boccola.
-
Pulite l'interno dei tubi per rimuovere lo sporco.
-
Lubrificate le nuove boccole all'interno ed all'esterno con del grasso.
-
Con un martello e una piastra piatta inserite le boccole nel tubo di fissaggio.
-
Controllate che il perno della ruota orientabile non sia usurato, e sostituitelo se è danneggiato.
-
Spingete il perno della ruota orientabile nelle boccole e nel tubo di fissaggio.
-
Fate scorrere la rondella di spinta e il distanziale (o distanziali) sul perno.
-
Mettete il cappuccio di tensione sul perno della ruota orientabile per fissare in sede tutte le parti.
Revisione delle rotelle orientabili e dei cuscinetti
| Cadenza di manutenzione | Procedura di manutenzione |
|---|---|
| Dopo le prime 2 ore |
|
| Dopo le prime 10 ore |
|
| Ogni 50 ore |
|
-
Togliete il dado di bloccaggio dal bullone che fissa la ruota orientabile alla forcella (Figura 28).

-
Afferrate la ruota orientabile ed estraete la vite a testa cilindrica dalla forcella o dal braccio di rotazione.
-
Togliete il cuscinetto dal mozzo della ruota e lasciate cadere il distanziale del cuscinetto (Figura 28).
-
Togliete il cuscinetto dalla parte opposta del mozzo della ruota.
-
Controllate che i cuscinetti, il distanziale e l'interno del mozzo non siano usurati. Sostituite le parti avariate.
-
Per montare la ruota orientabile, inserite il cuscinetto nel mozzo della ruota.
Note: Durante il montaggio dei cuscinetti, premete l’anello esterno del cuscinetto.
-
Fate scorrere il distanziale del cuscinetto nel mozzo della ruota. Spingete l'altro cuscinetto nell'estremità aperta del mozzo della ruota, in modo da imprigionare il distanziale all'interno del mozzo.
-
Montate il gruppo ruota orientabile tra le forcelle, e fissatelo in sede con il bullone e il dado di bloccaggio.
Revisione delle lame di taglio
Sicurezza delle lame
Le lame consumate o danneggiate possono spezzarsi e scagliare frammenti verso di voi o gli astanti, causando gravi ferite o anche la morte.
-
Controllate la lama ad intervalli regolari, per accertare che non sia consumata o danneggiata.
-
Prestate la massima attenzione quando controllate le lame. Durante gli interventi di manutenzione, avvolgete le lame o indossate guanti adatti allo scopo e fate attenzione. Sostituite o affilate solo le lame; non raddrizzatele né saldatele.
-
Su macchine multilama, ricordate che la rotazione di 1 lama può provocare la rotazione anche di altre lame.
Prima di controllare o revisionare le lame
-
Disinnestate la PDF, rilasciate il pedale di trazione e inserite il freno di stazionamento.
-
Portate la leva dell'acceleratore in posizione SLOW, spegnete il motore, togliete la chiave di accensione e prima di scendere dalla postazione di guida attendete che le parti in movimento si siano fermate.
Controllo delle lame curve
-
Disinnestate la PDF, rilasciate il pedale di trazione e inserite il freno di stazionamento.
-
Portate la leva dell'acceleratore in posizione di MINIMA, spegnete il motore, togliete la chiave di accensione e prima di scendere dalla postazione di guida attendete che le parti in movimento si siano fermate.
-
Girate le lame fino a disporle in parallelo con la lunghezza della macchina (Figura 29).

-
Misurate da un piano orizzontale fino al tagliente delle lame, posizione A, (Figura 29). Prendete nota di questa misura.
-
Girate in avanti le estremità opposte delle lame.
-
Misurate da un piano orizzontale fino al tagliente delle lame, nella medesima posizione riportata alla precedente voce 3. La differenza tra le misure rilevate alle voci e 4 non deve superare i 3 mm. Se la differenza supera 3 mm, la lama è curva e dev'essere sostituita; vedere Controllo delle lame curve e Rimozione e montaggio della lama (o delle lame).
Avvertenza
Una lama curva o danneggiata può spezzarsi e ferire gravemente o uccidere voi o gli astanti.
-
Sostituite sempre con una lama nuova le lame curve o danneggiate.
-
Non limate mai la lama, e non create intaccature aguzze sul tagliente o sulla superficie della lama.
-
Rimozione e montaggio della lama (o delle lame)
Sostituite la lama se colpisce un corpo solido, se è sbilanciata, consumata o incurvata. Utilizzate solo lame di ricambio originali Toro per garantire sicurezza e prestazioni ottimali. Non utilizzate mai lame di altre marche, in quanto possono essere pericolose.
-
Sollevate al massimo l'apparato di taglio, inserite il freno di stazionamento, spegnete il motore e togliete la chiave di accensione. Bloccate l'apparato di taglio per impedire che cada accidentalmente.
-
Afferrate l'estremità della lama con un cencio o un guanto bene imbottito. Togliete il bullone, la coppa antistrappo e la lama dall’asse del perno (Figura 30).

-
Montate la lama con la costa rivolta verso l'apparato di taglio servendovi della coppa antistrappo e del bullone della lama. Serrate il bullone della lama a un valore compreso tra 115 e 149 N∙m.
Important: Perché tagli correttamente, il lato curvo della lama deve essere rivolto verso l'interno dell'apparato di taglio.
Controllo e affilatura della lama (o delle lame)
| Cadenza di manutenzione | Procedura di manutenzione |
|---|---|
| Dopo le prime 10 ore |
|
| Prima di ogni utilizzo o quotidianamente |
|
| Ogni 50 ore |
|
Pericolo
Le lame consumate o danneggiate possono spezzarsi e scagliare frammenti verso di voi o gli astanti, causando gravi ferite o anche la morte.
-
Controllate la lama ad intervalli regolari, per accertare che non sia consumata o danneggiata.
-
Non tentate di raddrizzare una lama incurvata.
-
Non saldate una lama rotta o crepata.
-
Sostituite una lama consumata o danneggiata con una lama Toro nuova, per garantire che il prodotto sia sempre conforme alle norme di sicurezza.
Sia i taglienti sia la costa, cioè la parte rivolta in alto opposta al tagliente, contribuiscono alla buona qualità del taglio. La costa è importante perché solleva l'erba in verticale, consentendo in questo modo un taglio uniforme. La costa si consuma, tuttavia, con l’utilizzo; questo tipo di usura è normale. Quando la costa si usura, la qualità del taglio si deteriora, anche se i taglienti sono affilati. Il tagliente della lama deve essere affilato, in modo che l'erba venga tagliata anziché strappata. Quando le estremità dell'erba sono marroni e sminuzzate è evidente che il tagliente è ormai smussato. Per correggere questa condizione, affilate i taglienti.
-
Parcheggiate la macchina su terreno pianeggiante. Sollevate l'apparato di taglio, inserite il freno di stazionamento, mettete in folle il pedale di comando della trazione, mettete la leva della PDF in posizione di SPEGNIMENTO, spegnete il motore e togliete la chiave.
-
Verificate accuratamente i taglienti, con particolare attenzione ai punti d'incontro delle sezioni piatta e curva della lama (Figura 31). Sabbia e materiali abrasivi possono consumare il metallo che connette le sezioni piatta e curva della lama, per cui si consiglia di controllare la lama prima di usare la macchina. Se notate dell'usura (Figura 31), sostituite la lama; fate riferimento a Rimozione e montaggio della lama (o delle lame).

Avvertenza
Se continuate ad usare la lama usurata, si forma una scanalatura tra la costa e la sezione piatta della lama (Figura 31). Alla fine, un pezzo di lama può staccarsi e venire lanciato dal sottoscocca, con il rischio di ferire gravemente voi o gli astanti.
-
Controllate la lama ad intervalli regolari, per accertare che non sia consumata o danneggiata.
-
Sostituite una lama consumata o danneggiata con una lama Toro nuova, per garantire che il prodotto sia sempre conforme alle norme di sicurezza.
-
-
Esaminate i taglienti di tutte le lame, e affilateli se fossero ottusi o scheggiati. Affilate soltanto la parte superiore del tagliente e mantenete l'angolo di taglio originale per garantire l'affilatura (Figura 32). La lama rimane bilanciata soltanto se viene rimossa una quantità uguale di metallo da entrambi i taglienti.

Note: Rimuovete le lame e affilatele con un'affilatrice; vedere Rimozione delle lame. Dopo avere affilato i taglienti, montate la lama insieme alla coppa antistrappo e al bullone della lama. La costa deve trovarsi sulla parte superiore della lama. Serrate il bullone della lama tra 115 e 149 N∙m.
Pulizia della parte inferiore dell'apparato di taglio
| Cadenza di manutenzione | Procedura di manutenzione |
|---|---|
| Dopo ogni utilizzo |
|
Togliete ogni giorno lo sfalcio accumulatosi sotto l'apparato di taglio.
-
Disinnestate la PDF, rilasciate il pedale di trazione in posizione di folle e inserite il freno di stazionamento.
-
Portate la leva dell'acceleratore in posizione di MARCIA LENTA, spegnete il motore, togliete la chiave e prima di scendere dalla postazione dell'operatore attendete che le parti in movimento si siano fermate.
-
Sollevate l'apparato di taglio in posizione di TRASFERIMENTO.
-
Usate un martinetto per sollevare la parte anteriore della macchina e sostenetela su cavalletti.
-
Pulite accuratamente con acqua la parte inferiore dell'apparato di taglio.


che riporta l’indicazione di Attenzione,
Avvertenza o Pericolo – norme di sicurezza personali. Il mancato
rispetto di queste istruzioni può provocare infortuni o la
morte.






















