此产品符合欧盟所有相关指令。若要了解详情,请参阅本手册封底的注册声明 (DOI)。
此穿刺刀专为在果岭和高尔夫球场的小球道上修剪草坪而设计。将本产品用于指定用途以外的其他目的可能会对您和旁观者造成危害。
请仔细阅读本手册,了解如何正确操作及维护您的产品,避免人身伤害和产品损坏。正确并安全地操作本产品是您的责任.
可访问 www.Toro.com,获取产品安全和操作培训材料、附件信息,查找代理商或注册产品。
当您需要关于维修保养,Toro 真品零件或其他方面的信息时,请联系授权服务经销商或 Toro 客户服务中心,并准备好有关您的产品的型号和序列号等资料。图 1显示了产品上型号和序列号的位置。将型号、序列号写在提供的空白处。
Important: 您可以使用移动设备扫描序列号标贴上的二维码(如配备),以查阅保修、零售及其他产品信息。

本手册旨在确定潜在危险并列出安全警告标志(图 2)所标示的安全信息,该标志表明了在不遵循建议的预防措施进行操作时可能造成的严重伤害或死亡事故。

本手册使用两个词语来突出信息。重要事项唤起人们对特殊机械信息的注意,而注意则强调值得特别关注的一般信息。
本产品可能切断手脚。请始终遵循所有安全说明,避免严重的人身伤害。
在启动发动机之前,请首先阅读并理解本操作员手册的内容。
切勿将手脚放在机器的活动组件附近。
请仅在所有防护装置和其他安全装置到位且可在机器上正常工作的情况下才操作机器。
始终保持任何排放口通畅。让旁观者和宠物远离机器。
让儿童远离操作区。切勿让儿童操作机器。
因任何原因离开操作员位置之前,应将机器停放在水平地面上、放下滚刀组、分离驱动、接合手刹(如提供)、关闭发动机,然后从点火开关上拔下钥匙。
不当使用或维护本机器可能导致人身伤害。若要减少潜在伤害,请遵循这些安全说明并始终注意安全警告标志
,即小心、警告或危险等个人安全指示。不遵循这些说明可能导致人身伤害甚至死亡事故。
当安装在主机上时,穿刺刀仅是整个机器的一部分。请仔细阅读主机《操作员手册》,了解安全使用机器的完整说明。
机器撞击物体或内部出现异常振动后,应停止机器、拔出钥匙并等待所有活动件停止,然后再检查附件。恢复操作之前请执行所有必需的修理。
确保所有零件都处于良好工作状况,保持所有紧固件拧紧。更换所有磨损或损坏的标贴。
仅使用 Toro 批准的附件、配件和更换零件。
磨损或受损的穿刺刀刀片可能会断裂,并且刀片碎片可能会被抛掷到您或旁观者所在的区域,导致严重人身伤害甚至死亡事故。
定期检查穿刺刀是否磨损或损坏。
检查或维修穿刺刀时需小心谨慎并佩戴手套。
使用带多个滚刀组的机器时应小心谨慎,因为 1 个穿刺刀的旋转可能导致其他穿刺刀旋转。
此程序中需要的物件:
| 配重块(不含) | 3 |
| 螺栓(不含) | 6 |
| 垫圈(不含) | 24 |
Note: 如果您要在 04540 型主机或者 04580 或 04590 型 eTriFlex 主机上安装穿刺刀,请添加额外的配重块(零件号 117-6774-03)。
在穿刺果岭之前,找一个空旷的区域练习穿刺刀的启动、停止、升高、降低和滚动。此培训可帮助您在果岭上使用穿刺刀之前获得经验和信心。
调查果岭以确定是否有任何障碍物会受损或会损坏穿刺刀,例如洒水喷头或其他突出物。
穿刺时保持直线。当穿刺刀完全降低并接触地面时,请勿使机器转向。
当您到达果岭边缘时,请在使机器转向或停止机器之前升高穿刺刀。在转向之前,您必须完全升起穿刺刀。
在开始任何维护程序之前,请执行以下操作:
将机器停在水平地面上。
将穿刺刀组完全降低到地面,以便让悬挂液压系统完全伸展。
接合手刹,关闭发动机,然后拔下点火钥匙。
准备维护;请参阅 维护准备
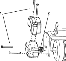
将马达固定架朝着穿刺刀组的方向从马达槽中推出,并从穿刺刀组上拆下马达。

将马达移至悬挂臂前的存放位置。
Important: 当滚刀马达位于机器机架支座中时,切勿将悬挂提升至行驶位置。否则,可能导致马达或软管受损。如果您必须在未安装穿刺刀组的情况下移动主机,请使用电缆扎带将马达固定到悬挂臂上。
打开您正在拆卸的穿刺刀组悬挂臂横杆上的闩锁。
分离闩锁与穿刺刀组横杆之间的连接。
从悬挂臂下滚出穿刺刀组。
必要时,对其他穿刺刀组重复步骤 2至 6。
维护滚筒可以使用果岭滚筒翻新套件(零件号 140-5552)和果岭滚筒翻新工具套件(零件号 140-5553)(图 9)。滚筒翻新套件包括翻新滚筒所需的所有轴承、轴承螺母和密封件。
滚筒翻新工具套件包括使用滚筒翻新套件翻新滚筒所需的所有工具和安装说明。请参阅您的零件目录,或联系您的 Toro 授权经销商寻求帮助。
