Este producto cumple todas las directivas europeas aplicables. Para obtener más detalles, consulte la Declaración de Incorporación (DOI) al final de esta publicación.
Este aireador spiker está diseñado para cortar el césped en greens y calles pequeñas en campos de golf. El uso de este producto para otros propósitos que los previstos podría ser peligroso para usted y para otras personas.
Lea este manual detenidamente para aprender a utilizar y mantener correctamente su producto, y para evitar lesiones y daños al producto. Usted es responsable de utilizar el producto de forma correcta y segura.
Visite www.Toro.com para buscar materiales de formación y seguridad o información sobre accesorios, para localizar un distribuidor o para registrar su producto.
Cuando necesite asistencia técnica, piezas genuinas Toro o información adicional, póngase en contacto con un Servicio Técnico Autorizado o con Asistencia al Cliente de Toro, y tenga a mano los números de modelo y serie de su producto. Figura 1 identifica la ubicación de los números de modelo y serie en el producto. Escriba los números en el espacio provisto.
Important: Con su dispositivo móvil, puede escanear el código QR de la pegatina del número de serie (en su caso) para acceder a información sobre la garantía, las piezas, y otra información sobre el producto.

Este manual identifica peligros potenciales y contiene mensajes de seguridad identificados por el símbolo de alerta de seguridad (Figura 2), que señala un peligro que puede causar lesiones graves o la muerte si usted no sigue las precauciones recomendadas.

Este manual utiliza 2 palabras más para resaltar información. Importante llama la atención sobre información mecánica especial, y Nota resalta información general que merece una atención especial.
Este producto puede amputar manos y pies. Siga siempre todas las instrucciones de seguridad con el fin de evitar lesiones personales graves.
Lea y comprenda el contenido de este Manual del operador antes de arrancar el motor.
No coloque las manos o los pies cerca de componentes en movimiento de la máquina.
No utilice la máquina a menos que tenga instalados y estén en funcionamiento todos los protectores y otros dispositivos de seguridad.
Manténgase alejado de cualquier apertura de descarga. Mantenga alejados a otras personas y a los animales domésticos de la máquina.
Mantenga alejados a los niños de la zona de trabajo. Nunca permita a los niños utilizar la máquina.
Aparque la máquina en una superficie nivelada, baje las unidades de corte, desengrane las transmisiones, ponga el freno de estacionamiento (si la máquina lo tiene), apague el motor y retire la llave antes de abandonar el puesto del operador por cualquier razón.
El uso o mantenimiento incorrecto de esta máquina puede
causar lesiones. Para reducir el peligro de lesiones, cumpla estas
instrucciones de seguridad y preste atención siempre al símbolo
de alerta de seguridad
, que significa: Cuidado, Advertencia
o Peligro – instrucción relativa a la seguridad personal.
El incumplimiento de estas instrucciones puede dar lugar a lesiones
personales o la muerte.
El spiker solo forma parte de una máquina completa cuando se instala en una unidad de tracción. Lea el Manual del operador de la unidad de tracción detenidamente para obtener instrucciones completas sobre el uso seguro de la máquina.
Pare la máquina, retire la llave y espere a que se detengan todas las piezas en movimiento antes de inspeccionar el accesorio después de golpear un objeto o si se produce una vibración anormal en la máquina. Realice todas las reparaciones necesarias antes de volver a utilizar la máquina.
Mantenga todas las piezas en buenas condiciones de funcionamiento, y todos los herrajes bien apretados. Sustituya cualquier pegatina desgastada o deteriorada.
Utilice solo accesorios, aperos y piezas de repuesto aprobados por Toro.
Una cuchilla spiker desgastada o dañada puede romperse, y un trozo podría salir despedido hacia usted u otra persona, provocando lesiones personales graves o la muerte.
Inspeccione periódicamente el spiker en busca de desgaste o desperfectos.
Tenga cuidado y lleve guantes durante la revisión o el mantenimiento del spiker.
En máquinas con múltiples unidades de corte, tenga cuidado puesto que si se hace rotar una de las cuchillas spiker, otras cuchillas también pueden rotar.
Coloque el aireador debajo del brazo de suspensión de la unidad de tracción.
Con los enganches de la barra del brazo de suspensión abiertos (Figura 3), empuje hacia abajo el brazo de suspensión de modo que encaje sobre la barra superior del aireador (Figura 4).


Cierre los enganches para bloquear el aireador en su sitio (Figura 3)
Note: Cuando los enganches están bloqueados correctamente, puede sentir y escuchar un clic.
Introduzca el motor en el lado izquierdo del aireador (visto desde el puesto del operador) y tire de la barra de retención del motor del aireador hacia el motor hasta que oiga un "clic" en ambos lados del motor (Figura 5).

Piezas necesarias en este paso:
| Contrapeso (no incluido) | 3 |
| Pernos (no incluidos) | 6 |
| Arandela (no incluida) | 24 |
Note: Si instala el spiker en la unidad de tracción Modelo 04540, o en una unidad de tracción eTriFlex Modelo 04580 o 04590, añada un contrapeso adicional (Pieza Nº 117-6774-03).
Retire y deseche los pernos de contrapeso existentes de la placa lateral del spiker.
Instale 2 pernos (5/16-18 x 2¾") como se muestra en la Figura 6.
Note: Los pernos (Pieza Nº 322-33) no están incluidos con el spiker.

Instale 4 arandelas (⅛") en cada perno, entre el contrapeso y la placa lateral del spiker (Figura 6).
Note: Las arandelas (Pieza Nº 63-8410) no están incluidas con el spiker.
Instale el peso auxiliar (Pieza Nº 117-6774-03) con pernos.
Note: Puede utilizar el peso auxiliar y los pernos suministrados con la unidad de tracción, o pedir pesos (Pieza Nº 117-6774-03) y pernos (Pieza Nº 322-33) adicionales.
Antes de perforar greens, busque una zona despejada y practique maniobras como arrancar, detenerse, y elevar, bajar y conducir con el aireador. Esta formación le ayuda a adquirir experiencia y confianza con el aireador antes de utilizarlo en un green.
Inspeccione el green para determinar si hay obstáculos que pudieran resultar dañados, o que pudieran dañar los aireadores, tales como aspersores y otros objetos que sobresalgan del suelo.
Airee en línea recta. No gire la máquina con las cuchillas spiker totalmente bajadas y en contacto con el suelo.
Cuando llegue al borde del green, eleve las unidades spiker antes de girar o detener la máquina. Las unidades spiker deben elevarse del todo antes de realizar giros.
Antes de iniciar cualquier procedimiento de mantenimiento, haga lo siguiente:
Aparque la máquina en una superficie nivelada.
Baje las unidades spiker totalmente al suelo de manera que los brazos hidráulicos de la suspensión estén totalmente extendidos.
Ponga el freno de estacionamiento, apague el motor y retire la llave.
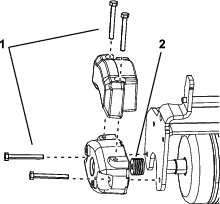
Intervalo de mantenimiento: cada 15 horas.
Lubrique los 2 engrasadores (Figura 7) de cada aireador cada 15 horas de uso, usando grasa de litio n.º 2. Para obtener los mejores resultados, utilice una pistola de engrasar manual.

Prepare la máquina para el mantenimiento; consulte Preparación para el mantenimiento.
Limpie cada engrasador (Figura 7) con un trapo limpio.
Aplique grasa a los cojinetes del eje del aireador hasta que note presión.
Limpie el exceso de grasa.
Prepare la máquina para el mantenimiento; consulte Preparación para el mantenimiento.
Empuje la barra de retención del motor para extraerla de las ranuras del motor y hacia el aireador, y retire el motor del aireador.

Mueva el motor al lugar de almacenamiento en la parte delantera del brazo de suspensión.
Important: No eleve la suspensión a la posición de transporte cuando los motores del molinete están en los soportes del bastidor de la máquina. Podrían dañarse los motores o los manguitos.Si debe mover la unidad de tracción sin los aireadores instalados, utilice bridas para fijar los motores a los brazos de suspensión.
Abra los enganches de la barra del brazo de suspensión del aireador que está retirando.
Desconecte los cierres de la barra del aireador.
Retire el aireador de debajo del brazo de suspensión.
Repita los pasos 2 a 6 para retirar los demás aireadores, si es necesario.
Para facilitar el mantenimiento del rodillo están disponibles el Kit de reacondicionamiento de rodillos para green (Pieza 140-5552) y el Kit de herramientas para el reacondicionamiento de rodillos para green (Pieza 140-5553) (Figura 9). El Kit de reacondicionamiento de rodillos incluye todos los cojinetes, tuercas de cojinete, juntas y retenes necesarios para reacondicionar un rodillo.
El Kit de herramientas para el reacondicionamiento del rodillo incluye todas las herramientas e instrucciones de instalación necesarias para reacondicionar un rodillo con el kit de reacondicionamiento de rodillos. Consulte el catálogo de piezas o póngase en contacto con su Distribuidor Autorizado Toro si necesita ayuda.
