Introduktion

Denna produkt uppfyller alla relevanta europeiska direktiv. Mer information finns i försäkran om inbyggnad i slutet av det här dokumentet.

Den här rullenheten är konstruerad för att underhålla gräs på greener och små fairways på golfbanor. Det kan medföra fara för dig och kringstående om maskinen används i andra syften än vad som avsetts.

Läs den här informationen noga så att du lär dig att använda och underhålla produkten på rätt sätt och för att undvika person- och produktskador. Du är ansvarig för att produkten används på ett korrekt och säkert sätt.

Besök www.Toro.com om du behöver utbildningsmaterial för säkerhet och drift, information om tillbehör, hjälp med att hitta en återförsäljare eller om du vill registrera din produkt.

Kontakta en auktoriserad Toro-återförsäljare och ha produktens modell- och serienummer till hands när du behöver service, Toro-originaldelar eller ytterligare information. Modell- och serienummer finns på en platta på den bakre ramen. Skriv numren i det tomma utrymmet.

Important: Skanna rutkoden på serienummerdekalen (i förekommande fall) med en mobil enhet för att få tillgång till information om garanti, reservdelar och annat.

g279029

I den här bruksanvisningen anges potentiella risker och alla säkerhetsmeddelanden har markerats med en varningssymbol (Figur 2), som anger fara som kan leda till allvarliga personskador eller dödsfall om föreskrifterna inte följs.

g000502

Två ord används också i den här bruks­anvisningen för att markera information. Viktigt anger speciell teknisk information och Observera anger allmän information som bör ges särskild uppmärksamhet.

Säkerhet

Allmän säkerhet

Maskinen kan slita av händer och fötter. Följ alltid alla säkerhetsanvisningar för att undvika allvarliga personskador.

  • Läs och se till att du har förstått innehållet i den här bruksanvisningen innan du startar motorn.

  • Håll händer och fötter på avstånd från maskinens rörliga delar.

  • Kör endast maskinen om skydd och andra säkerhetsanordningar sitter på plats och fungerar.

  • Håll kringstående och husdjur på avstånd från maskinen.

  • Håll barn på säkert avstånd från arbetsområdet. Låt aldrig barn använda maskinen.

  • Parkera maskinen på ett plant underlag, sänk ned klippenheterna, koppla ur drivhjulen, koppla in parkeringsbromsen (om den finns), stäng av motorn och ta ut nyckeln innan du lämnar förarplatsen av någon anledning.

Felaktigt bruk eller underhåll av maskinen kan leda till personskador. För att minska risken för skador ska du alltid följa säkerhetsanvisningarna och uppmärksamma varningssymbolen Graphic. Symbolen betyder Var försiktig, Varning eller Fara – anvisning om personsäkerhet. Underlåtenhet att följa anvisningarna kan leda till personskador eller dödsfall.

Säkerhet för rullenheter

  • Rullenheten utgör endast en del av en komplett maskin när den är monterad på en traktorenhet. Läs noggrant igenom traktorenhetens bruksanvisning för fullständiga anvisningar om säker användning av maskinen.

  • Stanna maskinen, ta ut nyckeln och vänta tills alla rörliga delar har stannat innan du undersöker redskapet om du kör på ett föremål eller om maskinen vibrerar på ett onormalt sätt. Reparera alla skador innan du börjar köra maskinen igen.

  • Håll alla delar i gott bruksskick och samtliga beslag åtdragna. Byt ut alla slitna eller skadade dekaler.

  • Använd endast tillbehör, redskap och reservdelar som har godkänts av Toro.

Montering

Montera Tri-Roller-enheterna

  1. Ställ maskinen på ett plant underlag, stäng av motorn, lägg i parkeringsbromsen och ta ut nyckeln.

  2. Placera Tri-Roller-enheten under upphängningsarmen.

  3. Låt spärrarna på upphängningsarmstången peka uppåt (Figur 3) och tryck upphängningsarmen nedåt så att stången passar över stången över ovansidan av Tri-Roller-enheten (Figur 4).

    g018311
    g018312
  4. Fäll spärrarna nedåt och runt Tri-Roller-enhetsstången och lås dem på plats (Figur 3).

    Note: Du kommer att höra och känna ett klick när spärrarna har låsts fast ordentligt.

  5. För in motorn på vänster sida av Tri-Roller-enheten (sett från förarsätet) och dra motorfäststaget på Tri-Roller-enheten mot motorn tills du hör ett tydligt klickljud från båda sidorna av motorn (Figur 5).

    g014690

Ta bort Tri-Roller-enheten

  1. Parkera maskinen på en ren och plan yta. Sänk ned Tri-Roller-enheterna till marken tills upphängningshydrauliken är helt utdragen, stäng av motorn, lägg i parkeringsbromsen och ta ut nyckeln ur tändningslåset.

  2. Tryck ut motorfäststaget från motorns skåror och mot Tri-Roller-enheten, och ta bort motorn från Tri-Roller-enheten.

    g014605
  3. Flytta motorn till förvaringsutrymmet framför upphängningsarmen.

    Note: Höj inte upp fjädringen till transportläget när cylindermotorerna sitter i hållarna på maskinens ram. Underlåtenhet att följa detta råd kan leda till skador på motorerna eller slangarna. Om du måste flytta traktorenheten när Tri-Roller-enheterna inte är monterade fäster du dem på upphängningsarmarna med kabelband.

  4. Öppna spärrarna på upphängningsarmstången på den Tri-Roller-enhet som du tar bort.

  5. Lossa spärrarna från Tri-Roller-enhetsstången.

  6. Rulla ut Tri-Roller-enheten under upphängningsarmen.

  7. Upprepa steg 2 till 6 för de andra Tri-Roller-enheterna vid behov.

Lägga till bakre vikt

Delar som behövs till detta steg:

Viktsats 119-7129 (köps separat)1

Maskinen uppfyller kraven i standarden ANSI B71.4-2017 och SS-EN ISO 5395 när den är utrustad med viktsatsen (artikelnr 119-7129).

Körning

Montera de elektriska motvikterna

Note: Vid montering av Tri-Roller på greenklippare av modell 04530 eller 04540 måste du använda ytterligare en hybrid motvikt.

  1. Ta bort och kassera motviktsskruvarna.

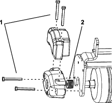
  2. Montera två skruvar (5/16–18 x 2 ¾ tum) enligt Figur 7.

    Note: Dessa skruvar ingår inte i denna sats. Beställ Toro-artikelnr 322-33.

  3. Montera fyra distansbrickor (⅛ tum) per skruv mellan motvikten och sidoplåten på Tri-Roller (Figur 7).

    Note: Dessa distansbrickor ingår inte i denna sats. Beställ Toro-artikelnr 63-8410.

  4. Montera den extra hybridvikten som medföljer traktorenheten med de medföljande skruvarna.

g254873

Övningsperiod

Innan du rullar på greener bör du leta upp ett tomt område och öva på att starta, stanna, höja upp, sänka ned och rulla med Tri-Roller-enheten.

Arbetstips

Håll en rak linje under rullningsarbetet. Sväng inte när Tri-Roller-enheterna är på marken.

När du kommer fram till greenens kant höjer du Tri-Roller-enheterna innan du vänder eller stannar. Tri-Roller-enheterna måste vara helt upphöjda innan du svänger. Inspektera greenen och avgör om det finns några hinder som kan skadas eller som kommer att skada valsarna, t.ex. sprinklerhuvuden och utstickande föremål.

Underhåll

Förbereda för underhåll

Gör följande innan du påbörjar ett nytt underhållsförfarande:

  1. Parkera maskinen på en plan yta.

  2. Sänk rullenheterna helt till marken, så att det hydrauliska fjädringssystemet är helt utsträckt.

  3. Koppla in parkeringsbromsen, stäng av motorn och ta ut nyckeln.

Smörja Tri-Roller-enheten

Smörj de två smörjnipplarna (Figur 8) på varje Tri-Roller-enhet efter var 15:e arbetstimme med litiumfett nr 2. Använd en manuell fettspruta för bästa resultat.

  1. Torka av alla smörjnipplar med en ren trasa.

  2. Stryk på fett på Tri-Roller-enheternas axellager tills du känner trycket (Figur 8).

    g018317
  3. Torka av överflödigt fett.