유지보수
유지보수 준비
유지보수 절차를 시작하기 전에 다음을 수행하십시오.
-
장비를 평지에 주차합니다.
-
롤러 유닛을 지상으로 완전히 내려서 서스펜션 유압 장치를 완전히 확장합니다.
-
주차 브레이크를 걸고 엔진을 끈 다음 키를 뺍니다.
이 제품은 모든 관련 유럽 지침을 준수합니다. 자세한 내용은 이 간행물의 뒷면에 나오는 적합성 선언서(Declaration of Incorporation, DOI)를 참조하십시오.
이 롤러는 골프 코스의 그린 및 소형 페어웨이 잔디를 유지 관리하는 용도로 고안되었습니다. 이 제품을 지정되지 않은 용도로 사용하면 작업자나 주변 사람들이 위험해질 수 있습니다.
이 정보를 주의 깊게 읽고 제품을 제대로 조작 및 유지관리하는 방법과 부상 및 제품 손상을 방지하는 방법에 대해 익히십시오. 사용자는 제품을 제대로 안전하게 조작해야 할 책임이 있습니다.
제품 안전성과 사용법 교육 자료, 액세서리 관련 정보 등이 필요하거나 판매점 연락처 정보를 얻거나 제품을 등록하려면 www.Toro.com을 방문하십시오.
서비스, Toro 순정 부품 또는 추가 정보가 필요하면 Toro 지정 판매 대리점에 연락하여 제품의 모델 번호와 일련 번호를 알려 주십시오. 모델 번호와 일련 번호는 후방 프레임에 있는 플레이트에 표시되어 있습니다. 이들 번호를 다음 칸에 적어 두십시오.
Important: 모바일 기기에서는 일련번호 전사지의 QR 코드(장착한 경우)를 스캔하여 보증, 부품 및 기타 제품 정보를 액세스할 수 있습니다.

본 설명서는 잠재적인 위험에 대해 설명하고 있으며, 권장 예방 조치를 따르지 않을 경우 심각한 부상이나 사망을 초래할 수 있는 위험에 대해서는 안전 경고 기호(그림 2)로 표시합니다.

본 설명서에서는 2가지 단어를 사용하여 정보를 강조합니다. 중요는 특별한 기계적 정보에 대한 주의를 환기시키며 참고는 특별한 주의를 기울일 필요가 있는 일반 정보를 강조합니다.
이 제품에서는 손이나 발이 절단될 수 있습니다. 항상 모든 안전 지침을 준수하여 사람이 심하게 다치는 일을 방지하십시오.
엔진을 시동하기 전에 이 사용 설명서의 내용을 읽고 숙지하십시오.
장비의 움직이는 부품 근처에 손이나 발을 두지 마십시오.
모든 보호 장치 및 기타 안전 보호 장치가 장비에 배치되어 작동하지 않는 한 장비를 운전하지 마십시오.
주변 사람이나 애완 동물이 가까이 오지 않도록 하십시오.
아이들이 작동 영역에 접근하지 못하게 하십시오. 절대로 아이들이 장비를 작동하게 하지 마십시오.
어떤 이유로든 운전석을 비우기 전에 장비를 평지에 주차하고, 커팅 유닛을 내리고, 드라이브를 해제하고, 주차 브레이크를 체결하고(브레이크가 있는 경우), 엔진을 정지하고, 키를 빼십시오.
이 장비를 잘못 사용하거나 정비하면 사람이 다치는 사고가 생길 수 있습니다. 부상 위험을 줄이려면 여기에 나와
있는 안전 지침을 따르고 주의, 경고 또는 위험과 같은 개인 안전 지침을 의미하는 안전 경고 기호(
)에 항상 주의를 기울이십시오.
이 지침을 따르지 않을 경우 사람이 다치거나 사망하는 사고가 발생할 수 있습니다.
롤러는 트랙션 유닛에 설치되어 장비를 완성하는 부품일 뿐입니다. 안전한 장비 사용에 대한 자세한 지침은 트랙션 유닛 사용 설명서를 주의 깊게 읽으십시오.
장비가 물체에 부딪히거나 장비에 비정상적인 진동이 있으면, 장비를 멈추고 키를 뺀 다음, 움직이는 모든 부품이 멈추기를 기다려 장비를 점검합니다. 다시 작동하기 전에 필요한 모든 수리를 시행하십시오.
모든 부품을 잘 작동하는 상태로 유지하고 모든 장비 부품을 단단히 조여 두십시오. 닳거나 손상된 데칼은 모두 교체하십시오.
Toro에서 승인한 액세서리, 부착 장치 및 교체용 부품만 사용하십시오.
장비를 평평한 곳에 주차하고 엔진을 멈춘 후 주차 브레이크를 걸고 키를 뺍니다.
서스펜션 암 아래에 3중 롤러를 배치합니다.
서스펜션 암 바 위의 래치를 위로 향하게 하고(그림 3) 서스펜션 암을 아래로 눌러 서스펜션 암 바가 3중 롤러 유닛 상단을 가로지르는 바 위에서 체결되도록 합니다(그림 4).


래치를 3중 롤러 유닛 주변 아래로 닫고 제자리에 고정합니다(그림 3).
Note: 래치가 적절하게 고정되면 "딸깍" 소리가 들립니다.
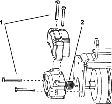
모터를 3중 롤러 유닛의 좌측에 삽입하고(운전자 위치에서 보이는 것처럼) 모터 양쪽에서 "딸깍" 소리가 들릴 때까지 3중 롤러 유닛의 모터 고정 바를 모터 방향으로 당깁니다(그림 5).

장비를 깨끗하고 평평한 곳에 주차하고 서스펜션 유압 장치가 완전히 확장될 때까지 3중 롤러 유닛을 지면으로 내리고, 엔진을 멈춘 후 주차 브레이크를 걸고 점화 스위치에서 키를 뺍니다.
3중 롤러 유닛 방향으로 모터 고정 바를 모터 슬롯에서 밀어낸 다음 모터를 3중 롤러 유닛에서 빼냅니다.

모터를 서스펜션 암 전방의 보관 위치로 옮깁니다.
Note: 릴 모터가 장비 프레임의 홀더 내에 있을 때는 서스펜션을 이동 위치로 올리지 마십시오. 모터나 호스가 손상될 수 있습니다. 3중 롤러 유닛을 설치하지 않은 상태 트랙션 유닛을 이동해야 할 경우, 케이블 타이를 사용하여 서스펜션 암을 고정하십시오.
제거할 3중 롤러 유닛의 서스펜션 암 바에 달린 래치를 엽니다.
래치를 3중 롤러 유닛 바에서 분리합니다.
3중 롤러를 굴려서 서스펜션 암 아래에서 빼냅니다.
필요 시 다른 3중 롤러 유닛에 대해 2~6단계를 반복합니다.
이 절차를 수행하는 데 필요한 부품:
| 무게추 키트, 119-7129(별도 구매 가능) | 1 |
본 장비는 무게추, 부품 번호 119-7129를 장착할 때 ANSI B71.4-2017 및 EN ISO 5395 표준에 적합합니다.
Note: 3중 롤러를 그린 모어 모델 04530 또는 04540에 설치할 경우, 추가적인 하이브리드 카운터웨이트를 사용해야 합니다.
카운터웨이트 볼트는 제거 후 폐기하십시오.
그림 7과 같이 2개의 볼트(5/16-18 x 2 3/4 인치)를 설치합니다.
Note: 이러한 볼트는 본 키트에 포함되어 있지 않습니다. Toro 부품 번호 322-33을 주문하십시오.
카운터웨이트 및 3중 롤러 측면판 사이에 볼트당 4개의 스페이서(1/8 인치)를 설치합니다(그림 7).
Note: 이러한 스페이서는 본 키트에 포함되어 있지 않습니다. Toro 부품 번호 63-8410을 주문하십시오.
공급된 볼트를 사용하여 트랙션 유닛과 함께 제공된 하이브리드 보조 무게추를 설치합니다.

그린을 롤링하기 전에 아무 것도 없는 장소를 찾아, 3중 롤러를 시동하고, 멈추고, 올리고 내리기, 롤링하는 연습을 합니다.
롤링 작업 시 직선을 유지하십시오. 3중 롤러가 지상에 놓여 있을 때 회전하지 마십시오.
그린의 가장자리에 도달한 후 회전하거나 멈추기 전에 3중 롤러를 올리십시오. 회전하기 전에 3중 롤러를 완전히 올려야 합니다. 스프링클러 헤드나 돌출 장애물 등과 같이 롤러에 손상을 입히거나, 롤러가 손상을 가할 수 있는 장애물이 있는지 확인하십시오.
유지보수 절차를 시작하기 전에 다음을 수행하십시오.
장비를 평지에 주차합니다.
롤러 유닛을 지상으로 완전히 내려서 서스펜션 유압 장치를 완전히 확장합니다.
주차 브레이크를 걸고 엔진을 끈 다음 키를 뺍니다.